Ćuk-Wandler
Als Ćuk-Wandler (englisch Ćuk converter) bezeichnet man in der Elektronik eine elektronische Schaltung, die eine elektrische Gleichspannung in eine andere elektrische Gleichspannung transformieren kann. Der Betrag der Ausgangsspannung kann dabei sowohl kleiner als auch größer sein als die Höhe der ursprünglichen Eingangsspannung. Im Gegensatz zu dem SEPIC-Wandler weist die Ausgangsspannung wie beim Inverswandler gegenüber der Eingangsspannung ein negatives Vorzeichen auf, die Ausgangsspannung ist invertiert. Aufgrund dieser Tatsache wird der Ćuk-Wandler zur Gruppe der invertierenden Gleichspannungswandler gezählt.
Die Bezeichnung Ćuk-Wandler ist auf den Namen dessen Erfinders Slobodan Ćuk zurückzuführen, der die Schaltungsidee 1976 zusammen mit Robert D. Middlebrook vorstellte.[1]
Aufbau und Motivation

Der Ćuk-Wandler verwendet für die Spannungswandlung drei aktive Energiespeicher, zwei Spulen und einen Kondensator, welche mithilfe von Halbleiterschaltern kontinuierlich mit Energie geladen und entladen werden. Zusätzlich wird, wie bei jedem Spannungswandler, sowohl am Eingang als auch am Ausgang ein Ladekondensator benötigt, um die Spannungswelligkeit zu reduzieren.
Bei gewöhnlichen Spannungswandlern wie dem Aufwärtswandler oder dem Abwärtswandler tritt entweder am Eingang oder am Ausgang der Schaltung ein diskontinuierlicher Stromverlauf auf, welcher die jeweilige Spannungswelligkeit negativ beeinflusst. So muss bei Aufwärtswandler der Ausgangskondensator besonders groß sein, da der Wandler nur in der Ausschaltzeit des Schalters Strom an den Ausgang liefert. Beim Abwärtswandler hingegen muss wiederum auf den Eingangskondensator besonders Augenmerk gelegt werden, da hier nur in der Einschaltzeit des Schalters Strom vom Eingang in die Schaltung fließt.
Genau diese negativen Eigenschaften treten bei der Ćuk-Wandler-Topologie nicht auf, da hier sowohl der Eingangsstrom als auch der Ausgangsstrom kontinuierlich verlaufen. Somit können beide Ladekondensatoren deutlich kleiner ausfallen, ohne die Spannungswelligkeit zu verschlechtern.
Funktion

Wird der Transistor T eingeschaltet, so liegt die Induktivität L1 in Reihe zur Versorgungsspannung, und der Strom IL1 beginnt zu steigen. Nach dem Abschalten des Transistors fließt dieser Strom aufgrund der Lenz'schen Regel weiter und lädt den Kondensator C über die Diode D. Der Strom in der Induktivität L1 nimmt dabei ab, die Spannung am Kondensator zu. Nach dem erneuten Einschalten des Transistors wird die Induktivität L1 nachgeladen, und der Strom IL1 steigt. Gleichzeitig beginnt nun ein negativer Strom IL2 zu fließen, der, ausgehend von Kondensator, über die Induktivität L2 und über die Last (inklusive Ladekondensator) fließt und dem Kondensator Energie entzieht. Am Ladekondensator des Ausgangs baut sich somit eine negative Spannung auf. Nach erneutem Abschalten des Transistors wird der Kondensator vom Strom IL1 nachgeladen. Gleichzeitig fließt, ebenfalls bedingt durch die Lenz'sche Regel, der von der Induktivität L2 hervorgerufene Strom IL2 durch die Last und die Diode weiter.
Somit weisen sowohl der Eingangsstrom als auch der Ausgangsstrom einen kontinuierlichen Verlauf auf.
Mathematische Beschreibung
Für die folgenden Überlegungen wird davon ausgegangen, dass alle Kondensatoren sehr groß sind, und der Wandler bei konstantem Tastverhältnis eingeschwungen ist.
Der Strom in den beiden Induktivitäten schwankt kontinuierlich um zwei Werte. Der Mittelwert dieser Ströme ist konstant, und die Ladung am Kondensator im Mittel ausgeglichen.
Nimmt man weiter an, dass der Stromverlauf in den Induktivitäten dreieckförmig ist, können die Integrale vereinfacht werden.
Ersetzt man die Zeiten durch das Tastverhältnis (d), erhält man folgenden Ausdruck.
Die Spannung an einer Induktivität ergibt sich zu:
Demnach müssen die Mittelwerte der Spannungen an den beiden Induktivitäten null ergeben.
Die Spannung an der Induktivität L1 ergibt sich somit zu:
Die Spannung an der Induktivität L2 ergibt sich zu:
Durch Gleichsetzen der beiden Gleichungen erhält man eine Gleichung, die die Ausgangsspannung des Ćuk-Wandlers in Abhängigkeit von der Eingangsspannung und dem Tastverhältnis darstellt:
Ausführung



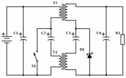
Der Ćuk-Wandler kann sowohl nicht isolierend als auch isolierend mittels Übertrager ausgeführt werden. Bei letzterem besteht zusätzlich die Möglichkeit die Ausgangsspannung um das Übertragungsverhältnis des Transformators zu erhöhen oder zu verringern.
Die beiden Induktivitäten können magnetisch gekoppelt werden, was die Spannungswelligkeit am Eingang und Ausgang verringert. Dabei verwenden die beiden Induktivitäten denselben Kern als magnetische Koppelung.
Siehe auch
Literatur
- M. H. Rashid: Power Electronics Handbook, Second Edition: Devices, Circuits and Applications (Engineering). 2. Auflage. Academic Press, Burlington, California, 2007, ISBN 978-0-12-088479-7.
Weblinks
- de.scribd.com Grundlagen von Gleichspannungswandlern
- Dimensionierung des Ćuk-Wandlers
Einzelnachweise
- ↑ R. D. Middlebrook, S. Ćuk: A general unified approach to modelling switching-converter power stages. In: Proceedings of the IEEE Power Electronics Specialists Conference, June 8 – 10, 1976, Cleveland, OH. 1976, S. 73–84 (Vorabdruck als PDF [abgerufen am 5. Juli 2010]).