8 × 68 mm S
| 8 × 68 mm S | |
|---|---|
| |
| Allgemeine Information | |
| Kaliber | 8 × 68 mm (dezimal) |
| Hülsenform | Randlos mit Ausziehrille |
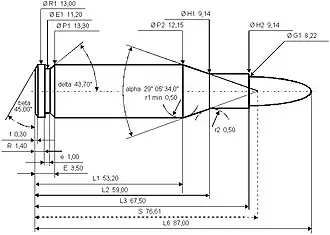
| Maße | |
| Hülsenschulter ⌀ | 12,15 mm |
| Hülsenhals ⌀ | 9,14 mm |
| Geschoss ⌀ | 8,22 mm |
| Patronenboden ⌀ | 13,00 mm |
| Hülsenlänge | 67,50 mm |
| Patronenlänge | 87,00 mm |
| Gewichte | |
| Geschossgewicht | 11,7–14,5 g (180–224 grain) |
| Technische Daten | |
| Geschwindigkeit v0 | 870–990 m/s |
| max. Gasdruck | 4400 Bar |
| Geschossenergie E0 | 5200–5570 J |
| Listen zum Thema | |
Bei der 8 × 68 mm S handelt es sich um eine deutsche Magnum-Jagdpatrone. Sie wurde in den 1930er-Jahren aufgrund der stetig steigenden Nachfrage nach einer Magnumpatrone im Kaliber 8 mm entwickelt.
Geschichte
Die Patrone wurde 1939 von der Rheinisch-Westfälischen Sprengstoffgesellschaft (RWS) vorgestellt. Sie war für den Einsatz in Jagdrepetierern mit dem weit verbreiteten Mauser-System gedacht. Die ursprüngliche Munition dieses Systems, die 7,92×57 mm Mauser, besaß ein ähnliches Geschosskaliber, für eine höhere Geschossenergie war jedoch ein größeres Hülsenvolumen erforderlich. Die Hülse der Mauser-Patrone konnte jedoch nicht beliebig verlängert werden, da dies die Dimension der Ladevorrichtung überschritten hätte. Stattdessen schuf man eine völlig neue Hülse mit breitem Stoßboden, womit 98er-Systeme ohne größere Änderungen verwendet werden konnten. Die sehr rasante Munition erwies sich bei der Jagd auf heimisches Rot- oder afrikanisches Großwild als sehr geeignet.
Weblinks
- 8×68 S In: Jagen Weltweit
