Aminwäsche

Die Aminwäsche ist ein häufig benutzter chemischer Prozess zur Abtrennung von Kohlenstoffdioxid, Schwefelwasserstoff und anderen sauren Gasen aus Gasgemischen. Die Aminwäsche basiert auf dem Prinzip der Chemisorption und erreicht so schon bei relativ niedrigen Drücken in der Absorptionskolonne hohe Reinheiten. Die Selektivität ist ebenfalls meist höher als bei der Physisorption[1].
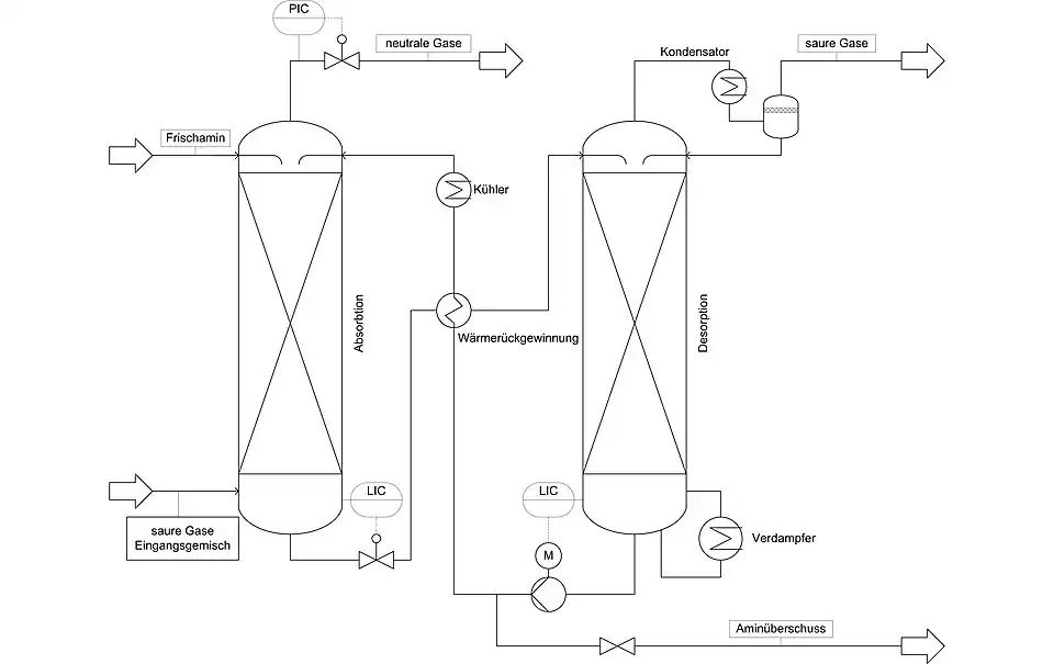
Verfahren
Bei der Aminwäsche werden in einem geschlossenen Prozess leicht alkalische wässrige Lösungen von Aminen (zumeist Ethanolamin-Derivate) eingesetzt, die saure Gaskomponenten reversibel chemisch absorbieren. In den Absorber wird bei niedriger Temperatur (ca. 40 °C)[2] und leicht erhöhtem Druck (ca. 8 bar)[2] frische Aminlösung vom Kopf zugeführt. Von unten wird das zu reinigende Gas in die Trennkolonne geleitet. Durch die chemische Reaktion des absorbierten CO2 mit der Aminlösung wird Energie in Form von Wärme freigesetzt[1]. Das gereinigte Gas verlässt die Kolonne am Kopf und das beladene Waschmittel (Aminlösung) wird am Sumpf der Kolonne in den Desorber gepumpt.
Im Desorber wird bei hoher Temperatur (Einsatz von thermischer Energie) und niedrigem Druck die Reaktion und das chemische Gleichgewicht umgekehrt und somit das gebundene saure Gas dem Waschmittel entzogen. Am Kopf des Desorbers kann somit das reine Gas (mit feuchten Bestandteilen) abgezogen werden. Durch einen Kondensator werden die Anteile an Waschmittel und Wasser vom Gasstrom abgetrennt und der Kolonne wieder zugeführt.
Durch die nachgeschaltete Regeneration des Waschmittels kann das gebundene Gas hoch konzentriert gewonnen werden. Dies macht eine spätere stoffliche Nutzung von z. B. CO2 [3] oder H2S (Claus-Prozess) möglich. Dies ist mit anderen Methoden wie der Druckwasserwäsche nicht möglich.
Verwendet werden zumeist Diethanolamin und Monoethanolamin, daneben sind aber auch Methyldiethanolamin, Diisopropylamin, Diisopropanolamin und Diglycolamin gebräuchlich:[1]
- Monoethanolamin (MEA) absorbiert nur CO2,[4] mit einer Reaktionsenthalpie von ca. 85 kJ/mol[1]
- Diethanolamin (DEA)
- Methyldiethanolamin (MDEA) absorbiert H2S und CO2[4] mit einer Reaktionsenthalpie von ca. 62 kJ/mol[1]
- Diglycolamin (DGA)
Oftmals werden auch Mischungen dieser genannten Amine verwendet, um Synergieeffekte, wie eine katalytische Wirkung für die Reaktionen des Waschmittels zu nutzen.
Ein wichtiges Bewertungskriterium der verschiedenen Mischungen ist die Wärmeleistung, die im Verdampfer eingesetzt wird, um saures Gas aus dem Waschmittel zu regenerieren. Dies kann über die Wärmemenge des absorbiertem CO2 ausgedrückt werden.
Reaktionen
Hier sind die Nettoreaktionen von H2S und von CO2 dargestellt.
Reaktionsnetzwerk
Ionisierung des Wassers:
Ionisierung des gelöstem H2S
Hydrolyse und Ionisierung des gelösten CO2
Protonierung des Amins
Bildung der Carbamate
Diese Reaktionen beschreiben mögliche Pfade der Bindung von CO2 bzw. von H2S. Die sich einstellenden Gleichgewichtskonzentrationen hängen nach dem Gesetz von Henry von den Partialdrücken der Gase ab. Die gebildeten Carbamate stellen eine Gruppe von stabilen Reaktionsprodukten dar, die erst im Desorber wieder aufgelöst werden[1].
Bei der Absorption von CO2 im Amin/Wasser-Gemisch löst sich zunächst das CO2 im Wasser und bildet Kohlensäure. Die entstandene Kohlensäure zerfällt zunächst zu H+ und HCO3- -Ionen. Diese reagieren mit dem Amin. Somit wird das absorbierte CO2 chemisch reversibel gebunden. Das chemische Gleichgewicht wird also erst bei einer deutlich höheren Beladung des Waschmittels erreicht. Über diesen Mechanismus kann ebenfalls die Selektivität eines Amins für eine Gaskomponente erklärt werden.
Verwendung
Verwendet wird dieses Verfahren u. a. in Raffinerien, petrochemischen Anlagen, im Direct-air-capture-Verfahren, in Stahlwerksprozessen,[3] in der Erdgas- und Biogasaufbereitung, in der Rauchgasentschwefelung und zur Atemluftaufbereitung in U-Booten.
Eine Möglichkeit der Emissionsreduktion ist es, das Kohlenstoffdioxid aus Rauchgasen in Kohle- und Gaskraftwerken per Aminwäsche abzutrennen und es dann zu lagern (CCS). Auch eine Nutzung als Ausgangsstoff für verschiedene chemische Synthesen ist möglich[3] (Power-to-Chemicals). Zurzeit ist dieser Verfahrenspfad nicht wirtschaftlich darzustellen.[3]
Beispielhafte Erklärung
Durch das Gedankenspiel mit kohlensäurehaltigem Mineralwasser lässt sich das Prinzip der Absorption greifbarer machen:
Ist eine Mineralwasserflasche kalt und ungeöffnet (hoher Druck im inneren) ist viel CO2 in Form von Kohlensäure im Wasser gebunden. Dies stellt im Fall der Aminwäsche den Absorber dar. Wird die Flasche nun geöffnet (niedrigerer Druck) und ungekühlt gelagert (höhere Temperatur) löst sich das CO2 aus der Bindung und wird an die Umgebung abgegeben. Dies stellt bei der Aminwäsche den Desorber dar. Der größte Unterschied ist, dass es sich bei der Aminwäsche um Mischungen aus Wasser und Aminen handelt, die deutlich mehr CO2 chemisch binden können und bei der Regeneration im Desorber weniger Wärme hinzugefügt werden muss.
Siehe auch
Einzelnachweise
- ↑ a b c d e f Arthur L. Kohl, Richard B. Nielsen: Gas Purification. 5. Auflage. Gulf Publishing Company, 1977, ISBN 0-88415-220-0, S. 50 ff.
- ↑ a b Klinski, Stefan.: Einspeisung von Biogas in das Erdgasnetz : Studie ; diese Arbeit wurde im Rahmen des Projektes: "Evaluierung der Möglichkeiten zur Einspeisung von Biogas in das Erdgasnetz" (FKZ 22021103) erstellt. 2. Auflage. Fachagentur für Nachwachsende Rohstoffe, Gülzow 2006, ISBN 3-00-018346-9.
- ↑ a b c d Bernd Overmaat: Carbon2Chem. In: ThyssenKrupp. ThyssenKrupp, abgerufen am 13. September 2019.
- ↑ a b Stefan Klinski: Einspeisung von Biogas in das Erdgasnetz. Hrsg.: Fachagentur Nachwachsende Rohstoffe e. V. 2. Auflage. Leipzig 2006, ISBN 3-00-018346-9, FKZ 22021103, S. 38–39.