Astabile Kippstufe
Eine astabile Kippstufe, auch astabiler Multivibrator genannt, ist eine elektronische Schaltung, die als Ausgangssignal nur zwei Zustände kennt, zwischen denen sie periodisch umschaltet.[1][2][3] Dazu enthält sie zwei RC-Glieder als zeitbestimmende Schaltungsteile. Diese Kippstufen sind häufig symmetrisch aufgebaut, so dass sie komplementäre Ausgänge haben.
Begriffe und Arbeitsweise
Unter den Kippstufen bestehen drei Varianten:
- Bistabile Kippstufe: Durch eine äußere Anregung kippt ihr Zustand. In diesem verharrt sie zeitunabhängig bis zu einer weiteren Anregung.
- Monostabile Kippstufe: Durch eine äußere Anregung kippt ihr Zustand. In diesem verharrt sie für eine schaltungstechnisch festgelegte Zeit, dann kippt sie in ihren Anfangs- oder Grundzustand zurück. In diesem verharrt sie bis zu einer weiteren Anregung.
- Astabile Kippstufe: Ohne eine äußere Anregung kippt ihr Zustand. In diesem verharrt sie für eine schaltungstechnisch festgelegte Zeit, dann kippt sie wieder. Auch hier verharrt sie für eine festgelegte Zeit, bis sie wieder kippt.
Astabile Kippstufen bestehen im Prinzip aus zwei elektronischen Schaltern, die wechselseitig so verbunden sind, dass eine Mitkopplung entsteht, welche die beiden Schalter in gegensätzliche Zustände bringt (der eine geschlossen, der andere geöffnet). Durch Zeitglieder wird die jeweilige elektrische Spannung, die die Mitkopplung bewirkt hat, abgebaut; nach einer Verzögerung kippt der Ausgangszustand. Wenn dieser ebenfalls nach einer Zeit kippt, entsteht ein periodisches Verhalten. Damit gehört die Schaltung außerdem zu den Relaxationsoszillatoren. Die Frequenz ergibt sich aus den beiden Verzögerungszeiten.
Als Erfinder des astabilen Multivibrators (Rechteckoszillator) gelten Henri Abraham und Eugène Bloch[4].
Schaltungen und Eigenschaften
Typische Schaltungen mit diskreten Bauelementen
Astabile Kippstufe mit Transistoren


In der diskreten Schaltungstechnik werden elektronische Schaltungen mittels einzelner Transistoren realisiert. Hier wird die Funktionsweise einer astabilen Kippstufe anhand eines Beispiels mit bipolaren npn-Transistoren erklärt.
In der stromlosen Schaltung sind die Transistoren Q1 und Q2 sperrend, ihr Durchgangswiderstandswert (von Kollektor zu Emitter) ist somit nahezu unendlich. Die Kondensatoren C1 und C2 sind zunächst entladen. R2 und R3 sind so gewählt, dass die Basen der Transistoren genug Strom bekommen, um durchsteuern zu können. R1 und R4 begrenzen den Arbeitsstrom. Die Schaltfrequenz dieser Kippstufe wird durch die Werte von R2, C1 und R3, C2 bestimmt. Die Widerstandswerte von R2 und R3 sind erheblich größer als R1 und R4. Das digitale Signal wird an einem der beiden Kollektoren abgenommen. Die Betriebsspannung der hier gezeigten Schaltung ist auf die maximal zulässige negative Basis-Emitter-Spannung der verwendeten Transistoren begrenzt, darf also nicht mehr als 5…6 V[5] betragen. Um die Schaltung bei höherer Versorgungsspannung einsetzen zu können, kann je eine zusätzliche entsprechend spannungsfeste Diode in Reihe zu jedem Basisanschluss vorgesehen werden, ohne dass sich am Funktionsprinzip etwas Grundlegendes ändert.
Einschaltverhalten
Mit dem Anlegen der Betriebsspannung UB fließt zunächst Strom über erstens R1, C1 parallel zu R2 über Q2 und zweitens von R4, C2 parallel zu R3 über Q1. Einer der Transistoren wird ab einem bestimmten Basisstrom zuerst leitend und zieht über seinen kollektorseitig angeschlossenen (und zum bisherigen Zeitpunkt noch nicht nennenswert aufgeladenen) Kondensator die Basis des anderen Transistors Richtung 0 V, über dessen Basis daraufhin kein Strom mehr fließt und der Transistor somit in den nichtleitenden Zustand gerät.
Welcher Transistor zuerst leitend wird, hängt von den konkreten Bauteilwerten ab, vor allem von den Transistoren, die zum Teil erhebliche Kennwerttoleranzen haben können.
Während nun ein Transistor leitend ist, erhält seine Basis Strom über den entsprechenden Kondensator, bis dieser sich aufgeladen hat, und auch gleichzeitig über R2 bzw. R3. Diese Widerstände sind dazu da, den Transistoren im durchgesteuerten Zustand unabhängig vom Ladezustand des Kondensators Ruhestrom zu liefern, so dass sie auch dann noch leicht durchsteuern, wenn der Kondensator voll ist. Dieser Kondensator hat dann etwa die Spannung UB − 0,7 V zwischen seinen Polen. Die 0,7 V sind die Basis-Emitter-Durchlassspannung.
Der andere Kondensator wird in dieser Zeit über R2 bzw. R3 geladen, sodass die Spannung an der Basis vom sperrenden Transistor langsam ansteigt, bis mit ca. 0,6 V dessen Basis-Emitter-Schwellwertspannung erreicht ist. Das ist die Spannung, ab der der sperrende Transistor durchzusteuern beginnt.
Diese Phase, wie bis hierhin beschrieben, tritt nur einmalig nach jedem Einschalten auf und ist von erheblich kürzerer Dauer als die folgend beschriebenen zwei Zustände. Nach dem Einschaltvorgang beginnt die Schaltung ihr periodisches Verhalten. Sie kippt abwechselnd zwischen zwei zeitlich begrenzten Zuständen hin und her, hier willkürlich Zustand A und Zustand B genannt, wobei in Zustand A der Transistor Q1 leitend und in Zustand B Transistor Q2 leitend sei.
Zustand A
Q1 ist hier leitend und damit sinkt seine Kollektor-Emitterspannung von UB auf ca. +0,2 V (Kollektor-Emitter-Sättigungsspannung) herunter. Dadurch wird auch die kollektorseitige Platte von C1 von UB auf +0,2 V heruntergezogen, also um UB − 0,2 V, die andere Platte um dieselbe Differenz. Da aber die Plattenseite Richtung Basis Q2 ein um UB − 0,7 V niedrigeres Potential als die andere Seite hat, liegen an ihr jetzt plötzlich 0,2 V − (UB – 0,7 V), also −UB + 0,9 V. Das ist deutlich unter Null, und deshalb wird Q2 gesperrt, bis sich C1 über R2 wieder langsam umgeladen hat und an der Basis von Q2 ca. 0,65 V anliegen, der deshalb durchzusteuern anfängt und die Schaltung in Zustand B kippen lässt. In der Zwischenzeit lädt sich C2 über R4 auf eine Plattenspannung von UB − 0,7 V (Kollektor Q2 hat UB, Basis Q1 0,7 V).
Die Potentialsprünge der Kondensatoren beim Kippvorgang bewirken positive Rückkopplung und verkürzen dadurch die Kippvorgänge, d. h. erhöhen die Schaltgeschwindigkeit.
Die Zeitdauer von Zustand A wird von C1 und R2 bestimmt, da sich C1 über R2 von ca. −UB + 0,9 V auf ca. 0,65 V laden muss, damit Q2 die Schaltung kippen lassen kann.
Zustand B
C1 wird über R2 soweit geladen, bis die Spannung an der Basis von Q2 die Basis-Emitter-Schwellwertspannung von ca. +0,6 V überschreitet und Q2 deshalb in den durchgesteuerten Zustand kippt. Dadurch wird die rechte Seite von C2 von UB auf ca. 0,2 V heruntergezogen. Durch den Potentialunterschied der Platten (die linke Platte hatte ca. UB − 0,7 V weniger als die rechte) hat die linke Platte von C2 jetzt ca. 0,2 V − (UB − 0,7 V), also −UB + 0,9 V. Das ist deutlich unter Null, dadurch sperrt Q1 jetzt so lange, bis diese Plattenseite über R3 wieder ca. +0,65 V überschreitet und dadurch Q1 die Schaltung in Zustand A kippt. Durch das Kippen von Q1 in den Sperrzustand lädt sich C1 über R1 und die Basis von Q2 auf ein Plattenpotential von UB − 0,7 V (linke Seite hat UB, die rechte +0,7 V). Gleichzeitig fließt über R2 der Haltestrom, um Q2 auch dann noch offen zu halten, wenn über C1 kein ausreichender Strom mehr fließt und die Zeit bis zum Kippen von Q1 überbrückt werden muss.
Auch hier verkürzen die Kondensatoren den Kippvorgang durch Mitkopplung.
Die Dauer von Zustand B hängt von den Werten von C2 und R3 ab und dauert so lange, bis C2 über R3 von −UB + 0,9 V auf ca. +0,65 V umgeladen wurde.
Berechnung der Zeitdauern
Die linke Seite von C2 liegt zu Beginn von Zustand B auf etwa −UB und soll nach +UB umgeladen werden; der Zustand kippt bei etwa 0 V (genauer 0,7 V), also etwa bei der Hälfte dieses Umladevorgangs. Das Auf-/Ent- oder Umladen eines Kondensators über einen Widerstand erfolgt nach einem exponentiellen Zeitgesetz: . Die Dauer für die Hälfte des Umladens entspricht gerade der Halbwertszeit , siehe auch bei Zeitkonstante.
Die Periodendauer einer astabilen Kippstufe ergibt sich aus den Zeitdauern und der beiden einzelnen Schaltzustände:
- bzw.
- .[6]
- .
Bei symmetrischer Schaltung, also sowie , vereinfacht sich das zu:
Die Frequenz ergibt sich zu:
- .
Schaltungen mit integrierten Bausteinen
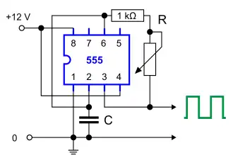
Astabiler Multivibrator mit NE555

Auch die folgende Schaltung erzeugt eine Rechteckspannung, ist aber einfacher aufgebaut als der oben gezeigte Multivibrator und besitzt den Vorteil, dass die Frequenz fast nicht von der Betriebsspannung abhängt. Diese kann im Bereich 0,1 Hz bis 500 kHz liegen und kann mit nur einem einzigen Potentiometer sehr stark variiert werden. Die Funktion des verwendeten Bausteins NE555 lässt sich so beschreiben: Solange die Spannung am Kondensator C kleiner als 66 % der Betriebsspannung ist, wird er über R (Serienschaltung aus Potentiometer und 1-kΩ-Widerstand) aufgeladen. Die Ausgangsspannung an Pin 3 ist während dieser Zeit etwa die Betriebsspannung. Wird dieser 66-%-Wert überschritten, kippt intern ein Flipflop um, die Ausgangsspannung sinkt auf 0 Volt und der Kondensator wird über R entladen. Sobald 33 % der Betriebsspannung unterschritten werden, kippt das Flipflop in die ursprüngliche Position zurück und das Spiel beginnt von vorn. Die Spannung am Kondensator hat annähernd die Form eines Dreiecks, kann aber nur schwach belastet werden.
Mit einem 20-kΩ-Potentiometer lässt sich die erzeugte Frequenz etwa im Verhältnis 1:20 ändern. Eine Verdopplung der Kapazität halbiert die erzeugte Frequenz. Durch eine kleine Änderung der Spannung am Pin 5 (Sollwert: 66 % der Betriebsspannung) kann man die Frequenz elektronisch ändern (Voltage controlled Oscillator). Durch eine Wechselspannung an diesem Anschluss kann eine Frequenzmodulation erzielt werden („Kojak-Sirene“).
Astabiler Multivibrator mit Schmitt-Trigger

Eine astabile Kippstufe kann auch mit einem Schmitt-Trigger aus einer Logikgatter-Familie aufgebaut werden. Die nebenstehende Schaltung erzeugt eine Rechteckschwingung, wie sie rechts im Bild gezeigt wird. Die Ausgangsspannung lädt oder entlädt über den Widerstand R den Kondensator C. Dessen Spannung wird an den Schmitt-Trigger-Eingang zurückgeführt. Ihr prinzipieller Verlauf wird links im Bild gezeigt. Beim Überschreiten des oberen Schwellwertes wird der Ausgang auf einen niedrigen Spannungswert (Low-Pegel) geschaltet, wodurch die Entladung beginnt. Danach, beim Unterschreiten des unteren Schwellwertes, kippt die Ausgangsspannung auf den höheren Wert (High-Pegel). Die Ausgangsfrequenz hängt neben den Bauteilwerten R und C auch von der Lage der Schaltschwellen in Relation zur Ausgangsspannung – also von Eigenschaften des Logikgatter-Bausteins – ab.

Ähnlich arbeitet die Kippstufe mit einem Komparator. Durch die Mitkopplung über die Rückführung an den Eingang „+“ wird ein Verhalten als Schmitt-Trigger gebildet. Im Unterschied zu Logikgattern sei der Komparator in dieser Schaltung sowohl aus einer positiven als auch einer negativen Spannungsquelle gespeist. Der Schwellwert ist mit dem Spannungsteiler aus und einstellbar. Das Vorzeichen der Spannung zwischen den Eingängen „+“ und „−“ legt das Vorzeichen der Ausgangsspannung fest. Bei positiver Ausgangsspannung lädt der Komparator über den Kondensator, bis negativ wird. Dann springen die Ausgangsspannung und der Schwellwert ins Negative. Der Kondensator wird nun in Gegenrichtung geladen, bis der negative Schwellwert erreicht wird und wiederum das Vorzeichen wechselt.
Diese Schaltung erzeugt eine periodische Rechteck-Wechselspannung. Ihre Periodendauer ist im Gegensatz zur Schaltung mit Logikgatter nur von den Daten passiver Bauelemente abhängig und beträgt[7]
- .
Siehe auch zugehöriges Kapitel unter Operationsverstärker.
Anwendungen
- Als Signalgenerator zur Erzeugung von Rechteck-Schwingungen: Durch Ändern der zeitbestimmenden Glieder oder der Schaltschwellen kann die Frequenz und/oder der Tastgrad geändert werden.
- In der Sensortechnik und Telemetrie: Werden für die frequenzbestimmenden Widerstände und Kondensatoren Bauformen verwendet, deren Wert von einer physikalischen Größe abhängt, können auf diese Weise Impulsfolgen erzeugt werden, deren Impulslänge oder Impulspausenlänge von dieser Größe abhängt. Solche Pulssignale können von einer Auswerteschaltung (z. B. einem Mikrocontroller) hinsichtlich der Impulsparameter ausgewertet werden, und es kann auf die physikalischen Größen (z. B. Temperatur, Luftdruck) geschlossen werden. Der Puls kann auf langen Kabeln übertragen oder auf eine elektromagnetische Welle (Funksignal oder Lichtleitkabel) aufmoduliert werden. Der Vorteil gegenüber analogen Sensorsignalen ist die störungsärmere Übertragung.
- Als Blinkgenerator in Signallampen oder als Tongenerator in Signalhörnern (z. B. piezoelektrische Schallgeber)
- Als Taktgeber in Scheibenwischerintervallschaltungen
Sonderformen
Astabile Kippstufen gibt es auch in Sonderformen, bei denen drei oder mehr aktive Komponenten im Spiel sind (mehrphasige Multivibratoren).
Weblinks
- elektronik-kompendium.de: Blinkschaltung - Print- und Verdrahtungstester (astabiler Multivibrator, Lautstärke mit PWM, 741) – Beispielschaltungen
Einzelnachweise
- ↑ Erwin Böhmer, Dietmar Ehrhardt, Wolfgang Oberschelp: Elemente der angewandten Elektronik. 16. Aufl., Vieweg+Teubner, 2010, S. 218 ff.
- ↑ Hans-Jürgen Gevatter (Hrsg.): Automatisierungstechnik 2: Geräte. Springer, 2000, S. 191
- ↑ Bodo Morgenstern: Elektronik 3: Digitale Schaltungen und Systeme.2. Aufl., Vieweg, 1997, S. 62 und 78 f.
- ↑ Henri Abraham, Eugène Bloch: Mesure en valeur absolue des périodes des oscillations électriques de haute fréquence. In: J. Phys. Theor. Appl. Jg. 9, 1919, S. 211–222 (journaldephysique.org; PDF, abgerufen am 24. März 2018).
- ↑ Als typischer Vertreter sei genannt: P2N2222A – Amplifier Transistors NPN Silicon. Abgerufen am 16. März 2024: „Emitter−Base Breakdown Voltage“
- ↑ Ulrich Tietze, Christoph Schenk: Halbleiter-Schaltungstechnik, 12. Auflage, S. 604f
- ↑ Erwin Böhmer: Elemente der angewandten Elektronik. 9. Auflage. Vieweg, 1994, S. 225