Conference-Matrix
Die Conference-Matrix, auch als C-Matrix bezeichnet, ist eine quadratische Matrix , welche auf der Hauptdiagonale den Wert 0 aufweist und in allen anderen Positionen nur die Werte +1 und −1 in der Form umfasst, sodass ein Vielfaches der Einheitsmatrix darstellt. Das heißt, dass die C-Matrix der Ordnung der Gleichung:
genügt. Daneben besteht noch eine weitere verallgemeinerte Definition, welche nur fordert, dass in jeder Zeile und Spalte einmalig das Element 0 vorkommen muss und die Position der 0 nicht auf die Hauptdiagonale eingeschränkt ist.[1]
Conference-Matrizen werden unter anderem im Bereich der Auslegung von Konferenzschaltungen im Bereich von Telefonnetzen und deren schaltungstheoretische Beschreibung verwendet und wurden erstmals von Vitold Belevitch formuliert, welcher auch den Begriff prägte.[2] Die Conference-Matrix dient dabei als Kriterium zur Ermittlung, ob eine ideale passive Konferenzschaltung bestehend nur aus idealen Übertragern theoretisch und ohne Verluste im Koppelnetzwerk zufolge Anpassungsglieder wie Abschlusswiderstände zur Anpassung unterschiedlicher Leitungswellenwiderstände für eine bestimmte Anzahl von Konferenzteilnehmer prinzipiell existieren kann. Weitere Anwendungen liegen im Bereich der Statistik und der elliptischen Geometrie.[3][4]
Einteilung
Für die Ordnungen der Conference-Matrix existieren zwei verschiedene Arten. Zur Unterteilung wird die Matrix normalisiert, was die Eigenschaften einer Conference-Matrix nicht ändert. Dazu werden zunächst alle Zeilen negiert, an deren Anfang eine steht. Dann werden alle Spalten negiert, bei denen an oberster Stelle eine steht. Die so gebildete normalisierte Conference-Matrix weist in der ersten Spalte und in der ersten Zeile, bis auf die linke oberste Position der Matrix mit dem Wert 0, nur den Wert 1 auf. Sei eine daraus gebildete Matrix, in der die erste Spalte und erste Zeile der normalisierten Conference-Matrix entfernt ist. Dann ist entweder ein Vielfaches von 4 und eine schiefsymmetrische Matrix, in diesem Fall wird die zugrunde liegende Conference-Matrix schiefsymmetrisch genannt, oder ist kongruent zu 2 modulo 4 und eine symmetrische Matrix. Im letzten Fall wird die zugrunde liegende Conference-Matrix als symmetrisch bezeichnet.
Symmetrische Conference-Matrix
Für die Existenz einer im Folgenden symmetrischen Conference-Matrix mit Ordnung muss die Summe zweier Quadrate sein.[2] Die Beweisführung findet sich in [4]. Ist als Sonderfall eine Primzahlpotenz, ist diese Bedingung immer erfüllt, da dann gleich der Summe zweier Quadrate ist.[5]
Die Existenz von symmetrischen Conference-Matrizen ist nur für wenige Fälle von bekannt. Die bekannten Ordnungen sind in der Folge A000952 in OEIS:
Beispiel
Die normalisierte Conference-Matrix der Ordnung 6 ist gegeben als:
Alle weiteren Conference-Matrizen der Ordnung 6 lassen sich durch Invertieren des Vorzeichen beliebiger Zeilen und Spalten bilden.
Ideale Konferenzschaltungen im Telefoniebereich

Vitold Belevitch konnte die Lösungen für alle existierenden symmetrischen Conference-Matrizen bis zur Ordnung 38 angeben und für einige der kleineren Ordnungen konkrete elektrotechnische Schaltungen zur Realisierung idealer Konferenzschaltungen angeben. Eine ideale Konferenzschaltung ist in diesem Zusammenhang ein elektrisches Koppelnetzwerk, das keinerlei Verluste aufweist, zur Übertragung nur ideale Übertrager einsetzt und das Signal eines Teilnehmers gleichmäßig an alle anderen Teilnehmer verteilt.
Die Schwierigkeit bei der Realisierung besteht darin, dass ein Teilnehmeranschluss, bestehend aus je den beiden Anschlüssen (ma, mb), mit m der Teilnehmernummer, einen identischen und für alle Teilnehmer gleichen Leitungswellenwiderstand aufweist und zugleich eine ideale Konferenzschaltung keinerlei Abschlusswiderstände aufweisen darf, da sonst diese Abschlusswiderstände im Koppelnetzwerk einen bestimmten Signalverlust darstellen würden und keine ideale Konferenzschaltung vorliegen würde. Ebenso tritt bei Fehlanpassung mit ungleichen Leitungswellenwiderständen ein Verlust an Signalenergie im Koppelnetzwerk auf.
Eine ideale Konferenzschaltung für Teilnehmer existiert grundsätzlich nur dann, wenn die symmetrische Conference-Matrix der Ordnung existiert. Beispielsweise existiert keine Lösung für eine ideale Konferenzschaltung mit 3 Teilnehmern – gleichwohl lassen sich auch Konferenzschaltungen mit 3 Teilnehmer realisieren, beispielsweise unter Zuhilfenahme der Gabelschaltung. Allerdings sind dabei zusätzliche Abschlusswiderstände nötig und durch deren Signalverluste liegt keine ideale Konferenzschaltung vor.[2]
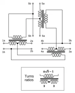
- Schaltungstechnische Realisierung idealer Konferenzschaltungen
-
Für 6 Teilnehmer -
Für 10 Teilnehmer
In den Fällen, in denen für eine bestimmte Ordnung mehr als eine Summe zweier Quadrate für existiert, existieren ebenso viele verschiedene, aber gleichwertige und funktionelle identische und ideale Konferenzschaltungen. Dies ist bei der Ordnung 26 der Fall. Die Schaltungen lassen sich aus Übertragern mit einem einfachen Übersetzungsverhältnis von 1:1 der Windungen aufbauen, wenn ein perfektes Quadrat ist. Dies ist für der Fall.[2]
Einzelnachweise
- ↑ Harald Gropp: More on orbital matrices. In: Electronic Notes in Discrete Mathematics. Band 17, 2004, ISSN 1571-0653, S. 179–183, doi:10.1016/j.endm.2004.03.036.
- ↑ a b c d Vitold Belevitch: Theorem of 2n-terminal networks with application to conference telephony. In: Electrical Communication. Band 26, 1950, ISSN 1242-0565, S. 231–244 (Online).
- ↑ Damaraju Raghavarao: Some Optimum Weighing Designs. In: Annals of Mathematical Statistics. Bd. 30, Nr. 2, 1959, S. 295–303, online, doi:10.1214/aoms/1177706253.
- ↑ a b J. H. van Lint, J. J. Seidel: Equilateral point sets in elliptic geometry. In: Proceedings of the Koninklijke Nederlandse Akademie van Wetenschappen. Series A: Mathematical Sciences. Bd. 69, Nr. 3, 1966, ISSN 0023-3358, S. 335–348, online (PDF; 638 kB).
- ↑ Douglas R. Stinson: Combinatorial Designs. Constructions and Analysis. Springer, New York NY u. a. 2004, ISBN 0-387-95487-2.
Weblinks
- C-Matrix, Wolfram MathWorld, 2012, engl.