Darlington-Schaltung

Darlington-Schaltung mit npn-Transistoren

Die Darlington-Schaltung ist eine elektronische Schaltung aus zwei Bipolartransistoren, wobei der erste, kleinere Transistor als Emitterfolger auf die Basis des zweiten, größeren arbeitet. Sie wird zur Erhöhung des Stromverstärkungsfaktors eines einzelnen Bipolartransistors angewendet. Befinden sich beide Transistoren in einem einzigen Gehäuse, spricht man auch vom Darlington-Transistor. Eine ähnliche Anordnung aus komplementären Transistoren wird als Sziklai-Paar oder als Komplementär-Darlington-Schaltung bezeichnet.

Geschichte

Die Darlington-Schaltung wurde von Sidney Darlington im Jahr 1952 in den Bell Laboratories erfunden. Darlington ließ sich die Idee, zwei oder drei gleichartige Transistoren auf einem Chip zu verbauen und zu verknüpfen, patentieren[1], nicht aber die Verwendung beliebig vieler oder komplementärer Transistoren, so dass integrierte Schaltkreise nicht von diesem Patent betroffen waren.

Anwendung

Leistungstransistoren haben gegenüber Kleinsignaltransistoren eine wesentlich geringere Stromverstärkung B (Faktor für das Verhältnis zwischen Steuerstrom und Arbeitsstrom: 5–10 gegenüber 100–1000 bei Kleinsignaltransistoren) und benötigen daher hohe Steuerströme, die durch die Darlington-Anordnung entsprechend reduziert werden können. Deshalb ist eine der wichtigsten Anwendungen das Ein- oder Ausschalten eines Stromes mit wesentlich höherer Leistung durch einen Steuerstrom geringer Leistung.

Eine andere Anwendung findet sich im Bereich der Verstärkung analoger Signale. Grund ist, dass dort die Steuerströme zu gering sind, um die Leistungstransistoren direkt anzusteuern. Weiterhin ist die Temperaturabhängigkeit und damit die Einstellung des Arbeitspunktes bei Darlington-Transistoren relativ unkritisch; durch einen Widerstand zwischen Basis und Emitter des Leistungstransistors ist der Ruhestrom zwischen 0,7 V und 1,1 V näherungsweise linear. Dies vermeidet Verzerrungen.[2]

Vor- und Nachteile

Blick auf den Chip eines MJ2501 in einem geöffneten TO-3 Gehäuse. Erkennbar am Die die beiden Transistoren

Der Vorteil dieser Technik ist, dass bei gleichbleibendem Platzbedarf eine erheblich höhere Stromverstärkung erreicht werden kann bzw. die notwendigen Steuerströme geringer sind. Die gesamte Verstärkung B (Großsignalverhalten) entspricht dabei ungefähr dem Produkt der Verstärkungen der beiden Einzeltransistoren (B1 bzw. B2):

[3]

analog dazu gilt für die Kleinsignalstromverstärkung

[3]

Bei modernen Leistungsdarlingtonschaltungen liegt die Stromverstärkung im Bereich 1000 und höher. Für die Kleinsignalstromverstärkung werden sogar Verstärkungsfaktoren bis zu 50.000 erreicht.

Nachteilig ist hingegen die gegenüber einem einzelnen Transistor größere Phasenverschiebung, so dass bei negativer Rückkopplung eher Instabilitäten auftreten können. Unter anderem aus diesem Grund sind Darlingtons meist nicht für Hochfrequenzanwendungen geeignet.

Darlington-Transistoren weisen gegenüber Einzeltransistoren langsamere Schaltzeiten auf, besonders beim Ausschalten des Kollektorstroms, weil der erste Transistor nicht in der Lage ist, die Ladungsträger aus der Basis des zweiten Transistors „auszuräumen“. Um das Schaltverhalten zu verbessern, wird daher ein Widerstand parallel zur Basis-Emitter-Strecke des Leistungstransistors mit integriert. Durch diesen Widerstand fließt allerdings ein Teil des Basisstromes für die zweite Stufe ab, wodurch sich die Gesamtverstärkung entsprechend verringert.

Schließlich verdoppelt sich die Basis-Emitter-Spannung beim Darlington gegenüber dem Einzeltransistor (etwa 1,2 bis 1,4 Volt bei einem Silizium-Darlington). Auch die Kollektor-Emitter-Spannung im leitenden Zustand erhöht sich um die Durchlassspannung der Basis-Emitter-Strecke des zweiten Transistors, also etwa 0,9 Volt bei Kleinsignaltypen (gegenüber 0,2 Volt) bzw. bis über 2 Volt bei Leistungstypen. Das führt zu erhöhten Leistungsverlusten () besonders bei niedrigen Spannungen.

Für effizienzkritische Schaltanwendungen eignen sich Darlingtontransistoren wegen dieser Nachteile kaum, dort kommen meist separate Treiber- und Leistungsstufen zum Einsatz, d. h., der Kollektor des Treibertransistors ist nicht mit dem des Leistungstransistors verbunden. Fortschritte bei anderen Transistortechnologien haben den Darlingtontransistor, bis auf wenige Nischen, verdrängt.

Varianten

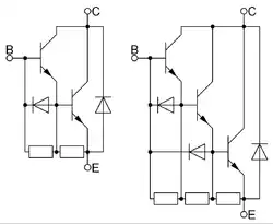
2- und 3-stufige npn-Darlington-Schaltung

Die Darlington-Schaltung kann sowohl mit npn- als auch mit pnp-Transistoren als Leistungselement aufgebaut werden. In der Grafik sind parallel zu den Basis-Emitter-Strecken der einzelnen Transistoren Widerstände eingebaut, die, wie oben beschrieben, jeweils den Abfluss von Ladung von der Basis ermöglichen. Die zusätzlichen Dioden beschleunigen dies noch weiter; wenn die Spannung am ersten Treibertransistor gleich der Emitterspannung des Leistungstransistors ist, kann die Ladung von allen nachgeschalteten Transistoren über die Dioden abfließen. Diesem Effekt unterliegen auch IGBTs (Bipolartransistor mit isolierter Gate-Elektrode).

Die Anwendung von Dioden ist zu vermeiden, wenn die Basisspannung unter die Emitterspannung sinken kann.

Die Diode zwischen Kollektor und Emitter des Darlington-Transistors hat einen anderen Zweck; sie soll als Freilaufdiode die Schaltung bei induktiver Last schützen.

Einzelnachweise

  1. Patent US2663806: Semiconductor signal translating device. Angemeldet am 9. Mai 1952, veröffentlicht am 22. Dezember 1953, Erfinder: Sidney Darlington.
  2. Ulrich Tietze, Christoph Schenk: Halbleiter-Schaltungstechnik. 12. Auflage. Springer, Berlin 2002, ISBN 3-540-42849-6, S. 906 f.
  3. a b Ulrich Tietze, Christoph Schenk: Halbleiter-Schaltungstechnik. 12. Auflage. Springer, Berlin 2002, ISBN 3-540-42849-6, S. 177 ff.