Don’t-Care
In der Digitaltechnik bedeutet Don’t-Care, X oder -, dass dieser Wert keinen Einfluss auf die Logikschaltung hat.
Allgemeines
In der Wahrheitstabelle werden Don’t-Care-Einträge typischerweise eingesetzt, um nicht alle Eingangszustände abhandeln zu müssen oder wenn eine unvollständig definierte Funktion vorkommt, die Variable also „1“ und „0“ haben kann. Dies ist für bestimmte Eingangskombinationen der Fall, wenn der Ausgang für diese nicht festgelegt ist, zum Beispiel, wenn diese Eingangskombinationen in der Schaltung gar nicht möglich bzw. vorhanden sind oder beim Baustein über das Enable-Signal deaktiviert sind.
Auch bei der Logiksynthese und im Timing-Diagramm werden Don’t-Care-Werte verwendet. In der Funktionstabelle (Wahrheitstabelle) des Flipflops stellt ein X einen beliebigen Zustand dar, der wahlweise „0“ oder „1“ sein kann. Das Flipflop verarbeitet die Daten nur dann, wenn die jeweilige Triggerbedingung erfüllt ist. Zu allen Zeitpunkten, zu denen keine Verarbeitung der Daten stattfindet, können beliebige Logikzustände an den Eingängen anliegen, ohne dass diese in die Verarbeitung mit einbezogen werden. Das zu den jeweiligen Flipflops dazugehörige Timing-Diagramm enthält ebenfalls bei den korrespondierenden Zeiträumen ein X, wenn der anliegende Logikzustand nicht relevant ist.
Beispiel D-Flipflop
| Symbol | Wahrheitstabelle | Timing-Diagramm | ||||||||||||||||||||||||||||||||||||
|---|---|---|---|---|---|---|---|---|---|---|---|---|---|---|---|---|---|---|---|---|---|---|---|---|---|---|---|---|---|---|---|---|---|---|---|---|---|---|
|
|
|
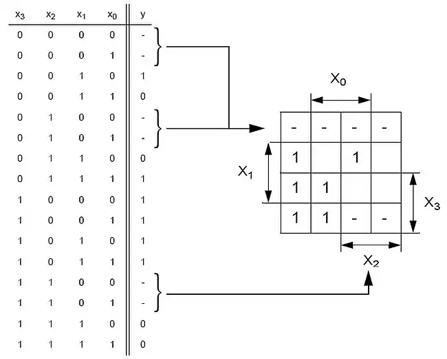
Don’t-Cares im Karnaugh-Diagramm
Praktischer Schaltungseinsatz
Im praktischen Schaltungseinsatz haben Don’t-Cares eindeutige Vorteile. Die Gesamtschaltung kann unter Verwendung von Don’t-Cares bei entsprechenden Schaltungen deutlich kompakter sein. Beispielsweise kann die Gesamtschaltung mit einer geringeren Anzahl von Einzelgattern oder mit Bauelementen mit weniger Eingängen realisiert werden. Dies kann zu kostengünstigeren Lösungen führen. Gleichzeitig sind kompaktere Schaltungen häufig auch schneller, sofern weniger Bauelemente in Reihe geschaltet werden müssen.
Einschränkungen
Eine Schaltung mit Don’t-Cares darf nur in dem Bereich eingesetzt werden, für den die Don’t-Cares Gültigkeit haben. Der Einsatz dieser Schaltung ist auch dann noch zulässig, wenn der Definitionsbereich gegenüber dem ursprünglichen Definitionsbereich weiter eingeschränkt wird. Im anderen Fall, in dem der Definitionsbereich erweitert wird, erfüllt diese Schaltung dann unter Umständen nicht mehr die Anforderungen. Beispielsweise kann die Schaltung sich dann bei einzelnen Fällen nicht mehr richtig verhalten.

