Duaenre
| Duaenre in Hieroglyphen | |
|---|---|
|
Dua-en-Re Dw3 nj Rˁ preise mir den Re![2] |
Duaenre war ein Prinz der altägyptischen 4. Dynastie. Er war ein Sohn von Pharao Chephren und dessen Gemahlin Meresanch III. Während der Regierungszeit von Chephrens Nachfolger Mykerinos hatte er das Amt des Wesirs inne und war somit der höchste Beamte nach dem König. Ein Wesir unter Mykerinos’ Nachfolger Schepseskaf namens Babaef war vermutlich ein Sohn des Duaenre.

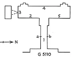
Duaenre gehört die Mastaba G 5110 auf dem westlichen Gräberfeld der Cheops-Pyramide. Dort wurde ein Sarkophag aus Rosengranit gefunden, der sich heute im Museo Egizio in Turin befindet.
-
Der Rosengranit-Sarkophag von Duaenre, Museo Egizio, Turin -

-

Literatur
- Michel Baud: Famille royale et pouvoir sous l’Ancien Empire égyptien. Band 2 (= Bibliothèque d’Étude. Band 126 / 2). Institut Français d’Archéologie Orientale, Kairo 1999, ISBN 2-7247-0250-6, S. 606–607 (PDF; 16,7 MB).
- Silvio Curto: Gli scavi italiani a el-Ghiza (1903) (= Monografie di Archeologia e d’arte. Band 1). Centro per le antichità e la storia dell’arte del Vicino Oriente, Roma 1963, S. 72–73, Tafel XXII, Figur 25–26 (PDF; 27 MB).
- Aidan Dodson, Dyan Hilton: The Complete Royal Families of Ancient Egypt. Thames & Hudson, London 2004, ISBN 0-500-05128-3, S. 54, 56 (PDF-Datei; 67,9 MB); abgerufen über Internet Archive.
- Karl Richard Lepsius: Denkmaeler aus Aegypten und Aethiopien. Text. Band I: Unteraegypten und Memphis. Hinrich, Leipzig 1897–1904, S. 70 (PDF; 19 MB)
- Bertha Porter, Rosalind L. B. Moss, Ethel W. Burney: Topographical Bibliography of Ancient Egyptian Hieroglyphic Texts, Reliefs, and Paintings. Band III: Memphis. Teil 1: Abû Rawâsh to Abûṣîr. 2., von Jaromír Málek überarbeitete und erweiterte Auflage. The Clarendon Press / Griffith Institute / Ashmolean Museum, Oxford 1974, S. 148, Plan XXVII (PDF-Datei; 19,5 MB); abgerufen über The Digital Topographical Bibliography.
- George Andrew Reisner: A History of the Giza Necropolis. Band 1. Harvard University Press, Cambridge 1942, S. 69, 146, 247 (PDF-Datei; 249 MB); abgerufen über Digital Giza – The Giza Project at Harvard University.
Weblinks
Commons: Duaenre – Sammlung von Bildern, Videos und Audiodateien
- Digital Giza: Duaenre (G 5110)
Einzelnachweise
- ↑ B. Porter, R. L. B. Moss, E. W. Burney: Topographical Bibliography of Ancient Egyptian Hieroglyphic Texts, Reliefs, and Paintings. Band 3, Teil 1. Oxford 1974, S. 148.
- ↑ Hermann Ranke: Die ägyptischen Personennamen. Band 1: Verzeichnis der Namen. Augustin, Glückstadt 1935, S. 398, Nr. 17 (PDF-Datei; 24,2 MB); abgerufen über Digital Giza.