Eigenbedarf (Kraftwerk)
In Kraftwerken aller Art haben die internen Aggregate einen Energiebedarf, den das Kraftwerk zunächst selbst bereitstellen muss. Dieser so genannte Eigenbedarf nimmt von der Klemmenleistung des Generators (= Bruttoleistung) einige Prozent in Anspruch.
Einen großen Anteil am Eigenbedarf in Dampfkraftwerken hat üblicherweise die Speisepumpe. Sie wird entweder von einer eigenen Dampfturbine (Speisepumpenantriebsturbine) oder über einen Elektromotor angetrieben. Weitere Posten dieser Art sind die Hauptkühlwasserpumpen. Bei Gaskraftwerken kommen die Frischlüfter hinzu. Bei Kohlekraftwerken spielen auch die Antriebe der Kohlemühlen, Frischluft- und Saugzuggebläse, der E-Filter und die zahlreichen Umwälzpumpen der Rauchgasreinigungsanlage eine Rolle.
Der elektrische Eigenbedarf ist je nach Kraftwerkstyp verschieden. Bei Kohlekraftwerken liegt er zwischen 4 % und 10 %, bei Kernkraftwerken zwischen 5 % und 16 %. Dabei sind die kleineren Werte bei größeren Kraftwerken typisch. Kleinere Dieselkraftanlagen haben einen Eigenbedarf von 3 % bis 5 %, größere Dieselkraftanlagen hingegen bis zu 8 %. Wasserkraftwerke und Gasturbinenkraftwerke weisen einen sehr geringen Eigenbedarf von rund 1 % auf – diese Kraftwerke kommen daher unter Umständen ohne eigene Mittelspannungsebene aus. Noch etwas niedriger liegt der Eigenbedarf bei Windkraftanlagen, wo der Eigenbedarf etwa 0,35 bis 0,5 % der produzierten elektrischen Energie ausmacht.[1][2]
Energiequellen für den Eigenbedarf
Zur Deckung des Eigenbedarfs gibt es unterschiedliche Konzepte: In Kraftwerken mit nur einem Block ist es üblich, die Eigenbedarfsleistung während des Betriebes des Kraftwerksblockes von der Hauptturbine über den elektrischen Generator zu beziehen. Beim An- und Abfahren des Blockes erfolgt die Versorgung meist aus dem Netz, womit keine Schwarzstartfähigkeit vorliegt. Das Anfahren kann über den Maschinen- und den Eigenbedarfstransformator geschehen, falls ein Generatorschalter zur Trennung von Generator und Maschinentransformator existiert und das Netz den erheblichen Blindleistungsbedarf des Maschinentransformators decken kann. Andernfalls stellen eigene Anfahrtransformatoren die Verbindung zwischen Eigenbedarfsnetz und öffentlichem Netz her. Dieser wird auch verwendet, um während des Kraftwerkstillstandes den allgemeinen Bedarf des Kraftwerkes zu decken, da der Blindleistungsbedarf kleiner ist und die Eisenverluste (Wirkleistungsverluste) geringer sind.
Die Eigenbedarfsversorgung von einem Nachbarblock ist sowohl zum Anfahren als auch über eine sogenannte „Hausmaschine“ auch während des Leistungsbetriebs möglich. Die Hausmaschine bezeichnet einen – meist kleinen – Block in einem Blockkraftwerk, die ausschließlich die Eigenbedarfsschienen der anderen Blöcke speist.
In Kernkraftwerken ist die Eigenbedarfsversorgung von der Hauptturbine über den elektrischen Generator das nahezu ausschließlich verwendete Verfahren. Die bei Kernkraftwerken auch vorhandenen Notstromaggregate dienen bei Ausfall der Eigenbedarfsschienen zur Versorgung der Notstromschienen; für die Versorgung der weitaus leistungsstärkeren Eigenbedarfsverbraucher wie Speisewasser- oder Kühlmittelpumpen sind sie nicht ausgelegt.
Struktur der Eigenbedarfsversorgung

Die kraftwerksinterne Stromversorgung besteht, um die zahlreichen Verbraucher mit sehr unterschiedlichen Anschlussleistungen und Funktionen versorgen zu können, aus mehreren Eigenbedarfsschienen auf unterschiedlichen Spannungsniveaus:
Kohlekraftwerk
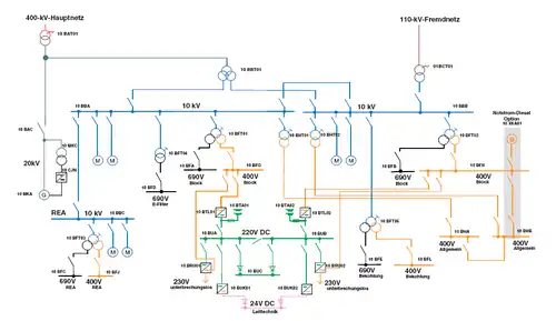
Beispiel anhand eines modernen deutschen Kohlekraftwerkes (1–2× Maschinentransformator (MT), 2× Eigenbedarfstransformator (ET), 1× Generatorleistungsschalter (GLS), 1× Netzleistungsschalter (NLS)):
- 4 Eigenbedarfsschaltanlagen 10 kV (* 0BB*) versorgen die größten Verbraucher (Frischlüfter, Saugzüge, Speisewasser-, Kondensat-, Umwälz- und Kühlwasserpumpe(n)...). Diese Eigenbedarfsschienen werden auf zwei Wegen mit Spannung versorgt: Im Leistungsbetrieb des Kraftwerks stellen die Eigenbedarfstransformatoren eine Verbindung zum Spannungsniveau des Generators her und entnehmen die Eigenbedarfsleistung der Generatorableitung (Spannung 27 kV, unterspannungsseitig 10 kV). Während eines Stillstandes werden die Eigenbedarfsschienen „rückwärts“ über die Maschinentransformatoren aus dem Hochspannungsnetz versorgt (der GLS trennt den Generator von den Maschinentransformatoren). Zu Revisionszwecken gibt es eine Fremdnetzeinspeisung, die nicht zum Anfahren ausgelegt ist.
- Mehrere Transformatoren entnehmen Energie aus diesen obersten Eigenbedarfsschaltanlagen und versorgen weitere Eigenbedarfsschaltanlagen auf Spannungsniveaus von 700 V und 400 V, die ihrerseits der Versorgung der zahlreichen Antriebe kleinerer Leistung dienen.
- Notstromschaltanlagen (* *BM*) versorgen Verbraucher, die während Störungen mit elektrischer Energie versorgt werden müssen. Diese sind im ungestörten Betrieb mit den Eigenbedarfsschienen der entsprechenden Spannung verbunden, werden aber bei Ausfall des Eigenbedarfsnetzes von diesen getrennt und aus anderen Quellen, etwa aus einem weiteren Netzanschluss oder von schnellstartenden Dieselgeneratoren versorgt. Bedingt durch die Netzumschaltung oder die Startverzögerung des Dieselmotors kommt es hier auch zum Spannungsausfall von wenigen Sekunden, der für viele Notstromverbraucher unkritisch ist.
- Unterbrechungsfreie Schaltanlagen(* *BR* und * *BU*) dienen der Versorgung auch kurzzeitig unverzichtbarer Verbraucher (Notbeleuchtung, Notölversorgung der Turbine, Leittechnik). Sie werden durch mehrere USV (Batterien mit nachgeschalteten Wechselrichtern) oder direkter Batterieeinspeisung versorgt.
- Notstromdieselaggregat(e) versorgen bei Netzausfall (Blackout) die Notstromschaltanlagen und über diese auch die Unterbrechungsfreien Schaltanlagen.
Kernkraftwerk
Die Struktur ist der im Kohlekraftwerk sehr ähnlich, die höhere Eigenbedarfsleistung und höheren Sicherheitsanforderungen bedingen vergleichsweise kleine Änderungen. Im Folgenden wird die Struktur am Beispiel eines modernen deutschen Kernkraftwerks mit Druckwasserreaktor erläutert:
- Vier Eigenbedarfsschienen von 10 kV versorgen die größten Verbraucher (Hauptkühlmittel-, Speisewasser-, Kondensat- und Kühlwasserpumpen) direkt. Jeder der vier Hauptkühlmittelpumpen ist einer eigenen Eigenbedarfsschiene zugeordnet. Diese Eigenbedarfsschienen können auf verschiedenen Wegen mit Spannung versorgt werden: Im Leistungsbetrieb des Kraftwerks stellt der Eigenbedarfstransformator eine Verbindung zum Spannungsniveau des Generators her und entnehmen die Eigenbedarfsleistung der Generatorableitung (Spannung 27 kV). Er ist als Dreiwickler mit einer Hoch- und zwei Unterspannungswicklungen ausgeführt. Je eine Unterspannungswicklung versorgt zwei Eigenbedarfsschienen. Alternativ können die Eigenbedarfsschienen über zwei Anfahrtransformatoren aus dem öffentlichen Netz versorgt werden, hierfür wird meist die 110-kV-Netzebene verwendet. Auch die Anfahrtransformatoren sind als Dreiwickler mit zwei Unterspannungswicklungen ausgeführt, hier ist jeder Unterspannungswicklung eine Eigenbedarfsschiene zugeordnet.
- Weitere Transformatoren entnehmen Energie aus diesen obersten Eigenbedarfsschienen und versorgen weitere Eigenbedarfsschienen auf Spannungsniveaus von 660 V und 400 V, die ihrerseits der Versorgung der zahlreichen Hilfsantriebe kleinerer Leistung dienen.
- Vier Notstromschienen versorgen Verbraucher, die während Störungen mit elektrischer Energie versorgt werden müssen. Diese sind im ungestörten Betrieb mit den Eigenbedarfsschienen der entsprechenden Spannung verbunden, werden aber bei Ausfall des Eigenbedarfsnetzes von diesen getrennt und aus anderen Quellen versorgt. Je einer Notstromschiene ist ein schnellstartender Dieselgenerator zugeordnet. Eine Versorgung der Notstromschienen über einen Notstromnetzanschluss ist außerdem möglich. Bedingt durch die Netzumschaltung oder die Startverzögerung des Dieselmotors kommt es hier auch zum Spannungsausfall von wenigen Sekunden, der für viele Notstromverbraucher unkritisch ist. Hierzu gehören unter anderem Notkühl- und Notspeisesysteme.
- Eine unterbrechungsfreie Stromversorgung dient der Versorgung auch kurzzeitig unverzichtbarer Verbraucher (Notbeleuchtung, Notölversorgung der Turbine, Leittechnik). Sie wird durch Batterien realisiert, die von Gleichrichtern aus der Notstromschiene geladen und nachgeladen werden. Zahlreiche leittechnische Verbraucher verwenden die Gleichspannung aus den Batterien unmittelbar, Drehstromverbraucher werden von rotierenden Umformern oder Umrichtern aus den Batterien versorgt.
Literatur
- René Flosdorff, Günther Hilgarth: Elektrische Energieverteilung. 8. Auflage. Teubner, 2003, ISBN 3-519-26424-2.
Einzelnachweise
- ↑ E. Pick, H.-J. Wagner, Beitrag zum kumulierten Energieaufwand ausgewählter Windenergiekonverter. Report of the Chair for Energy Systems and Economics, Universität Bochum 1998, S. 20.
- ↑ Windpark Scharndorf-West: Detailinformationen (PDF; 91 kB). Infobroschüre. Abgerufen am 9. November 2013.