Electrotren

Electrotren (span. für ,elektrische Eisenbahn‘) ist ein spanischer Hersteller von Modelleisenbahnen. Das Unternehmen ist ein Teil von Hornby Railways.
Unternehmensgeschichte
Das Unternehmen wurde 1951 gegründet und begann mit der Herstellung von Modelleisenbahnen in der Nenngröße 0, im Maßstab 1:43,5, für die Spur 0. Ab 1954 wurden auch Modelleisenbahnen in der Nenngröße H0, im Maßstab 1:87, für die Spur H0 produziert.
Im April 2004 kaufte die Hornby Railways Electrotren für 7,5 Millionen Euro. Hornby Railway verwendet mit Stand 2010 den Begriff Electrotren als Marketingname zum schwerpunktmäßigen Vertreiben von spanischen Modellen. Es finden sich jedoch auch einige Modelle aus anderen Ländern, wie Frankreich, der Schweiz und Deutschland im Sortiment.
Sortiment
Beim Sortiment der Spur H0 verwendete Electrotren lange Zeit Lizenzen der Firma Märklin für die Produktion von Produkten für das Zweischienen-Mittelleiter-Gleissystem für den Betrieb mit Wechselstrom. So besaß Electrotren ein Gleisprogramm und ein Oberleitungsprogramm, das weitgehend technisch älteren Systemen von Märklin entspricht und mit diesem ohne Einschränkungen kompatibel ist.
Electrotren fertigte aber auch Produkte für das Zweischienen-Zweileiter-Gleissystem für den Betrieb mit Gleichstrom.
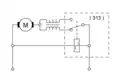
Electrotren fertigte während längerer Zeit die Tenderlokomotive der Red Nacional de los Ferrocarriles Españoles (RENFE) Serie 120-0201 bis 0204, die ihren Ursprung in der Tenderlokomotive der Ferrocarriles de Madrid a Zaragoza y Alicante (MZA) Serie 176 bis 181 hatte. Ursprünglich beschaffte die Ferrocarriles de Tarragona a Barcelona y Francia (TBF) diese Lokomotive als Schlepptender-Lokomotive Serie 23 bis 28 in den Jahren 1877 und 1878 bei Sharp Stewart in Manchester in England. Die Modelllokomotive hat einen Allstrommotor mit zwei Feldspulen, die im Gegensinn gewickelt sind. Es handelt sich um einen Hauptschlussmotor, einen Einphasen-Reihenschlussmotor, der unverändert sowohl mit Gleich- als auch mit Wechselstrom betrieben werden kann. Im Wechselstrombetrieb ist der Fahrtrichtungsschalter mit Schaltwippe Artikelnummer 313 der Feldspule vorgeschaltet, im Gleichstrombetrieb zwei Dioden.
-
Wechselstrom MZA Lokomotive Nummer 179, Ansicht. Electrotren Artikel 4000. -
Wechselstrom MZA Lokomotive Nummer 179, Innenansicht. Electrotren Artikel 4000. -
Vereinfachtes Schema der MZA Lokomotive, Electrotren Artikel 4000, für den Betrieb mit Wechselstrom. -
Vereinfachtes Schema der MZA Lokomotive, Electrotren Artikel 4001, für den Betrieb mit Gleichstrom.
-
Kohlenwagen -
Viehwagen