Fehlerstrom-Schutzschalter

Fehlerstrom-Schutzschalter (RCCB, von englisch Residual Current operated Circuit-Breaker; sinngemäß auch als Differenzstrom-Schutzschalter bezeichnet) sind die am häufigsten verwendeten Geräte aus der übergeordneten Gruppe der Fehlerstrom-Schutzeinrichtungen (RCD, von engl. Residual Current Device).[1] Er überwacht den Differenzstrom zwischen allen betriebsmäßig stromführenden Leitern über einen Summenstromwandler. In den älteren, umgangssprachlich noch üblichen Bezeichnungen FI-Schutzschalter oder FI-Schalter steht „F“ für das Wort Fehler und „I“ für das Formelzeichen der elektrischen Stromstärke.[2] Durch die Harmonisierung in der Normung auf internationaler Ebene wird seit 2008[3] allgemein die Bezeichnung RCD auch in den deutschsprachigen Normen und der Literatur verwendet.
Fehlerstrom-Schutzeinrichtungen jeder Bauform schalten bei gefährlich hohen Fehlerströmen gegen Erde die Spannung ab und tragen so maßgeblich zur Reduzierung lebensgefährlicher Stromunfälle in Niederspannungsnetzen bei. Sie werden den Überstromschutzeinrichtungen in Stromkreisverteilern vorgeschaltet. Es gibt auch die Kombination in Form des RCBO, welcher die Funktion der Fehlerstrom-Schutzeinrichtung und des Leitungsschutzschalters in einem Gerät vereint.
Grundlagen
Schutzziele
In den elektrotechnischen Normen werden Anforderungen zum Schutz von Personen und Tieren gegen elektrischen Schlag definiert. Dies wird erreicht durch eine Kombination aus:
- Basisschutz als Vorkehrung zum Schutz gegen direktes Berühren von aktiven Teilen durch eine Basisisolierung im fehlerfreien Zustand,
- Fehlerschutz bei indirektem Berühren von berührbaren Teilen, zum Beispiel des metallischen Gehäuses eines elektrischen Betriebsmittels, die bei einem Fehler zu gefährlichen aktiven Teilen werden können.
Der Einsatz von Fehlerstrom-Schutzschaltern dient als Zusatzschutz dem verbesserten Schutz gegen elektrischen Schlag sowie dem anlagentechnischen Brandschutz.
Ein RCD begrenzt nicht die Stromstärke des fließenden Fehlerstromes, er begrenzt dessen zeitliche Dauer.
Zusatzschutz

Als Zusatzschutz bezeichnet man eine Maßnahme unter bestimmten Bedingungen. Dazu gehört der Fehlerstrom-Schutzschalter mit seiner Schutzwirkung für den Fall eines gleichzeitigen Versagens des Basisschutzes und des Fehlerschutzes. Dies bedeutet, dass in der elektrischen Anlage bzw. dem elektrischen Betriebsmittel ein Doppel- oder sogar Mehrfachfehler auftritt. Der Fehlerstrom-Schutzschalter verhindert nicht den elektrischen Schlag und verringert auch nicht die Höhe des Fehlerstromes durch den menschlichen Körper. Je nach Höhe muss aber die Dauer einer Körperdurchströmung derart begrenzt werden, dass das Risiko des Eintretens von Herzkammerflimmern als einer unmittelbaren lebensbedrohlichen Herzrhythmusstörung auf ein Minimum reduziert wird. Der maximal zulässige Bemessungsfehlerstrom IΔn für den Personenschutz beträgt 30 mA. Die Verwendung des Fehlerstrom-Schutzschalters als alleinigen Schutz gegen elektrischen Schlag, d. h. ohne Vorkehrung des Basis- und Fehlerschutzes, ist nicht zulässig.
Ein Fehlerstrom-Schutzschalter mit einem Bemessungsfehlerstrom nicht größer als 30 mA muss vorgesehen werden für:
- Steckdosen in Endstromkreisen mit einem Bemessungsstrom nicht größer als 32 A, die für die Benutzung durch elektrotechnische Laien und zur allgemeinen Verwendung bestimmt sind
- Endstromkreise für im Außenbereich verwendete tragbare Betriebsmittel mit einem Bemessungsstrom nicht größer als 32 A
- für Leuchtenstromkreise (in Deutschland nur im Wohnungswesen)
Ein Fehlerstrom-Schutzschalter kann in folgenden Fällen Zusatzschutz bieten:
- nicht bestimmungsgemäßer Umgang oder missbräuchliche Nutzung von elektrischen Betriebsmitteln
- Manipulationen an elektrischen Anlagen, z. B. durch Kleinkinder (Nagel in Steckdose)
- Beschädigungen an der elektrischen Anlage durch äußere Einflüsse (z. B. Feuchtigkeit, Schutzerde unterbrochen, Isolierstoff gebrochen)
- Durchströmung des Körpers gegen Erde wegen Nichteinhaltens der fünf Sicherheitsregeln durch Elektrofachkräfte
- Umgang mit geöffneten Elektrogeräten zu Ausbildungszwecken
- durch Laien oder nicht fachgerechte Arbeit von Fachkräften verursachte Fehler an einer elektrischen Anlage bzw. einem elektrischen Betriebsmittel
Fehlerschutz

Für den Fehlerschutz müssen Fehlerstrom-Schutzschalter verwendet werden, wenn die Bedingung zur automatischen Abschaltung der Stromversorgung mit Überstrom-Schutzeinrichtungen bei Erdschluss nicht erfüllbar ist. Dies ist häufig der Fall, wenn nach Art der Erdverbindung ein TT-System vorliegt. Durch die fehlende elektrische Verbindung zwischen Anlagenerder und Betriebserder wird der Fehlerstrom hauptsächlich durch den Ausbreitungswiderstand des Anlagenerders RA begrenzt. Für den Personenschutz gilt folgende Bedingung:
- mit
- RA als Ausbreitungswiderstand des Anlagenerders einschließlich der Schutzleiter
- UT als Berührungsspannung mit maximal 50 V AC ohne zeitliche Begrenzung
- IΔn als Bemessungsfehlerstrom des Fehlerstrom-Schutzschalters
Somit wäre ein maximaler Ausbreitungswiderstand möglich von:
Da im Fehlerfall am Ausbreitungswiderstand näherungsweise die gesamte Außenleiter-Erde-Spannung U0 von 230 V abfällt, erhält man als Fehlerstrom mindestens den 4,6-fachen Bemessungsfehlerstrom. Damit wird die geforderte Abschaltzeit von 0,2 s im TT-System eingehalten.
In folgenden Fällen dürfen Fehlerstrom-Schutzschalter mit einem Bemessungsfehlerstrom größer 30 mA verwendet werden, bei:
- Verteilungsstromkreisen
- Endstromkreisen, wenn dies aus anderen Gründen als dem Schutz gegen elektrischen Schlag erforderlich ist.
Unter der Randbedingung des 4,6-fachen Bemessungsfehlerstroms wären in Abhängigkeit von dem jeweiligen Fehlerstrom-Schutzschalter folgende Ausbreitungswiderstände möglich:
| IΔn | 10 mA | 30 mA | 100 mA | 300 mA | 500 mA | 1 A |
|---|---|---|---|---|---|---|
| RA | 5 kΩ | 1,67 kΩ | 500 Ω | 167 Ω | 100 Ω | 50 Ω |
Brandschutz
Zum Schutz gegen elektrisch gezündete Brände darf nach Vorgabe des VdS ein Fehlerstrom zwischen Außenleiter und Schutzleiter bzw. Erde nicht größer als 420 mA sein. Es können für diese Maßnahme Fehlerstrom-Schutzschalter mit einem Bemessungsfehlerstrom bis maximal 300 mA verwendet werden.[4] In der DIN VDE 0100-705:2007-10 Abschnitt 705.422.7 [705.482.1.7] Brandschutz für landwirtschaftliche- und gartenbauliche Betriebsstätten findet man zum Beispiel auch diesen maximalen Bemessungsfehlerstrom von maximal 300 mA, die Fehlerstrom-Schutzeinrichtung muss dabei alle aktiven Leiter abschalten. In Abhängigkeit vom Bemessungsfehlerstrom können an einer Fehlerstelle folgende Wärmeleistungen auftreten:
| Bemessungs- Fehlerstrom |
Wärmeleistung bei 230 V Wechselspannung |
|---|---|
| 30 mA | 7 W |
| 100 mA | 23 W |
| 300 mA | 69 W |
Diese Wärmeleistungen sind erheblich niedriger als sie mit Überstrom-Schutzeinrichtungen allein wären. Daneben sind für den Brandschutz auch eigene Fehlerlichtbogen-Schutzeinrichtungen verfügbar, welche zusätzlich zum Fehlerstrom-Schutzschalter angebracht werden müssen und Schutz gegen Kabelbrand, wie er bei Kabelbruch auftreten kann, bieten.
Funktionsprinzip
Fehlerströme allgemein
Der Fehlerstrom-Schutzschalter löst spätestens bei Erreichen des Bemessungsfehlerstroms aus und schaltet den betroffenen Stromkreis allpolig vom vorgelagerten Netz ab – also auch den Neutralleiter bei vierpoligen Schaltern. Der interne Teststromkreis wird ebenfalls abgeschaltet[5], da dessen Strombegrenzungswiderstand nicht für Dauerbetrieb (Fehlbedienung) ausgelegt ist. Der Schutzleiter ist nicht Bestandteil der Fehlerstrom-Schutzschalter und wird nicht abgeschaltet.
Fehlerströme treten auf, wenn ein Teil des Stromes über einen unerwünschten Strompfad zurück zur Stromquelle fließt. Teil dieses Strompfades kann der Schutzleiter, das Gehäuse eines elektrischen Betriebsmittels, das Erdreich einschließlich aller metallischen Strukturen in elektrischen Kontakt mit Erde sowie der Körper eines Menschen oder Tieres sein. Der Fehlerstrom-Schutzschalter bildet die arithmetische Summe aller Augenblickswerte der Ströme in den Außenleitern und dem Neutralleiter. In einer Anlage ohne Erdschluss ist die Summe stets null.
Die Summenbildung erfolgt durch einen Summenstromwandler. Durch ihn führen je nach Polzahl zwei, drei oder vier Primärwicklungen. Sie sind konstruktiv so geführt, dass sich ihre Induktionswirkungen im fehlerfreien Zustand gegenseitig aufheben. Es wird kein magnetischer Fluss im Wandlerkern erzeugt und somit in der Sekundärwicklung auch keine Spannung induziert. Fließt nun ein Fehlerstrom über einen solchen unerwünschten Strompfad zurück zur Stromquelle, dann ist die Summe aller Ströme durch den Summenstromwandler nicht mehr null. Daraus resultiert ein magnetischer Fluss im Wandlerkern und induziert eine Spannung in der Sekundärwicklung. Der Sekundärstrom löst über den Haltemagnet-Auslöser ein Schaltschloss aus und schaltet den Stromkreis allpolig ab.
Problem der glatten Gleichfehlerströme
Der Summenstromwandler arbeitet also wie ein Transformator und ist wie dieser auch frequenzabhängig. Beim Fehlerstrom kann es sich im zeitlichen Verlauf um einen Wechselstrom, einen glatten Gleichstrom oder als Mischstrom um einen Wechselfehlerstrom überlagert durch glatten Gleichfehlerstrom handeln. Der Stromwandler kann nur Wechselfehlerströme und (eingeschränkt) pulsierende Anteile an Gleichfehlerströmen erfassen. Bei glatten Gleichfehlerströmen findet keine Induktion in der Sekundärwicklung statt, – der Fehlerstrom wird nicht erkannt. Bei Mischstrom kann der Wechselfehlerstrom nur geschwächt oder gar nicht übertragen werden, da der Eisenkern durch den glatten Gleichfehlerstrom teilweise bis komplett gesättigt ist.
Hier liegt auch die Begründung, warum ein Typ A nicht einem Typ B vorgeschaltet werden darf. Typ B wird verbaut, wenn glatte Gleichfehlerströme auftreten können. Diese können den Eisenkern vom Typ A sättigen, so dass er nicht mehr transformieren kann, und somit blind wird für Fehlerströme. Dies auch schon bei deutlich kleineren Strömen, die unterhalb der Schaltschwelle vom Typ B sind. Somit ist der Typ A komplett wirkungslos.
Von einigen Herstellern gibt es speziell angepasste RCDs des Typs B, die bei einem glatten Gleichfehlerstrom vom ≥6mA auslösen, anstatt bei einem z. B. 30mA Typ B im zulässigen Bereich von 15-60mA (Faktor 0,5-2). Diese, für die 'mobile Installation' geeigneten, RCDs dürfen entgegen der VDE jedem Typ nachgeschaltet werden. Dadurch wird die Schutzwirkung vorgeschalteter RCDs nicht beeinträchtigt.[6] Bietet sich z. B. bei Geräten mit Stecker an, die an verschiedenen Orten verwendet werden, wo nicht bekannt ist, welcher (und ob überhaupt) RCD-Typ in der Verteilung verbaut ist.
Allstromsensitive RCD (z. B. der Typ B) haben zur zusätzlichen Erkennung glatter Gleichfehlerströme teilweise noch einen zweiten Wandlerkern, der mit einem Hall-Sensor ausgestattet sein kann, um das Magnetfeld direkt zu erfassen, und/oder noch weitere Elektronik, um beispielsweise Frequenzgänge und deren Stromabhängigkeiten besser zu erfassen (oder auszublenden) und somit für den entsprechenden Anwendungszweck verschiedene Typen anzubieten.[7]
-
Baugruppen eines zweipoligen Fehlerstrom-Schutzschalters
1: Schaltschloss
2: Sekundärwicklung
3: Summenstromwandler-Ringkern
4: Prüftaste -
Vierpoliger Fehlerstrom-Schutzschalter an einem dreiphasig angeschlossenen Verbraucher -
Geöffneter vierpoliger Fehlerstrom-Schutzschalter, Summenstromwandler mit rotbraunen, dicken Arbeitsstromwicklungen, der Sekundärwicklung zum Auslösemechanismus (gelb) und der Teststrom-Wicklung (blau)
Summenstromwandler
Der Summenstromwandler enthält einen Ringkern, gewickelt aus kristallinem oder nanokristallinem weichmagnetischem Band. Ferritkerne sind wegen der zu geringen Permeabilität und Sättigungsinduktion nicht geeignet. Um die notwendige Leistung für das Auslösen des Fehlerstrom-Schutzschalters zu erreichen, sind Ringbandkerne mit einer gewissen Größe und Masse notwendig, typisches Gewicht ca. 40 g. Die Kerne sind oft isolierend verkapselt, wobei keine Kraft durch eventuelle Schrumpfung von Harzen auf die Kerne ausgeübt werden darf, da hierdurch die magnetischen Eigenschaften geändert werden. Üblich sind auch Kunststoffgehäuse, in die die Kerne lose eingelegt werden.[8] Um den Kern gelegt (d. h. durchgefädelt) sind 2 bis 4 Arbeitsstromwicklungen aus dickem Kupferdraht sowie die Sekundärwicklung und ggf. eine Testwicklung, jeweils aus dünnem Draht.
Schaltschloss
Das Schaltschloss ist die Mechanik, welche die Handbetätigung (Hebel oder Drücker) und den Auslöser des Summenstromwandlers mit den Schaltkontakten verbindet. In diesem befindet sich die Auslöse-Feder, welche beim Einschalten (per Hand) vorgespannt wird, und für die erforderliche Kraft und Geschwindigkeit zur sicheren Trennung sorgt. Außerdem ist hier die Mechanik für die Freiauslösung untergebracht. Das vorgespannte Schaltschloss kann mit minimalem Kraftaufwand ausgelöst und nicht von außen blockiert werden.
Auslöser
Der Summenstromwandler wirkt auf das Schaltschloss zum Beispiel über einen Haltemagnet-Auslöser. Dieser ist an der Sekundärwicklung des Summenstromwandlers angeschlossen. Ein Haltemagnet-Auslöser besteht aus einem Dauermagneten, zwei Schenkeln mit magnetischem Nebenschluss und einem Anker aus weichmagnetischem Material sowie einer Erregerwicklung. Der magnetische Fluss des Dauermagneten führt über beide Schenkel und den Anker. Dadurch wird der Anker entgegen der zum Schaltschlossauslöser gerichteten Federkraft festgehalten. Fließt nun ein Strom in der Erregerwicklung, wird ein zweiter magnetischer Fluss erzeugt. In einer Halbwelle verstärkt sich der Gesamtfluss und in der anderen Halbwelle wird er so geschwächt, dass die Feder den Anker von den Polflächen der beiden Schenkel zieht. Es kommt zur Auslösung des Schaltschlosses und Abschaltung der betroffenen Stromkreise.
Grenzen der Schutzwirkung
Die Schutzwirkung eines Fehlerstrom-Schutzschalters tritt in folgenden Fällen nicht ein:
- Eine Person berührt aktive Teile unterschiedlichen Potentials. Es handelt sich dabei um zwei oder mehrere Außenleiter unterschiedlicher Phasenlage oder um einen Außenleiter und den Neutralleiter. Dabei befindet sich die Person auf einem elektrisch relativ gut isolierenden Standort gegen die Erde und hat keinen Kontakt zu geerdeten Objekten oder dem Schutzleiter.
- wenn ein Transformator (wie etwa ein Trenntransformator) den Stromkreis trennt und eine Person auf der Sekundärseite beide Pole gleichzeitig berührt
- bei Auftreten eines Überstromes als Überlast oder Kurzschluss kann der Schutz durch automatische Abschaltung der Stromversorgung nur durch eine Überstromschutzeinrichtung sichergestellt werden
- ein Leiterschluss wird nicht erfasst, da kein Fehlerstrom gegen Erde fließt
- Je nach Art des Fehlerstromes besteht ein Risiko, dass ein Fehlerstrom-Schutzschalter nicht anspricht. Er besitzt nicht die Fähigkeit, alle Stromarten zu erfassen (insbesondere Gleichstrom).
- Ein Fehlerstrom-Schutzschalter vom Typ B+ für den gehobenen vorbeugenden Brandschutz erfasst Fehlerströme mit Frequenzen bis zu 20 kHz nur gegen Erde. Zur Erfassung eines derartigen Störstromes zwischen zwei aktiven Leitern wäre zusätzlich eine Fehlerlichtbogen-Schutzeinrichtung erforderlich.
Einteilung nach Art der Fehlerstromform

Fehlerstrom-Schutzschalter werden nach Art der Fehlerstromform, den sie erfassen können, in Typen eingeteilt. Aufsteigend nach ihrer Sensitivität unterscheidet man zwischen Typ AC, Typ A, Typ F und Typ B/B+.
- Typ AC :
- Zur Erfassung rein sinusförmiger Wechselfehlerströme, die plötzlich auftreten oder langsam ansteigen können. (Nicht mehr zulässig in Deutschland.[9])
- Typ A :
- Zusätzlich zur Funktionalität des Typ AC werden pulsierende Gleichfehlerströme erfasst. Die Funktion ist sichergestellt, wenn ein glatter Gleichfehlerstrom den Wert von 6 mA nicht überschreitet. Typ A ist der für gewöhnliche Anwendungen am meisten verwendete Fehlerstrom-Schutzschalter.
- Typ F :
- Zusätzlich zur Funktionalität des Typ A wird ein Gemisch von Fehlerströmen unterschiedlicher Frequenzen bis zu 1 kHz erfasst. Solche Fehlerströme können z. B. bei einphasigen elektrischen Betriebsmitteln mit Frequenzumrichtern auftreten. Die Funktion ist sichergestellt, wenn ein glatter Gleichfehlerstrom den Wert von 10 mA nicht überschreitet.
- Typ B :
- Zusätzlich zur Funktionalität des Typ F werden glatte Gleichfehlerströme (z. B. aus Wechselrichtern an Photovoltaikanlagen oder Gleichrichtern z. B. zum Laden von Elektroautos mit Gleichstrom) erfasst. Die Funktion ist sichergestellt, wenn sich unterschiedliche Fehlerstromformen überlagern, unabhängig von:
- Phasenanschnittwinkel
- Polarität
- plötzlich auftretend oder langsam ansteigend
- Man bezeichnet den Typ B auch als allstromsensitiv.
- Zusätzlich zur Funktionalität des Typ F werden glatte Gleichfehlerströme (z. B. aus Wechselrichtern an Photovoltaikanlagen oder Gleichrichtern z. B. zum Laden von Elektroautos mit Gleichstrom) erfasst. Die Funktion ist sichergestellt, wenn sich unterschiedliche Fehlerstromformen überlagern, unabhängig von:
- Typ B+ :
- Zusätzlich zur Funktionalität des Typs B werden sinusförmige Wechselfehlerströme für Frequenzen bis 20 kHz erfasst. Typ B+ wird daher für den vorbeugenden gehobenen Brandschutz verwendet.
Kombinierte Bauarten RCD/LS und RCD-Steckdose
Es gibt auch kombinierte RCD mit Leitungsschutzschaltern (LS) (z. B.: 30 mA RCD und 13 A Leitungsschutzschalter), welche als RCBO (umgangssprachlich „FI/LS“) bezeichnet werden. Ein RCBO mit der Polzahl 1P + N hat typisch die gleiche Einbaubreite (bzw. die gleiche Anzahl der Teilungseinheiten, Abkürzung TE), wie ein zweipoliger Leitungsschutzschalter oder wie ein zweipoliger FI-Schutzschalter (zwei TE).
RCD-Steckdosen (SRCD) (umgangssprachlich „FI-Steckdosen“) überwachen dort angeschlossene Verbraucher gegen Erdfehlerströme (zusätzliche Sicherheit). Sie werden dort eingesetzt, wo beispielsweise bei Altanlagen mit Bestandsschutz keine RCD installiert sind und dennoch eine erhöhte Sicherheit gewünscht ist. Sie ersetzen nicht einen RCD nach DIN EN 61008-1 (VDE 0664-10), wo dieser gefordert wird.
Modulare RCD
Befinden sich die einzelnen Einheiten eines RCD, wie die Schaltung der Differenzstromerfassung, der Bewertung des Differenzstromes und der Lastschalter in räumlich getrennten Gehäusen, so wird diese Einheit als modulare Fehlerstrom-Schutzeinrichtung, englisch Modular Residual Current protection Device, MRCD bezeichnet.[10]
Kennwerte
Bemessungsfehlerstrom
Wichtigster Kennwert ist der Bemessungsfehlerstrom IΔn, bei dem ein Fehlerstrom-Schutzschalter spätestens auslösen muss. Werte für IΔn sind 10 mA, 30 mA, 100 mA, 300 mA, 500 mA und 1 A.[11] In der Praxis erfolgt die Auslösung eines rein sinusförmigen Wechselfehlerstroms zwischen 0,6 · IΔn und 0,8 · IΔn.
Nichtauslösefehlerstrom
Der Nichtauslösefehlerstrom IΔn0 beträgt 0,5 · IΔn für einen rein sinusförmigen Wechselfehlerstrom. Ein Fehlerstrom-Schutzschalter darf erst oberhalb des halben Bemessungsfehlerstroms auslösen.
Auslösebereiche, Fehlerstromformen
Für die verschiedenen Fehlerstromformen sind folgende Auslösebereiche festgelegt:
- 0,5 · IΔn bis 1 · IΔn für rein sinusförmige Wechselfehlerströme
- 0,35 · IΔn bis 1,4 · IΔn für pulsierende Gleichfehlerströme
- 0,25 · IΔn bis 1,4 · IΔn für angeschnittene Halbwellen mit Phasenanschnittswinkel von 90°
- 0,11 · IΔn bis 1,4 · IΔn für angeschnittene Halbwellen mit Phasenanschnittswinkel von 135°
- bis 1,4 · IΔn für pulsierende Gleichströme überlagert mit einem glatten Gleichfehlerstrom von maximal 6 mA
- 0,5 · IΔn bis 1,4 · IΔn für Mischfrequenzfehlerströme
- 0,5 · IΔn bis 2 · IΔn für glatte Gleichfehlerströme
Bemessungsstrom
Der Bemessungsstrom In ist ein festgelegter Wert, der je Außenleiter von einem Fehlerstrom-Schutzschalter dauerhaft geführt werden kann.[12] Vorzugswerte für In sind 10 A, 13 A, 16 A, 20 A, 25 A, 32 A, 40 A, 63 A, 80 A, 100 A und 125 A.
Abschaltzeit
- Nach DIN EN 61008-1 (VDE 0664-10):2013-08 (Herstellervorgaben) für Fehlerstrom-Schutzschalter ohne Zeitverzögerung betragen die höchstzulässigen Abschaltzeiten 0,3 s bei einem Strom von IΔn, 0,15 s bei 2 · IΔn und 0,04 s bei 5 · IΔn. Damit wird ein Auslösen von (tödlichem) Kammerflimmern sehr unwahrscheinlich, kann allerdings nicht vollkommen ausgeschlossen werden, u. a. weil der physiologische Effekt eines Strompulses von der Phase des Herzschlags abhängt, in die er fällt.
- Für selektive Fehlerstrom-Schutzschalter – also mit Zeitverzögerung – betragen die höchstzulässigen Abschaltzeiten 0,5 s bei einem Strom von IΔn, 0,2 s bei 2 · IΔn und 0,15 s bei 5 · IΔn.
Nichtauslösezeit
Nichtauslösezeiten sind nur für selektive Fehlerstrom-Schutzschalter definiert. Die kürzesten Nichtauslösezeiten betragen 0,13 s bei einem Strom von IΔn, 0,06 s bei 2 · IΔn und 0,05 s bei 5 · IΔn.
Kontaktfolge
Die beweglichen Kontakte und deren mechanische Kopplung eines mehrpoligen Fehlerstrom-Schutzschalters sind derart konstruiert, dass die Kontakte der drei Außenleiter möglichst zeitgleich schließen bzw. öffnen. Der Kontakt des Neutralleiters darf nicht nach denen für die Außenleiter schließen bzw. auch nicht vorher öffnen. Ansonsten könnte es während des Schaltvorgangs bei einem 4-poligen Fehlerstrom-Schutzschalter in den zugeordneten Endstromkreisen durch eine Unsymmetrie zu einer Sternpunktverschiebung kommen und die angeschlossenen elektrischen Betriebsmittel beschädigen.
Selektivität
Um Selektivität zu erreichen, können Fehlerstrom-Schutzschalter in Reihe geschaltet werden. Dabei soll nur der dem fehlerbehafteten Stromkreis unmittelbar zugeordnete Fehlerstrom-Schutzschalter ohne Zeitverzögerung auslösen. Dieser Schutzeinrichtung wird zusätzlich ein Fehlerstrom-Schutzschalter mit Zeitverzögerung vorgeschaltet und ist mit dem Symbol
für Selektivität gekennzeichnet. Eine Selektivität liegt vor, wenn:
- die kürzeste Nichtauslösezeit des vorgeschalteten Fehlerstrom-Schutzschalters mit Zeitverzögerung höher als die höchste Abschaltzeit des nachgeschalteten Fehlerstrom-Schutzschalters ohne Zeitverzögerung ist
- der Bemessungsfehlerstrom des vorgeschalteten Fehlerstrom-Schutzschalters mit Zeitverzögerung mindestens den dreifachen Wert eines nachgeschalteten Fehlerstrom-Schutzschalters ohne Zeitverzögerung beträgt (totale Selektivität)
Fehlerstrom-Schutzschalter mit Zeitverzögerung werden oft auch als selektiver oder zeitverzögerter Fehlerstrom-Schutzschalter bezeichnet. Wie bei Überstrom-Schutzeinrichtungen ist das Ziel, eine höhere Verfügbarkeit der elektrischen Anlage durch Selektivität zu erreichen. Des Weiteren ist noch zu beachten:
- Fehlerstrom-Schutzschalter mit Zeitverzögerung können nicht für die Maßnahme Zusatzschutz verwendet werden, da der Bemessungsfehlerstrom mindestens 100 mA beträgt. Die Strom-Zeit-Kennlinie für die höchste Abschaltzeit befindet sich in diesem Fall daher stets in einem Bereich, bei welchem ein erhöhtes Risiko für das Eintreten von Herzkammerflimmern besteht.
- Fehlerstrom-Schutzschaltern vom Typ B/B+ darf kein Typ A vorgeschaltet werden. Erläuterung[13]
Störfestigkeit
Um ungewollte Auslösungen zu verhindern, werden Fehlerstrom-Schutzschalter mit Kurzzeitverzögerung verwendet. Ursachen für ungewollte Auslösungen können sein:
- Überspannungen durch Schalthandlungen und atmosphärische Einwirkungen
- Ausgleichsvorgänge nach dem Zuschalten bzw. einer Laständerung von kapazitiv bzw. induktiv wirkenden Betriebsmitteln
Die höchstzulässigen Abschaltzeiten sind gleich denen von Fehlerstrom-Schutzschaltern ohne Zeitverzögerung. Die Kennzeichnung erfolgt herstellerspezifisch, beispielsweise von:
- ABB mit der Angabe AP-R und der Verwendung des Begriffs kurzzeitverzögert
- Siemens mit dem Symbol
und der Verwendung der Begriffe superresistent oder kurzzeitverzögert - Doepke mit dem Symbol G oder KV und der Verwendung des Begriffs kurzzeitverzögert[14]
Die Verwendung von Fehlerstrom-Schutzschaltern mit Zeitverzögerung (Selektivität) ist ebenfalls möglich, wenn auf die Maßnahme Zusatzschutz verzichtet werden darf.
Bezeichnungen, Begriffsklärung
In deutschen Normen wurden früher folgende Begriffe verwendet:
- Fehlerstrom-Schutzschalter (FI) für netzspannungsunabhängige Geräte (ohne Hilfsspannungsquelle),
- Differenzstromschutzschalter (DI) für netzspannungsabhängige Geräte (mit Hilfsspannungsquelle).
Im Handel finden sich auch:
- Personenschutzautomat ist ein Marketingname und technisch nicht eindeutig definiert.
- Personenschutzschalter ist eine Bezeichnung, die für Fehlerstrom-Schutzschalter in Zuleitungen und Verlängerungen sowie in Zwischensteckern verwendet wird und ansonsten nicht genau definiert ist. Die BGI608[15] macht für solche ortsveränderliche Schutzeinrichtungen Vorgaben bei der Verwendung als Speisepunkt für sogenannte kleine Baustellen.
Für Fehlerstrom-Schutzschalter, die mit Leitungsschutzschaltern kombiniert sind, wurden folgende Bezeichnungen verwendet:
- FI/LS-Schutzschalter, wenn sie netzspannungsunabhängig waren,
- DI/LS-Schutzschalter, wenn sie netzspannungsabhängig waren.
Die Unterscheidung in netzspannungsunabhängige und netzspannungsabhängige Schutzgeräte wird in englischsprachigen Normen nicht gemacht und auch in den IEC- und EN-Normen nicht benutzt. In den internationalen Gerätenormen werden folgende Bezeichnungen verwendet:

- CBR = Circuit-Breaker incorporating Residual current protection, sind Leistungsschalter mit Fehlerstromschutzfunktion
- GFCI = Ground Fault Circuit Interrupter, ist der in Nordamerika verwendete Begriff für RCCB[16]
- RCBO = Residual Current operated circuit-Breaker with integral Over current protection, entspricht den kombinierten FI/LS- und LS/DI-Schaltern
- RCCB = Residual Current operated Circuit-Breaker without overcurrent protection, entspricht den reinen FI- bzw. DI-Schaltern, (ist gleichwertig zu RCD residual-current device)
- RCM = Residual Current Monitor, Differenzstromüberwachungsgerät
- RCMS = Residual Current Monitoring System, Differenzstromüberwachungssystem
- RCU = Residual Current Units, sind Fehlerstrom-Auslöser zum Anbau an Leitungsschutzschalter

- PRCD = Portable Residual Current operated Device, sind ortsveränderlich, am häufigsten zu finden unter Personenschutz-Adapter
- SRCD = Socket outlet Residual Current Device, sind FI- bzw. DI-Steckdosen (zur Erhöhung des Schutzniveaus einzelner Steckdosen)
In den Errichtungsbestimmungen für elektrische Anlagen werden Fehlerstrom-Schutzschalter einheitlich unter einem übergeordneten Begriff RCD geführt. Eine Differenzierung zwischen FI, DI oder speziellen Bauformen wird in den Errichtungsbestimmungen für elektrische Anlagen nicht mehr vorgenommen. Hier ist das Schutzziel entscheidend. Dieses muss in Abhängigkeit vom Einsatzort mit unterschiedlichen Bauformen realisiert werden.
Vorschriften
Der Einsatz von Fehlerstrom-Schutzschaltern wird in vielen Ländern bei Neuinstallationen oder Änderungen im Haushalts- und Industriebereich zumindest für Steckdosen (bis 20 A oder 32 A) (etwa DIN VDE oder ÖVE) zusätzlich zu den installierten Überstromschutzorganen zwingend verlangt.[17] Ein Fehlerstrom-Schutzschalter mit einer Auslösestromdifferenz von 300 mA wird als Brandschutz der gesamten elektrischen Anlage von einigen Energieversorgungsunternehmen oftmals vorgeschrieben, wenn die Hauseinspeisung nicht über Erdkabel, sondern über Dachfreileitungen erfolgt.
In Europa sind, bis auf Großbritannien, netzspannungsunabhängige FI-Schutzschalter (RCD) vorgeschrieben. Die dahinterstehende Sicherheitsphilosophie stellt die Zuverlässigkeit der elektronischen Verstärkerschaltungen in Frage, welche in den einfacheren und kleineren elektronischen DI-Schaltern (Differenzstrom-Schutzschalter) im englischsprachigen Raum angewendet werden.
Deutschland
In Deutschland sind Fehlerstrom-Schutzschalter in Neubauten seit Mai 1984 für Räume mit Badewanne oder Dusche gemäß DIN VDE 0100-701 gefordert (einzige Ausnahme: fest angeschlossene Warmwasserbereiter).
Seit Juni 2007 müssen in Neubauten außerdem alle Steckdosen-Stromkreise, welche für die Benutzung durch Laien und zur allgemeinen Verwendung bestimmt sind, mit einer Fehlerstrom-Schutzeinrichtung mit einem Bemessungsdifferenzstrom von höchstens 30 mA ausgestattet sein. Dies galt für Endstromkreise[18] mit einem Bemessungsstrom bis 20 A im Innenbereich und bis 32 A im Außenbereich (DIN VDE 0100-410:2007-06, Abschnitt 411.3.3, Übergangsfrist bis Januar 2009).
Seit Oktober 2018 gelten diese Anforderungen auch im Innenbereich für Steckdosenstromkreise bis 32 A, sowie für Beleuchtungsstromkreise in Wohnungen (DIN VDE 0100-410:2018-10, Abschnitt 411.3.3, Übergangsfrist bis Juli 2020).
Für Hallen- u. Freibäder sowie für Räume und Kabinen mit Saunaheizungen gibt es ebenfalls die Forderung nach Fehlerstrom-Schutzschaltern. Der oftmals missverständlich angewendete Begriff „Feuchtraum“ bezieht sich nicht auf Bäder oder Toiletten in Wohnräumen. Gemäß Definition in der DIN 68800 handelt es sich um einen Feuchtraum, wenn längerfristig eine Luftfeuchtigkeit oberhalb 70 % vorhanden ist. In der DIN VDE 0100-200:2008-06 Abschnitt NC.3.3 werden Küchen in Wohnungen und Baderäume in Wohnungen und Hotels in Bezug auf Installation explizit als trockene Räume eingestuft (da in diesen Räumen nur zeitweise Feuchtigkeit auftritt).
Für Altanlagen gibt es keine Nachrüstpflicht. Das heißt, eine Anlage darf weiter betrieben und auch instand gesetzt werden, wenn die Anlage zum Zeitpunkt ihrer Errichtung den damals geltenden Normen und Richtlinien entsprochen hat und diesen heute noch entspricht (Bestandsschutz).
In Deutschland ist unter folgenden Umständen die Nachrüstung eines Fehlerstrom-Schutzschalters unumgänglich:
- wenn Nutzungsänderungen vorgenommen werden
- bei Nutzungserweiterungen, Umbaumaßnahmen oder Sanierungen, die in die Substanz eingreifen (also nicht lediglich Reparatur/Instandsetzung)
- falls neue Rechtsverordnungen, die eine Nachrüstung fordern, in Kraft treten (TAB beachten)
- nach abgelaufenen Übergangsfristen
- bei unmittelbaren Gefahren für Personen und Sachwerte
Der bloße Austausch eines Betriebsmittels, beispielsweise einer Steckdose, erfordert keine Anpassung an neue Normen. Wird jedoch die Steckdose an eine andere Stelle versetzt oder ein Steckdosenstromkreis um eine weitere Steckdose erweitert, dann ist zumindest dieser Stromkreis an den aktuellen Stand der Technik (Normenlage) anzupassen.[19]
Auch in der Landwirtschaft müssen, insbesondere bei Tierhaltung, Fehlerstrom-Schutzschalter verwendet werden. Die Reduzierung der dauerhaft zulässigen Berührungsspannung auf 25 V Wechselspannung und 60 V Gleichspannung ist nach DIN VDE 0100-705:2007-10 entfallen.
Gemäß DIN VDE 0100-530:2018-06 müssen RCDs für den Zusatzschutz bei Wechselstromanlagen übereinstimmen mit:
- DIN EN 61008-1 (VDE 0664-10) und DIN EN 61008-2-1 (VDE 0664-11) für Fehlerstrom-Schutzschalter ohne eingebauten Überstromschutz (RCCBs); oder
- DIN EN 61009-1 (VDE 0664-20) und DIN EN 61009-2-1 (VDE 0664-21) für Fehlerstrom-Schutzschalter mit eingebautem Überstromschutz (RCBOs); oder
- DIN EN 62423 (VDE 0664-40) für Fehlerstrom-Schutzschalter mit und ohne eingebautem Überstromschutz (RCBOs und RCCBs)
Dagegen bieten PRCD und SRCD (gemäß DIN VDE 0662) keinen Zusatzschutz im Sinne der DIN VDE 0100-410, sondern dienen lediglich der lokalen Erhöhung des Sicherheitsniveaus.[20][21]
Österreich
In Österreich ist ein Fehlerstrom-Schutzschalter seit 1980 gesetzlich vorgeschrieben. Nach ÖVE E8101-1:2019-01-01 sind Fehlerstrom-Schutzschalter mit einem Nennfehlerstrom von max. 30 mA für alle Stromkreise vorgeschrieben, in denen sich Steckdosen befinden und deren Nennstrom 20 A nicht übersteigt.
Die Verwendung des Typs AC ist nicht generell untersagt. In den meisten Fällen (drohender Schaden bei Stromausfall) muss ein FI-Schalter der Bauart G zum Einsatz kommen, der kurzzeitverzögert und stromstoßfest ist. Eine Vorsicherung mit dem Nennstrom des FI-Schalters ist nur zulässig, wenn dies der Hersteller explizit angibt, ansonsten ist ein 40-A-FI-Schalter beispielsweise mit maximal 25 A abzusichern. Aufgrund dieser Besonderheiten vertreiben mehrere Hersteller österreichspezifische (und deutlich teurere) Varianten ihrer Produkte, die beispielsweise als kurzzeitverzögert, Bauart G, vorsicherungsfest oder mit Nennstrom vorsicherbar bezeichnet werden.
Auf Baustellen ist für alle Steckdosenstromkreise mit einem Nennstrom bis 32 A und in landwirtschaftlichen sowie gartenbaulichen Betriebsstätten (nicht in den angrenzenden Wohnhäusern), in Saunabereichen, in Schwimmbädern, in Schwimmanlagen im Freien, in Experimentierständen in Unterrichtsräumen, in medizinisch genutzten Räumen, in Badezimmern, auf Campingplätzen, auf Bootsanlegestellen und in Wandlampen im Handbereich von Umkleidekabinen unabhängig von deren Nennstrom, ein Zusatzschutz vorzusehen.
Schweiz
In der Schweiz waren bis 2009 laut Niederspannungs-Installations-Norm (NIN) 2005 4.7.2.3.1-8 max. 30 mA vorgeschrieben für Bade- und Duschräume, Steckdosen im Freien, feuchte und nasse Räume, korrosive Umgebungen und explosionsfähige Atmosphären, Baustellen, Messeplätze, Jahrmärkte, Festplätze, elektr. Versuchsanordnungen (jeweils alle Steckdosen ≤ 32 A).
300 mA sind für Installationen in korrosiven Umgebungen, explosions- und feuergefährdeten Räumen sowie in landwirtschaftlichen Betrieben für die gesamte Installation vorgeschrieben, wobei in der Landwirtschaft alle Steckvorrichtungen mit Fehlerstromschutzschaltern 30 mA ausgerüstet sein müssen.
Auf den 1. Januar 2010 trat die neue NIN 2010 in Kraft. Ab sofort muss jede frei zugängliche Steckdose ≤ 32 A mit einem max. 30-mA-FI-Schutzschalter geschützt sein. Ausnahmen sind zum Beispiel: Steckdosen in IT-Anlagen, bei denen die Betriebssicherheit wichtiger ist und der Raum mit Zutrittskontrolle nur von einem instruierten Personenkreis betreten werden kann.
Im Wohnungsbau wird grundsätzlich der Typ A für alle Anwendungen eingesetzt.
Für die Prüfung der zulässigen Abschaltzeit in der Installation gilt für Stromkreise ≤ 32 A 0,4 s. Die Prüfung mit dem halben und dem ganzen Differenzstrom mit einer Auslösezeit von < 0,3 s ist eine reine Geräteprüfung und hat für den Sicherheitsnachweis für Elektroinstallationen (SiNa) keine Bedeutung.
Einsatzbereich

Fehlerstrom-Schutzschalter können in allen Wechselstromsystemen (TN-, TT- sowie IT-System) eingesetzt werden. Im TN-System ist es vorwiegend der Zusatzschutz. Der Fehlerschutz ist bereits durch Überstrom-Schutzeinrichtungen erfüllt. Im TT-System erfüllt der Fehlerstrom-Schutzschalter häufig den Fehlerschutz, da ein Auslösen von Überstrom-Schutzeinrichtungen nicht gewährleistet ist. Im IT-System sollte der Einsatz die Ausnahme sein. Es ist für jedes elektrische Betriebsmittel ein eigener Fehlerstrom-Schutzschalter erforderlich.
Im Neubaubereich spricht heute nichts mehr dagegen, die komplette Stromversorgung abzusichern. Es sind hierzu mindestens 2 RCDs in einen Wohnungsunterverteiler zu installieren, damit nicht die komplette Anlage im Fehlerfall abgeschaltet wird.[22] Das kann unter Umständen hinderlich sein, so dass man die per Fehlerstrom-Schutzschalter geschützten Stromkreise eingrenzen sollte. Bei der Auswahl sind auch Ableitströme elektronischer Verbraucher (z. B. EVG) oder deren mögliche Fehlerstromart (z. B. eingebauter Frequenzumrichter in Waschmaschine)[23] zu beachten.
Abschaltungen durch Fehlerstrom-Schutzschalter können auch durch externe Ereignisse hervorgerufen werden, beispielsweise durch Überspannungsimpulse durch Blitzschläge in Freileitungen. Das kann oft zu unangenehmen Nebenwirkungen führen, wie Abschaltungen von Heizungen oder Kühlanlagen, obwohl kein Fehler in der eigenen Anlage vorliegt. Aus diesem Grund wurden auch Schutzschalter entwickelt, die in kurzem Abstand nach dem Auslösen zwei- bis dreimal selbständig nochmals die Spannung aufschalten. Nur wenn der Fehler weiterhin auftritt, bleiben sie endgültig abgeschaltet. Diese Modelle sind vor allem für ferngesteuerte Anlagen von Interesse, wo kein Personal vor Ort ist, welches den Schutzschalter wieder einschalten könnte.
Prüfen des Fehlerstrom-Schutzschalters


Prüftaste
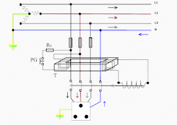
Am Fehlerstrom-Schutzschalter befindet sich eine Prüftaste (T), mit der die Funktion des Gerätes geprüft werden kann. Von einem Außenleiter führt ein Strompfad außerhalb am Summenstromwandler vorbei entweder zum Neutralleiter oder zu einem der anderen beiden Außenleitern, letztere Schaltung ist für die Anwendung bei Dreiphasenanschlüssen. In diesem Strompfad befindet sich die Prüftaste und ein Widerstand, der die Höhe des Differenzstromes bestimmt. Bei Betätigung der Prüftaste wird ein Fehlerstrom simuliert. Der Taster schließt den Strompfad über den Widerstand. Dadurch wird ein Differenzstrom erzeugt, der den Ansprechwert des Fehlerstrom-Schutzschalters übersteigt und den RCD zur Auslösung bringt. Die Funktionsprüfung mittels Prüftaste gibt aber keinen Rückschluss auf den ordnungsgemäßen Zustand des nachgeführten Stromkreises.
Hersteller empfehlen eine mindestens halbjährliche Prüfung durch den Nutzer und folgen damit den Vorgaben der DGUV. Oft wird vorgeschlagen, die Tage der Zeitumstellung als Gedächtnisstütze zu nutzen. In der DGUV Vorschrift 3[24] wird gefordert mindestens alle 6 Monate bei stationären Anlagen, und bei nichtstationären Anlagen (z. B. Baustromverteiler oder fliegenden Bauten) arbeitstäglich die Prüftaste zu betätigen. Den Test darf der „Benutzer“ durchführen, es ist dafür keine Elektrofachkraft nötig. Es wird auf Notwendigkeit der Einhaltung von regelmäßigen Zeitabstände hingewiesen, welche so zu bemessen sind, dass erwartbare Mängel rechtzeitig festgestellt werden. Folglich können gegebenenfalls auch kürzere Zeitabstände zwischen den Prüfungen zur Einhaltung der gesetzlichen Vorgaben (und damit für den vollen Versicherungsschutz) erforderlich sein.
Bei der Erstprüfung, einer Änderung oder Instandsetzung der Anlage ist die Überprüfung obligatorisch.
Bestimmung des Auslösefehlerstroms
Der Auslösefehlerstrom (Ansprechwert des Fehlerstrom-Schutzschalters) muss bei einem rein sinusförmigem Fehlerstrom zwischen 50 % und 100 % des Bemessungsfehlerstroms liegen. In der Praxis beträgt der Wert rund 70 %.Die Grenzwerte der anderen Fehlerstromformen stehen im Abschnitt Auslösebereiche, Fehlerstromformen
Bei den RCD-Messgeräten wird die Art des Fehlermessstromes eingestellt.[25] RCDs sollten mit allen Fehlerstromarten, die sie erkennen können, auch getestet werden. Typ A z. B. auch mit einem rein sinusförmigem Fehlerstrom (Typ AC).
Es sollten auch beiden Phasenwinkel (0° positive Halbwelle / 180° negative Halbwelle) gemessen werden, da es oft erhebliche Abweichungen geben kann.[25]
RCD-Prüfung nach DIN VDE 0100-600 (VDE 0100-600):2017-06
Nach DIN VDE 0100-600 ist die Wirksamkeit der Schutzmaßnahme „Automatische Abschaltung der Stromversorgung“ in der Elektroinstallation einschließlich Ermittlung der Kennwerte des Fehlerstrom-Schutzschalters mit geeigneten Prüfgeräten nach IEC 60364-6 (modifiziert; für Deutschland: DIN VDE 0100-600) nachzuweisen. Dabei sind entsprechende Anforderungen nach DIN VDE 0100-410 einzuhalten.
Die maximale Abschaltzeit nach DIN VDE 0100-410 beträgt für Steckdosenstromkreise bis einschließlich 63 A in TN-Systemen 0,4 s (bei 230 V gegen Erde, im TT-System 0,2 s). In der Praxis liegt dieser Wert bei rund 20–40 ms. Die Abschaltzeit für das Gerät selbst beträgt nach Baunorm (DIN EN 61008-1, VDE 0664-10) bei vollem IΔn 0,3 s, bei 2 · IΔn 0,15 s und bei 5 · IΔn 0,04 s.
Zusätzlich werden die Berührungsspannung sowie der Erdungswiderstand gemessen, diese dürfen in der Norm vorgegebene Werte nicht überschreiten. Die Wirksamkeit der automatischen Abschaltung der Stromversorgung durch Fehlerstrom-Schutzeinrichtungen (RCDs) muss mit geeigneten Messgeräten nach DIN EN 61557-6 (VDE0413-6) geprüft werden. Die Messwerte sind in geeigneten Prüfberichten zu dokumentieren, das kann zum Beispiel ein ZVEH-Prüfprotokoll sein.
RCD-Prüfung Typ A (Schweiz)
Ein Elektrofachmann schaltet den Schalter immer mit der Prüftaste aus. Dann wird ein Strom in der Größe des Nennfehlerstromes simuliert und der Fehlerstromschutzschalter muss gemäß NIN 2010 Kapitel 4.1 innerhalb von 0,4 s auslösen.[26] Es sind kleine Handprüfgeräte und Installationstester auf dem Markt, welche diese Prüfung vom Außenleiter zum Schutzleiter ermöglichen. Die Auslösezeit wird im Sicherheitsnachweis festgehalten, bei einem 30-mA-RCD sind das in der Praxis 20 bis 30 ms. Kurzzeitverzögerte Fehlerstrom-Schutzschalter benötigen 40 bis 100 ms.
Selektive Fehlerstrom-Schutzschalter mit 300 mA für Brand- und Korrosionsschutz lösen bei der Impulsmethode (50 % und 100 % Fehlerstrom) etwa in 200 bis 400 ms aus, die Norm (NIN 6.1.3.9 / EN 61008-1) verlangt 130 bis 500 ms.
Historisches und Entwicklung

Der Fehlerstrom-Schutzschalter wurde bereits 1903 von Schuckert unter der Bezeichnung Summenstromschaltung zur Erdschlusserfassung patentiert (DRP-Nr. 160.069).[27] Kuhlmann beschreibt bei der AEG eine Methode zur Messung der Erdschlussströme im Berliner Netz. Weiterentwickelt wird die Technik, auf der auch heutige Fehlerstrom-Schutzschalter basieren, von Nicholsen (1908, USA-Pat-Nr. 959.787).[28]
Anfang der 1950er Jahre wird nach zahllosen Anregungen und technischen Studien zur grundsätzlichen Anwendbarkeit der Schaltung als Schutzeinrichtung erstmals ein ausgereifter Fehlerstrom-Schutzschalter für den breiten Einsatz beim Stromkunden präsentiert.[29] Belegt ist darin für 1951 ein Fehlerstrom-Schutzschalter der Firma Schutzapparate-Gesellschaft & Co. mbH. KG, Schalksmühle/Westf. (Schupa) mit der Handelsbezeichnung Spinnennetz,[30] der in zwei-, drei- und vierpoliger Ausführung für einen Nennstrom von 25 A und Spannungen bis 380 V bei einem Auslösefehlerstrom von 0,3 A ausgelegt war. Eine geringere Auslöseschwelle wurde diskutiert, jedoch als wirtschaftlich unvernünftig verworfen. Die damals zulässigen Ableitströme bei Wärmegeräten hätten bei einer geringeren Auslöseschwelle auch zu häufigen Fehlauslösungen geführt.
Im Jahr 1957 entwickelte Gottfried Biegelmeier in Österreich bei Felten & Guilleaume einen Fehlerstrom-Schutzschalter. Diese wurden in Österreich im Jahr 1980 in Privathaushalten gesetzlich vorgeschrieben, wobei die Auslösestromstärke schrittweise von ursprünglich 100 mA auf 70, 65 und 30 mA herabgesetzt wurde. Seit Anfang 1985 gilt dies mit dem Inkrafttreten der Vorschrift SEV 1000-1.1985 auch in der Schweiz.
Ähnliche Einrichtungen
- Schutzleitungssystem – Eine Isolationsprüfeinrichtung in speziellen Einrichtungen
- PRCD – Eine mobile Fehlerstrom-Schutzeinrichtung, die in die Zuleitung von Geräten geschaltet wird
- Residual Current Monitor (RCM) – Einrichtung zur Überwachung und Anzeige von Fehler-/Differenzströmen
- Fehlerlichtbogen-Schutzeinrichtung – Eine Einrichtung, die Störlichtbögen gegen Erde oder zwischen Leitern erkennt und abschaltet, wird auch in Kombination mit Fehlerstrom-Schutzschaltern hergestellt
Normen
- DIN EN 61008-1 (VDE 0664-10):2015-11 Fehlerstrom-/Differenzstrom-Schutzschalter ohne eingebauten Überstromschutz (RCCBs) für Hausinstallationen und für ähnliche Anwendungen – Teil 1: Allgemeine Anforderungen
- DIN EN 61009-1 (VDE 0664-20):2015-11 Fehlerstrom-/Differenzstrom-Schutzschalter mit eingebautem Überstromschutz (RCBOs) für Hausinstallationen und für ähnliche Anwendungen - Teil 1: Allgemeine Anforderungen
- DIN EN 62423 (VDE 0664-40):2013-08 Fehlerstrom-/Differenzstrom-Schutzschalter Typ F und Typ B mit und ohne eingebautem Überstromschutz für Hausinstallationen und für ähnliche Anwendungen
- DIN VDE 0100-100:2009-06 Errichten von Niederspannungsanlagen – Teil 1: Allgemeine Grundsätze, Bestimmungen allgemeiner Merkmale, Begriffe
- DIN VDE 0100-410:2018-10 Errichten von Niederspannungsanlagen – Teil 4-41: Schutzmaßnahmen – Schutz gegen elektrischen Schlag
- DIN VDE 0100-530:2018-06 Errichten von Niederspannungsanlagen – Teil 530: Auswahl und Errichtung elektrischer Betriebsmittel – Schalt- und Steuergeräte
- DIN VDE 0100-600:2017-06 Errichten von Niederspannungsanlagen – Teil 6: Prüfungen
- DIN VDE 0100-701:2008-10 Errichten von Niederspannungsanlagen – Teil 7-701: Anforderungen für Betriebsstätten, Räume und Anlagen besonderer Art – Räume mit Badewanne oder Dusche
- DIN VDE 0100-705:2007-10 Errichten von Niederspannungsanlagen – Teil 7-705: Anforderungen für Betriebsstätten, Räume und Anlagen besonderer Art – Elektrische Anlagen von landwirtschaftlichen und gartenbaulichen Betriebsstätten
- DIN EN 61557-6 (VDE 0413-6):2008-05 Elektrische Sicherheit in Niederspannungsnetzen bis AC 1 000 V und DC 1 500 V – Geräte zum Prüfen, Messen oder Überwachen von Schutzmaßnahmen - Teil 6: Wirksamkeit von Fehlerstrom-Schutzeinrichtungen (RCD) in TT-, TN- und IT-Systemen
- ÖVE E8001-1/A1:2013-11-01 Errichtung von elektrischen Anlagen mit Nennspannungen bis AC 1000 V und DC 1500 V, Teil 1: Begriffe und Schutz gegen elektrischen Schlag (Schutzmaßnahmen)
- [Schweizerische] Niederspannungs-Installations-Norm NIN2005 4.7.2.3 / 4.1.2.5.
Literatur
- Dieter Müller, Wolfgang Winkler: Elektro-Installationen planen und kalkulieren. 2. Aufl., Vogel, Würzburg 2006, ISBN 978-3-8343-3054-3, Kap. 3.10 „Funktion, Auswahl und Einsatz von Fehlerstromschutzeinrichtungen (RCDs)“: S. 302–308.
- A. Senner: Fachkunde Elektrotechnik. 4. Auflage. Verlag Europa – Lehrmittel, 1965.
- Ernst Hörnemann, Heinrich Hübscher: Elektrotechnik Fachbildung Industrieelektronik. 1. Auflage. Westermann Schulbuchverlag, Braunschweig 1998, ISBN 3-14-221730-4.
- Günter Springer: Fachkunde Elektrotechnik. 18. Auflage. Verlag Europa – Lehrmittel, Wuppertal 1989, ISBN 3-8085-3018-9.
- M. Kampler, H. Nienhaus, D. Vogt: Prüfung vor Inbetriebnahme von Niederspannungsanlagen (= VDE Schriftenreihe. Nr. 63). 3. Auflage. VDE Verlag, Berlin / Offenbach 2008, ISBN 978-3-8007-3112-1, S. 127 ff.
Weblinks
- Simple Darstellung der Funktionsweise eines Fehlerstromschutzschalters
- Fehlerstrom-Schutzeinrichtungen – Technik-Fibel., Ausgabe 09/2024 (PDF; 4,3 MB) Siemens
- Technisches Handbuch – Grundlagen Schutz. (PDF; 1,2 MB) Hager Schweiz
- Gesamtprospekt RCCB. (PDF; 1,7 MB) Doepke
Einzelnachweise
- ↑ IEC 60050: 442-05-02 "Fehlerstrom-Schutzeinrichtung". In: Internationales Elektrotechnisches Wörterbuch. DKE, abgerufen am 6. Februar 2017.
- ↑ Netzikon
- ↑ Fehlerstrom-Schutzeinrichtungen (RCDs). Festlegung einer einheitlichen Benennung durch das Komitee K 221. DKE VDE, 6. November 2008, archiviert vom (nicht mehr online verfügbar) am 3. September 2012; abgerufen am 17. Juli 2012.
- ↑ Störungsarme Elektroinstallation. (PDF; 367 kB) Richtlinien zur Schadensverhütung. In: VDS 2349. VdS Verlag, Februar 2000, archiviert vom (nicht mehr online verfügbar) am 25. März 2012; abgerufen am 3. Mai 2012.
- ↑ Katharina Wille: Grundlagen Elektrotechnik: FI-Schalter. (PDF; 4,4 MB) Hager e-volution, 27. Oktober 2021, S. 16, abgerufen am 12. Dezember 2021.
- ↑ Doepke: Doepke Allstromfibel. März 2022, S. 38 ff. (doepke.de [PDF; abgerufen am 19. Juli 2024]).
- ↑ VDE 0160; EN 50178 Kap 5.2.11.
- ↑ https://www.vacuumschmelze.de/fileadmin/docroot/medialib/documents/produkte/kb/FIKerne_dt.pdf Ringbandkerne für FI-Schutzschalter, Firmenschrift der VACUUMSCHMELZE GmbH & Co. KG, abgerufen am 29. Okt. 2018
- ↑ Günter Grünebast: Ausnahmen für RCD-Einsatz des Typs AC? – DIN VDE 0100-530, DIN VDE 0100-410. (PDF; 423 kB) In: elektro.net. Hüthig GmbH, 24. Februar 2020, S. 2, abgerufen am 11. Dezember 2021.
- ↑ Typenvielfalt von Fehlerstrom-Schutzeinrichtungen (RCD). 10. Mai 2020, abgerufen am 12. Juli 2021.
- ↑ Paul Heymann (Hrsg.): Fachkunde Elektroberufe. Bildungsverlag EINS, Torisdorf 2009, ISBN 978-3-8242-4290-0.
- ↑ Günter Grünebast: Tatsächliche Belastbarkeit von RCDs. (PDF) In: Praxisprobleme. www.elektro.net, abgerufen am 3. August 2016.
- ↑ nach DIN VDE 0100-530 (VDE 0100-530): 2011-06
- ↑ Doepke - „Trotz Blitz“ – Strom auch bei Gewitter sicher nutzen. Abgerufen am 7. März 2023.
- ↑ Auswahl und Betrieb elektrischer Anlagen und Betriebsmittel auf Bau- und Montagestellen. Berufsgenossenschaftliche Informationen für Sicherheit und Gesundheit bei der Arbeit. BGI 608.
- ↑ Western Automation – Research & Development, abgerufen am 23. Juli 2010.
- ↑ In der Regel besteht für Altanlagen ein Bestandsschutz. Altanlagen sind Anlagen, die zum Zeitpunkt ihrer Errichtung den damals geltenden Vorschriften genügten.
- ↑ Ein Endstromkreis ist ein Stromkreis, an dem unmittelbar Stromverbrauchsmittel oder Steckdosen angeschlossen sind. (PDF; 129 kB) Begriffserläuterungen; Landesumweltamt Nordrhein-Westfalen; abgerufen am 1. März 2012.
- ↑ Werner Hörmann, Bernd Schröder, Burkhard Schulze: VDE Schriftenreihe 67a; „Errichten von Niederspannungsanlagen in Räumen mit Badewanne oder Dusche“, Kommentar der DIN VDE 0100-701:2008-10. 3. Auflage. VDE Verlag GmbH, Berlin und Offenbach 2010, ISBN 978-3-8007-3134-3, S. 189 ff.
- ↑ Neufassung der Errichtungsbestimmung DIN VDE 0100-530 und deren Auswirkungen auf Fehlerstrom-Schutzeinrichtungen (RCDs) in Baueinheit mit einer Steckdose
- ↑ Typen und Einteilung von Fehlerstrom-Schutzeinrichtungen
- ↑ Laut DIN 18015-2 (gilt für Wohnungsanlagen in Deutschland) ist die Zuordnung zu Fehlerstrom-Schutzschaltern so vorzunehmen, dass das Abschalten eines Fehlerstrom-Schutzschalters nicht zum Ausfall aller Stromkreise führt.
- ↑ Schrack: PDF ( vom 9. März 2016 im Internet Archive), abgerufen am 31. Januar 2012.
- ↑ DGUV Vorschrift 3: Elektrische Anlagen und Betriebsmittel. (PDF; 191 kB) Unfallverhütungsvorschrift. Deutsche Gesetzliche Unfallversicherung e. V., November 2012, abgerufen am 11. August 2022 (darin § 5: Prüfungen).
- ↑ a b Fluke: "1662/1663/1664 FC Bedienungsanleitung". (PDF) Abgerufen am 11. Dezember 2022.
- ↑ David Keller, Pius Nauer: NIN-Know-how 67. (PDF; 262 kB) Fragen und Antworten zu NIN. In: Elektrotechnik 5/11. AZ Fachverlage AG, archiviert vom (nicht mehr online verfügbar) am 12. März 2014; abgerufen am 9. Mai 2012.
- ↑ Walter Schossig: Geschichte der Schutz- und Leittechnik. Vortrag anlässlich des Internationalen ETG-Kongresses 2001 in Nürnberg.
- ↑ Walter Schossig: Die Geschichte der Elektrizität ( vom 13. Dezember 2017 im Internet Archive) (PDF; 227 kB). In: VDI-Nachrichten. 1/2008. (S. 22 ff.).
- ↑ H. F. Schwenkhagen: Die Fehlerstrom-Schutzschaltung, eine neue Form der Schutzerdung. In: Elektro-Anzeiger Zeitschrift für die gesamte Elektro- und Rundfunkwirtschaft. Ausgabe 51/52 vom 29. Dezember 1951, (S. 488 ff.).
- ↑ Deutsches Markenregister Nr. 730393, abgerufen am 7. Oktober 2013.