Frequenzweiche (Lautsprecher)
Eine Frequenzweiche teilt ein Audiosignal auf mehrere Lautsprecher in Abhängigkeit von der Tonhöhe (Frequenz) auf. Hochwertige Lautsprecher wie Hochtonlautsprecher und Tieftonlautsprecher sind konstruktiv bedingt nur für einen engen Frequenzbereich optimiert. Die Kombination mehrerer unterschiedlicher Lautsprechertypen in Lautsprecherboxen für verschiedene Frequenzbereiche benötigt entsprechende Frequenzweichen.

Allgemeines
Da die meisten Lautsprecher den für den Menschen hörbaren Frequenzbereich von ca. 20 Hz bis ca. 16 kHz nur abdecken können, indem sie unterschiedliche Treiber für Tief-/Mittel- und Hochton nutzen, werden die wiederzugebenden Signale vor oder nach dem Audioverstärker mithilfe einer Frequenzweiche in verschiedene Frequenzbereiche aufgesplittet. Diese Teilfrequenzbänder werden dann über die auf die jeweiligen Frequenzbänder optimierten Lautsprecherchassis wie Hochtonlautsprecher und Tieftonlautsprecher ausgegeben. Im Gegensatz hierzu kommen Breitbandlautsprecher ohne Frequenzweiche aus, erfordern aber auch oft aktive Entzerrung oder spezielle Lautsprechergehäuse wie zum Beispiel Hörner. Dies kann sinnvoll sein, da eine Frequenzweiche immer auch den Klang beeinflusst und für optimale räumliche Abbildung eine Punktschallquelle angestrebt wird. Diese kann auch mit Koaxiallautsprechern realisiert werden, welche wiederum eine Frequenzweiche benötigen.
Die Frequenzweiche stellt im Aufbau im Wesentlichen eine Kombination von Hoch- und Tiefpassfiltern dar und besteht im einfachsten Fall aus Kondensatoren und Spulen. Kondensatoren lassen höhere Frequenzen passieren und sperren niedrige Frequenzanteile, bei Spulen ist es genau umgekehrt. Durch entsprechende Kombination dieser Eigenschaften, bei Bedarf in Kombination mit Widerständen zur Dämpfung, lassen sich damit die nötigen Filterfunktionen bilden.
Neben der Filterfunktion dient die Frequenzweiche auch der Linearisierung des Frequenzganges, dazu ist die Frequenzweiche an die Eigenschaften des Lautsprechers angepasst. Zusätzlich kann in manchen erweiterten Frequenzweichen eine Pegelanpassung an die Lautsprecher vorgenommen werden, kombiniert mit Schutzfunktionen wie einem Überlastschutz durch Limiter (Begrenzer) oder in Form von Kaltleitern, die bei Erwärmung ihren Widerstand erhöhen und so die Leistungsabgabe an die Lautsprecher begrenzen.
Ausführungsformen

Frequenzweichen können in folgenden grundlegenden Varianten realisiert werden:
- Analoge Passivweiche: Besteht nur aus passiven elektronischen Bauelementen wie Kondensatoren, Spulen und Widerständen. Es erfolgt keine Verstärkung, die Frequenzweiche benötigt keine zusätzliche Versorgung. In der Praxis sind Filter mit Filterordnungen von 1. bis 4. üblich.
- Analoge Aktivweiche: Zusätzlich kommen aktive Bauelemente wie Transistoren oder Operationsverstärker zur Anwendung. Frequenzweichen dieses Typs benötigen eine Versorgung der aktiven Bauelemente, die Filterordnungen sind üblicherweise zwischen 2. und 8. Ordnung.
- Digitale Weiche: Es wird dabei die Filterfunktion in Form eines digitalen Filters in digitalen Signalprozessoren (DSP) realisiert. Als Schnittstelle kommen Analog-Digital- und Digital-Analog-Umsetzer zur Anwendung, neben entsprechenden Verstärkerstufen. Diese im Regelfall im Aufbau deutlich komplizierteren Frequenzweichen – es lassen sich damit auch sehr hohe Filterordnungen realisieren – benötigen ebenfalls eine entsprechende Stromversorgung für den Betrieb.
In der Praxis lassen sich aus diesen drei Grundformen auch verschiedenartige Kombinationen bilden. Beispielsweise kann die Entzerrfunktion durch aktive analoge Schaltungsteile vorgenommen werden, die eigentliche Frequenzweiche ist jedoch rein analog-passiv im Aufbau gestaltet.
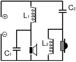
Analoge Passivweiche

Passivweichen werden in der Regel nach der letzten Verstärkerstufe und unmittelbar vor dem Lautsprecher eingesetzt, und in vielen Fällen auch mit in die Lautsprechergehäuse integriert. Durch die Anpassung des Frequenzganges an den Lautsprecher, mit verlustbehafteten und passiven Bauteilen, wird ein Teil der zugeführten elektrischen Energie in Wärme umgewandelt. Eine Entzerrung des Tieftonweges ist daher meist nicht möglich, da der Ausgangsverstärker zu stark belastet werden würde. Aufgrund der Leistungen sind die nötigen Bauelemente entsprechend groß dimensioniert, dies gilt besonders für die Spulen.
Der Hauptvorteil von Passivweichen besteht darin, dass ein einzelner Leistungsverstärker zum Betrieb eines Lautsprechers ausreicht und die Frequenzweiche keine zusätzliche Stromversorgung benötigt.

Die nebenstehende Abbildung zeigt eine einfachere Filterschaltung einer Zweiwegeweiche mit Hoch- und Tiefpässen 2. Ordnung. Ab Filtern mit 2. Ordnung aufwärts kann die Filtergüte durch die Wahl der Bauelementwerte relativ zueinander beeinflusst werden. Dieser Umstand äußert sich in einem unterschiedlichen elektrischen Amplituden- und Phasengang im Bereich der Filtereckfrequenz.
Statt der aufwändiger zu realisierenden Bandpassfilter kommen bei nur zwei Ausgangsstufen auch einfacher zu realisierende Tiefpassfilter für den Tieftonlautsprecher und ein Hochpassfilter für den Hochtonlautsprecher zur Anwendung.
Analoge Aktivweiche

Aktivweichen besitzen in den Filterstufen elektronische Verstärker mit Bauelementen wie Operationsverstärkern und Transistoren. Die Verstärker der Endstufe zu den Lautsprechern sind dann der Frequenzweiche nachgeschaltet. Damit kann die Frequenzweiche und die Filterstufe mit kleineren Bauelementen realisiert werden. Der Nachteil der passiven Weichenschaltung, wie unzureichende Entzerrung des Tieftonweges, kann so vermieden werden. Auch lässt sich so eine Überlastüberwachung in den einzelnen Ausgangsstufen leichter realisieren.
Nachteilig ist, dass pro Ausgangsstufe ein eigener Verstärker notwendig ist, samt einer zusätzlichen Stromversorgung.
Digitale Weiche

In digitalen Weichen werden die eigentlichen Filterfunktionen in einem digitalen Signalprozessor in Form von digitalen Filtern zur Frequenzaufteilung, zur Entzerrung und Laufzeitkorrektur der Signale vorgenommen. Hierzu wird das zugeführte Eingangssignal, sofern es nicht bereits digital ist, mittels Analog-Digital-Wandler (ADC) digitalisiert. Digitale Weichen sind immer Aktivweichen und benötigen eine eigene Stromversorgung.
Für jeden Frequenzbereich ist ein eigener Ausgang mit Digital-Analog-Wandler (DAC) und – wie auch bei der analogen Aktivweiche – nachgeschalteter Verstärkerstufe nötig.
Dem erhöhten Aufwand in Form zusätzlicher A/D- und D/A-Wandler sowie gegenüber der Passivweiche zusätzlicher Endstufen stehen als Vorteil die erweiterten Möglichkeiten gegenüber, die sich durch die digitale Signalverarbeitung ergeben. Dazu zählen komplexere, stabile und reproduzierbare Filterfunktionen sowie die Möglichkeit, diese Funktionen jederzeit – auch im laufenden Betrieb – ohne physischen Eingriff weitgehend frei anpassen zu können.
Zusätzlich können bei digitalen Weichen Schnittstellen für Fernbedienungen oder Statusanzeigen vorhanden sein. In der professionellen Audiotechnik nennt man diese Weichen auch „System-Controller-DSPs“ oder „Loudspeaker Management System“. Sie werden im Regelfall zwischen Mischpult und den Leistungsverstärker (Endstufe) geschaltet.
Literatur
- Götz Schwamkrug: Lautsprecherboxen: Aufbau – Nachbau – Umbau. 2. Auflage. Elektor-Verlag, Aachen 1989, ISBN 3-921608-83-X.
- Wolfgang-Josef Tenbusch: Grundlagen der Lautsprecher. 1. Auflage. Michael E. Brieden Verlag, Oberhausen 1989, ISBN 3-9801851-0-9.
- Berndt Stark: Lautsprecher-Handbuch. 8. Auflage. Richard Pflaum Verlag GmbH & Co.KG, München 2004, ISBN 3-7905-0904-3.