Impulsgenerator (Elektronik)
Ein Impulsgenerator ist in der Elektronik ein spezieller Typ von Signalgenerator, der entweder einmalig als Impuls oder wiederholt als Puls mit definierter Form und Dauer abgibt. Je nach Impulsgeneratortyp können rechteckförmige Pulse erzeugt werden, dies ist bei einem Rechteckgenerator der Fall, als auch Pulse verschiedenartigen Verlaufs in sogenannten englisch Arbitrary-Wave-Generatoren.
Aufbau


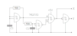
Die Schaltung im nebenstehenden Bild zeigt eine einfache Art, sehr kurze Impulse mit vorgegebener Dauer und Wiederholfrequenz herzustellen. Der Oszillator ist ein Kippschwinger, der eine Rechteckspannung (Spannungsverlauf A) erzeugt. Die Periodendauer T lässt sich annähernd mit der angepassten Größengleichung
- T ≈ 0,7· C1· 500 Ω
berechnen. Für eine Frequenz von 20 kHz benötigt man somit C1 = 150 nF.
Diese Rechteckspannung wird auf einem Weg direkt (Signal A) zu einem NAND-Gatter geführt und auf einem anderen Weg verzögert und invertiert (Signal B) zum anderen Eingang des NAND-Gatters. Ohne Verzögerung würde die Ausgangsspannung des invertierenden NAND-Gatters stets +5 V betragen. Wegen der kurzen Verzögerung durch das RC-Glied und der Laufzeit des invertierenden Und-Gatters treten jedoch sehr kurze Zeiten von einigen Nanosekunden auf, während derer das Signal A schon auf +5 V ist und das Signal B noch nicht 0 V erreicht hat. Während dieser Zeit beträgt die Ausgangsspannung X kurzzeitig 0 V. Falls umgekehrte Polarität gewünscht wird, kann ein weiterer Inverter verwendet werden, um den Signalverlauf X umzukehren. Die Spannung Y ist dann fast ständig auf 0 V und springt kurzzeitig auf +5 V.
Mit dem Kondensator C2 kann man die Dauer der erzeugten Impulse festlegen. Es gilt der Zusammenhang
Der letzte Summand ist die Signallaufzeit zwischen Ein- und Ausgang des Logikgatters und kann dem Datenblatt entnommen werden. Wenn C2 = 22 pF gewählt wird, dauert jeder Impuls 23 ns. Verwendet man Gatter schnellerer Logikfamilien wie Advanced-TTL, so lassen sich kürzere Impulsdauern erzielen.
Eine Frequenzverdopplung von Rechteckschwingungen im Frequenzbereich bis zu einigen 100 MHz kann man mit einem Exklusiv-Oder-Gatter erzielen, wenn man einen Eingang unmittelbar und den anderen mit einem geringfügig verzögerten Signal (RC-Glied) speist. Die entstehenden Nadelimpulse sind phasengebunden und etwa so kurz wie die Zeitkonstante des RC-Gliedes. Da dieses Verfahren keine Resonanzfilter verwendet, kann das Eingangssignal beliebige Tastverhältnisse besitzen bzw. stark frequenzmoduliert sein.
Eine weitere Impulsschaltung ist das Monoflop; es erzeugt bei Triggerung nur einen einzigen Impuls. Durch Zusammenschaltung zweier Monoflops lassen sich Impulsfolgen mit einstellbarem Verhältnis zwischen Pulsdauer und Pause herstellen.
Elektronische Impulsgeneratoren in Geräteform werden zu Mess- und Prüfzwecken eingesetzt, üblicherweise als Teil von Funktionsgeneratoren. Einfache Geräte können nur Einzelpulse oder Pulsfolgen mit einem 5-V-Pegel (TTL-Signale) erzeugen. Arbitrary-Wave-Generatoren erlauben es darüber hinaus, auch jede von der Rechteckform abweichende Impulsform zu entwerfen und periodisch in schneller Impulsfolge zu generieren.
Literatur
- Ulrich Tietze, Christoph Schenk: Halbleiter-Schaltungstechnik. 12. Auflage. Springer, 2002, ISBN 3-540-42849-6.