Jan Ernst Matzeliger

Jan Ernst Matzeliger (* 15. September 1852 auf der Plantage Twijfelachtig am Cottica in Suriname; † 24. August 1889 in Lynn, Massachusetts) war ein Erfinder.
Leben
Matzeliger[1] wurde noch während der Sklaverei als Sohn des deutschstämmigen Ernst Carel Martzilger jr. (1823–1864) und der Sklavin Aletta auf der Kaffeeplantage Twijfelachtig am Cottica-Fluss geboren. Als Kind einer Sklavin wurde man automatisch ebenfalls in Sklaverei geboren. Sein Vater war zu diesem Zeitpunkt Eigentümer dieser Plantage, die er im Jahre 1854 an seinen Schwager Alexander Christie verkaufte. Im Jahre 1862, ein Jahr vor Abschaffung der Sklaverei in der niederländischen Kolonie Suriname, erwirkte die Schwester von Ernst Carel Martzilger jr., Maria Jacoba Henriette Martzilger verwitwete Christie (1827–1890) die Freilassung (manumissio) ihres Neffen. Mit dem Freikauf erhielt er den Namen Jan Ernst Martzilger. Jan Ernst kam bereits einige Jahre nach seiner Geburt von der Plantage Twijfelachtig in den Haushalt seiner Tante nach Paramaribo.
Kurz nach dem Freikauf begann er eine technische Ausbildung als Werkzeugmacher beim Dienst für koloniale Fahrzeuge in Paramaribo.
Vereinigte Staaten

Jan Ernst Martzilger verließ im Jahre 1871 sein Geburtsland und heuerte als Matrose auf einem Frachtschiff an. Drei Jahre später musterte er in den Vereinigten Staaten ab und begann in Baltimore eine Ausbildung als Schuhmacher. Via New York City und Boston und nach diversen Arbeitsplätzen kam er 1877 nach Lynn in Massachusetts. Lynn war das Zentrum der amerikanischen Schuhindustrie und er wurde hier Assistent von einem kleinen Schuhfabrikanten. Ein Jahr später ließ sich der ambitionierte Immigrant einbürgern und er wurde unter dem Nachnamen Matzeliger amerikanischer Staatsbürger.
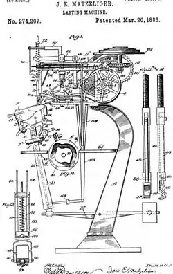
In Lynn begann er mit der Entwicklung eines Prototyps zur Mechanisierung der Arbeitsabläufe in der Schuhfabrik und im Jahre 1882 präsentierte er den funktionierenden Prototyp einer speziellen Schuh-Nähmaschine, die Schuhschäfte- und Sohlen miteinander verband. Durch diese Zwickmaschine wurde die Herstellung von Schuhen mechanisiert und sie konnten dadurch wesentlich kostengünstiger und schneller produziert werden. Am 20. März 1883 ließ sich Matzeliger diese Maschine patentieren und er gilt damit als deren Erfinder.
Jan Ernst Matzeliger starb drei Wochen vor seinem 37. Geburtstag in Lynn an Tuberkulose.
Ehrungen
Die Stadt Lynn benannte im Jahre 1984 eine Brücke zu Ehren des Erfinders und die US-Post gab zur Erinnerung an Matzeliger am 15. September 1991 eine Sondermarke heraus.