Kernkraftwerk Greifswald
| Kernkraftwerk Greifswald | ||
|---|---|---|
![]() | ||
| Lage | ||
| ||
| Koordinaten | 54° 8′ 26″ N, 13° 39′ 52″ O | |
| Land | ||
| Daten | ||
| Eigentümer | Entsorgungswerke für Nuklearanlagen | |
| Betreiber | Entsorgungswerke für Nuklearanlagen | |
| Projektbeginn | 1967 | |
| Kommerzieller Betrieb | 12. Juli 1974 | |
| Stilllegung | 22. Juli 1990 | |
|
Stillgelegte Reaktoren (Brutto) |
5 (2200 MW) | |
|
Bau eingestellt (Brutto) |
3 (1320 MW) | |
| Eingespeiste Energie im Jahr 1989 | 10.678 GWh | |
| Eingespeiste Energie seit Inbetriebnahme | 134.212 GWh | |
| Die Datenquelle der jeweiligen Einträge findet sich in der Dokumentation. | ||
Das stillgelegte Kernkraftwerk Greifswald (genauer: Kernkraftwerk Lubmin, auch: Kernkraftwerk Nord) befand sich auf dem Gemeindegebiet des Seebads Lubmin bei Greifswald und war das größere der beiden betriebenen Kernkraftwerke der DDR. Das Kraftwerk hieß offiziell VEB Kernkraftwerk „Bruno Leuschner“ Greifswald und war Stammbetrieb des VE Kombinat Kernkraftwerke „Bruno Leuschner“ Greifswald. Das Kraftwerk wurde ab 1974 schrittweise in Betrieb genommen, 1990 abgeschaltet, im Jahr 1995 endgültig stillgelegt und befindet sich seitdem im Abriss. Heutiger Eigentümer und Betreiber sind die Entsorgungswerke für Nuklearanlagen, die auch das benachbarte Zwischenlager Nord betreiben.
Geschichte


Errichtung des KKWs (Block 1 bis 4)
Noch vor Fertigstellung und Inbetriebnahme des ersten kommerziellen 70-MW-Versuchsreaktors Rheinsberg der DDR im Jahr 1966 wurde am 14. Juli 1965 ein Regierungsabkommen zwischen der DDR und der UdSSR zum Bau eines zweiten Kernkraftwerks mit ca. 2000 MW elektrischer Leistung auf dem Gebiet der DDR sowie Lieferung der Kernkomponenten dafür aus der UdSSR geschlossen.[1][2]
Im Rahmen eines Standort-Auswahlverfahrens wurde Lubmin in der Nähe von Greifswald favorisiert. Gründe dafür waren die durch die Ostsee ganzjährig ausreichende Kühlwasserbereitstellung, der geringe landwirtschaftliche Nutzwert der Flächen und die geringe Siedlungsdichte, die die Auswirkungen eines Störfalls reduzieren sollten. Dagegen sprach die große Entfernung des Nordens der DDR von den Stromverbrauchszentren im Süden und die daraus resultierenden höheren Übertragungsverluste.[2]
1967 begann die Erschließung des Standorts und ab 1969 der eigentliche Bau an vier Reaktorblöcken des Typs WWER-440/230, Hauptauftragnehmer war der VEB BMK Kohle und Energie. Der Bau der ersten vier Blöcke erfolgte im international üblichen Zeitrahmen, wobei auf der 14. Tagung des Zentralkomitees der SED vom 9. bis zum 11. Dezember 1970 kritisiert wurde, dass die Kosten des Projektes um das Doppelte gegenüber der Bilanzierung lagen.[3] Der kommerzielle Leistungsbetrieb begann 1974 in Block 1, 1975 in Block 2, 1978 in Block 3 und 1979 in Block 4. Ab da deckten die ersten vier Blöcke ca. 10 % des Strombedarfs der DDR.[2] Beim verwendeten Bautyp WWER (auch VVER aufgrund der englischen Transliteration) handelt es sich um einen Wasser gekühlten Wasser moderierten Energie-Reaktor, dessen Funktionsweise grundsätzlich analog zu „westlichen“ Leichtwasserreaktoren ist.
Erweiterung um vier weitere Blöcke (Block 5 bis 8)
Mitte der 1970er Jahre wurde der Beschluss zur Erweiterung des Kernkraftwerks um weitere vier Blöcke mit einer Nettoleistung von 408 MW getroffen, die nach 1980 in Betrieb gehen sollten[4]. In den Blöcken 5 bis 8 sollte der unter Sicherheitsaspekten deutlich verbesserte Reaktortyp WWER-440/213 zum Einsatz kommen, der z. B. über mehrere redundante Hauptkühlleitungen, ein überarbeitetes Notkühlsystem mit zumindest theoretischer Beherrschung großer Kühlmittelverluste sowie eine Nasskondensation verfügt und heute noch in mehreren Ländern des ehemaligen Rats für gegenseitige Wirtschaftshilfe betrieben wird.
Der Bau der neuen Blöcke verzögerte sich infolge von Lieferverzögerungen seitens der sowjetischen Schwerindustrie sowie Qualitätsmängeln an den gelieferten sowie auch in der DDR gefertigten Komponenten deutlich[5][6]. Nach eindringlichen Beschwerden in Moskau über die Nichteinhaltung der Lieferverträge wurde die DDR-Führung vom Ministerium für Atomwirtschaft darauf hingewiesen, dass dieses „unter den neuen Bedingungen der Wirtschaftsleitung in der UdSSR keine zwingenden Möglichkeiten hat, die mit den zweiseitigen Regierungsabkommen über die Errichtung von Kernkraftwerken in der DDR eingegangenen Verpflichtungen gegenüber den sowjetischen Vereinigungen und Betrieben durchzusetzen.“[6]
Block 5 nahm erst deutlich verspätet 1989 den Probebetrieb auf, Block 6 wurde 1990 fertiggestellt, aber nicht mehr mit Brennelementen beladen.
Rolle im Winter 1978/79
Während der Schneekatastrophe 1978/1979 war das Kernkraftwerk Greifswald das einzige große Kraftwerk der DDR, das Strom mit voller Leistung lieferte. Das Personal wurde in diesen Tagen aufgrund unpassierbarer Straßen teilweise mit Armeehubschraubern zur Arbeit gebracht oder von dort abgeholt. Viele Braunkohlekraftwerke liefen mit verminderter Leistung oder fielen aus, da sie oft nur geringe Vorräte hatten, die hoch wasserhaltige Kohle auf dem Transportweg festfror oder die Transportzüge aufgrund vereister Oberleitungen und Gleisanlagen gar nicht bis zu den Kraftwerken gelangten.[7][8][9][10]
Nachdem ab dem 13. Februar 1979 erneut Schneestürme mit bis zu 25 m/s über den Norden der DDR zogen und die Straßen sowie die Bahnlinie zum Kraftwerk unpassierbar machten, war es von der Außenwelt abgeschnitten. Die gerade anwesende, etwa 1000-köpfige Nachtschicht, die am Morgen des 14. Februar abgelöst werden sollte, arbeitete unter Schichtleiter Manfred Haferburg über 50 Stunden bis zur Erschöpfung durch, ehe am 16. Februar, immer noch im Schneetreiben, die erste Ablösung mit Armeehubschraubern, in denen pro Flug 12 Passagiere befördert werden konnten, eingeflogen werden konnte. Um Landeplätze auf einem Werksparkplatz zu schaffen, wurden die dort stehenden Lichtmasten umgerissen. Der Schichtleiter verließ das Werk mit dem letzten Hubschrauber nach einem 70 Stunden-Dienst.[11]
Bau der Fernwärme-Trasse
1982 wurde mit dem Bau einer Fernwärmeauskopplung begonnen. Ab 1983 und 1984 konnten jeweils 75 MW Fernwärme aus den Blöcken 1, 2, 3 und 4 ausgekoppelt und damit ca. 14.000 Wohnungen sowie einige Industriebetriebe versorgt werden.[2]
Verschleppung von Instandhaltungsmaßnahmen Ende der 1980er Jahre
Die WWER-440/230-Reaktoren der Blöcke 1 bis 4 entsprachen mit ihrer Konzeption aus den späten 1960er Jahren unter einer Reihe von Sicherheitsaspekten nicht den in den 1980er Jahren üblichen Standards. Neben grundsätzlichen konzeptuellen Schwächen wurde vom Staatlichen Amt für Atomsicherheit und Strahlenschutz der DDR insbesondere die zunehmende Versprödung der Reaktordruckbehälter in den Blöcken 1 bis 4 (siehe Abschnitt weiter unten) mit großer Sorge beobachtet. Im Rahmen einer großangelegten Rekonstruktion der Blöcke 1 bis 4 sollte eine Annäherung an das international übliche Sicherheitsniveau sowie ein zuverlässiger Betrieb für die verbleibende Laufzeit der Reaktoren erreicht und sichergestellt werden. Das Projekt kam jedoch wegen fehlender Kooperation der sowjetischen Stellen zunächst nicht voran.[6] Im Laufe der 1980er Jahre verschlechterte sich der Zustand der Anlage so sehr, dass die Aufsichtsbehörde im Mai 1987 für Block 1 eine sofortige Rekonstruktion forderte, da der Betrieb sonst sicherheitstechnisch nicht vertretbar sei:
„[…] [die zunehmende Versprödung der Schweißnähte], die zum Bruch des Reaktordruckgefäßes und damit zu einem katastrophalen, nicht beherrschbaren Störfall führen kann, bei dem große Freisetzungen von Radionukliden in die Umwelt erfolgen. […] Die SKG weist mit Nachdruck darauf hin, daß die Wiederinbetriebnahme von Block 1 des KKW „Bruno Leuschner“ Greifswald nach Abschluß der Kampagne 1986/87 ohne Realisierung der vorgesehenen Rekonstruktionsmaßnahmen sicherheitstechnisch nicht vertretbar ist.“[6]
Vor dem Hintergrund der sich verschärfenden Energiekrise der DDR schob das Politbüro am 30. Juni 1987 die Modernisierungsmaßnahmen für das Kernkraftwerk Greifswald auf. Der Reaktorblock 1 wurde entgegen den Forderungen der Sicherheitsbehörde wieder angefahren. Zumindest die thermische Behandlung des Reaktordruckbehälters zum Ausheilen der Versprödung der Schweißnähte wurde jedoch ein Jahr später vorgenommen.[6][12]
Innerhalb der DDR-Führung war die Zukunft der Blöcke 1 bis 4 des Kernkraftwerks Greifswald umstritten. Während das Zentralkomitee der SED am 30. Mai 1989 die großangelegte Rekonstruktion der Reaktorblöcke 1 bis 4 beschloss, war man im Staatlichen Amt für Atomsicherheit und Strahlenschutz gegenüber sowjetischen Stellen der Ansicht, dass „einer Rekonstruktion in den 90er Jahren, bei der eine beträchtliche Differenz zum internationalen Stand verbleibt, nicht zugestimmt werden kann, sondern eine Stilllegung der Blöcke erfolgen sollte“. Auch in dieser Frage musste sich die formell unabhängige Aufsichtsbehörde letztendlich der Parteilinie beugen und die geplante Rekonstruktion befürworten.[5]
Stilllegung 1990
Mit der am 1. Februar 1990 im Magazin Der Spiegel erschienenen Reportage Zeitbombe Greifswald[13] wurden erstmals in der Öffentlichkeit Sicherheitsmängel im Kernkraftwerk Greifswald bekannt. In Anspielung auf die Nuklearkatastrophe von Tschernobyl wurde es polemisch als „Tschernobyl Nord“ bezeichnet, obwohl in Lubmin kein RBMK-Reaktor (wie in Tschernobyl), sondern wie bereits oben erwähnt ein WWER-Reaktor verbaut war, der völlig andere reaktorphysikalische Eigenschaften hat. Neben einer Auflistung von bis dahin nicht veröffentlichten Störfällen und dem Hinweis auf die Versprödung der Reaktordruckbehälter enthielt der Artikel auch Behauptungen zu unbeherrschten Korrosionsproblemen im Reaktordruckbehälter sowie einer problematischen Strömungsmechanik im Reaktorkern infolge überdimensionierter Hauptumwälzpumpen. Den beiden letztgenannten Problemen wurde in einem später erschienenen Sicherheitsgutachten der Gesellschaft für Reaktorsicherheit (GRS) widersprochen.[12]
Die GRS begann mithilfe sowjetischer und französischer Experten das Kernkraftwerk Anfang 1990 im Zuge der Wiedervereinigung zu überprüfen. Neben generellen sicherheitstechnischen Mängeln an allen vier Blöcken wie der fehlenden Redundanz für die Notkühlung der Reaktoren, der Nichtbeherrschung eines Bruchs der Hauptkühlmittelleitung sowie dem Fehlen eines Sicherheitsbehälters oder einer Nasskondensation führten insbesondere die sich aus der Versprödung der Reaktordruckbehälter ergebenden gravierenden Sicherheitsbedenken bei den Blöcken 2 und 3 zu einer vorübergehenden Stilllegungsempfehlung im Februar 1990.[12][14]
Die Blöcke 2 und 3 wurden im Februar abgeschaltet. Block 4 wurde im Frühsommer 1990 für die anstehende Revision abgefahren und nicht mehr in Betrieb genommen.[15] Die DDR-Regierung entschied am 1. Juni 1990 auf Basis eines Gutachtens der GRS, dass die Blöcke 1 bis 4 nicht zu vertretbaren Kosten auf ein nach bundesdeutschem Recht genehmigungsfähiges Niveau gebracht werden könnten und somit abgeschaltet werden sollten.[16] Zur Versorgung der per Fernwärme angeschlossenen Einrichtungen blieb Block 1 noch bis zum 17. Dezember 1990 in Betrieb und wurde unmittelbar nach Inbetriebnahme eines provisorischen Heizhauses mit zehn Ölheizkesseln à 20 Megawatt als letzter abgeschaltet.[2] Seit 1995 erfolgt die Fernwärme-Versorgung größtenteils durch gasbetriebene Blockheizkraftwerke.
Am 17. November 1990 wurde auch der Probebetrieb von Block 5 untersagt. Dieser WWER-440/213-Reaktor wäre zwar mit Nachrüstungen an den Sicherheitssystemen auf ein dem westdeutschen Atomgesetz entsprechendes Sicherheitsniveau zu bringen gewesen, jedoch war kein Energieunternehmen gewillt, das Kosten- und Genehmigungsrisiko für Block 5[16] (und 6) zu übernehmen. Die Nachrüstungskosten hätten jeweils ca. 50 Mio. Mark für Block 5 und 6 betragen und wären nach Aussagen eines ehemaligen Beschäftigten nach 6 Monaten Betrieb wieder erwirtschaftet worden.[17]
In den Fokus der Öffentlichkeit geriet das Werk noch einmal, als 1996 unter Protesten von Greenpeace 235 unverbrauchte Brennelemente zum ungarischen Kernkraftwerk Paks mit Reaktoren gleicher Bauart geliefert wurden.
Rückbau
In den nachfolgenden Jahren wurde ein Rückbau-Konzept zur Demontage des Kraftwerks mithilfe eines Teils dessen Stammbelegschaft entwickelt. Am 30. Juni 1995 wurde das Konzept genehmigt[16] und das Kernkraftwerk offiziell stillgelegt. Damals wurden die Kosten für den Abriss auf drei bis fünf Milliarden Euro geschätzt.[18] Die Entsorgung der radioaktiven Abfälle erfolgte bis 1998 im Endlager Morsleben.[19] Bis 2007 wurden bereits 2,5 Milliarden Euro investiert.[20] 2012 sollte der Rückbau beendet und der Zustand „Grüne Wiese“ erreicht sein.[21]
Im April 2012 wurde gemeldet, dass der Betreiber, um Kosten zu sparen, eine Kombination von sofortigem Rückbau und sicherem Einschluss plant: So sollen die meisten Anlagen sofort abgerissen werden, die Gebäude jedoch noch 50 Jahre stehenbleiben und erst abgebaut werden, wenn die Radionuklide abgeklungen sind. Umweltschützer kritisierten, dass damit der Rückbau unnötig verzögert werde.[22]
Im Februar 2013 wurde bekanntgegeben, dass die Hauptaktivitäten des Rückbaus im Jahr 2015 abgeschlossen sein sollten.[23] Im Jahre 2015 gab es einen Strategiewechsel: Während ursprünglich die Gebäude 50 Jahre stehen bleiben sollten, wurde nunmehr beschlossen, alle Bauten bis 2028 abzureißen.[24] Im Jahr 2025 wurde hingen von einem Abschluss des Rückbaus zur Mitte der 2040er Jahre ausgegangen, die Kostenschätzung hierfür stieg von ursprünglich 6,6 Milliarden Euro auf mindestens 10 Milliarden Euro.[25]
Von den etwa 10.000 Menschen, die zu Betriebszeiten im Kraftwerk arbeiteten, sind heute noch etwa 1000 beschäftigt. Sie sind bei den Entsorgungswerken für Nuklearanlagen für den Rückbau und die Entsorgung der nuklearen Anlagenbestandteile verantwortlich. Seit der Schließung des Kraftwerks wurde auch eine Vielzahl der für die Arbeiter des Kraftwerks errichteten Plattenbausiedlungen im Osten Greifswalds zurückgebaut.
Nachfolgeprojekte
Nach der Jahrtausendwende intensivierte der dänische Konzern Dong Energy Planungen für den Bau eines Kohlekraftwerks in Lubmin. Infolge heftiger Proteste wurde dieses Vorhaben abgesagt und später stattdessen ein kleineres Gaskraftwerk errichtet.[26]
Sicherheitstechnische Aspekte der Anlage
Die Kernreaktoren in Greifswald stammen aus sowjetischer Produktion und besitzen einige Besonderheiten gegenüber westlichen Druckwasserreaktoren:
Versprödung der Reaktordruckbehälter (Blöcke 1 bis 4)

Bei den WWER-440-Reaktoren aller Bauarten sind die Brennelemente sehr nah an der Wand des Reaktordruckbehälters positioniert. Bei der Kernspaltung entstehende Neutronen legen dadurch nur einen kurzen Weg im Wasser zurück, werden entsprechend wenig stark abgebremst und treffen mit hoher Energie als schnelle Neutronen auf die Wand des Reaktordruckbehälters. Infolge des Neutroneneintrags verändert der Stahl seine Werkstoffeigenschaften und neigt mit zunehmender Bestrahlung zum Sprödbruch.
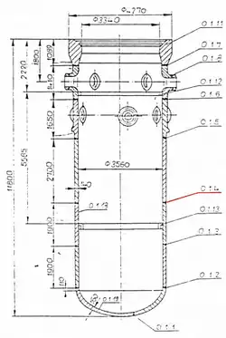
Als kritische Schwachstelle hat sich dabei die Schweißnaht 0.1.4. (siehe Abb. rechts) in der Mitte des Reaktordruckbehälters erwiesen. Aus Versuchen mit Einhängeproben u. a. aus dem Kernkraftwerk Loviisa in Finnland ist bekannt, dass die Versprödung der Naht dreimal so schnell voranschreitet wie dies bei der Projektierung der Anlagen prognostiziert wurde. Als Ursache wird eine zu hohe Kupfer- und Phosphorkonzentration im Material der Schweißnaht vermutet.[12] Technisch beschreibt man die Versprödung durch die 'Sprödbruchübergangstemperatur' – oberhalb dieser Temperatur neigt ein Material zu elastischer Verformung, unterhalb kann an im Material vorhandenen Rissen schlagartig ein Sprödbruch auftreten.
Im Falle eines mit Volllast laufenden Reaktors, der aufgrund eines technischen Defektes einer Schnellabschaltung mit boriertem Wasser bedarf, kann der Thermoschock bei der Einleitung des Havarieborwassers den Reaktordruckbehälter bei weiterhin hohem Druck unter die Sprödbruchübergangstemperatur abkühlen und ihn somit zum Bersten bringen.[12]
Als vorbeugende Gegenmaßnahme kann man den Reaktorkern mit Abschirmkassetten versehen, um den Neutroneneintrag in die Schweißnaht zu verringern. Weiterhin wurde vom Reaktorentwickler OKB Gidropress schon 1984 empfohlen, das Havarieborwasser vorzuwärmen, um den Thermoschock im Falle einer Schnellabschaltung zu reduzieren. Diese Nachrüstung ist im Kernkraftwerk Greifswald unterlassen worden.[15] Ist die Versprödung der Schweißnaht bereits weit fortgeschritten, kann der Druckbehälter durch Tempern bei knapp 500 °C ausgeheilt und die ursprünglichen Werkstoffeigenschaften weitgehend wiederhergestellt werden.[12]
Die thermische Ausheilung der Reaktordruckbehälter der WWER440-230 Blöcke 1, 2 und 3 wurde bei einer Temperatur von 475 °C für etwa 152 Stunden durchgeführt und umfasste einen Bereich, der ±0,70 m über und unter der Schweißnaht 0.1.4. Im Rahmen von Forschungsprojekten im Helmholtz-Zentrum Dresden-Rossendorf wurden aus den Wänden des Reaktordruckbehälters Materialproben über die gesamte Dicke in Form eines Bohrkerns mit einem Durchmesser von 119 mm entnommen und untersucht. Mit den Testergebnissen an den Bohrkernen der thermisch ausgeheilten Blöcke 1 und 2 konnte die Effizienz der großtechnischen Ausheilglühung nachgewiesen werden. Dieses Ergebnis wurde mit der adäquaten labortechnischen Wärmebehandlung von Proben aus der Schweißnaht 0.1.4 des nicht thermisch ausgeheilten Reaktordruckbehälters Block 4 bestätigt. Für dieses Schweißgut wurde mit Proben mit Neutronenfluenzen im Bereich von 1,5 bis 2,8·1019 n/cm2 (E > 0,5 MeV) eine Kerbschlagübergangstemperatur von 127 °C ermittelt. Für die thermisch ausgeheilten Proben betrug sie 21 °C. Diese ergibt einen Ausheileffekt von 106 K.[27]
Passive Sicherheitsreserven
Die WWER-440/230-Reaktoren der Blöcke 1 bis 4 als auch die weiterentwickelte zweite Generation WWER-440/213 (Blöcke 5 bis 8) verfügen gegenüber westdeutschen Druckwasserreaktoren wie dem Konvoi in Bezug auf die Notkühlung bzw. die Abführung der Nachzerfallswärme über deutlich größere passive Sicherheitsreserven. Der Primärkreislauf eines WWER-440-Reaktors enthält bezogen auf die thermische Leistung ca. 160 % der Wassermenge im Vergleich zu einem Konvoi-Reaktor und im Sekundärkreislauf die dreifache Wassermenge.[28] Diese großen Kühlmittelvorräte ermöglichen im Falle eines Totalausfalls der Stromversorgung die Abführung der Nachzerfallswärme über einen Zeitraum von ca. 7 Stunden und erweitern damit das Zeitfenster zur Reaktion auf Zwischenfälle erheblich.[29] Insofern ist der kurzzeitige Ausfall aller Kühlpumpen bei einem WWER-440-Reaktor weitaus weniger kritisch, als dies bei einem Reaktor westlicher Bauart der Fall wäre.
Störfall

Am 7. Dezember 1975 wollte ein Elektriker seinem Lehrling zeigen, wie man elektrische Stromkreise überbrückt. Dabei kam es zu einem Kurzschluss auf der Unterspannungsseite des Reservetrafos 1 von Block 1. Durch den Kurzschlussstrom brach ein Kabelbrand aus. Das Feuer im Hauptkabelkanal zerstörte die Stromversorgung und die Steuerleitungen von fünf der sechs Hauptkühlmittelpumpen. Die sechste war zufällig am Stromkreislauf des Nachbarreaktors angeschlossen und sicherte eine notdürftige Kühlung des Reaktorkerns. Das Feuer konnte durch die Werkfeuerwehr schnell unter Kontrolle gebracht und die Stromversorgung der Pumpen provisorisch wieder hergestellt werden, da sofort nach Auftreten des Brandes Gegenmaßnahmen ergriffen wurden und die Betriebsmannschaft zu jeder Zeit des Unfalls die richtigen Entscheidungen traf. Nach dieser Beinahe-Katastrophe wurden Maßnahmen zur Verbesserung des Brandschutzes innerhalb des Kraftwerks vorgeschlagen und die „räumliche Trennung“ bei sicherheitsrelevanten Einrichtungen eingeführt, was mehrere Wochen in Anspruch nahm; dabei erhielt jede Hauptkühlmittelpumpe ihre separate Stromversorgung. Die Maßnahmen zum Brandschutz wurden erst elf Jahre nach dem Vorfall von 1975 realisiert und in der Zwischenzeit gab es mindestens einen weiteren Brand (1977 in einer Wasseraufbereitungsanlage). Der Störfall von 1975 wurde erst nach der Wende 1989 im Fernsehen und dem Spiegel (u. a. Ausgabe 1. Februar 1990) publik gemacht. Durch sowjetische Stellen wurde bereits wenige Stunden nach dem Zwischenfall die IAEO informiert. Wenn die Kriterien der Internationalen Bewertungsskala für nukleare Ereignisse (INES) zum Zeitpunkt des Ereignisses bereits verfügbar bzw. anwendbar gewesen wären, wäre der Unfall in die Stufe INES 3 eingeordnet worden.[30] Der 10-Prozent-Grenzwert der zulässigen Aktivitätsabgabe wurde nicht überschritten. Spätere Auswertungen der Vorgänge durch eine Regierungskommission und die Bestätigung der von der Kommission gezogenen Schlüsse durch die IAEO zeigen, dass eine erfahrene Betriebsmannschaft anlagenbedingte Schwachstellen ausgleichen kann. Dieser Störfall ist daher auch als Standard-Unfall-Szenario für WWER-440 in die Simulator-Schulung in Greifswald nach 1990 eingeflossen.
Die Kosten des Zwischenfalls werden auf 519 Millionen Dollar geschätzt.[31]
Zitat
„In den späten Vormittagsstunden des 7. Dezembers 1975, kurz nach 11 Uhr brach im Maschinenhaus ein Kabelbrand aus. Knapp zweieinhalb Stunden später hatte die herbeigeeilte Feuerwehr den Brand gelöscht. Dennoch war ein unmittelbarer Sachschaden von knapp 3 Millionen Mark entstanden. Das erst zwei Jahre zuvor feierlich in Betrieb genommene Kernkraftwerk fiel komplett aus, damit verbunden war ein Ausfall der Energieproduktion in Größenordnungen von mehr als einer Million Mark pro Tag. Der schwer beschädigte Reaktor 1 konnte erst Ende Januar 1976 wieder ans Netz gehen, der Reaktor 2 schon wenige Wochen nach dem Störfall. Auslöser war die Fahrlässigkeit eines damals 27 Jahre jungen Elektromonteurs. (...)
Der Elektromonteur hatte einer Kollegin Schalthandlungen im Maschinenhaus demonstrieren wollen, nutzte dafür aber nicht das vorgeschriebene Spezialwerkzeug, sondern lediglich eine einfache Flachzange. Durch sein laxes Hantieren verursachte er einen Kurzschluss, aus dem sich im Keller des Maschinenhauses ein riesiger Kabelbrand entwickelte. Nicht weniger als 130 Kilometer Kabel gerieten in Brand. Im Reaktor 1 fielen praktisch die gesamte Blockwarte sowie die Kühlwasserpumpen und andere Havarieschutzsysteme (Borsäureeinspeisung) aus. Eine Störfallautomatik fuhr den Reaktor automatisch ab. Unter dem Personal herrschte derweil große Aufregung und Durcheinander, denn ohne eine Abführung der Restwärme aus dem abgefahrenen Reaktor drohte eine nukleare Katastrophe. Das Kraftwerkspersonal konnte nicht verhindern, dass der Druck im Reaktor 1 durch Überhitzung bis in die Nachmittagsstunden so stark anstieg, dass Sicherheitsventile Wasserdampf mit radioaktiven Teilchen aus dem ersten Kreislauf abgaben. Ein Sicherheitsventil verklemmte dabei und der Druck im bzw. der Kühlwasserstand im geöffneten ersten Kreislauf sank nun bedrohlich. Nur durch Zuschlagen mit einem Hammer konnte das verklemmte Ventil wieder geschlossen werden.
Laut verschiedener Stasi-Berichte hatte der sowjetische Hersteller bereits mehrere Jahre vor dem Zwischenfall das Kraftwerk über die fehlerhaften Sicherheitsventile informiert und deren Austausch durch westdeutsche Ventile empfohlen. Schließlich verhinderte die Wiederinbetriebnahme der Kühlwasserpumpen über eine improvisierte Notstromversorgung bis zum Abend die Reaktorüberhitzung. Nach Einschätzung der ostdeutschen Geheimpolizei entging das Kernkraftwerk am Greifswalder Bodden damals nur knapp einer nuklearen Katastrophe, wie sie sich dann in ähnlicher Weise im Frühjahr 1979 im US-amerikanischen Kernkraftwerk Three Mile Island bei Harrisburg ereignen sollte.“
Informationszentrum
Auf dem Gelände des Kernkraftwerks befindet sich ein Informationszentrum, das u. a. über die Geschichte der Kernenergie, die in Greifswald eingesetzten WWER-Reaktoren, die Stilllegung, den Rückbau und die Entsorgung informiert.[32] Es besteht nach Voranmeldung die Gelegenheit, auf der „Besucherroute – Primärkreislauf“ den fertiggestellten, aber noch nie mit Brennelementen beladenen Reaktorblock 6 zu besichtigen. Strahlenschutzmaßnahmen sind aus diesem Grund nicht notwendig. Im Ausstellungszentrum und auf den Freiflächen sind Originalbauteile ausgestellt.
Turbinenhalle
Alle Turbinen und Generatoren des Kraftwerks waren in einer 1000 Meter langen Halle untergebracht, die zu den längsten Industriebauten in Deutschland zählte.
Diese räumliche Nähe und Verknüpfung wurde erst durch die Brandschutzmaßnahmen nach dem Störfall 1975 teilweise aufgehoben. Es galt aber weiterhin: Die Reaktorblöcke befanden sich, wie ein Bericht aus Greifswald feststellte, „quasi in gegenseitiger örtlicher als auch schaltungstechnisch verknüpfter Störnähe“. Somit wäre durch einen Störfall in einem der Reaktoren zugleich auch ein zweiter involviert gewesen.
Technik
Leitungen
Zwei zweikreisige 380-kV-Leitungen führten zum Umspannwerk Wolmirstedt und zum Umspannwerk Ahrensfelde bei Berlin. Erstere war mit 287,8 Kilometern Länge die längste Stromleitung Deutschlands.
Kühlung
Das Kraftwerk bezog sein Kühlwasser über einen offenen Einlaufkanal aus der Spandowerhagener Wiek, die ihrerseits vom Peenestrom gespeist wird. Nach Durchflusskühlung der Reaktorblöcke wurden stündlich ca. 20.000–40.000 m³ (1 m³ ≙ 1 t) Kühlwasser mit hoher Abwärmelast über einen offenen Auslaufkanal in den Greifswalder Bodden geleitet.[33] Dadurch konnte auf Kühltürme verzichtet werden. Ein kleiner Teil der Wärme ging zudem in das Fernwärmenetz Greifswald.
Wirkungsgrad
Der Wirkungsgrad lag, wie bei Kernkraftwerken dieses Typs üblich, bei etwa 34 % in Bezug auf die reine Stromerzeugung. Da jedoch auch Wärme als Fernwärme für die Stadt und Prozesswärme für die Industrie im Kraft-Wärme-Kopplungs-Prozess genutzt wurde, lag der Nutzungsgrad bezogen auf die Ausnutzung der im Brennstoff Uran gespeicherten Energie über diesem Wert.
Es existierten unmittelbar vor der Wende in der DDR konkrete Pläne für den Ausbau des Fernwärmenetzes nach Städten und Gemeinden wie Wolgast, der Insel Riems, Wusterhusen und Stralsund.[34]
Daten der Reaktorblöcke
Das Kernkraftwerk Greifswald hatte insgesamt acht Blöcke:
| Reaktorblock[35] | Reaktortyp | Netto- leistung |
Brutto- leistung |
Baubeginn | Netzsyn- chronisation |
Kommer- zieller Betrieb |
Abschal- tung |
|---|---|---|---|---|---|---|---|
| Greifswald-1 (KGR 1) | WWER-440/230 | 408 MW | 440 MW | 1. März 1970 | 17. Dez. 1973 | 12. Juli 1974 | 18. Dez. 1990[36] |
| Greifswald-2 (KGR 2) | WWER-440/230 | 408 MW | 440 MW | 1. März 1970 | 23. Dez. 1974 | 16. Apr. 1975 | 14. Feb. 1990 |
| Greifswald-3 (KGR 3) | WWER-440/230 | 408 MW | 440 MW | 1. Apr. 1972 | 24. Okt. 1977 | 1. Mai 1978 | 28. Feb. 1990 |
| Greifswald-4 (KGR 4) | WWER-440/230 | 408 MW | 440 MW | 1. Apr. 1972 | 3. Sep. 1979 | 1. Nov. 1979 | 22. Juli 1990 |
| Greifswald-5 (KGR 5) | WWER-440/213 | 408 MW | 440 MW | 1. Dez. 1976 | 24. Apr. 1989 | 1. Nov. 1989 | 24. Nov. 1989 |
| Greifswald-6 (KGR 6)[37] | WWER-440/213 | 408 MW | 440 MW | 1. Dez. 1976 | – | – | fertiggestellt, aber nicht in Betrieb gegangen[38] |
| Greifswald-7 (KGR 7)[39] | WWER-440/213 | 408 MW | 440 MW | 1. Dez. 1978 | Bau abgebrochen | – | 1. Okt. 1990 (aufgegeben) |
| Greifswald-8 (KGR 8)[40] | WWER-440/213 | 408 MW | 440 MW | 1. Dez. 1978 | Bau abgebrochen | – | 1. Okt. 1990 (aufgegeben) |
Siehe auch
- Liste der Kernreaktoren in Deutschland
- Liste der WWER
- Liste meldepflichtiger Ereignisse in deutschen kerntechnischen Anlagen
- Liste der Kernkraftwerke
- Liste kerntechnischer Anlagen
Weblinks
- Video von den Bauarbeiten an den Reaktorblöcken 5 bis 8 und Innenaufnahmen der Steuerwarte und des Maschinenhauses in der Stasi-Mediathek der Stasi-Unterlagen-Behörde
- Homepage der Entsorgungswerke für Nuklearanlagen GmbH
- Onlinemagazin über das Kernkraftwerk Greifswald
- Michael Hänel: „Das Ende vor dem Ende“ Zur Rolle der DDR-Energiewirtschaft beim Systemwechsel 1980–1990 (PDF; 496 kB)
- Foto-Reportage Ein Kernkraftwerk wird abgebaut. In: n-tv. 16. März 2011.
- Zeitbombe Greifswald. In: Spiegel Spezial. Ausgabe 2/1990. 1. Februar 1990.
- Texte über Widerstand gegen das KKW und im KKW Lubmin während der DDR-Zeit
Einzelnachweise
- ↑ Joachim Kahlert: Die Kernenergiepolitik in der DDR – Zur Geschichte uneingelöster Fortschrittshoffnungen. Verlag Wissenschaft und Politik, Köln 1988, ISBN 3-8046-8713-X, S. 151 (uni-muenchen.de).
- ↑ a b c d e Per Högselius: Die deutsch-deutsche Geschichte des Kernkraftwerkes Greifswald. Atomenergie zwischen Ost und West. Berliner Wissenschafts-Verlag, 2005, ISBN 978-3-8305-1019-2, S. 127.
- ↑ Stefan Wolle: Die heile Welt der Diktatur: Alltag und Herrschaft in der DDR 1971–1989. Ch. Links Verlag, Berlin 2013, ISBN 978-3-86153-554-6, S. 33 (google.de).
- ↑ Joachim Kahlert: Die Energiepolitik der DDR. Mängelverwaltung zwischen Kernkraft und Braunkohle. Bd. 92. Bonn, 1988, Verlag Neue Gesellschaft Download LMU München
- ↑ a b Felix Christian Matthes: Stromwirtschaft und deutsche Einheit: Eine Fallstudie zur Transformation der Elektrizitätswirtschaft in Ost-Deutschland. ISBN 3-89811-806-1.
- ↑ a b c d e Michael Hänel: Das Ende vor dem Ende: Zur Rolle der DDR-Energiewirtschaft beim Systemwechsel, 1980–1990. Download (PDF; 496 kB)
- ↑ Manfred Haferburg: Blackout in Deutschland – vor 40 Jahren war alles zu spät (Teil 1), Achse des Guten, 27. Dezember 2018.
- ↑ Manfred Haferburg: Blackout in Deutschland (Teil 2) – der Tag, an dem ich die Mauer beleuchtete, Achse des Guten, 28. Dezember 2018.
- ↑ Stromausfall im Schneewinter 1978/79, Nordmagazin, NDR, 22. Dezember 2018.
- ↑ Sechs Tage Eiszeit - Der Katastrophenwinter 1978/79 | Video | ARD Mediathek. Abgerufen am 1. Januar 2020.
- ↑ Lebensretter: Winter 1978/79: Menschen in Not (2) | ARD Mediathek. Abgerufen am 13. Februar 2022.
- ↑ a b c d e f Gesellschaft für Reaktorsicherheit - Zweiter Zwischenbericht zur Sicherheitsbeurteilung des Kernkraftwerks Greifswald Blöcke 1-4 (WWER-440/W-230) Download
- ↑ Zeitbombe Greifswald. In: Spiegel Spezial, Ausgabe 2/1990. 1. Februar 1990, abgerufen am 15. Januar 2017.
- ↑ DDR-Kernkraft – Mit den Jahren spröde. In: Der Spiegel, Ausgabe 8/1990. 19. Februar 1990, abgerufen am 15. Januar 2017.
- ↑ a b Da kommt nichts Gutes. In: Der Spiegel, Ausgabe 23/1990. 4. Juni 1990, abgerufen am 15. Januar 2017.
- ↑ a b c Journalisten-Akademie der Konrad-Adenauer-Stiftung e. V. Geschichte des KKW Nord (brueckerhoff.de)
- ↑ Matthias Brendel: Strahlender Schrott. In: Die Zeit. 19. August 1999, abgerufen am 15. Januar 2017.
- ↑ Kleine Anfrage zum Kernkraftwerk Greifswald 1994
- ↑ Atommüllreport ERA Morsleben, Stand 23. Juli 2016, abgerufen am 31. August 2016
- ↑ Entsorgungskosten. In: energieverbraucher.de.
- ↑ Deutsches Atomforum e. V.: Jahresbericht 2008 – Zeit für Energieverantwortung. Berlin 2009, ISSN 1868-3630. Seite 32.
- ↑ Stefan Schultz: AKW Lubmin – Energiefirma plant Billig-Entsorgung für Kernkraftwerk. In: Spiegel Online. 24. April 2012, abgerufen am 15. Januar 2017.
- ↑ dpa/mv: Demontage des letzten Großteils in KKW Lubmin begonnen. In: Die Welt. 26. Februar 2014, abgerufen am 15. Januar 2017.
- ↑ Rückbau der DDR-Kernkraftwerke - Strahlende Vergangenheitsbewältigung. In: Deutschlandfunk. (deutschlandfunk.de [abgerufen am 14. April 2017]).
- ↑ Martina Rathke: Zehn Milliarden Euro: KKW-Rückbau in Lubmin wird teurer. In: ndr.de. 29. Juni 2025, abgerufen am 4. Juli 2025.
- ↑ NDR: Lubmin: Streifzug durch deutsche Energiewirtschaftsgeschichte. Abgerufen am 27. Mai 2023.
- ↑ Hans-Werner Viehrig et al.: Investigation of decommissioned reactor pressure vessels of the nuclear power plant Greifswald. Helmholtz-Zentrum Dresden-Rossendorf (HZDR-088), 2018 (98 S., Volltext [PDF; abgerufen am 18. November 2024]).
- ↑ Gesellschaft für Reaktorsicherheit - Sicherheitsbeurteilung des Kernkraftwerks Greifswald, Block 5 (WWER-440/W-213) - Download ( vom 5. März 2014 im Internet Archive)
- ↑ Eine Stillegung ist möglich – DDR-Atomexperte Helmut Rabold über Risiken im AKW Greifswald. In: Der Spiegel. Nr. 6, 1990 (online – 5. Februar 1990).
- ↑ BMU – 2005-664, „Bewertung von Personalhandlungen bei der Brandentstehung, Branderkennung und Brandbekämpfung in deutschen Kernkraftwerken“, M. Röwekamp, M. Türschmann, Erscheinungsjahr: 2005, Seite 29 ( vom 27. April 2014 im Internet Archive), ISSN 1612-6386
- ↑ AKW-Bauruinen verschlangen weltweit Milliarden. Milliardeninvestitionen ohne Ertrag. In: Tagesschau. ARD, 22. Oktober 2015, abgerufen am 1. Oktober 2018.
- ↑ EWN - Informationszentrum
- ↑ Dr. G. Vater: Greifswalder Bodden und anthropogene Einflüsse ( vom 9. Oktober 2010 im Internet Archive). In: kein-kohlekraftwerk-lubmin.de. (PDF)
- ↑ Sabrina Wittkopf-Schade, Greifswald KOMPAKT, Ausgaben 1 und 2/2007
- ↑ Power Reactor Information System der IAEO: „Germany, Federal Republic of: Nuclear Power Reactors“ (englisch)
- ↑ Die Strahlenschutzkommission - Beratungsergebnisse - Kernkraftwerk Greifswald (KGR), Blöcke 1 bis 6, Stillegung der Anlage mit Abbau von Anlagenteilen. Abgerufen am 1. Oktober 2018.
- ↑ Kernkraftwerk Greifswald 6 im PRIS der IAEO ( vom 4. Juni 2011 im Internet Archive) (englisch)
- ↑ Der Reaktorblock war vollständig ausgerüstet, jedoch noch nicht mit Brennstäben beladen.
- ↑ Kernkraftwerk Greifswald 7 im PRIS der IAEO ( vom 4. Juni 2011 im Internet Archive) (englisch)
- ↑ Kernkraftwerk Greifswald 8 im PRIS der IAEO ( vom 4. Juni 2011 im Internet Archive) (englisch)

