Load-Sensing
Das Load-Sensing-System (LS-System), auch Lastdruck-Melde-System, ist eine hydraulische Regelung, bei der Druck und/oder Volumenstrom der Hydraulikpumpe an die vom Verbraucher geforderten Bedingungen angepasst werden.
In üblichen Hydraulikkreisläufen wird der Volumenstrom zum Motor durch Druckbegrenzungs- oder Druckregelventile gedrosselt. Die Hydraulikpumpe fördert auch bei gedrosseltem Volumenstrom immer mit maximaler Leistung, was zum Teil hohe Leistungsverluste verursacht.
Beim Load-Sensing-System dagegen wird sichergestellt, dass die Pumpe nur den Volumenstrom fördert, der für alle aktiven Verbraucher momentan benötigt wird.[1]
Beschreibung

LS-Systeme können mit Konstantpumpen als Open-Center oder mit Verstellpumpen als Closed-Center ausgeführt sein. Der Pumpendruck wird mit sogenannten Druckwaagen geregelt. Ist der Verbraucher ausgeschaltet, fördert die Pumpe nur soviel, um die Druckwaage zu betätigen. Dadurch wird bei einem Open-Center-System der überschüssige Volumenstrom zum Tank abgeleitet. Im Closed-Center-System betätigt die Druckwaage den Verstellkolben der Pumpe, das Fördervolumen der Pumpe wird zurückgestellt. Der Pumpendruck pendelt sich so ein, dass die Druck-Differenz zwischen Steuerleitung (LS) der Druckwaage und dem Förderdruck der Pumpe immer gleich bleibt. , auch LS-Druck, wird von der Federkraft der Druckwaage bestimmt.
Werden die Steuerventile für den Verbraucher geöffnet, so wird der Druck über die LS-Leitung an die Druckwaage weitergegeben. Der LS-Druck wirkt in die gleiche Richtung wie die Druckfeder, der Druck zur Betätigung der Druckwaage steigt. Im Open-Center-System wird dadurch weniger Hydraulikflüssigkeit zum Tank geleitet, die Pumpe fördert mehr zum Verbraucher. Die Verstellpumpe im Closed-Center-System wird ausgeschwenkt und fördert mehr. Das Fördervolumen der Pumpe wird nur soweit nach oben korrigiert, bis die eingestellte Druckdifferenz wiederhergestellt ist.
Bei mehreren Verbrauchern werden für die Rückmeldung über die LS-Leitung zwischen den Verbrauchern Wechselventile angebracht, die immer den höchsten im System auftretenden Druck weitergeben.
Ein Load-Sensing-System mit Verstellpumpe wird oft zusammen mit einer Leistungsbegrenzung und Druckabschneidung verwendet.[2]
Neben der reinen hydraulischen Regelung kann ein Load-Sensing-System auch elektrohydraulisch ausgeführt werden. Dazu werden die Proportionalventile und die Hydraulikpumpe elektrisch angesteuert. Anstelle einer Druckwaage erfasst ein Drucksensor den Druck im System. wird von einem elektrischen Steuergerät festgelegt und die Pumpe entsprechend geregelt.
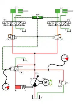
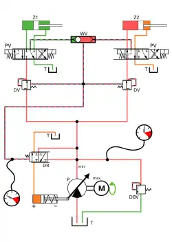
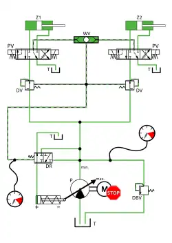
Funktion
-
Motor ist aus -
Motor ist an, Ventile geschlossen -
Motor an, Ventil geöffnet
- Der Antriebsmotor und die Pumpe sind aus.
- Die Pumpe wird vom Federdruck des Verstellzylinders auf Maximalförderung gestellt.
- Die Pumpe wird angetrieben. Die Ventile sind geschlossen.
- Die Pumpe beginnt Hydraulikflüssigkeit zu fördern. Ist der Druck groß genug wird der Druckregler verschoben. Dadurch wird der Verstellkolben beaufschlagt und stellt die Pumpe zurück. Es entsteht ein Gleichgewicht zwischen dem Pumpendruck und dem Druck zum Betätigen des Druckreglers.
- Die Pumpe wird angetrieben. Die Ventile werden geöffnet.
- Hydraulikflüssigkeit strömt zum Verbraucher. Eine LS-Leitung führt über Wechselventile zum Druckregler zurück. Der Druck aus dieser Leitung und die Ventilfeder drücken gemeinsam gegen die Druckseite der Pumpe. Wenn das Ventil weiter geöffnet wird, steigt der Druck auch in der LS-Leitung. Je größer der Druck, umso weiter wird der Druckregler geöffnet. Der Verstellkolben stellt die Pumpe auf eine höhere Fördermenge ein.
Einzelnachweise
- ↑ Dubbel: Taschenbuch für den Maschinenbau. 19. Auflage, Springer-Verlag, Berlin, S. H18.
- ↑ HAWE Fluid-Lexikon