Maxwell-Brücke
Die Maxwell-Brücke dient zum Messen verlustbehafteter Induktivitäten. Sie wurde nach dem Physiker James Clerk Maxwell benannt.
Theorie

Die Messbrücke ähnelt im Aufbau der Wheatstoneschen Messbrücke, sie enthält jedoch komplexe Widerstände und muss daher mit sinusförmiger Wechselspannung wie alle Wechselspannungsbrücken betrieben werden.
Die Brücke ist abgeglichen, wenn
gilt. Dabei sind der Realteil und der Imaginärteil zu betrachten. Stehen Real- und Imaginärteil in beiden Brückenzweigen im gleichen Verhältnis zueinander, ist die Brücke in Phase und Amplitude abgeglichen (U wird Null).
Enthält einer der Brückenzweige keine Imaginäranteile, hat die Spannung am Knotenpunkt (Anschlussstelle des Voltmeters U) dieses Zweiges keine Phasenverschiebung gegenüber der speisenden Wechselspannung. Zum Nullabgleich muss dann das Verhältnis der Real- und Imaginäranteile der Elemente Z im anderen Brückenzweig übereinstimmen – nur dann hat auch der Knoten dieser Brücke 0° Phasenverschiebung.
Prinzipiell können mit einer solchen Brückenschaltung auch Kondensatoren und deren äquivalente Serienwiderstände (equivalent series resistance, ESR) bzw. Verlustfaktoren ausgemessen werden.
Ausführung

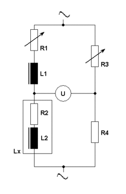
L1, R1 liegen in einem Zweig mit der zu messenden Induktivität Lx, bestehend aus dem Induktivitätswert L2 und dem äquivalenten Serienwiderstand (Verlustwiderstand) R2
R1 und R3 sind einstellbar. L1 ist eine Referenzinduktivität.
R1 und R3 werden so eingestellt, dass U=0 wird. Das wird erreicht, indem mit R1 die Phasenlage des Knotens des linken Brückenzweiges auf 0° gegenüber der speisenden Wechselspannung gebracht wird und mit R3 die Amplituden der Knotenpunkte beider Brückenzweige angeglichen werden. Nur wenn diese beiden Bedingungen erfüllt sind, wird U=0.
Praktisch müssen hierzu R1 und R3 meist wiederholt abwechselnd auf Minimum abgeglichen werden.
Es gilt dann:
- .
Realteil (Verlustwiderstand bzw. äquivalenter Serienwiderstand) der Induktivität Lx:
Imaginärteil (Induktivitätswert) der Induktivität Lx: