Naturumlaufkessel


Ein Naturumlaufkessel ist ein Wasserrohrkessel, bei dem der Wasser-Dampf-Umlauf aufgrund des Dichteunterschiedes zwischen dem Wasser in den Fallrohren und der Wasser-Dampfphase in dem beheizten Verdampferteil erreicht wird (Thermosyphon-Effekt).
Beschreibung des Umlaufprinzips
Der Naturumlaufkessel besitzt eine Obertrommel, in der ein Wasser-Dampfgemisch vorliegt. Der sich in der Trommel befindende Sattdampf wird vom Wasser getrennt und läuft weiter zu den Überhitzern. Auf der Sohle der Trommel sind Fallrohre eingesetzt, die das Wasser entweder zu einer Untertrommel bzw. bei heutigen Konstruktionen zu den unten liegenden Sammlern leiten. Die Fallrohre sind unbeheizt. Entsprechend der statischen Säule in den Fallrohren, vom Wasserstand in der Obertrommel aus gerechnet, liegt der Zustand des Wassers etwas unter der Siedelinie, so dass in dem Wasser der Fallrohre keine Wasserdampfblasen enthalten sind. Von den unten liegenden Verteileinrichtungen, den Sammlern, wird das Wasser zu den Verdampferheizflächen geleitet. Dies können die Rohrwände des Kessels sein oder Verdampferschotten. Durch die Strahlung und Konvektion der Rauchgase wird das Wasser bis zur Sattdampftemperatur erhitzt. Die Dichte des heißeren Wasser-Dampf-Gemisches in den beheizten Rohren ist deutlich geringer als die Dichte in den Fallrohren, so dass in dem beheizten Teil eine zur Obertrommel gerichtete Strömung initiiert wird. Diese bringt das heißere Wasser-Dampfgemisch entweder direkt in die Dampftrommel oder über Sammler dorthin.[1]
Die Obertrommel, meistens nur noch als Trommel bezeichnet, hat folgende Funktionen:
- Ausgleich kurzzeitiger Schwankungen in der Dampferzeugung,
- Erreichen einer möglichst langen Absinkdauer, wenn Speiseeinrichtungen ausfallen,
- Trennung des Dampfes und Abscheiden von Flüssigkeitstropfen an Spritzblechen und Metalldrahteinlagen,
- Einbauort der sicherheitstechnischen Kesselausrüstung auf der Wasserseite (Trommelsicherheitsventil, Wasserstandsbegrenzer, Druckbegrenzer, Wasserstandsglas).
Wenn überhitzter Dampf erforderlich ist, wird der Sattdampf aus der Trommel den Überhitzern zugeleitet.
Geschichte
Der Naturumlaufkessel als Schrägrohrverdampfer oder als Anordnung mit Ober- und Untertrommel ist die älteste Bauart eines Wasserrohrkessels, der zum Ende des 19. Jahrhunderts entwickelt worden ist. Bis in die 1960er Jahre waren die Kesselwände gemauert. Ein wesentlicher Entwicklungssprung war die Einführung von Membranwänden mit Flossenrohren. Die Heizfläche und der Kesselwirkungsgrad konnten so wesentlich verbessert werden. Diese Kesselbauart wird auch Steilrohrkessel bezeichnet. Wenn der Kessel lediglich aus einem Zug besteht, der Verdampfer, Überhitzer und Economiser aufnimmt, dann spricht man vom Turmkessel. Diese Bauart hat den Vorteil, dass die thermischen Spannungen bei einem langgezogenen Kesselkörper besser zu beherrschen sind.
Aufbau


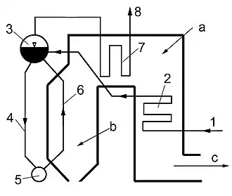
Naturumlauf-Dampferzeuger bestehen aus vier wesentlichen Komponenten:
- Obertrommel (3) – sie dient als Wasserreservoir und in ihr findet die Dampf-Wasser-Trennung ("Phasenseparation") statt. Sie liegt oberhalb des Brennraums (b) und von ihr gehen die Fallrohre (4) und Steigrohre (6) ab. Die Trommel wird von der Speisepumpe über die Speisewasserleitung (1) mit Speisewasser befüllt. Meistens wird das Wasser noch durch den Economiser (Speisewasservorwärmer) (2) geleitet, um das Wasser vorzuwärmen und den Wärmeinhalt des Rauchgases besser zu nutzen.
- Das Wasser fließt von den Fallrohren (4) zu dem Verteilersammler (5).
- Der Verteilersammler (5) hat die Aufgabe, eine gleichmäßige Verteilung des zugeführten Wassers auf die Steigrohre (6) zu gewährleisten. Er wird mitunter auch als "Untertrommel" bezeichnet.
- Als Steigrohre werden die Rohrwände bezeichnet (6), die den Feuerungsraum (b) eingrenzen oder als Schotten in dem Brennraum eingebaut sind. Durch die Feuerung im Brennraum werden diese Rohre und damit das Wasser innerhalb der Rohre beheizt. Die Dichte des Wassers innerhalb dieser Rohre ist durch die höhere Temperatur und den Dampfgehalt bei gleichem Druck niedriger als die Dichte des Wassers in den Fallrohren. Innerhalb der Steigrohre liegt ein Gemisch aus Wasser und Dampf vor, denn durch die Beheizung wird ein Teil des Wassers verdampft. Die Steigrohre münden am oberen Ende in die Trommel, damit ist der Kreislauf geschlossen.
Vor- und Nachteile
Der Vorteil des Naturumlaufprinzips ist, dass im Gegensatz zu Zwangumlauf- und Zwangdurchlaufkesseln keine Umwälzpumpe notwendig ist. Für eine Umwälzpumpe muss zudem mindestens ein Reserveaggregat zur Verfügung stehen, um die Nachwärme bei einem Pumpenausfall abführen zu können.
Wenn das Volumen der Obertrommel an einem Naturumlaufkessel ausreichend dimensioniert ist, um genügend Wasser für die Abführung der Restwärme bei einer Störabschaltung zur Verfügung zu stellen, dann ist der Kessel selbstsicher; d. h., es sind keine Notspeise- oder Notumwälzeinrichtungen erforderlich. Der relativ einfache Aufbau und die einfache Bedienbarkeit des Systems sind Gründe, weshalb das Naturumlauf-Prinzip bei mittleren Anlagen weiterhin bevorzugt eingesetzt wird.
Bei der Auslegung der Heizflächen muss darauf geachtet werden, dass alle angeschlossenen Verdampferrohre in allen Betriebszuständen ausreichend mit Wasser beaufschlagt werden. Daher ist ein hydraulischer Abgleich ggf. durch Einbau von Drosseln erforderlich. Es müssen im Allgemeinen größere Rohrdimensionen eingesetzt werden, als bei Kesseln, die im Zwangsumlauf betrieben werden. Daher sind gewisse Einschränkungen bei der Konstruktion von Naturumlaufkesseln zu beachten. So müssen die von den unten liegenden Sammlern abgehenden beheizten Rohre immer steigend verlegt werden, um keine Dampfblasen zu erzeugen, die den Naturumlauf außer Kraft setzen.
Die Kesselrohre müssen so dimensioniert sein, dass unter Volllast bei einem Umlauf nicht mehr als 30 % des Wassers verdampft. Andernfalls ist der Dampfgehalt in den Rohren so groß, dass kein durchgehender Wasserfilm an den Rohrwandungen erhalten bleibt. Es besteht dann die Gefahr der Überhitzung, da durch den inneren Dampffilm der Wärmeübergang wesentlich verschlechtert wird; dies wird als Siedekrise bezeichnet.
Naturumlaufkessel müssen mit einer Obertrommel ausgerüstet werden. Da der Naturumlaufkessel aufgrund seines Funktionsprinzips nur unterhalb des kritischen Punktes arbeiten kann und zudem ein ausreichender Dichteunterschied zwischen Wasser und Dampf notwendig ist, werden Naturumlaufkessel nur für Betriebsdrücke bis zu ca. 200 bar konstruiert. Darüber ist der Dichteunterschied zwischen Wasser und Dampf nicht ausreichend, um einerseits eine ausreichende Umlaufzahl im Verdampfer und andererseits eine ausreichende Trennung des Wassers vom Dampf zu erzielen. Ausgeführte Anlagen mit einem Überhitzeraustrittsdruck von 190 bar sind seit vielen Jahren in Betrieb. Für große Dampfkraftwerke (Leistung > 150 t/h) werden Zwangdurch- und Zwangumlaufkessel bevorzugt eingesetzt,
- da bei höheren Drücken auch höhere Wirkungsgrade erzielt werden,
- die Kessel besser geregelt werden können und
- weniger Einschränkungen in der Bauform zu berücksichtigen sind.
Siehe auch
Literatur
- Helmut Effenberger: Dampferzeugung. Springer-Verlag, ISBN 3-540-64175-0
- Kugeler, Phlippen: Energietechnik. 2. Auflage, Springer-Verlag, ISBN 3-540-55871-3
- K. Stephan: Wärmeübertragung beim Kondensieren und Sieden. Springer-Verlag
- K. Strauß: Kraftwerkstechnik. 4. Auflage, Springer-Verlag, ISBN 3-540-64750-3
Einzelnachweise
- ↑ (axpo-holz.ch ( vom 13. April 2014 im Internet Archive) (PDF; 2,1 MB). Abgerufen am 11. Juni 2012)