Pegelumsetzer

Als Pegelumsetzer oder Pegelwandler (englisch level shifter) bezeichnet man in der Elektronik eine diskrete oder integrierte elektronische Schaltung, welche die Signalpegel – in der Regel Spannungssignale – einer Informationsquelle an die Eingangssignalpegel einer Informationssenke anpasst. Pegelumsetzer können sowohl in der Analogtechnik als auch in der Digitaltechnik angewendet werden.

Ferner können Schnittstellentreiber oder Schnittstellenumsetzer ebenfalls als Pegelumsetzer gesehen werden.

Notwendigkeit

Müssen elektronische Baugruppen untereinander kommunizieren, so wird dies meist über eine elektrische Verbindung realisiert. Da jedoch nicht alle Baugruppen mit denselben Spannungspegeln arbeiten, ist es für eine Kommunikation dieser Baugruppen untereinander erforderlich, die Signalpegel der Informationssignale zu adaptieren. Diese Anpassung kann je nach Anforderung durch eine aktive oder passive elektronische Schaltung geschehen.

Bei speziellen Anwendungen kann es erforderlich sein, dass die zu kommunizierenden elektronischen Baugruppen untereinander galvanisch zu trennen sind. Auch hier werden Pegelumsetzer eingesetzt, die neben der Anpassung der Spannungsbereiche auch die galvanische Trennung der Informationssignale durchführen. Die kann je nach Anforderung mittels Optokoppler oder Impulstransformatoren geschehen.

Analogtechnik

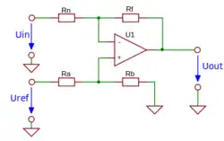
Subtrahierverstärker als analoger Pegelumsetzer

Bei analogen Schaltungen werden Signalpegel des Senders meist durch Verstärker an die des Empfängers angepasst. Beispielsweise wird das Signal eines Mikrofons durch einen Mikrofonvorverstärker an den Eingangssignalpegelbereich des AUX-Eingangs eines Verstärkers adaptiert.

Es gibt jedoch auch Anwendungen, bei denen ein einfaches Verstärken oder Abschwächen des Informationssignals nicht ausreicht und das Signal zusätzlich im Spannungsbereich verschoben werden muss. Soll beispielsweise ein Audiosignal mit einem typischen Spannungsbereich von −100 mV bis 100 mV digitalisiert werden, ist es nicht nur nötig dieses Signal zu verstärken, sondern auch durch Addition einer Offsetspannung zu verschieben, wofür sich die Schaltung des Subtrahierverstärkers anbietet.

Dimensionierungsbeispiel

Analog-Digital-Umsetzer können für gewöhnlich keine negativen Spannungen messen, weshalb das zu messende Audiosignal in den positiven Spannungsbereich verschoben werden muss. Kann der Analog-Digital-Umsetzer nun einen Spannungsbereich von 0 V bis 5 V verarbeiten, muss das Audiosignal (−100 mV bis 100 mV) um den Faktor 25 verstärkt und mit einer Offsetspannung von 2,5 V überlagert werden. Um diesen Pegelumsetzer mit einem Subtrahierverstärker realisieren zu können, wird der invertierende Eingang des Verstärkers als Signalpfad und der nicht invertierende Eingang als Offseteingang verwendet. Das Ausgangssignal des Pegelumsetzers liegt dann zwar invertiert vor, jedoch kann der Subtrahierverstärker so an verfügbare Referenzspannung für die Offsetbildung angepasst werden. Weiterhin ist das Invertieren des digitalisierten Signals grundsätzlich sehr einfach möglich.

Die Ausgangsspannung des Subtrahierverstärkers in Abhängigkeit von der Eingangsspannung Uin (invertierender Eingang) ergibt sich zu

Somit muss für eine Verstärkung von −25 ein Widerstandsverhältnis Rf:Rn von 25:1 gewählt werden.

Nun wird der Eingangsspannungsbereich von −100 mV bis 100 mV als Ausgangsspannungsbereich von 2,5 V bis −2,5 V abgebildet. Um nun noch die nötige Offsetspannung von 2,5 V zu addieren, müssen die Widerstände Ra und Rb so gewählt werden, dass sich bei einer gegebenen Referenzspannung (angenommen 5 V) eine resultierende Offsetspannung von 2,5 V am Ausgang des Subtrahierverstärkers ergibt.

Die Ausgangsspannung des Subtrahierverstärkers in Abhängigkeit von der Eingangsspannung Uref (nicht invertierender Eingang) ergibt sich zu

Durch Einsetzen der zuvor ermittelten Werte, der vorhandenen Referenzspannung (5 V) und der benötigten Offsetspannung (2,5 V) ergibt sich ein Widerstandsverhältnis Ra:Rb von 51.

Da die Präzision aller Widerstandswerte genauso hoch wie die Auflösung des A/D-Wandlers sein muss (bei 10 Bit sind das bereits 0,1 %) kommen dafür nur (laser) abgeglichene Widerstände in Betracht, in der Regel in speziellen Schaltkreisen, den Instrumentationsverstärkern. Alternativ kann eine Korrektur auch in Software erfolgen (nach einem entsprechenden Abgleich).

Digitaltechnik

Bei digitalen Schaltungen kommt es sehr häufig vor, dass unterschiedliche Bauteile (z. B. Mikrocontroller und LC-Display) mit unterschiedlichen Versorgungsspannungen betrieben werden. Um nun die Kommunikation dieser Baugruppen zu ermöglichen, müssen die Logikpegel untereinander angepasst werden. Bei einer digitalen Kommunikation kann die Verbindung der Baugruppen, je nach Bussystem, bidirektional oder unidirektional stattfinden. Je nach Anforderung muss auch der Pegelumsetzer dies unterstützen.

Pegelumsetzung wird gern durch offene Kollektorausgänge realisiert, mit einem Widerstand hin zur gewünschten Ausgangsspannung = Betriebsspannung der Folgeschaltung. Die maximal mögliche Spannung wird nur durch die Eigenschaften des Transistors bzw. durch Substratdioden in integrierten Schaltkreisen bestimmt.

Wenn nicht anders angegeben wird unter „digitaler Pegelumsetzung“ das Umsetzen in eine andere positive Logikspannung bei gleichem Massebezug verstanden. Umsetzer für umgekehrte Spannungen und/oder andere Massebezüge sind viel seltener und erfordern deutlich komplexere Lösungen. Die Universallösung dafür ist die galvanische Trennung sowie der Komparator.

Da Pegelumsetzer die Kosten einer elektronischen Schaltung in die Höhe treiben, wird beim Schaltungsentwurf von Massenartikeln darauf geachtet, dass die Bauelemente elektrisch zueinander passen und gesonderte Pegelumsetzer obsolet sind. Dies führte u. a. zu Logikfamilien mit verschiedenen möglichen aber im Gerät untereinander gleichen Spannungspegeln.

Unidirektionale Pegelumsetzer

Spannungsteilung, Spannungsbegrenzung

Passiver Pegelumsetzer mit einem Spannungsteiler
Spannungsbegrenzung des Eingangssignals mittels Zenerdiode

Die einfachste Form, digitale Pegel anzupassen, stellt ein Spannungsteiler dar. Hierbei wird die Spannung des Senders mittels Widerständen geteilt und die verminderte Spannung dem Empfänger zur Verfügung gestellt.

Eine weitere Möglichkeit, ein digitales Signal anzupassen, stellt eine Kombination aus seriellem Widerstand und paralleler Zenerdiode dar. Durch die Zenerdiode wird der Signalpegel auf ein definiertes Potenzial gehalten und der Querstrom durch den Widerstand begrenzt.

Die Einfachheit dieser Pegelumsetzer hat jedoch zahlreiche Nachteile. Da diese Pegelumsetzer passiv arbeiten, ist es damit nur möglich, Signalpegel zu reduzieren. Es kann somit nur eine Informationsquelle mit höheren Signalpegeln einer Informationssenke mit niedrigeren Signalpegel Informationen übertragen, nicht jedoch umgekehrt.

Ein weiterer Nachteil dieser einfachen Pegelumsetzer besteht im Stromverbrauch. Bei einer logischen Eins fließt permanent ein konstanter Strom, welcher Verluste verursacht.

Da der Ausgangsstrom dieser Pegelumsetzer sehr gering ist und jeder Eingang einer digitalen Schaltung eine Eingangskapazität aufweist, ergibt sich somit ein Tiefpassverhalten. Dadurch ist die maximale Übertragungsfrequenz stark begrenzt.

Pegelumsetzer mit Transistor

Transistorschaltung mit Open-Collector-Ausgang und Pullup-Widerstand als Pegelumsetzer

Um einige der besagten Probleme zu vermeiden, kann ein Transistor in Kombination mit einem Pullup-Widerstand eingesetzt werden. Hierbei kann der Eingangspegel in beliebige Ausgangspegel umgesetzt werden, indem der Pullup-Widerstand mit einer Spannungsquelle, mit einer Spannung in der Höhe der gewünschten Ausgangsspannung, verbunden wird.

Ein Nachteil eines solchen Pegelumsetzers ist der nun bei logischer Null fließende Querstrom. Weiter invertiert diese Schaltung in Emitterschaltung das Signal, womit es nötig sein kann, das Logiksignal vor oder nach dem Pegelumsetzer zu invertieren. Ein Umsetzer in Basisschaltung (hier ohne Illustration) vergleichbar mit dem nächsten invertiert nicht.

Bidirektionale Pegelumsetzer

Pegelumsetzer mit MOSFET

Einfacher bidirektionaler Pegelumsetzer

Eine Möglichkeit, einen einfachen bidirektionalen Pegelumsetzer aufzubauen, besteht in der Verwendung eines MOSFETs mit zwei Pullup-Widerständen, wovon je einer mit der jeweils gewünschten Betriebsspannung verbunden wird.

Wird nun am Eingang Ua eine logische Null angelegt (0 V), so liegt der Source-Anschluss des N-Kanal-MOSFETs auf Massepotenzial. Somit ergibt sich eine positive Gate-Sourcespannung, wodurch der MOSFET durchschaltet, den Ausgang Ub ebenfalls auf Masse zieht und eine logische Null anliegt.

Wird an Ua eine logische Eins (Versorgungsspannungspotenzial der linken Seite, im Beispiel 3,3 V) angelegt, so liegt der Source-Anschluss auf demselben Potenzial wie der Gate-Anschluss, wodurch der MOSFET sperrt. Der Ausgang Ub wird nun durch den Pullup-Widerstand R2 auf das Potenzial der Versorgungsspannung der rechten Seite (im Beispiel 5 V) gezogen, wo nun eine logisch Eins anliegt.

Betrachtet man nun den Pegelumsetzer von der anderen Richtung, ergibt sich bei einer logischen Eins am Eingang Ub ein ähnliches Szenario. Der Source-Anschluss des MOSFET wird nun über den Pullup-Widerstand R1 auf das Potential der Versorgungsspannung der linken Seite (im Beispiel 3,3 V) gezogen, wodurch Source und Gate auf demselben Potenzial liegen und der MOSFET sperrt. Gleichzeitig liegt durch diesen Widerstand das Potential der Versorgungsspannung am Ausgang Ua an, wodurch dieser Ausgang auf logisch Eins liegt.

Wird nun am Eingang Ub eine logische Null angelegt (0 V), so sperrt der MOSFET aufgrund der fehlenden Gate-Sourcespannung nach wie vor. Da ein diskreter MOSFET, herstellungsbedingt, jedoch stets eine parallele Substratdiode aufweist, beginnt diese nun zu leiten und zieht den Ausgang Ua ebenfalls auf annähernd Massepotenzial (abzüglich der Durchlassspannung der Diode). Dadurch ergibt sich nun eine Gate-Sourcespannung, der MOSFET beginnt zu leiten und zieht den Ausgang Ua endgültig auf Masse, wodurch nun an Ua eine logische Null anliegt.

Voraussetzung für die korrekte Funktionsweise der Schaltung ist ein MOSFET, dessen Thresholdspannung kleiner als die Versorgungsspannung der Seite A ist, damit der Transistor überhaupt durchschalten kann. Weiter ist zu beachten, dass die Versorgungsspannung der Seite A kleiner sein muss als jene der Seite B, da andernfalls die höhere Versorgungsspannung über die Substratdiode des MOSFET auf der anderen Seite anliegt.

Sonstige Pegelumsetzer

Pegelumsetzer gibt es für nahezu alle Anwendungen als integrierte elektronische Schaltung. Bei bidirektionalen Pegelumsetzern wird die Umsetzrichtung meist durch eine eigene Steuerleitung ausgewählt. Ein klarer Vorteil eines Pegelumsetzers als integrierte Schaltung ist die Grenzfrequenz, welche meist deutlich höher liegt als die einer diskreten Schaltung.

Pegelumsetzer für digitale Signale mit beliebiger Ausgangsspannung können auf recht einfache Weise mithilfe eines Komparators aufgebaut werden. Allerdings ist auch hier die maximale Übertragungsfrequenz stark durch die Grenzfrequenz des Komparators eingeschränkt.

Grundsätzlich kann jeder Pegelumsetzer auch als galvanisch getrennte Variante ausgeführt werden. Analoge Pegelumsetzer mit galvanischer Trennung sind einem Trennverstärker sehr ähnlich, wenn auch ein Trennverstärker die Signalpegel nur verstärkt und nicht direkt anpasst (verschiebt).

Schnittstellentreiber

Schnittstellentreiber können als Sonderform eines Pegelumsetzers angesehen werden. Neben der eigentlichen Anpassung der Signalpegel können Schnittstellentreiber auch komplette Spannungsaufbereitungsschaltungen integriert haben, um die für den Ausgangspegel nötigen Spannungen selbst erzeugen zu können. Je nach Anwendung haben Schnittstellentreiber entsprechende Ausgänge, wie z. B. Ausgangspaare zur Erzeugung differenzieller Signale oder Stromausgänge zur Bedienung von Stromschnittstellen.

Literatur

  • Ulrich Tietze, Christoph Schenk: Halbleiter-Schaltungstechnik. 12. Auflage. Springer, Berlin / Heidelberg / New York 2002, ISBN 3-540-42849-6.
  • Erwin Böhmer: Elemente der angewandten Elektronik. 15. Auflage. Vieweg & Sohn Verlag, Wiesbaden 2007, ISBN 978-3-8348-0124-1.