Pendeldämpfungsgerät
Das Pendeldämpfungsgerät (PDG, engl. Power System Stabilizer, PSS) dient dazu, Polradwinkelschwingungen in Drehstrom-Synchrongeneratoren zu dämpfen. Es ist ein Teil des Regelkreises der Generatorerregung und meistens in deren Reglersoftware integriert, also nicht zwingend ein eigenständiges Gerät.
Polradwinkelschwingungen
Der Polradwinkel (auch „Schlupfwinkel“) einer Synchronmaschine ist ein Maß für die von der Maschine an das elektrische Netz bzw. an die Verbraucher abgegebene Wirkleistung.
- (Gleichung gilt exakt nur für ideale Vollpolmaschine)
wobei:
- Netzspannung (Leiter-Erde),
- Polradspannung des Generators (vom rotierendem Läufermagnetfeld in den Statorwicklungen induzierte Spannung),
- Synchrone Reaktanz (Blindwiderstand) der d-Achse des Generators
- Polradwinkel der Synchronmaschine,

Die Netzspannung und die Reaktanz können bis auf geringe Änderungen im Netzbetrieb als konstant angesehen werden, bei permanent-erregten Synchronmaschinen auch die Polradspannung .
In allen Fällen ändert sich der Polradwinkel der Maschine mit ihrer Wirklast.
Wird ein Synchrongenerator mit einer plötzlichen, sprunghaften Änderung der Wirklast, z. B. durch Schaltvorgänge oder Kurzschlüsse, beaufschlagt, kann es beim Ausgleichsvorgang zu Polradpendelungen kommen. Dabei wird der Polradwinkel zu seinem neuen Wert, der sich aus dem neuen Belastungszustand ergibt, hin beschleunigt. Er stellt sich jedoch nicht sofort auf ihn ein, sondern pendelt aufgrund der Trägheit des Rotors mit abnehmender Amplitude um seinen neuen Endwert. Die Pendelung erfolgt dabei mit der Eigenfrequenz des Generatorrotors. Sie kann sich negativ auf die Stabilität des Generators auswirken.
Pendeldämpfung über das Erregersystem der Synchronmaschine
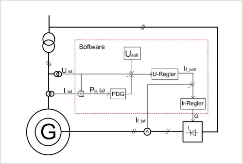
Regelkreis eines Synchrongenerators mit Pendeldämpfungsgerät

Formelzeichen:
, Generatorspannung und -strom
, Erregerspannung und -strom
elektrische Wirkleistung
Kreisfrequenz
Steuerwinkel für Stromrichter
Um bei verschiedenen Belastungen des Generators seine Klemmenspannung konstant zu halten (Generator im Inselbetrieb), bzw. um einer bestimmten Wirklast des Generators eine variable Blindleistung zu liefern (Netzbetrieb des Generators), verfügen die meisten Generatoren über einen Spannungs- bzw. cos-Regler. Er ist in den Regelkreis des Generators eingebunden und beeinflusst über den Erregerstrom seine Klemmenspannung bzw. seinen Leistungsfaktor. In Abhängigkeit von der Betriebsart (Spannungsregelung/Blindleistungsregelung) wird ein Spannungssollwert für den Regelkreis gebildet und dem Regler vorgegeben.
Das Pendeldämpfungsgerät erzeugt je nach Ausführung aus den Messgrößen Generatordrehzahl und/oder Generatorleistung ein Zusatzsignal, das dem Spannungssollwert addiert wird. Es reagiert auf dynamische Änderungen seiner Eingangssignale, die einen Ausgleichsvorgang des Generators zu einem neuen Betriebspunkt bedeuten, und verändert den Spannungsollwert kurzzeitig. Über den Generatorspannungssollwert, den Spannungsregler, den unterlagerten Erregerstromregler und die in der Maschine induzierten Spannung wird letztendlich der Verlauf der Wirkleistung des Generators während eines Ausgleichsvorganges beeinflusst. Die Polradschwingungen werden gedämpft.
Die Wirkleistung, die der Generator an das Netz abgibt, stammt aus der Antriebsleistung der Turbine, mit der der Rotor gekoppelt ist. Um einen optimalen Einfluss auf den Generator zu haben, muss das PDG für die jeweilige Maschine und ihren Betriebspunkt ausgelegt werden.
Verschiedene PDG-Strukturen
In dem internationalen Standard IEEE 421.5 sind verschiedene PDG-Strukturen aufgeführt. Sie unterscheiden sich auch in der Anzahl und Art ihrer Eingänge. Es existieren Single- und Dual-Input-PDG. Als Eingangssignale werden die Drehzahl und/oder die elektrische Wirkleistung des Generators genutzt.
Literatur
- Valentin Crastan, Elektrische Energieversorgung 1, 2. Auflage, Springer Verlag 2007 (ISBN 978-3-540-64193-3)
- Valentin Crastan, Elektrische Energieversorgung 2, 2. Auflage, Springer Verlag 2009 (ISBN 978-3-540-41326-4)
- Dietrich Oeding, Bernd R. Oswald, Elektrische Kraftwerke und Netze, 6. Auflage, Springer Verlag 2004 (ISBN 978-3-642-19245-6)
- IEEE 421.5-2005, IEEE Recommend Practice for Excitation System Models for Power System Stability Studies, IEEE 2006