pin-Diode

Die pin-Diode (englisch positive intrinsic negative diode) ist ein elektrisches Bauelement. Der Aufbau ist ähnlich einer pn-Diode, mit dem entscheidenden Unterschied, dass sich zwischen der p- und n-dotierten Schicht eine zusätzliche schwach oder undotierte Schicht befindet. Diese Schicht besitzt somit lediglich intrinsische Leitfähigkeit (eigenleitend) und wird daher i-Schicht genannt. Die p- und n-Schicht sind somit nicht in direktem Kontakt, und bei Anlegen einer Sperrspannung kommt es zur Ausbildung einer größeren Raumladungszone als bei der klassischen pn-Diode. Da die i-Schicht nur wenige freie Ladungsträger enthält, ist sie hochohmig.
Die pin-Diode wird auch psn-Diode (s für schwach dotiert) oder Leistungsdiode (auf Grund der Anwendung in der Leistungselektronik) genannt.
Aufbau
Eine pin-Diode besteht im Wesentlichen aus einem schwach n-leitendem Silizium-Grundmaterial (Substrat), welches auf der einen Seite mit einer starken p- und auf der anderen Seite mit einer starken n-Dotierung versehen ist (möglich ist auch die Verwendung schwach p-dotierter Substrate, aber n-Material ist meist in höherer Reinheit erhältlich).
Die Dotierung kann wahlfrei durch Diffusionsprozesse, Epitaxie oder Ionenimplantation erreicht werden. Zur Kontaktierung werden auf beiden hochdotierten Bereichen Metallschichten aufgebracht, dabei entsteht ein ohmscher Kontakt. Als Metallisierungsmaterial findet häufig Aluminium Verwendung.
Funktion
Wird die pin-Diode positiv vorgespannt, so werden von der p-Schicht Löcher und von der n-Schicht Elektronen in die i-Schicht injiziert. Die Lebensdauer der Ladungsträger ist in der undotierten i-Schicht besonders hoch ( ≈ 0,05…5 µs für Silizium). Daher bleibt die pin-Diode auch dann leitend, wenn nur kurze Spannungsimpulse mit einer Impulsdauer von anliegen. Betreibt man die pin-Diode in Sperrrichtung, ergibt sich zwischen der p- und der i-Zone eine an Ladungsträgern verarmte Raumladungszone. Die Tiefe dieser Zone ist bei gegebener Sperrspannung durch folgende Gleichung gegeben (siehe auch unter pn-Übergang):
Dabei ist ε0 = 8,85×10−12 F/m die elektrische Feldkonstante, εr die Dielektrizitätszahl und e die Elementarladung. Die Näherung auf der rechten Seite gilt für den Fall der pin-Diode, da die Akzeptorkonzentration in der p-Dotierung sehr viel größer ist als die Donatorkonzentration in der n-Dotierung der i-Schicht ( des Substrats liegt typischerweise bei 1012–1014 cm−3 und der p-Dotierung bei 1018–1020 cm−3).
Im Gleichstrombetrieb funktioniert die pin-Diode ähnlich wie eine normale Halbleiterdiode, nur bei Schaltvorgängen macht sich die hohe Anzahl der in der i-Schicht gespeicherten Ladungsträger bemerkbar. Für Wechselstrom besitzt die pin-Diode bis ca. 10 MHz (abhängig von der Dicke der i-Schicht) Gleichrichtereigenschaften. Oberhalb von 10 MHz verhält sie sich wie ein ohmscher Widerstand, der umgekehrt proportional zum mittleren Strom durch die Diode ist.
- , mit der Temperaturspannung: und n ≈ 1…2. (Begrenzt durch den Kontaktwiderstand sind minimal ca. 0,8–8 Ω erreichbar.)[1]

Die Kapazität von negativ vorgespannten pin-Dioden hat eine vergleichbare funktionelle Abhängigkeit vom Volumen wie die Kapazität von Plattenkondensatoren, welche von der Fläche und vom Plattenabstand abhängt.
Die Fläche entspricht bei pin-Photodioden der aktiven Fläche des Detektors, und der Plattenabstand entspricht der Tiefe der Raumladungszone . Bei einer vollständig verarmten pin-Photodiode entspricht näherungsweise der Chip-Dicke und bei einer Detektorfläche von 5 mm² und einer Chip-Dicke von 0,5 mm erhält man eine Kapazität von 1 pF.
Die bei pin-Photodioden durch einfallende Strahlung messbare Spannungsänderung beträgt , wobei die Ladung der Elektronen bzw. Löcher ist und die Detektorkapazität. Die von der Strahlung erzeugten Elektron-Loch-Paare werden vom elektrischen Feld getrennt, wobei die Elektronen zum positivsten und die Löcher zum negativsten Potential driften. Die Spannungsdifferenz sollte möglichst groß sein, damit das Signal-Rausch-Verhältnis groß wird. Dazu sollte die Kapazität möglichst klein sein, wozu man bei konventionell aufgebauten pin-Photodioden entweder die empfindliche Fläche minimiert oder die sensitive Dicke erhöht. Andererseits ist aber häufig eine möglichst große Fläche erwünscht. Diese sollte aber nicht zu groß sein, damit nicht eine extrem hohe Sperrspannung angelegt werden muss.
Anwendung
pin-Dioden finden hauptsächlich in der Hochfrequenztechnik als gleichstromgesteuerte Widerstände (Dämpfungsglieder oder Amplitudenregler) oder gleichspannungsgesteuerte HF-Schalter Verwendung.[1] Auf Grund der vorhandenen i-Schicht erzielt man in der Leistungselektronik bei Spannungen über 1 kV ein besseres Durchlassverhalten und durch die breite Raumladungszone eine um den Faktor 5 höhere Spannungsfestigkeit als bei pn-Dioden, weshalb sie als Gleichrichter- und Freilaufdioden für hohe Spannungen und Ströme eingesetzt werden.[2] Als Photodioden werden sie zur Strahlungsmessung und als Empfänger in der Lichtwellenleiter(LWL)-Übertragungstechnik eingesetzt.
Gleichstromgesteuerter Widerstand
Durch das Verhalten als ohmscher Widerstand bei hohen Frequenzen, also , kann man eine pin-Diode als gleichstromgesteuerten Wechselspannungswiderstand einsetzen. Dabei überlagert man den hochfrequenten Wechselstrom mit einem Gleichstrom, wodurch man den Widerstand der i-Zone steuern kann.
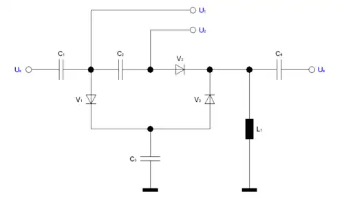
In Hochfrequenzschaltungen mit werden meist -Dämpfungsglieder mit drei pin-Dioden eingesetzt. Dadurch kann man eine Signalabschwächung bei konstanter Anpassung an den Wellenwiderstand (meist 50 ) vornehmen.
Zudem haben pin-Dioden aufgrund der relativ dicken i-Zone eine geringe Sperrschichtkapazität. Dadurch kann man diese, mit der Schaltung des π-Dämpfungsgliedes im Kurzschluss-Serien-Kurzschluss-Betrieb, auch als Hochfrequenzschalter einsetzen, wobei bei eine starke Sperrdämpfung entsteht.
-
Spannungsteiler für Wechselspannungen mit pin-Diode. -
Schaltung eines π-Dämpfungsglieds.
Photodiode


Die pin-Photodiode und die Avalanche-Photodiode werden vorwiegend in der Optoelektronik für die optische Signalübertragung in der Nachrichtentechnik eingesetzt. Die pin-Photodiode stellt dabei den wichtigsten Detektor für LWL-Anwendungen dar.[3] Pin-Photodioden sind aufgrund der dicken i-Schicht temperaturstabiler und kostengünstiger, aber wegen der fehlenden internen Verstärkung weniger empfindlich als die Avalanche-Photodioden. Spitzenwerte für die Empfindlichkeit für Si-pin-Dioden liegen im Maximum bei 850 nm zwischen −40 dBm (25 Mib s−1) und −55 dBm (2 Mib s−1). Für Wellenlängen oberhalb 1000 nm kommen Materialien wie Germanium (Ge), Indiumgalliumarsenid (InGaAs) und Indium-Galliumarsenid-Phosphid (InGaAsP) zum Einsatz, wobei InGaAs die größte Grenzwellenlänge von 1600 nm besitzt.[3]
In einem Position Sensitive Device nutzt man den lateralen Photoeffekt einer flächigen pin-Diode mit mehreren Elektroden zur Lokalisierung eines Lichtflecks auf der Diode.
Literatur
- Ulrich Tietze, Christoph Schenk, Eberhard Gamm: Halbleiter-Schaltungstechnik. 12. Auflage. Springer, 2002, ISBN 3-540-42849-6.
Weblinks
- Vom Dioden-Schalter zum elektronischen UKW-Antennenumschalter. Elektronik-Kompendium (Diode und Hochfrequenzschalter).
- W. E. Doherty, Jr., R. D. Joos: The PIN Diode Circuit Designers’ Handbook. ( vom 1. Mai 2015 im Internet Archive; PDF; 1,26 MB) Microsemi, Watertown 1998 (englisch).
Einzelnachweise
- ↑ a b L. Stiny: Handbuch aktiver elektronischer Bauelemente. Franzis’ Verlag, 2009, ISBN 978-3-7723-5116-7, S. 186 f.
- ↑ J. Specovius: Grundkurs Leistungselektronik: Bauelemente, Schaltungen und Systeme. Vieweg+Teubner, 2010, ISBN 978-3-8348-1307-7, S. 18–29 (eingeschränkte Vorschau in der Google-Buchsuche).
- ↑ a b D. Gustedt, W. Wiesner: Fiber Optik Übertragungstechnik. Franzis’ Verlag, 1998, ISBN 978-3-7723-5634-6, S. 105 f.