Schaltplan (Pneumatik)
Ein Schaltplan (auch Schaltbild) in der Pneumatik ist die grafische Darstellung einer pneumatischen Schaltung. Sie berücksichtigt nicht die reale Gestalt und Anordnung der Bauteile, sondern ist eine abstrahierte Darstellung der pneumatischen Funktionen und der Druckluftverläufe. Diese Pläne entstehen zu Beginn des Entwurfes einer Anlage, eines Gerätes oder einer Baugruppe und werden später auch für Reparaturen und Wartungen benötigt.
Schaltpläne
Einen guten Überblick über die verschiedenen Schaltsymbole in der Pneumatik liefert die Liste der Schaltzeichen (Fluidtechnik), in der die meisten Symbole für pneumatische Fluidelemente aufgeführt sind. Ein vollständiger, pneumatischer Schaltplan enthält neben der Drucklufterzeugung eine Wartungseinheit, ein oder mehrere manuell oder automatisch betätigte Ventile als Stellglieder und einen oder mehrere Pneumatikzylinder als Arbeitsglieder.
Pneumatische Schaltpläne sollten nach der Norm DIN ISO 1219-2 (fluidtechnische Schaltpläne) erstellt werden. Sie zeigen alle Arbeits- und Steuerschaltkreise, die Schritte des Arbeitsablaufs, die Bauteile der Schaltung mit ihrer Kennzeichnung sowie die Leitungen und Verbindungen. Die räumliche Anordnung der Bauteile wird in der Regel nicht berücksichtigt.
Schematische Darstellungen
Stellglieder (Ventile)
-
Ein geschlossenes Kugelrückschlagventil. -
Ein geöffnetes Kugelrückschlagventil. -
Falsches Schaltsymbol für das Drosselrückschlagventil (richtig: Pfeil zeigt immer in die Richtung des gedrosselten Volumenstromes; hier: von rechts nach links)
Zylinder
- Funktionsprinzip von Pneumatikzylindern
-
Einfach wirkender Zylinder -
Doppelt wirkender Zylinder
Wartungseinheit und Arbeitsglieder (Zylinder)
- Wartungseinheit, Stellglieder und Arbeitsglied
-
Symbol für die Wartungseinheit -
Wartungseinheit im Detail -
Pneumatikzylinder mit zwei Drossel-Rückschlag-Ventilen mit konstanter Drosselung, da die Pfeile für die Verstellbarkeit des Volumenstromes fehlen
Komplette Schaltkreise
Die nachfolgende Bezeichnungen entsprechen einem alten Stand der Norm und wurden auf alten Schaltplänen verwendet. Auf neuen Schaltplänen sollten die neuen Bezeichnungen angewandt werden. Die Bezeichnungsnorm für Pneumatik-Betriebsmittel ist ISO 1219-2
ISO 1219-2 2012
Nach DIN ISO 1219-2 ist folgender Bezeichnungsschlüssel für Bauteile der Fluidtechnik vorgeschrieben:
- Anlagenbezeichnung (Anlagennummer, wird ohne Vorzeichen eingegeben)
- - (fest vorgegebenes Trennzeichen)
- Medienschlüssel (Gewerkskennung)
- Schaltkreisnummer
- . (fest vorgegebenes Trennzeichen)
- Bauteilnummer (fortlaufende Nummer)
Nach der Norm DIN ISO 1219-2 kann der Medienschlüssel weggelassen werden, wenn nur ein Medium innerhalb der Anlage verwendet wird.
Beispiel
1-P2.3
1 = Anlagennummer
- = Trennzeichen
P = Medienschlüssel (Gewerkskennung für „Pneumatik“)
2 = Schaltkreisnummer
. = Trennzeichen
3 = Bauteilnummer
ISO 1219-2 bis 2012
Elementecode
A = Aktoren
V = Ventile
S = Sensoren
Z = Wartungseinheit, Taktstufe
P = Pumpe, Verdichter
M = Antriebsmotor
Nachfolgende Muster sind noch nach der alten ISO 1219.
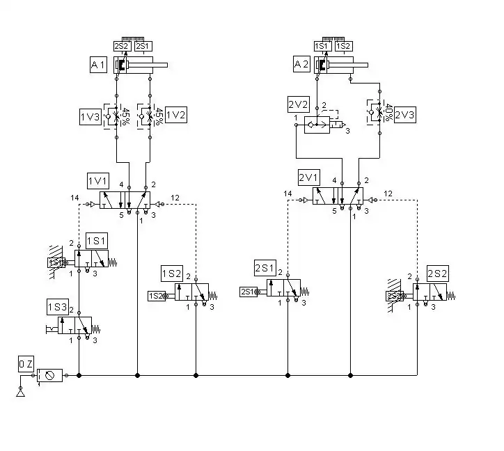
Die direkte Ansteuerung wird nur bei Zylindern bis Kolbendurchmesser kleiner oder gleich 20 mm sinnvoll. Alle größeren Durchmesser werden indirekt angesteuert, da in der Steuerleitung ein kleinerer Querschnitt gewählt werden kann.
Die Versorger werden mit Z beschriftet. 0Z da meistens für alle Arbeitselemente dieselben Versorger sind.
Die Schalter mit S: 1S1 bedeutet der Schalter ist dem ersten Zylinder zugeteilt und ist der erste Schalter, dementsprechend ist 1S2 der zweite usw.
Die Arbeitselemente werden mit A bezeichnet: A1 ist das erste, A2 das zweite usw.
Die Verarbeitungselemente werden mit V bezeichnet, hier gilt dasselbe wie bei den Schaltern 1V1 usw.
Alle Beschriftungen müssen umrahmt werden.
Weiteres Schema mit 2 Zylindern
Software
Es existieren verschiedene Programme, mit denen Pneumatik-Schaltpläne erstellt werden können. Zu nennen sind generelle Zeichen- oder CAD-Programme, wie z. B. Microsoft Visio oder AutoCAD, für die oftmals Pneumatik-Bibliotheken existieren, oder Spezialisten wie z. B. Omegon Fluid Technology OFT2[1], die bereits umfangreiche Pneumatik-Bibliotheken mitbringen. In den letzten Jahren hat sich das Schaltplanprogramm FluidDraw von Festo[2] und Scheme Editor von Bosch Rexroth AG[3] etabliert.
Einzelnachweise
- ↑ Omegon Fluid Technology OFT2 ( des vom 20. September 2010 im Internet Archive) Info: Der Archivlink wurde automatisch eingesetzt und noch nicht geprüft. Bitte prüfe Original- und Archivlink gemäß Anleitung und entferne dann diesen Hinweis.
- ↑ Festo AG & Co. KG
- ↑ Bosch Rexroth AG