Schaltwartenboden

Der Schaltwartenboden ist eine spezielle Form des Doppelbodens.

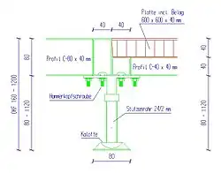
Die Schaltwartenunterkonstruktion besteht aus miteinander verschraubten verzinkten C-Profilen, Gehbereich 40 × 40 mm, Bereich der Schrankfelder 80 × 40 mm. Die Oberkante der Schrankfelder ist bündig zur Oberkante der Doppelbodenplatten. Die Profile werden mit Stützen gemäß VDE 0100 verschraubt, welche in der Höhe zum Ausgleich von Bodenunebenheiten verstellbar sind. Die Stützenfüße stehen in lastverteilenden Kalotten, die mit Kleber auf dem Untergrund fixiert werden. Schrankrahmen werden passgenau angefertigt. Die nach unten offenen Rahmen ermöglichen einfachste Zuführung der Verkabelung von Schaltschränken. Ein Verschließen der Rahmen mit Doppelbodenplatten (Reservefelder) ist möglich.

Die Schaltwartenunterkonstruktion ist freistehend, sie gewährleistet volle Stabilität auch ohne verlegte Doppelbodenplatten. Bei der Verkabelung störende Abdeckung kann einfach aufgenommen werden, ohne die Standsicherheit und Lastaufnahme der Doppelbodenanlage zu beeinträchtigen. Die Lastwerte sind gegenüber dem Doppelboden wesentlich erhöht.
Die Punktlastaufnahme im Bereich der Schaltschränke liegt immer über 5 kN, die Punktlastaufnahme im Gehbereich bei vierseitiger Plattenauflage zwischen 4 kN und 5 kN, je nach verwendeter Doppelbodenplatte. Bei nur dreiseitiger Plattenauflage ist die Lastaufnahme nicht größer als bei Doppelboden.