Schiffskühlsystem
Der Begriff Schiffkühlsystem bezeichnet Systeme auf Schiffen, die neben der Kühlung des Hauptmotors und der Hilfsdiesel auch zur Abwärmenutzung und zur Kühlung anderer Hilfssysteme wie Klimaanlage, Proviantkühlanlage, Luftverdichter, Dampfüberschuss-Kondensator und Süßwassererzeuger dienen.
Art der Kühlung
Direkte Kühlung, Durchlaufkühlsystem

Das Kühlwassersystem wurde in der Anfangszeit der Schiffsdieselmotoren um 1920 als „Durchlaufkühlsystem“ ausgeführt. Es erfolgte dabei eine direkte Kühlung der Motoren mit Seewasser, das von einer am Hauptmotor angehängten Pumpe gefördert wurde.
Indirekte Kühlung, Umlaufkühlsystem
Aufgrund von Erosion-, Korrosions- und Ablagerungsproblemen erfolgte später eine Umstellung auf indirekte Kühlung mit Süßwasser. Diese Kühlung wurde als „Umlaufkühlung“ bezeichnet, da das Süßwasser in einem Umwälzkreislauf zirkulierte und das Süßwasser die Wärme in einem Kühler an das Seewasser abgab.
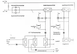
Zentralkühlsystem

Neben den Haupt- und Hilfsdieselmotoren wurden auch andere Kühlstellen (Hilfsdiesel, Klimaanlage, Proviantkühlanlage, Luftverdichter, Dampfüberschuss -Kondensator und Süßwassererzeuger) mit Seekühlwasser versorgt. Bei den bisherigen dezentralen Kühlsystemen werden die im Maschinenraum abhängig von ihrem Aufstellungsort verteilten Kühlstellen (Wärmequellen) mit Seewasser versorgt. Durch die große Anzahl der Wärmequellen sind daher viele und teilweise sehr lange Seewasserhin- und rückleitungen erforderlich. Die Wärmequellen wurden je nach Größe und Temperaturniveau parallel oder in Reihe durchströmt.
Als ab den fünfziger Jahren die Hauptmotoren mit preiswertem Schweröl betrieben werden konnten, wurde Dampf zur Schwerölvorwärmung benötigt. Daraufhin erfolgte eine schrittweise Optimierung der Kühlsysteme, um für Heiz- und Vorwärmzwecke möglichst keine Primärenergie einzusetzen (Klimatisierung, Trinkwassererzeugung, Vorwärmung). Das Kühlwassersystem wurde zusammengefasst zu einer zentralen Einheit mit kurzen Seewasser führenden Leitungen. Alle Anlagen und Maschinen wurden jetzt vorwiegend mit Süßwasser gekühlt.
Zentralkühlsystem, Süßwasserkreiskühlung mit Niedrig- und Hochtemperatursysteme
Die weitere energetische Optimierung führte in den siebziger Jahren zur Aufteilung der Süßkühlwassersysteme in Niedrig- und Hochtemperatursysteme (NT-, HT-Kühlwassersystem). Hierdurch konnte in verschiedenen Temperaturebenen eine wirksamere Nutzung der Kühlwasserwärme ermöglicht werden.
Kurz darauf erfolgte bei einigen Motorherstellern auch eine Umstellung der Ladeluftkühlung von Seewasser auf Süßwasserkühlung. Mit einer Aufteilung des Ladeluftkühlers auf das NT- und HT-System ergab sich eine weitere ergiebige Wärmequelle zur Abwärmeausnutzung. Außerdem ergab sich dadurch eine Verbesserung im Schwerölbetrieb der Motoren, bei tiefen Außentemperaturen und niedriger Teillast konnte die Ladeluft vorgewärmt werden.
Anforderungen an das Kühlsystem
Die Anforderungen ergeben sich aus den Wärmequellen (z. B. Hauptdieselmotor, Hilfsdiesel), der Umgebung und dem Maschinenraum (vertikal oder horizontal strukturiert).
Wichtig ist außerdem auf den heutigen Schiffen ein vollautomatischer wirtschaftlicher Betrieb, eine hohe Zuverlässigkeit und eine einfache Bedienbarkeit. Die mit dem Brennstoff zugeführte Energie von Schiffsdieselmotoren wird zu 40 – 50 % in mechanische Energie umgewandelt, es verbleiben ca. 50 – 60 %. Von diesen Verlusten werden etwa jeweils die Hälfte durch die Kühlmedien und mit dem Abgas abgeführt. Diese Energiebilanz wird graphisch dargestellt als Sankey-Diagramm bezeichnet. Die Daten der Wärmequellen liegen relativ frühzeitig fest, mit der Festlegung der Antriebsleistung und des Hauptmotortyps sind vom Hauptmotorhersteller spezifische Angaben verfügbar. Mit der E-Bilanz, Auswahl der Hilfsdieselgeneratoraggregate und Hilfsmaschinen sind die weiteren Abwärmequellen vorgegeben und können überschlägig bestimmt werden.
Seewasserkühlsysteme
Mit dem Seewasserkühlsystem sind außer der Abgaswärme und der Strahlungswärme alle an Bord anfallenden Verlustwärmen abzuführen. Die Art und Versorgung des Seewasserkühlsystems (Pumpen, Scoopkühler, Seekasten- oder Außenhautkühlung) ist unterschiedlich. Die Ausführung des Seekühlwassersystems hat Auswirkungen auf den Platzbedarf im Maschinenraum, den Elektroenergiebedarf und beeinflusst die Gestaltung der Außenhaut im Maschinenraumbereich (Scoopkühler).
Seekühlwasserpumpen


Die heute überwiegend eingesetzten Seekühlwassersysteme arbeiten mit Pumpen, die das Seewasser ansaugen, durch die Wärmeübertrager pumpen und anschließend nach außenbords befördern. Der Antrieb der Seekühlwasserpumpen erfolgt in der Regel elektrisch, die dazu notwendige E-Leistung (5 – 15 % E-Bedarf im Seebetrieb) ist in der E-Bilanz zu berücksichtigen und hat Auswirkungen auf die Hilfsdiesel- und die Generatorauslegung. Die Seekühlwasserpumpen sind auf die maximal auftretenden Seewassertemperaturen (entsprechend dem Fahrtgebiet) ausgelegt. Eine gleich große Seekühlwasserpumpe ist als Reserve parallel geschaltet und für den Hafenbetrieb wird häufig eine kleinere (ca. 1/3 Volumenstrom) Hafenseekühlwasserpumpe vorgesehen.
Die Seekühlwasserpumpen saugen das Seewasser aus Seekästen und über Filter an. Es sind verschiedene Seekästen (Tiefsauger und Hochsauger) vorhanden. Normal sind die Tiefsauger in Betrieb, der Hochsauger ist für das Fahren in flachen Gewässern und Flüssen gedacht, um starke Verschmutzungen zu vermeiden. Neben ausreichenden Entlüftungsrohren oder -schlitzen sind Dampf- oder Druckluftleitungen zum Ausblasen im Verschmutzungs- bzw. Vereisungsfall vorhanden. Für Schiffe mit Eisklasse wird von den Klassifikationen das Seekastenvolumen abhängig von der installierten Haupt- und Hilfsdieselleistung vorgeschrieben, die Seewasseraustrittsleitung wird dann als Bypass in den Seekasten zurückgeführt und es sind Dampfanschlüsse vorgeschrieben. In besonderen Fällen wird eine Umlaufkühlung aus den Ballasttanks vorgeschrieben. Zwischen dem Seekasten und der Pumpe sind Filter mit Bypass angeordnet, die während des Betriebes gereinigt werden können.
Die Notwendigkeit dieser Einrichtungen wurde im Eiswinter 1995/96 deutlich, als mehrere Schiffe auf der Elbe wegen ausgefallener Hauptmaschine notankern mussten bzw. Kollisionen verursachten. Die Ursache des Haupt- oder Hilfsdieselausfalls waren zu hohe Süßkühlwassertemperaturen aufgrund von Eisgrus im Seekasten.
Alternativ können auch Verfahren wie Scoop-, Seekasten- oder Außenhautkühlung angewendet werden, die ohne Pumpen arbeiten.
Scoopkühlung
Beim Scoop-Kühlsystem läuft das Seekühlwasser durch Ein- und Austrittsrohre mit sehr großem Querschnitt. Zwischen dem Aus- und Eintrittsrohr befindet sich ein widerstandsarmer Kühler, der bei der Fahrt des Schiffes durchströmt wird. Zur guten Durchströmung werden die Ein- und Austrittsstutzen so geformt, dass am Eintrittsstutzen Überdruck und am Austrittsstutzen Unterdruck entsteht. Der Vorteil des Scoopkühlers liegt im geringeren Elektroenergiebedarf im Seebetrieb, der mit dem Nachteil der Widerstandserhöhung des Schiffes und großem Platz- und Gewichtsbedarfes des Scoopkühlers erkauft wird.
Seekastenkühler

Seekastenkühler sind auf großen Handelsschiffen nahezu unbekannt, obwohl sie auch hier für dezentrale weit entfernte Systeme erhebliche Vorteile bieten. Die Anwendung beschränkt sich bisher auf Binnen- und Küstenmotorschiffe, die über den Seekastenkühler den gesamten Wärmeaustausch des Kühlwassersystems abdecken. Dabei wird ähnlich wie beim Scoop-Kühler keine Seekühlwasserpumpe benötigt. Die Wärme tauschenden Kühler, bisher vorwiegend Röhrenkühler, hängen direkt im Seewasser und werden ähnlich wie beim Scoop-Kühler durch die Fahrt des Schiffes durchströmt. Zur Widerstandsverminderung werden die Kühler innerhalb der Schiffslinien in dafür vorgesehene Kästen installiert, die mit gelochten oder geschlitzten Blechen entsprechend der Schiffskontur abgedeckt sind. Dabei ist es wichtig, dass die obere Wand eine Neigung erhält, um die Strömung von unten nach oben zu unterstützen. Die Strömung des Seewassers durch den Kühler erfolgt von unten nach oben und entsteht durch den Dichteunterschied zwischen dem kalten und sich bei der Wärmeübertragung erwärmenden Seewasser.
Außenhautkühlung und Kombinationen

Ein vielfach auf Fischereischiffen angewendetes Verfahren besteht aus auf der Außenhaut verlegten Rohrleitungen. Diese werden gegen mechanische Beschädigung durch ein Gitter geschützt. Bei dem Taschenkühlsystem werden Rohrleitungen in Taschen, die in die Außenhaut eingefügt sind, verlegt. Durch diese Rohre fließt das Süßwasser, welches vom außen strömenden Seewasser gekühlt wird. Dies entspricht dem Prinzip des Kastenkühlers, jedoch wird kein kompaktes Rohrbündel, sondern flächig verlegte Rohrleitungen verwendet.
Für besonders anspruchsvolle Zwecke werden Außenhautkühler verwendet, die sich in einem speziellen Doppelboden oder in einer doppelten Außenhaut befinden. In dem Zwischenraum werden mäanderförmige Strukturen auf der Außenhaut und/oder der Innenhaut verschweißt, die zur Strömungsführung aber auch zur Flächenvergrößerung nach dem Prinzip der Rippenrohrkühler dienen. Diese Art der Außenhautkühler werden vorwiegend für kleine und mittlere Wasserfahrzeuge verwendet, die auch im extremen Flachwasser-, in Eisgebieten und in stark verschmutzten oder algenreichen Fahrtgebieten operieren. Neben dem Wegfall der Seewasserpumpe hat dieses System nicht den Nachteil einer aufwendigen Reparatur durch Taucher oder Dockung im Fall einer ernsten Störung.
Alle diese Systeme bzw. Verfahren benötigen für das Seekühlwassersystem einen geringeren oder keinen elektrischen Energiebedarf. Die Energie wird von der Hauptmaschine aufgebracht, die aufgrund der Widerstandserhöhung bei gleicher Geschwindigkeit geringfügig mehr Leistung benötigt. Diese Mehrleistung ist jedoch sehr gering, der Nachteil liegt in der schlechten Zugänglichkeit dieser Kühlsysteme im Störfall. Bei der Reparatur sind Taucher notwendig oder es wird eine kostspielige Dockung notwendig.
Niedrig-Temperatur-Kühlwassersystem (NT)

Dieses System besteht aus den Rohrleitungen, Armaturen, Regelventil, NT-Süßkühlwasser-Pumpen, den NT-Zentralkühler und gekühlten Hilfsmaschinen. Dies System hat aufgrund der Vielzahl dieser Hilfsmaschinen die Hauptaufgabe des bisherigen dezentralen Seekühlwassersystems übernommen.
Das NT-System wird am Austritt des Zentralkühlers auf eine konstante Temperatur geregelt. Diese Regelung erfolgt durch das Ansteuern eines Bypassventils oder Dreiwegeventils, welches die heiße Druckseite mit der kalten Saugseite verbindet. Abhängig von der Temperatur, die der Temperaturfühler hinter dem Dreiwegeventil misst, wird der Bypass mehr oder weniger stark geöffnet und dadurch die Temperatur eingestellt. Druckseitig fließt das Süßkühlwasser durch die Wärmeübertrager und Hilfsmaschinen, die je nach Temperaturdifferenz und abzuführende Wärmemenge parallel oder in Reihe geschaltet werden.
Saugseitig ist der Hochtank oder Ausgleichstank für den NT-Süßwasserkreis angeordnet, der verschiedene Aufgaben erfüllt.
- Ausdehnung
- Verlust der Verdampfung
- Entlüftung
Bei Süßkühlwasserverlust wirkt er als Puffer und gleicht den Verlust aus. Ein Schwimmer mit Kontaktschalter gibt bei zu niedrigem Wasserstand Alarm. Ein Überlaufrohr führt zum Süßkühlwasservorratstank (in der Regel im Doppelboden), aus dem der Hochtank über die Füllpumpe aufgefüllt werden kann. Zur Beobachtung des Kühlwassers ist eine Wasserstandseinrichtung oder ein Schauglas installiert. In Höhe des Wasserstandes ist eine Ablaufeinrichtung angeordnet, damit z. B. schwimmendes Öl in den Schlammtank abgelassen werden kann. Eine Heizschlange dient zum Aufheizen, wenn der Hauptmotor steht und die Temperatur zu weit abgesunken ist.
Hochtemperatur-Kühlwassersystem (HT)
Das HT-System ist wie das NT-System ausgestattet, es versorgt die Kühlstellen auf einem höheren Temperaturniveau. Das sind in der Regel das Zylinderkühlwassersystem und die zweite Stufe des Ladeluftkühlers, wenn dieser zwei- oder mehrstufig ausgeführt wird. Im HT-System wird je nach Philosophie des Motorherstellers die Eintrittstemperatur, die Austrittstemperatur oder beides geregelt. Die Temperatur liegt je nach Motorhersteller zwischen 70 und 90 °C und es war in der Vergangenheit ein Trend zu steigenden Temperaturen ersichtlich. Dieser Trend wird sich voraussichtlich zukünftig fortsetzen (Heißkühlung), hohe Temperaturen reduzieren die Materialbelastungen im Motor und ermöglichen im Schiffsbetrieb eine bessere Abwärmeausnutzung. Die Abwärme dieses Systems wird zur Süßwassererzeugung, häufig auch zur Bunker- und Setztankheizung, Brauchwassererwärmung und Heizung der Wohnräume benutzt.
Literatur
- Henschke (Hrsg.): Schiffbautechnisches Handbuch. Band 4. VEB Verlag Technik, Berlin 1958
- K.-H. Hochhaus, J. D. Mehrkens: Wirtschaftliche Auslegung von Kühlsystemen. In: Schiff und Hafen, 1987, Heft 8
- G. Großmann: Entwicklung von Berechnungsverfahren zur Optimierung von Kastenkühlern für Seeschiffe. FDS Bericht 169, Hamburg 1986
- W. Milde: Auslegung von Zentralkühlern ohne Seewasserpumpen. In: Jahrbuch der Schiffbautechnischen Gesellschaft, 1989
- Kreiselpumpen Lexikon, Klein, Schanzlin & Becker. Frankfurt 1974
- Grundlagen für die Planung von Kreiselpumpenanlagen, Herausgeber SIHI-Gruppe, 1978 Ludwigshafen
- H. Mann: Schiffstechnische Rohrleitungen. VEB Verlag Technik, Berlin 1973
- G. Großmann: Pumpen und Rohrleitungen. In: Handbuch der Werften, Band XVI, 1982, Hansa Verlag