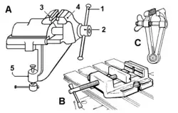
Schraubstock

B Maschinenschraubstock
C Feilkloben


Ein Schraubstock ist eine Vorrichtung zum Feststellen von Werkstücken während ihrer Bearbeitung.
Aufbau und Wirkungsweise


Ein Schraubstock besteht aus Backen, zwischen denen das Werkstück eingespannt wird. Während die eine Backe fest montiert ist, kann die andere mit einer Kurbel oder einem bloßen Stab in Verbindung mit einer Gewindespindel bewegt werden. Je nach Art der Führung unterscheidet man Flaschenschraubstöcke und Parallelschraubstöcke.
Bei Flaschenschraubstöcken oder Schmiedeschraubstöcken sind die beweglichen Backen um einen unterhalb liegenden Bolzen drehbar gelagert. Nur wenn die Backen völlig geschlossenen sind, stehen sie parallel. Bei Öffnung entfernt sich die bewegliche Backe von der festen, indem sie sich um einen Drehpunkt bewegt und somit einen Winkel zur festen Backe bildet. Diese Bauform ist konstruktiv darauf ausgelegt, auf Glut erhitzte Werkstücke zu schmieden. Sie gestattet ein besonders schnelles Einspannen zur Minimierung des Wärmeverlusts und leitet den Impuls der Hammerschläge über das Bein direkt in den Boden weiter.
Ein Parallelschraubstock ist ein Schraubstock, dessen beweglicher Backen sich nicht im Bogen, sondern in gerader Linie fortbewegt.[1] Bei Parallelschraubstöcken sind feste und bewegliche Backe sowohl durch die Spindel als auch durch eine Führ- und Gleitschiene miteinander verbunden, so dass unabhängig von der Öffnung der Winkel der Stellung zueinander sich nicht verändert. Meist läuft die Spindel innerhalb der Führung.
An den Backen können austauschbare Spannbacken angebracht werden, damit bei einer Beschädigung der Backen nicht der ganze Schraubstock ausgetauscht werden muss, sondern nur die Wechselbacken. Es sind auch magnetische oder mit gefedertem Klappmechanismus montierbare Schutzbacken aus Aluminium und Kunststoff erhältlich, die in Form und Härte an das Werkstück angepasst sein können.
Einfache Parallelschraubstöcke werden oft mit einer Klemmschraube an einer Werkbank befestigt (Klemmschraubstöcke) und nehmen Werkstücke auf, die von Hand bearbeitet werden. An Werkbänken fest installierte Schraubstöcke sind im Idealfall höhenverstellbar, um eine optimale Arbeitsplatzergonomie zu gewährleisten. Neben der Höhenverstellung sind im Fachhandel auch Drehteller, Klapp-Vorrichtungen und Klapp-Lift-Vorrichtungen erhältlich.
Durch Drehen der Spindel mit Hilfe einer Kurbel wird der Schraubstock geöffnet bzw. geschlossen. Es sollte darauf geachtet werden, dass der Schraubstock nach vorne öffnet, damit lange Werkstücke senkrecht an der Werkbank vorbei eingespannt werden können.
Die Spindel des Schraubstockes besitzt ein Bewegungsgewinde (Trapezgewinde). Dadurch kann zum einen der Abstand zwischen den Backen an die Größe des Werkstückes angepasst werden und zum anderen eine Spannkraft auf das Werkstück ausgeübt werden. Der Grundkörper eines einfachen Schraubstockes besteht häufig aus Gusseisen. Hochwertige Schraubstöcke werden heute jedoch wegen der besseren Materialeigenschaften aus Stahl geschmiedet, dabei ist oft der hintere Teil des Schraubstocks, oberhalb der Spindel, auch als kleiner Amboss gedacht (was bei Gusseisen wegen der Sprödigkeit des Materials nicht möglich ist). Die Länge der Handkurbel ist meist so ausgelegt, dass das über den Hebel erzielte Drehmoment auf die Spindel nicht zu hoch wird. Es ist dadurch nicht möglich, den Schraubstock nur durch normale Körperkraft zu zerstören.
Maschinenschraubstock

Zum Festspannen von Werkstücken in Werkzeugmaschinen wie Bohr- oder Fräsmaschinen werden Maschinenschraubstöcke eingesetzt, die meist noch präziser gearbeitet sind und höhere Kräfte aufnehmen können. Maschinenschraubstöcke gibt es auch in hydraulischen oder pneumatischen Ausführungen. Oft lassen sich Kurbel oder Knebel, welche zum Spannen benötigt werden, entfernen. Dies dient hauptsächlich dazu, eine Kollision mit der Aufspannplatte oder dem Werkzeug zu vermeiden.
Rohrschraubstock
Auf einem gewöhnlichen Schraubstock mit zwei parallel zueinander liegenden Backenflächen lassen sich Rohre kaum gegen Verdrehen sichern, ohne sie zu beschädigen.
Für die Bearbeitung von Rohren werden daher Backen mit vier Flächen verwendet, die jeweils in einem Winkel von ungefähr 90° zueinander stehen. Das Rohr hat so an vier Stellen seines Umfangs linienförmigen Kontakt mit den Backen und ist gegen seitliches Verrutschen gesichert.
Es gibt jedoch auch für einige Parallelschraubstock-Fabrikate nachkaufbare Rohrspannbacken und auch Modelle, bei denen eine oder zwei Rohrspannspannbacken fest unterhalb der Standardbacken installiert sind.
Spezielle Rohrschraubstöcke zum Herstellen von Rohrgewinden sind mit vier kurzen Backen ausgestattet, deren scharfe Zähne sich in die Wandung des Rohres krallen, um das Rohr beim Einsatz des Gewindeschneiders gegen Verdrehen zu sichern. Bei einer anderen Bauform wird das Rohr durch eine über das Rohr gelegte Kette festgespannt.
Sonderformen


In der Sattlerei wird ein als Nähross[2] bezeichneter Schraubstock aus Holz verwendet, der auf einer Bank montiert ist. Der Sattler kann darauf sitzen und hat Zugang zu beiden Seiten der Ledernaht. Dazu ähnlich ist das Schnitzpferd oder die Schnitzbank. Eine Art mobilen Schraubstock stellt der Nähkloben dar, der ebenfalls zum Einspannen von Leder beim Nähen verwendet wird.
In der Schreinerei werden ebenfalls spezialisierte Schraubstöcke verwendet; zwei davon sind integrierte Bestandteile der Hobelbank. In der Fachsprache werden sie allerdings nicht als Schraubstock, sondern als „Zange“ bezeichnet. Unterschieden wird zwischen der Vorderzange an der linken Seite der Hobelbank und der Hinterzange an der rechten Seite.
In der Feinmechanik ist der Feilkloben für kleine Werkstücke in Benutzung.
Zur Befestigung des Schraubstocks können neben Festmontagen oder Schraubzwingen auch Saugtechniken verwendet werden. Dazu sind glatte Oberflächen erforderlich, die dem Schraubstock einen möglichst festen Halt geben.
Eine weitere Sonderform stellt der Fractal-Schraubstock dar, der sich an unregelmäßige Formen anpassen kann und festhalten kann.[3]
Literatur
- Alois Nedoluha: Die geschichtliche Entwicklung des Schraubstockes. In: Blätter für Technikgeschichte. Heft 18, 1956, ISSN 0067-9127, S. 140–145.
Weblinks
- Der Schraubstock und seine Herstellung (Präsentation) als PDF oder MS PowerPoint
Einzelnachweise
- ↑ Parallelschraubstock. In: Brockhaus’ Conversations-Lexikon. 13., vollständig umgearbeitete Auflage. Band 12 (Murrhardt – Phoxos). F. A. Brockhaus, Leipzig 1885, S. 692.
- ↑ Abbildung eines Nährosses
- ↑ Shawn Frey: Open-Source Tools: 3D Printed Fractal Vise. In: https://all3dp.com/. 10. August 2021, abgerufen am 4. Februar 2024 (englisch).