Spannungsgesteuerter Oszillator

Bei einem spannungsgesteuerten Oszillator (englisch voltage-controlled oscillator, VCO) handelt es sich um einen elektrischen Oszillator, dessen Frequenz durch die Größe einer anliegenden Spannung (Steuer- oder Regelspannung) verändert werden kann.
Aufbau und Funktionsweise
Der Aufbau eines VCOs hängt wesentlich von der Arbeitsfrequenz und dem erforderlichen Stellbereich ab.
VCOs für hohe Frequenzen werden vorwiegend durch eine Oszillatorschaltung realisiert, deren frequenzbestimmende Elemente elektrisch variiert werden können. Dies erreicht man beispielsweise durch Verwendung einer Kapazitätsdiode im frequenzbestimmenden Schwingkreis, dessen Resonanzfrequenz sich somit durch Variation der Diodenvorspannung verändern lässt. VCOs mit Diodenabstimmung lassen sich über einen Frequenzbereich von maximal etwa 3:1 abstimmen, wobei die Qualität des Ausgangssignals (Rauschen, Stabilität) mit zunehmendem Variationsbereich abnimmt. Wird an Stelle eines LC-Schwingkreises ein Quarz verwendet (VCXO, englisch voltage-controlled x-tal oscillator), beträgt der Abstimmbereich in der Regel nur wenige Promille der Arbeitsfrequenz.
VCOs für sehr hohe Frequenzen (Mikrowellenbereich) verwenden oft als frequenzbestimmendes Element an Stelle eines Schwingkreises einen YIG-Resonator, dessen Resonanzfrequenz durch Variation des umgebenden Magnetfeldes (d. h. durch Änderung des Spulenstroms eines Elektromagneten) verändert werden kann.

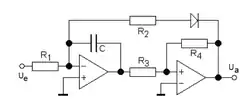
Im Bereich tieferer Frequenzen gibt es eine Vielzahl von Schaltungsanordnungen, mit denen sich variable Frequenzen erzeugen lassen. Diese beruhen oft auf einem Integrierer, dessen Eingang der Steuerspannung entspricht und der beim Erreichen einer Schwellspannung zurückgesetzt wird. Mit solchen Schaltungsanordnungen lassen sich relativ große Frequenzbereiche (Frequenzvariation um mehrere Zehnerpotenzen) realisieren.
Anwendung
Elektronische Musik
In der Elektronischen Musik werden VCOs als Baugruppe in Synthesizern eingesetzt. In modularen Synthesizern hat sich seit den späten 1960er-Jahren die exponentielle Ansteuerung als Quasi-Standard etabliert, welche von Robert Moog für seine modularen Synthesizer verwendet wurde. Hierzu wird die Schaltung so ausgelegt, dass eine Erhöhung der Eingangsspannung um ein Volt eine Verdoppelung der Ausgangsfrequenz zur Folge hat, also eine Erhöhung um eine Oktave. Daher wird diese Ansteuerung in Volt pro Oktave angegeben. Die Idee der Spannungsteuerung selbst geht auf den kanadischen Erfinder Hugh Le Caine zurück.[1]
Da die technische Ausführung mit analoger Elektronik einige Schwierigkeiten birgt (insbesondere hohe Temperaturempfindlichkeit) wurde von den japanischen Firmen KORG und Yamaha für kostengünstige Geräte wie z. B. Korg MS-20 eine lineare Ansteuerung von Hz/Volt eingesetzt. Diese Geräte können dann nicht ohne weiteres mit Geräten mit exponentieller Ansteuerung in musikalischem Zusammenhang genutzt werden.
Üblicherweise werden VCOs so konstruiert, dass sie verschiedene Wellenformen erzeugen können (Rechteck, Dreieck, Sägezahn und diverse weitere) und eine Pulsbreitenmodulation des Rechtecksignals erlauben. Darüber hinaus gibt es VCOs die neben der exponentiellen Charakteristik auch eine lineare Ansteuerung erlauben. Dadurch ist die Erzeugung von Frequenzmodulation (FM-Synthese) möglich. Zuletzt sei als musikalisch wichtiges Element eines VCO noch die Synchronisation (englisch hard sync, soft sync) erwähnt, bei der zwei oder mehr Oszillatoren in der Phase synchronisiert werden und somit weitere Klangspektren produzieren.
Elektronik
Der VCO ist ein oft verwendetes Element einer PLL-Schaltung (englisch phase locked loop). Er ist hier das Stellglied und erzeugt eine mit einer Rückführungsschleife geregelte Frequenz. Anwendungen sind zum Beispiel Stereodecoder, Motorregelungen und PLL-Decoder.
Weiterhin benutzen Superheterodyn-Empfänger spannungsgesteuerte Oszillatoren (Schwingkreise mit Kapazitätsdiode) zur Einstellung der Empfangsfrequenz (Frequenzabstimmung des Mischoszillators).
VCO, die eine Rechteckschwingung ausgeben, werden zum Beispiel in Sensorschaltkreisen eingesetzt oder Sensoren nachgeschaltet, um das Ausgangssignal mit zwei Spannungsebenen störungsfrei übertragen und zum Beispiel in einem Mikrocontroller weiterverarbeiten zu können. Die Information steckt dabei nicht in der Signalhöhe, sondern in einer stufenlos variablen Frequenz. Dabei handelt es sich hier nicht um ein Digitalsignal; dieses entsteht erst dann, wenn die Frequenz durch Zählung über eine feste Dauer gemessen wird.
Ein präziser Spannungs-Frequenz-Umformer-IC ist zum Beispiel der LM331. Er kann auch als Frequenz-Spannungs-Umformer benutzt werden. Wenn keine Genauigkeit gefordert ist, lässt sich auch ein Ringoszillator verwenden.
Siehe auch
Weblinks
Einzelnachweise
- ↑ Sebastian Berweck: Die Geschichte der elektronischen Musik #11. Abschnitt Buchla, mit Erwähnung von Hugh Le Caine. In: bonedo.de. 15. April 2020, abgerufen am 7. Oktober 2020.