Sperrschwinger

Ein Sperrschwinger ist die elektronische Schaltung eines rückgekoppelten Kippschwingungsgenerators,[1] der als eine mit einem Übertrager ausgestattete[2] elektrische Oszillatorschaltung zur Erzeugung von Impulsen verwendet wird. In seiner einfachsten Form besteht er nur aus einer magnetisch gekoppelten Doppelspule bzw. einem Impulstransformator und einem verstärkenden Bauelement wie einem Transistor, früher auch Elektronenröhre. Unterschieden wird zwischen Sperrschwingern, die selbstschwingend betrieben werden oder werden können, und solchen, die einmalig oder periodisch ausgelöst werden. Namensgebendes Merkmal ist der nichtlineare Betrieb des verstärkenden Elements am Übergang in den Sperrbereich (z. B. Sperrspannung der Elektronenröhre).

Allgemeines

Durch die Wahl der Bauelementparameter lassen sich die zeitlich oft kurzen Nadelimpulse in einem sehr weiten Bereich von Tastverhältnis und Periodendauer wählen. Die elektrische Auskopplung des Impulssignals kann über den Impulstransformator mittels einer zusätzlichen Wicklung erfolgen. Die Schwingungserzeugung wird durch eine positive Rückkopplung über den Impulstransformator realisiert.

Je nach Schaltungsvariante kann der Sperrschwinger auch zur Erzeugung von Kippschwingungen als Form des Ausgangssignals genutzt werden. Da eine solche Sägezahnschwingung alle Oberwellen der Grundfrequenz enthält, wurde dieser Oszillatortyp vor allem zur Tonerzeugung in älteren elektronischen Orgeln eingesetzt.

Anwendungsbereiche

Elektrische Uhren

Elektronisches Uhrwerk mit Sperrschwinger

Beim technologischen Übergang Mitte des 20. Jahrhunderts von mechanischen Uhrwerken hin zu den heute üblichen Quarzuhren gab es am Markt auch elektronische Uhren, welche einen Sperrschwinger als Antriebsvorrichtung besaßen. Im Gegensatz zu Quarzuhren mit Uhrenquarz, wo die elektronische Schaltung für sich eine entsprechend genaue Zeitbasis darstellt und die Uhrenmechanik nur noch zur Bewegung der Zeiger dient, dient die elektronische Schaltung in diesem Fall nicht dazu, die Ganggenauigkeit der mechanischen Uhr zu verbessern, sondern nur dazu, den mechanischen Energiespeicher zu ersetzen. Dieser ist notwendig, um unter anderem Reibungsverluste im Uhrwerk auszugleichen.

Sperrschwinger in einer Uhrenschaltung

Bei rein mechanischen Uhren besteht die Antriebsvorrichtung samt dazugehörigem Aufzug üblicherweise aus einem Federspeicher. Durch Ersatz mit einem elektrischen Antrieb und elektrischen Energiespeicher, bestehend aus dem Sperrschwinger und einem Energiespeicher wie beispielsweise einer Batterie, können so längere Betriebszeiten erreicht werden. Ein „Aufziehen“ des Federspeichers wie bei mechanischen Uhren nach meist nur wenigen Tagen entfällt. Zudem gibt es keine mechanisch stark beanspruchte Ankerhemmung, was die Standzeiten erhöht. Die Ganggenauigkeit wird, wie bei mechanischen Uhren, durch eine mechanische Vorrichtung an der Unruh eingestellt.

Der Sperrschwinger stellt bei dieser Anwendung keine eigenständige Oszillatorschaltung dar, sondern wird erst durch das Zusammenspiel mit dem mechanischen Uhrensystem als elektromechanisches Gesamtsystem schwingungsfähig. Die Unruh ist mit einem Dauermagneten hoher Koerzitivfeldstärke versehen, der unmittelbar neben zwei magnetisch gekoppelten Luftspulen L1 und L2 angebracht ist. Die Spulen werden von einem Bipolartransistor T, wie in nebenstehender Schaltskizze angegeben, angesteuert. Zur Vermeidung zu großer Amplituden an der Unruh befindet sich in dieser neben den Dauermagneten zusätzlich eine Wirbelstrombremse. Um den elektromechanischen Oszillator in Schwingung zu versetzen, beispielsweise nach einem Batterietausch, muss die Unruh durch eine Vorrichtung mit einem mechanischen Impuls in Bewegung versetzt werden.[3]

Der Kondensator C stellt die ungefähre Arbeitsfrequenz des Sperrschwingers, abhängig vom Modell, auf ca. 2 Hz bis ca. 5 Hz ein. Das System ist mechanisch so ausgelegt, dass durch das Zusammenwirken mit dem Permanentmagneten kurz vor dem Nulldurchgang der Unruh (Ruhelage) ein kurzer Antriebsimpuls vom Sperrschwinger ausgeht, was die Bewegung der Unruh bis zur Erschöpfung der Batterie gewährleistet. Üblicherweise werden solche Uhrwerke von einer Mignonzelle mit einer Spannung von 1,5 V versorgt.

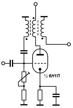
Sperrschwinger als Frequenzteiler 1:2 in einem Tongenerator einer elektronischen Orgel, mit den RC-Gliedern wird die Frequenz grob eingestellt
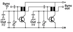
Schaltbild eines triggerbaren Sperrschwingers

Synchronisierter Oszillator

Sperrschwinger lassen sich durch Einkopplung eines anderen Impulssignals so synchronisieren, dass sie mit derselben Frequenz (s. u. bei Fernsehanwendung) oder in einem festen Frequenzverhältnis zum Eingangssignal (Frequenzteiler) schwingen.

So wurden sie in älteren Fernsehgeräten zur Erzeugung der Kippschwingungen für Vertikal- und Horizontalablenkung benutzt, synchronisiert durch die Synchronimpulse im empfangenen Fernsehsignal. In der Horizontalablenkung wurde der Sperrschwinger allerdings bald durch Schaltungen ersetzt, die eine höhere Sicherheit der Synchronisation mit der senderseitigen Kippschwingung erlauben (sogenannte Schwungradsynchronisation).

In älteren elektronischen Orgeln (z. B. Dr.-Böhm-Orgel[4]) wurden sie als Frequenzteiler mit dem Verhältnis 1 zu 2 zur Tonerzeugung eingesetzt.

Radartechnik

Selbstschwingende Sperrschwinger wurden in alten Radargeräten als Generator für die Impulsfolgefrequenz verwendet.

Getriggerte Sperrschwinger wurden als Frequenzteiler im Verhältnis von 1 zu 2 bis 1 zu 5 zum Beispiel für die Erzeugung von Entfernungsmarken bei Radargeräten genutzt.

Siehe auch

Einzelnachweise

  1. Handbuch für Hochfrequenz- und Elektro-Techniker. Band V. Verlag für Radio-Foto-Kinotechnik, Berlin-Borsigwalde 1970 (Fachwörterbuch mit Definitionen und Abbildungen).
  2. Meyers Kleines Lexikon. VEB Enzyklopädisches Institut, Leipzig 1969.
  3. Junghans ATO-Mat, technische Beschreibung
  4. Rainer Böhm: Elektronische Orgeln und ihr Selbstbau. RPB 101/102. Franzis-Verlag, München 1963, 1973