Netzteil

Ein Netzteil wandelt die Spannung aus dem Stromnetz für einen Verbraucher um. Es kann als eigenständiges Gerät oder als Baugruppe ausgeführt sein. Ausgangsspannung und maximaler Ausgangsstrom können fest eingestellt oder variabel sein.
Stromverbrauch
Früher waren Netzteile aufgrund ihrer Vielzahl im Haushalt für einen nicht unerheblichen Stromverbrauch verantwortlich, daher nahm sich in den 2000er Jahren der Gesetzgeber dieses Problems an. Die EU und USA waren Vorreiter in der Einführung verbindlicher Grenzwerte. Laut EPA kann damit der Stromverbrauch bezogen auf die USA um 1 % gesenkt werden, das sind pro Jahr 32 Mrd. Kilowattstunden (kWh).[1]
Leerlaufverlustleistung

Die Leerlaufverlustleistung von Netzteilen ist gesetzlich begrenzt worden:
Externe Netzteile unter 50 Watt dürfen in der EU nur 0,3 Watt aufnehmen, größere Netzteile 0,5 Watt.[2] In den USA und Kanada wurden sie analog auf 0,1 bzw. 0,21 Watt begrenzt.[3] In Australien gibt es ähnliche, wenn auch weniger strenge Anforderungen. Da Gerätehersteller ihre Produkte weltweit vertreiben, werden oft unabhängig vom Abnehmerland Netzteile mit der höchsten geforderten Effizienzstufe (engl. Efficiency Level) beigelegt. Die Stufe wird auf dem Netzteil aufgedruckt, siehe Logo rechts.
Geräte mit eingebautem Netzteil sind in der EU im Schein-Aus auf 0,5 Watt, im Bereitschaftsbetrieb mit zusätzlichen Funktionen, z. B. Uhrzeitanzeige, auf 1 Watt begrenzt.[2] Laut einer Studie konnten damit in der EU die Leerlaufverluste von jährlich 51 auf 16 Mrd. Kilowattstunden (kWh) reduziert werden.[4]
Wirkungsgrad
Der Wirkungsgrad ist abhängig von der Ausgangsleistung mit einer Formel vorgegeben. In der EU müssen beispielsweise ein Smartphonenetzteil mit 5 V und 1 A mindestens 68 Prozent und Geräte ab 50 Watt mindestens 87 Prozent Wirkungsgrad erreichen; in den USA gelten analog Werte von 74 Prozent und 88 Prozent. Die Netzteile müssen den jeweiligen Wirkungsgrad bei einer Last von 25 %, 50 %, 75 % und 100 % im Mittel einhalten.[3]
Arten
Netzteile unterteilen sich in Schaltnetzteile und solche mit Netztrafo (sogenannte „Trafonetzteile“); daneben gibt es noch transformatorlose Netzteile, z. B. Kondensatornetzteile. Heute kommen zunehmend Schaltnetzteile zum Einsatz. Für verschiedene Einsatzzwecke gibt es verschiedene Ausführungen.
Arten von Schaltnetzteilen:
- mit geregelter Gleichspannung am Ausgang und sicherer Netztrennung. Diese sind sehr häufig anzutreffen.
- mit einem i. d. R. integrierten Abwärtswandler direkt am Netz ohne Netztrennung.
- mit ungeregelter Wechselspannung, z. B. „Elektroniktrafos“ für Niedervolt-Halogenglühlampen.
- mit Konstantstrom-Ausgang, zum Beispiel zum Betrieb von Leuchtdioden, Halbleiterlasern oder als Ladegerät.
Arten von Trafonetzteilen:
- ungeregelt, mit Wechsel- oder (gesiebter) Gleichspannung.
- mit einem Linearregler geregelt
- mit einem sekundärseitigen Abwärtswandler geregelt.
Netzadapter mit Spartransformator zur Anpassung der Netzspannung 230 V/127 V werden nicht als Netzteil bezeichnet.
Klassische trafolose Netzteile arbeiten mit einem Kondensator als verlustlosem Vorwiderstand, um die Netzwechselspannung abzusenken.
Labornetzteile mit einstellbarer Gleichspannung und einstellbarer Strombegrenzung arbeiten nach dem Prinzip linear geregelter Trafonetzteile oder sie sind als Schaltnetzteil ausgeführt.
Schaltnetzteil

Die Energieübertragung erfolgt bei Schaltnetzteilen mit einer Frequenz von typischerweise einigen 10 kHz bis einigen 100 kHz, die damit deutlich höher liegt als die Netzfrequenzen von 50 bzw. 60 Hz. Das erlaubt den Einsatz kleinerer Transformatoren bei gleicher Leistung. Daher sind Schaltnetzteile nicht nur wesentlich leichter und kleiner als Trafonetzteile, sondern haben auch eine geringere Leistungsaufnahme im Leerlauf und einen höheren Wirkungsgrad im Betrieb. Obwohl sie einen höheren Bauteilaufwand haben, lösen sie aufgrund der gestiegenen Rohstoffkosten und Energiepreise Trafonetzteile weitestgehend ab. Außerdem sind in den meisten Ländern Leerlaufverlustleistung und Wirkungsgrad gesetzlich geregelt und einzig mit Schaltnetzteilen zu erfüllen.
Praktisch alle Schaltnetzteile liefern eine geregelte Gleichspannung oder einen geregelten Gleichstrom. Sie sind meist kurzschlussfest und oft durch einen Weitbereichseingang an allen üblichen Netzspannungen der Welt von 85 V bis 250 V betreibbar. Durch die in ihrem Inneren vorkommenden hohen Schaltfrequenzen erzeugen sie jedoch trotz Entstörmaßnahmen mehr Störungen. Schaltnetzteile sind empfindlicher gegenüber kurzzeitiger Netzüberspannung als Netztransformatoren.
Der schematisierte Aufbau eines Schaltnetzteiles lässt sich nebenstehender Abbildung entnehmen. Es handelt sich um ein potentialtrennendes Schaltnetzteil mit geregelter Ausgangsspannung. Die Sicherheitsbarriere zwischen Netzspannung und Ausgangsspannung wird durch den Transformator und den Optokoppler gebildet.
Schaltnetzteile können auf Kosten der Spannungsstabilität auch ohne zwecks Regelung rückgeführter Ausgangsspannung (d. h. ohne Optokoppler) gebaut werden. Dabei wird ein fly back-Transformator eingesetzt, und die Ausgangsspannung wird an der Primärwicklung oder einer Hilfswicklung ermittelt. Solche Netzteile können bei Einsatz eines einzigen monolithischen integrierten Schaltkreises einen gegenüber der oben beschriebenen Lösung stark reduzierten Bauteilaufwand haben.
Offline-Regulator: Nicht potentialgetrennte Schaltnetzteile mit monolithischem IC
Im englischen auch Off-Line Switcher IC genannt, von off the mains voltage line.
Dies ist eine sehr häufig bei kleinen Leistungen eingesetzte Schaltnetzteil-Variante. Sie besteht aus wenigen externen Bauelementen und einem speziellen monolithischen integrierten Schaltkreis (IC), der Leistungs-MOSFET und Regelung vereint. Extern sind lediglich eine Drossel oder ein Transformator, zwei Kondensatoren für Aus- und Eingangsspannung, eine Diode und wenige weitere passive Bauteile erforderlich. Der maximale Ausgangsstrom beträgt typischerweise einige hundert Milliampere. Da eine Netztrennung innerhalb vieler Geräte nicht erforderlich ist, sind solche Netzteile nicht potentialtrennend.
Meist wird die Netzspannung von 230 Volt gleichgerichtet und geglättet, womit der Effektivwert der Eingangsspannung für den Regler 325 V beträgt. Diese wird dann heruntergesetzt.
Möglich wurden solche ICs Anfang der 90er Jahre, als man erstmals einen Hochvolt-MOSFET und die Ansteuerlogik auf demselben Die unterbringen konnte. Solche Netzteile sind aufgrund der Integration sehr ökonomisch.
Hersteller solcher ICs für nicht potentialtrennende Kleinleistungs-Netzteile sind z. B. ST mit der VIPer-, VIPerPlus- und Altair-Serie, Power Integrations mit der LinkSwitch-TN2-, LNK304-, TNY- und TOP-Serie, NXP mit der STARplug-Serie (TEA), ONsemi mit der NCP- und FS-Serie.
Hersteller monolithischer ICs für potentialtrennende Schaltnetzteile sind z. B. Power Integrations mit der TinySwitch-LT-Serie (bis 30 Watt). Die Firma fertigt auch Schaltkreise mit eingebauter Potentialbarriere für das Rückführen (feedback) der Ausgangsspannung (InnoSwitch3-EP-Serie, bis 100 Watt).
Kleinleistungs-Schaltnetzteile mit nur einem IC finden sich z. B. in weißer Ware, in Steckernetzteilen oder LED-Lampen. Sie sind oft knapp dimensioniert bzw. besitzen keinen geeigneten Eingangsfilter, um Netz-Überspannung abzuwehren und sind daher anfällig insbesondere für Stoßspannungen (Surge nach EN 61000-4-5).
Auch in LED-Leuchtmitteln werden überwiegend Tiefsetzsteller mit Konstantstromausgang verbaut. Sie besitzen keinen Transformator, nur eine Speicherdrossel.
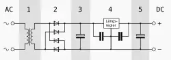
Trafonetzteil

Sogenannte konventionelle Netzteile, oft als Trafonetzteil bezeichnet, haben einen Netztransformator, der auf Grund der niedrigen Arbeitsfrequenz von 50 oder 60 Hz groß gegenüber denjenigen in Schaltnetzteilen ist.
Ihr Aufbau ist in nebenstehender Abbildung ersichtlich. Sie bestehen aus folgenden Bestandteilen:
- Netztransformator, dessen Primärwicklung direkt mit der Wechselspannung des Stromnetzes mit Netzfrequenz gespeist wird. Er setzt die Spannung herab und stellt die galvanische Netztrennung sicher. Bei Netzteilen ohne galvanische Trennung können Spartransformatoren eingesetzt werden.
- Gleichrichter zum Gleichrichten der Sekundär-Wechselspannung
- Glättungskondensator zur Siebung der erhaltenen pulsierenden Gleichspannung
- optional bei stabilisierten Geräten ein Linearregler; stabilisiert die Ausgangsspannung bei Last- und Netzspannungsschwankungen
- optional ein Pufferkondensator/Ausgangskondensator zum Abfangen von Lastspitzen
Solche stabilisierten Netzteile haben bei Volllast einen Wirkungsgrad unter 50 %. Bei einigen ist statt eines Linearregler ein Step-Down-Regler eingebaut, um den Wirkungsgrad zu erhöhen und die Verlustwärme zu reduzieren.
Die kleinen konventionellen Netzteile mit Netztransformator sind oft auf geringes Gewicht und geringe Kosten ausgelegt: man versuchte, den Eisenkern maximal auszusteuern, der zudem oft von minderer Qualität war. Dadurch liegen die Leerlaufverluste solcher Netzteile oft im Bereich über 1 Watt. Das brachte sie in den Fokus von Energiesparmaßnahmen. 1998 rechnete der BUND in einer Medienkampagne vor, dass sich durch konsequentes Abschalten bzw. Ziehen aller im Stand-By arbeitender Netzteile und Steckernetzteile im deutschsprachigen Raum die Leistung eines mittleren Atomkraftwerk einsparen ließe.
Verschiedene Ausgangsspannungen können durch Umschalten von Wicklungsanzapfungen des Netztransformators erzielt werden. Die Leerlaufspannungen unstabilisierter Geräte sind oft sehr viel höher als die angegebene Nennspannung. Die Transformatoren enthalten zum Brandschutz eine selbstrückstellende oder nicht rückstellbare Thermosicherung; Letztere werden nach Überlastung unbrauchbar.
Trafonetzteile mit Wechselspannungsausgang bestehen lediglich aus einem Netztransformator.
Kondensatornetzteil
Eine traditionelle Variante ohne Potentialtrennung für Ausgangsströme bis etwa 100 mA ist das Kondensatornetzteil. Dieses nutzt den Blindwiderstand eines Kondensators als Vorwiderstand, um die Netzspannung zu verringern. Die Ausgangsspannung ist von der Last abhängig; falls diese nicht konstant ist, muss eine Spannungsbegrenzung vorhanden sein.
Kondensatornetzteile besitzen zwingend einen in Serie zum Kondensator geschalteten Widerstand hoher Stoßspannungsfestigkeit, um die Last vor Netztransienten und Einschaltstromstößen zu schützen. Die Last muss zur Wirksamkeit des Schutzes einen Pufferkondensator besitzen.
Kondensatornetzteile sind beispielsweise in manchen LED-Leuchtmitteln sowie für die Eigenversorgung in Dämmerungsschaltern und Bewegungsmeldern verbaut. Sie sind nicht potentialtrennend, daher liegt die gesamte Schaltung auf lebensgefährlichem Netzspannungspotential – diese Geräte müssen komplett berührungssicher sein.
Bauformen
Netzteile werden, je nach Einsatzzweck und bereitzustellender Ausgangsleistung, in verschiedenen Bauformen angeboten:
Steckernetzteil

Steckernetzteile sind Netzteile, die mit dem Netzstecker eine Einheit bilden. Der Stecker zum Anschluss an das Wechselstromnetz ist in das Gehäuse des Netzteils integriert. Die abgegebene Kleinspannung wird über eine Leitung zum versorgenden Gerät geführt oder es gibt auf der Kleinspannungsseite eine Buchse, z. B. bei USB-Ladegeräten. Heute werden alle Steckernetzteile als Schaltnetzteile ausgeführt, da die gesetzlich geforderten Effizienzanforderungen nur mit einem solchen kostengünstig realisiert werden können. Bis Anfang der 2000er Jahre wurden für kleine Leistungen unter 5 Watt Trafonetzteile mit konventionellem Aufbau und darüber Schaltnetzteile eingesetzt, weil diese leichter sind und die Steckdose weniger mechanisch belasten.

Sekundärer Stecker

Beim Anschluss an das zu versorgende Gerät wird eine Vielfalt von Anschlusssteckern und Spannungen verwendet. Häufig führt der innere Kontakt positive Polarität, der äußere Masse. Bei vielen Geräten sind Hohlstecker und Klinkenstecker zu finden, wobei Erstere den Klinkensteckern vorzuziehen sind. Klinkenstecker verursachen beim Einstecken vorübergehend einen Kurzschluss und sollten immer nur bei stromlosem Netzteil gesteckt oder gelöst werden. Meist ist die Polarität durch zwei konzentrische Kreise mit „+“- und „−“-Zeichen auf dem Netzgerät markiert.
Die Abbildung zeigt eine Auswahl von Steckverbindungen (von links nach rechts):
- Hohlstecker EIAJ-01 (gelbe Kappe) 2,35 mm × 0,7 mm (Außendurchmesser × Innendurchmesser)
- Klinkenstecker 2,5 mm
- Hohlstecker 3,5 × 1,35 mm
- Klinkenstecker 3,5 mm
- Hohlstecker EIAJ-02 (gelbe Kappe) 4 × 1,7 mm
- Hohlstecker 5,0 × 2,1 mm
Hohlstecker der Größe 5,5 × 2,1 mm und 5,5 × 2,5 mm sind ebenfalls anzutreffen. Meist sind sie mit Buchsen für 5,0 × 2,1 mm kompatibel.

Bei Handynetzteilen ist für Smartphones der Micro-USB-Stecker EU-weit genormt (EN 62684:2010, „Micro-USB-Standard“).[5] Der Nachfolgestandard USB-C ist zwar gesetzlich nicht normiert, de facto aber Standard – außer beim iPhone und iPad, wo der Lightning-Stecker seit 2012 zum Einsatz kommt, zwei Jahre bevor USB-C spezifiziert wurde.[6] Aber auch dort findet am Netzteil USB-A Verwendung.[7][8]
Mit der Einführung des iPhone 15 im September 2023 verbaut auch Apple USB-C-Buchsen in seinen Smartphones.[9] Seit Herbst 2016 verwendet der Konzern USB-C in Form von Thunderbolt 3 für seine MacBooks.[10] Fortan gehören Netzteile mit USB-C-Ports zu deren Lieferumfang. Seit Ende der 2010er-Jahre werden von Apple darüber hinaus kompakte USB-C-Netzteile zum Laden von iPhones und iPads verkauft. Damit haben sich auch USB-C-auf-Lightning-Kabel verbreitet.

Eine USB-2.0-Steckverbindung umfasst vier Leitungen plus einen Schirm. Die stabilisierte Spannung von 5 V wird an den äußeren Pins 1 und 4 eingespeist. Ausgänge des Standards USB 2.0 liefern maximal 500 mA, ab USB 3.0 maximal 900 mA. USB-Geräte mit integrierter Ladefunktion wie Mobiltelefone „erkennen“ das USB-Ladegerät an einem Widerstand im Netzteil, der zwischen den bei USB-Ladegeräten normalerweise nicht verwendeten Datenleitungen D+ und D− geschaltet ist. Beträgt der Widerstandswert zwischen den beiden Datenleitungen unter 200 Ω, geht der Laderegler im USB-Gerät davon aus, an einem dedizierten USB-Ladeanschluss wie einem USB-Ladenetzteil (englisch Dedicated charging port, DCP) angeschlossen zu sein, welches mindestens 500 mA oder mehr liefern kann.[11]
Proprietäre Ladekabel der Firma Apple kodieren die Leistung eines Netzgerätes über eine Spannung, die an den Datenleitungen D+ und D− anliegt. Sind die Datenleitungen nicht beschaltet, können Geräte dieses Herstellers zwar am Netzgerät betrieben werden, aber die Aufladung des Geräteakkus funktioniert nicht. Diese Codierung ist nicht standardisiert und wurde schon einige Male von Apple verändert. Folgenden Spannungen an den Datenleitungen sind die entsprechenden Ladeströme zugeordnet.[12]
| Strom | D− | D+ |
|---|---|---|
| 500 mA | 2,0 V | 2,0 V |
| 1000 mA | 2,75 V | 2,0 V |
| 2000 mA | 2,0 V | 2,75 V |
Die Spannungen von 2 V bzw. 2,75 V werden durch Spannungsteiler an der 5-V-Versorgungsleitung erzeugt, beispielsweise durch das Widerstandspaar 75 kOhm und 49,9 kOhm bzw. 43,2 kOhm und 49,9 kOhm.
Kennzeichnungen
Folgende Produktkennzeichnungen werden verwendet:

- Polarität: Gleichspannungsnetzteile haben positive oder negative Polarität, die mit den in der nebenstehenden Abbildung wiedergegebenen Symbolen gekennzeichnet wird und der Polarität des Innenpols von Stecker und Buchse entspricht. Die Polarität des Netzteils muss mit der des damit betriebenen Geräts übereinstimmen, um Schäden (meist Zerstörung des gesamten Gerätes) vorzubeugen.
- „Stabilisiert“ bedeutet, dass die Ausgangsspannung auch bei Leerlauf ihren Nennwert behält. (Nur auf Trafonetzteilen zu finden.)
- Ausgang: xx Volt ⎓ bedeutet gleichgerichtete, gesiebte Spannung; enthält Wechselspannungsanteile, bei Leerlauf steigt die Ausgangsspannung teilweise wesentlich über die Nennspannung an.
- Ausgang: xx Volt AC oder ~ bedeutet Wechselspannungsausgang (z. B. für Lichterketten).
Der Spannungsangabe folgt die Angabe des maximal entnehmbaren Stromes bzw. der Ausgangsleistung.
Weiterhin sind Symbole bzw. Piktogramme zu finden:
- Durchgestrichene Mülltonne: nach Elektronikschrottverordnung gehören ausgediente Geräte nicht zum Restmüll
- Doppelquadrat: Schutzisolierung netzspannungsführender Teile
- stilisiertes Haus: nur in Innenräumen zu verwenden
- CE-Kennzeichnung: Ein Freihandelkennzeichen für die Europäische Union. Durch das Anbringung der CE-Kennzeichnung bestätigt der Inverkehrbringer, dass das Produkt den produktspezifisch geltenden europäischen EU-Richtlinien entspricht.
- Durch einen Strich getrennte überlappende Kreise: Schutztrennung zwischen Netz- und Ausgangsspannung (Schutzkleinspannung)
- Punkt oder Ring mit römischer Zahl darin: gibt die Energieeffizienz an. Je größer die Zahl, umso enger ist die Leerlaufverlustleistung begrenzt. Manchmal steht links daneben „EFFICIENCY LEVEL“. Netzteile, die derzeit (2017) neu in den Verkauf gelangen, sind markiert mit den Zahlen 'IV' (nach CEC Tier 2), 'V' (nach CEC Tier 3) oder 'VI' (nach DOE VI, einzuhalten seit Februar 2016) für den US-Markt und harmonisierte Märkte.[3] Vor allem ältere Netzteile, die weniger strengen Kriterien genügen, können die Zahl 'III' aufweisen. 'I' bezeichnet ein Netzteil, was keinem der Kriterien der anderen Effizienzklassen genügt, für die Kennzeichnung 'II' sind niemals Kriterien festgelegt worden.[13]
Eigenständige Geräte

Festspannungsnetzteile
Für mittlere Leistungen (10–200 W) gibt es ein vielfältiges Angebot an Netzteilen mit gebräuchlichen Ausgangsspannungen (eine oder mehrere Gleich- oder Wechselspannungen) in Form externer Einheiten, die über ein teilweise am Gerät steckbares Netzkabel gespeist werden und den Verbraucher über eine abgehende Leitung mit Gerätestecker versorgen.
Die Verwendung externer Netzteile im Gegensatz zu im Gerät integrierten Netzteilen bietet Geräteherstellern einige wichtige Vorteile:
- Durch den Einsatz von zugekauften, standardisierten, externen Netzteilen werden Entwicklungskosten und -risiken vermieden. Neben den rein funktionellen Aspekten betrifft das vor allem die Aspekte Sicherheit und elektromagnetische Verträglichkeit, die erheblich zum Entwicklungsaufwand eines Netzteils beitragen.
- Externe Netzteile sind standardisierte Massenartikel, die sehr preisgünstig hergestellt und angeboten werden, was sich günstig auf die Gesamtkosten des Gerätes auswirkt.
- Die Anpassung des Gerätes an landesspezifische Stromnetze reduziert sich auf eine geeignete Auswahl des externen Netzteils.
- Die Bewertung und Überprüfung von Geräten, die mit externen Netzteilen arbeiten, im Hinblick auf deren Konformität mit anzuwendenden gesetzlichen Vorschriften, z. B. im Rahmen einer Produktzulassung, ist normalerweise deutlich weniger aufwendig als für Geräte mit integrierten Netzteilen, weil die lebensgefährliche Netzspannung nicht in das Gerät selbst eingeführt wird.
- Ein zugelassenes Netzteil kann für mehrere Kleinspannungsgeräte verwendet werden.
Auch diese Bauform (z. B. für Drucker oder Laptops) weist nur selten einen Netzschalter auf, so dass sich durch den Einsatz schaltbarer Steckdosenleisten einige Energie sparen lässt. Insbesondere Tintenstrahldrucker führen jedoch nach einer vollständigen Netztrennung oft einen aufwendigen Selbsttest durch, bei dem sehr viel Tinte unnötig verschwendet wird.
Labornetzteile

Sogenannte Labornetzteile, auch Labornetzgeräte genannt, sind vielfältig verwendbare Geräte. Sie verfügen meist über eine stufenlos einstellbare Spannungsbegrenzung und eine ebenfalls einstellbare Strombegrenzung, ferner über eine Strom- und Spannungsanzeige.
Einbau-Netzteil

Bei größeren Leistungen (über 100 W) sind Netzteile innerhalb von Geräten oder auch Schaltschränken oft als Baugruppe oder Einbaugerät ausgeführt. Die Anforderungen an den Berührungsschutz sind dann geringer. Die Integration des Netzteils erhöht anderseits jedoch die Sicherheitsanforderungen an das Gesamtgerät, da dieses nun z. B. hinsichtlich Berührungsschutz, Kriechspannungsabständen und Überspannungsfestigkeit oder Schutzerdung die Anforderungen erfüllen muss, die vorher nur an das separate Netzgerät gestellt wurden.
Einbaugeräte oder eingebaute Netzteile werden auch oft verwendet, wenn mehrere Spannungen benötigt werden, wie beispielsweise in Computern, Fernsehern, Videorekordern, Faxgeräten oder Laserdruckern.
Weitere Bauformen
Netzteile kommen auch an Bordnetzen (Kraftfahrzeuge, Schiffe, Flugzeuge), Notstromnetzen oder Insel-Solaranlagen zum Einsatz, um Spannungen zu transformieren. Sie werden jedoch meist nicht als Netzteil bezeichnet. Ein Beispiel sind in kräftigen Audioverstärkern eingebaute Gleichspannungswandler (DC/DC-Wandler) zum Betrieb am 12-V-Bordnetz des KFZ, die für die Endstufen Spannungen von etwa ± 40 V erzeugen. Bordnetze von Flugzeugen haben oft eine Netzfrequenz von 400 Hz, um in Netzteilen sehr kleine Transformatoren einsetzen zu können. Dieser Vorteil war vor dem Aufkommen von Schaltnetzteilen von Bedeutung.
Gleichspannungswandler werden für kleine Leistungen als gekapselte Module zur galvanisch getrennten Versorgung von Baugruppen eingesetzt. Sie arbeiten zum Beispiel an 12 V oder 24 V Netzen, beispielsweise in Schaltschränken, oder auch eingelötet auf Leiterplatten. Typische Anwendungen sind Line-Interfaces von Telefon-Modems oder Netzwerkkarten, moderne PC-Mainboards und leistungsfähige Grafikkarten, die aus den vom PC-Netzteil gelieferten Spannungen ihre Betriebsspannungen möglichst nahe beim Verbraucher erzeugen (engl. point-of-load converter).
Wechselrichter erzeugen aus Gleichspannung eine Wechselspannung, zum Netzersatz und Betrieb von 230-V-Geräten, z. B. in Autos, Reisebussen, Reisezugwagen oder in Gleichspannungsnetzen von Solaranlagen. Ein weiteres Beispiel eines aus dem Gleichspannungsnetz betriebenen Wechselrichters ist der Rufspannungsgenerator im Telefonnetz. Er erzeugt in Deutschland aus batteriegestützten 48 V DC eine Wechselspannung von 60 V bei 25 Hz.
Weichensteuerungen, Signallampen und Elektronik am Bahnstreckennetz der U-Bahn und Straßenbahn werden durch Netzteile versorgt, ebenso Elektronik in den Fahrzeugen. Sie arbeiten aus den 600 V Gleichspannung der Oberleitung bzw. der Stromschienen.[14]
Weblinks
Einzelnachweise
- ↑ Andrew Fanara: APEC Session. (PPT) EPA, 20. Februar 2004, S. 9, abgerufen am 30. Dezember 2019 (englisch): „Active Mode accounts for nearly ¾ of all power supply energy use; focus to date has been on Standby […] Estimated savings of 32 billion kWh/year […] Cut national energy bill by $2.5 billion/year“
- ↑ a b Christof Windeck: Ein-Watt-Verordnung. heise online, Januar 2009, abgerufen am 19. Mai 2014.
- ↑ a b c Efficiency Standards for External Power Supplies. (PDF) CUI Inc., Februar 2019, archiviert vom ; abgerufen am 18. Dezember 2019 (englisch).
- ↑ Sophie Jankowski: Leerlaufverluste. Umweltbundesamt, 30. September 2015, abgerufen am 30. Dezember 2019.
- ↑ Universal-Ladegeräte für Handys sollen nun wirklich kommen. heise online, 7. Februar 2011, abgerufen am 3. August 2011.
- ↑ Florian Müssig: USB-Entwickler über Apples Lightning-Stecker: "Wir waren zu träge". In: heise online. 24. Januar 2020, abgerufen am 27. Januar 2020.
- ↑ Florian Müssig: Einheitliche USB-C-Ladegeräte in der EU sollen kommen. heise online, abgerufen am 18. Dezember 2019.
- ↑ Christof Windeck: Einheitliche (Handy-)Ladegeräte: Die EU kommt nicht in die Strümpfe. In: heise online. 14. Januar 2020, abgerufen am 14. Januar 2020.
- ↑ https://www.apple.com/chde/newsroom/2023/09/apple-debuts-iphone-15-and-iphone-15-plus/
- ↑ https://www.apple.com/chde/newsroom/2016/10/apple-unveils-groundbreaking-new-macbook-pro/
- ↑ Battery Charging Specification Rev. 1.1. (ZIP) USB Implementers Forum, 24. Juni 2009, archiviert vom (nicht mehr online verfügbar) am 29. März 2014; abgerufen am 4. März 2014 (englisch).
- ↑ Lady Ada: iCharging - The mysteries of Apple device charging. 20. November 2015, abgerufen am 6. Mai 2018 (englisch).
- ↑ Efficiency Standards for External Power Supplies | DigiKey. Abgerufen am 19. August 2017 (amerikanisches Englisch).
- ↑ https://mtm-power.com/de/produkte/verkehrstechnik.html?view=produkt&pid=1008 24-V-Stromversorgung zum Betrieb an 600 bis 750 V Gleichspannung, Mitteilung der Firma MTM Power, abgerufen am 2. Feb. 2022