Ultratiefkühlschrank
Ein Ultratiefkühlschrank wird zur Langzeitlagerung kritischer biologischer Proben wie Desoxyribonukleinsäure (DNS), Ribonukleinsäure (RNS), Proteine, Impfstoffe, Zellextrakte oder Reagenzien in molekularbiologischen oder Life-Science-Laboren verwendet. Diese Proben müssen bei extrem niedrigen Temperaturen von −80 °C bis −85 °C gelagert werden, um das Risiko einer Beschädigung der Inhaltsstoffe zu vermeiden.
Prinzip
In der biologischen Forschung ist es häufig erforderlich, Proben zu sammeln und zur späteren Untersuchung und Analyse aufzubewahren. Wenn der Prozess ihrer Lagerung nicht effektiv ist, also die Kühlkette nicht korrekt eingehalten wird, können beispielsweise biologische Proben während des Zeitraums, in dem eine Probe entnommen und analysiert wurde, beschädigt werden. Diese Proben werden normalerweise bei niedrigen Temperaturen gelagert, einschließlich Kühlung (−40 °C), Gefriergeräten (−50 °C bis −80 °C) und flüssigem Stickstoff (−196 °C). Das geht über die kurzfristige Probenlagerung mit Standardkühlschränken (+4 °C) oder Gefriergeräten (−20 °C) weit hinaus. Sie können basierend auf dem Temperaturbereich ihres Betriebs wie folgt in drei Typen eingeteilt werden:
- Gefrierschrank bei −60 °C: Zur Lagerung von Plasma, biologischem Material, Impfstoffen und Reagenzien
- Gefrierschrank bei −86 °C: Zur Lagerung von biologischen Produkten, Serum, Impfstoffen, Bakterien und biologischen Proben wie der Kryokonservierung
- Gefrierschrank mit −105 °C bis −150 °C: wird normalerweise in Forschungsinstituten, in der Biotechnologie, in Blutbanken, Krankenhäusern, Universitätslaboren und Militärunternehmen verwendet
Der Temperaturverlauf im Kühlraum wird aufgezeichnet, so dass nachvollzogen werden kann, ob eine ausreichende Kühlung jederzeit gewährleistet war.
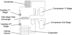
Kaskadenkühlsystem
_process_schematic_diagram.png)
Ultratiefkühlschränke verwenden ein Kaskadenkühlsystem, um effektive Kühlbedingungen für die Sicherheit der gelagerten Proben bereitzustellen. Jedes Kühlteil wird von einem eigenen Mikroprozessor-Controller verwaltet. Falls eines der Systeme ausfällt, gibt ein internes Kontrollsystem einen audiovisuellen Alarm aus und das beschädigte System wird gestoppt. Dann schaltet sich das zweite System ein, um die Innentemperatur aufrechtzuerhalten. Das System verwendet zwei Kompressoren. Niedertemperatur-Laborgefriergeräte, die im Allgemeinen bei etwa −40 °C betrieben werden, verwenden einen einzelnen Kompressor. Um die Kühlkammer unter diesen Punkt auf −80 °C abzukühlen, ist ein zweiter Kompressor erforderlich. Die Energieeffizienz und die längere Lebensdauer der Kompressoren können erreicht werden, indem der Niedrigstufenkompressor automatisch ausgeschaltet wird, wenn die Solltemperatur (gewünschte Temperatur) erreicht ist, während der Hochtemperaturstufenkompressor kontinuierlich eingeschaltet bleibt.
Funktionsweise
Im Betrieb wird die Wärmeaustauschspule gekühlt, wenn der Kompressor der ersten Stufe (Hochtemperatur) startet. Wenn dann ein Kompressor der zweiten Ebene (niedrige Temperatur) arbeitet, kondensiert sein Kühlsystem in der Wärmetauscherspule der ersten und der zweiten Ebene. Das System reduziert die Temperatur des Kühlschranks auf unter −80 °C oder −90 °C. Wenn die Stromversorgung eingeschaltet wird, ist die Anzeigetemperatur höher als die eingestellte Temperatur. Das führt dazu, dass der Kompressor der ersten Stufe gestartet wird, um das Kühlsystem zu betreiben. Dadurch sinkt die Temperatur am Kondensator des Kühlsystems der zweiten Stufe und die Kältemitteltemperatur der zweiten Stufe. In dieser Phase beginnt das Kühlsystem der zweiten Stufe zu arbeiten.
Ultratiefkühlschränke nach DIN 13277
Mit Einführung der DIN 13277 im Mai 2022 werden erstmalig technische Eigenschaften von Ultratiefkühlschränken in einem DIN-Standard definiert. Durch die Standardisierung soll die Beschaffung von Equipment vereinfacht werden.
Die DIN 13277 gilt für alle Ultratiefkühlschränke, die mit einer Einrichtung zur Kälteerzeugung ausgerüstet sind und zur Lagerung von tiefgefrorenen Produkten für den Arzneimittel- und Labor-Bereich in einem Sollwert-Temperaturbereich von −90 °C bis −20 °C eingesetzt werden.
Technische Anforderungen Ultratiefkühlschränke nach DIN 13277[1]:
- Max. Temperatur-Abweichung zur Soll-Temperatur −80 °C max. ±5 K
- Einsetzbar bei Umgebungs-Temperaturen von +10 °C bis 32 °C
- Geräuschemission max. 60 dB(A)
- Optische und akustische Warnvorrichtung für zu hohe und zu niedrige Temperaturen
- Schnittstellen zur Aufzeichnung der Betriebstemperatur
- Netzausfall-Alarm – optisch und akustisch – für mind. 12 h (Stromausfall-Alarm)
- Mechanische Belastungsfähigkeit der Einbauten mind. 100 kg/m²
- Abschließbare Tür
- Gerätespezifische Informationen zu Energieverbrauch, Temperaturhomogenität und -konstanz sowie Temperaturanstieg bei Netzausfall
Kältemittel
Zum Erreichen der notwendigen Temperaturen beim Ultratiefkühlschrank muss dem Lagergut und dem Geräteinnenraum Wärme entzogen werden. Dazu macht man sich die Eigenschaft von Flüssigkeiten zunutze, die unter dem Einfluss von Wärme verdampfen, d. h. in den gasförmigen Zustand übergehen. Die in Kühl- und Gefriergeräten eingesetzten Flüssigkeiten verdampfen bei niedrigen Temperaturen und werden daher als „Kältemittel“ bezeichnet.[2]
In den 80er Jahren wurden die heute als konventionelle Kältemittel bekannten Fluor-Kohlenwasserstoffe (FKW) als innovativste Weiterentwicklung gefeiert. Im Gegensatz zu den bis zu diesem Zeitpunkt eingesetzten Fluorchlor-Kohlenwasserstoffen (FCKW) waren diese Kältemittel ungefährlich für die Ozonschicht. FKW-Kältemittel wurden daher jahrzehntelang forciert, um den Ozonabbau zu stoppen, allerdings auf Kosten eines großen Treibhauspotentials GWP.
Der bisher als Kältemittel bevorzugte Fluorkohlenwasserstoff R-508B,[3] unterliegt seit 1. Januar 2022 mit Inkrafttreten der nächsten Stufe der F-Gas Verordnung innerhalb der EU einem Inverkehrbringungsverbot für fluorierte Kältemittel mit GWP höher als 150.[4] Als Alternative setzt man daher auf umweltfreundlichere Kältemittel wie R-290 (Propan) oder R-170 (Ethan).[5]
Impfstoffe
Der 2020 neu entwickelte mRNA-Impfstoff (Comirnaty) von BioNTech / Pfizer, der weltweit im Kampf gegen die COVID-19-Erkrankung eingesetzt wird, muss bei sehr niedrigen Temperaturen transportiert und gelagert werden. Um die Sicherheit und Wirkung zu gewährleisten, darf die Temperatur dabei −60 °C nicht überschreiten. Der Transport erfolgt daher mit Trockeneis gekühlt bei ca. −75 °C.[6] Für die Langzeitlagerung von bis zu 9 Monaten müssen entsprechende Ultratiefkühlschränke (Temperaturbereich −70 °C bis −86 °C) vorhanden sein.[7] Anbieter wie beispielsweise Va-Q-tec[8], Liebherr oder Binder sind auf solche entsprechende Ultratiefkühlschränke spezialisiert.
Luftfracht
Eine Schwierigkeit beim Transport von Impfstoffen besteht darin, dass Flugzeuge nur eine begrenzte Menge Trockeneis transportieren dürfen, da es im Laufe der Zeit zu Gas sublimiert und die atembare Luft in der Kabine verdrängt – auch wenn die Kabine stets von außen mit frischer Luft versorgt wird. Laut einem DHL-Whitepaper zum Impfstofftransport können alle Großraumflugzeuge maximal eine Tonne Trockeneis in gekühlten und wärmegedämmten Behältern transportieren. Die FAA hat es während der COVID-19-Pandemie den Fluggesellschaften erlaubt, in den Kühlcontainern bis zu 6800 kg Trockeneis pro Flugzeug mitzuführen. Bedingung dafür war unter anderem eine Information der Besatzungen über die Symptome von Kohlendioxidvergiftungen und die entsprechenden Vorsichtsmaßnahmen.[9] Als Alternative verwendet DHL die Kapselcontainer von Cryoport, die Flüssigstickstoff verwenden, um Waren bis zu 10 Tage lang bis zu −150 °C kühl zu halten. Demgegenüber stehen sogenannte aktive Container, wie Envirotainer, die Elektromotoren zur Kühlung ihres Inhalts verwenden.[10] Solche aktiven Transportbehälter sind für Versand bei −20 °C, teilweise sogar bis −80 °C verfügbar. Dennoch ist der Versand gefrorener und ultratiefgefrorener Substanzen in Trockeneisboxen heutzutage immer noch Standard.[11]
Quellen
- Leo Angelo M. Gumapas, Glenn Simons: Factors affecting the performance, energy consumption, and carbon footprint for ultra low temperature freezers: Case study at the National Institutes of Health. In: World Review of Science, Technology and Sustainable Development. 10. Jahrgang, 2013, S. 129, doi:10.1504/WRSTSD.2013.050786 (englisch).
- Raghbir Singh Khandpur: Compendium of Biomedical Instrumentation, 3 Volume Set. John Wiley & Sons, 2020, ISBN 978-1-119-28812-1, S. 694–697 (englisch, google.com).
Weblinks
- Catherine Leffert, UPS Readies Freezer Farms to Ship Virus Vaccine — If We Get One, Bloomberg, 3. August 2020. Abgerufen am 19. November 2020.
- Julia Kollewe, Pfizer and BioNTech’s vaccine poses global logistics challenge, The Guardian, 10. November 2020. Abgerufen am 19. November 2020.
Einzelnachweise
- ↑ DIN 13277:2022-05. Abgerufen am 10. Mai 2022.
- ↑ Nina Rest: Umwelteinwirkung durch Kältemittel. In: med-depot.at. LUMA Handels KG, 8. November 2021, abgerufen am 5. Januar 2022.
- ↑ David Berchowitz, Yongrak Kwon, Environmental Profiles of Stirling-Cooled and Cascade-Cooled Ultra-Low Temperature Freezers, 2012, Sustainability, Band 4, Ausgabe 11, S. 2838–2851, doi:10.3390/su4112838
- ↑ Nina Rest: Kältemittel und F-Gas Verordnung. In: MED-Depot.at. LUMA Handels KG, 30. Dezember 2021, abgerufen am 5. Januar 2022.
- ↑ Ultratiefkühlschränke mit klimaneutralen Kältemitteln, Binder. Abgerufen am 25. November 2020.
- ↑ Nina Rest: Comirnaty Impfstoff richtig lagern. In: MED-Depot.at. LUMA Handels KG, 1. Januar 2021, abgerufen am 5. Januar 2022.
- ↑ Gesundheitsminister beschließen Impfstrategie, Tagesschau, 7. November 2020. Abgerufen am 9. November 2020.
- ↑ Va-Q-tec: Hauptsache, cool bleiben Zeit.de, 2. Dezember 2020
- ↑ Alison Sider und Peter Loftus: United Begins Flying Pfizer’s Covid-19 Vaccine. In: Wall Street Journal. 27. November 2020, abgerufen am 22. Dezember 2020 (englisch).
- ↑ Airlines scramble to prepare for ultra-cold COVID-19 vaccine distribution, Reuters, 18. November 2020. Abgerufen am 21. Dezember 2020.
- ↑ Delivering pandemic resilience, DHL, September 2020. Abgerufen am 23. November 2020.