Zugbeeinflussung

Zugbeeinflussung, Zugbeeinflussungssystem oder Zugsicherungssystem[1] nennt man technische Anlagen und Systeme bei Eisenbahnen, die die Fahrt von Zügen in Abhängigkeit von der zulässigen Geschwindigkeit kontrollieren. Ist die Fahrt nicht zugelassen oder fährt ein Zug zu schnell, so wird er durch eine Zugbeeinflussung selbsttätig gebremst.
Zur Sicherung von Zugfahrten wurden bereits im 19. Jahrhundert verschiedene technische Systeme und betriebliche Vorschriften entwickelt. Weit verbreitet sind Signale, die Fahrten für einen bestimmten Streckenabschnitt zulassen (Fahrtstellung) oder untersagen (Haltstellung), wobei das gleichzeitige Zulassen „feindlicher“, also unfallrisikobehafteter Fahrten häufig durch technische Abhängigkeiten weitgehend ausgeschlossen wird. Signale wirken jedoch nicht unmittelbar auf den Zug. Der Lokführer muss sie wahrnehmen und bei Annäherung an ein Halt zeigendes oder die Geschwindigkeit begrenzendes Signal den Zug entsprechend bremsen. Übersieht aber ein Lokführer ein Signal, kann es zu erheblichen Gefährdungen und schweren Unfällen kommen. Um dieser Gefahr zu begegnen, wurden Systeme entwickelt, die direkt in den Fahrbetrieb eingreifen, indem sie erforderlichenfalls eine Zwangsbremsung einleiten. Mit der gleichen Technik lässt sich auch die Geschwindigkeit der Züge überwachen.
Geschichte
Ab 1872 entwickelten die beiden Ingenieure MM. Lartigue und Forest mit Crocodile das erste signalabhängige Zugbeeinflussungssystem basierend auf einer abschnittsweisen galvanischen Kopplung des Triebfahrzeugs und der Strecke (s. u.). Im Jahre 1920 hielt mit Continuous Cab Signals (CCS) die Möglichkeit der kontinuierlichen Beeinflussung auf Basis von codierten Gleisstromkreisen Einzug in den Eisenbahnbetrieb. Die Grundidee dieses ursprünglich amerikanischen Systems kam dann über Italien (RS4 Codici) auch in die Sowjetunion (ALSN) und in weitere Länder des damaligen Wirtschaftbündnisses RGW. Heute finden sich dessen Ableger z. B. in Tschechien und der Slowakei (LS), Ungarn (EVM), Italien (BACC) und den Niederlanden (ATB-EG).
Rechtliche Situation

In Deutschland müssen Eisenbahnstrecken gemäß § 15 Absatz 2 EBO mit einem Zugbeeinflussungssystem ausgerüstet werden, wenn sie
- Nebenbahnen,
- auf denen mehrere Züge gleichzeitig verkehren, bei
- Geschwindigkeiten von über 50 km/h oder mit
- Reisezugverkehr, oder wenn sie
- Nebenbahnen für Geschwindigkeiten von mehr als 80 km/h oder
- auf denen mehrere Züge gleichzeitig verkehren, bei
- Hauptbahnen
sind.
Die führenden Fahrzeuge (Triebfahrzeuge, Triebzüge und Steuerwagen) benötigen eine der Zugbeeinflussung entsprechende Ausrüstung (§ 28 EBO). Die streckenseitige Ausgestaltung dieser Forderung obliegt dem Infrastrukturunternehmen.
Auf den Strecken der DB InfraGO kommen dabei überwiegend drei Systeme zum Einsatz:
- PZB 90 als Induktive Zugbeeinflussung in Dreifrequenz-Resonanzbauart (früher: Indusi) mit in Fahrtrichtung rechts am Gleis angebrachten Schwingkreisen (»Gleismagneten«)
- Linienförmige Zugbeeinflussung (LZB) mit in Gleismitte verlegtem Linienleiter als streckenseitiger Antenne
- ETCS als in der EU standardisiertes System in verschiedenen Ausprägungen (ETCS-Leveln). Charakteristisch sind in Gleismitte verlegte Platten (Eurobalise) zur bidirektionalen Informationsübertragung zwischen Triebfahrzeug und Infrastruktur.
Für spezielle Anwendungen wie Nahverkehrssysteme (S-Bahn, U-Bahn, Straßenbahn) kommen andere oder abgewandelte Systeme zum Einsatz.
Bei erlaubten Fahrgeschwindigkeiten von mehr als 160 km/h schreibt der Gesetzgeber Zugbeeinflussungseinrichtungen mit Führerstandssignalisierung vor, da das Aufnehmen von Signalbegriffen an der Strecke durch den Triebfahrzeugführer insbesondere bei unzureichenden Sichtbedingungen nicht mehr ausreichend zuverlässig ist. In Deutschland sind dafür LZB und ETCS ab Level 2 zugelassen.
Auch in anderen Ländern wird die Auffassung vertreten, dass:
- für Geschwindigkeiten über 160 km/h linienförmig übertragende Zugbeeinflussungssysteme oder mindestens Zugbeeinflussungen mit teilkontinuierlicher Datenübertragung erforderlich sind.
- bei Geschwindigkeiten über 160 km/h zusätzlich die Automatische Fahr- und Bremssteuerung zum Einsatz kommen sollte.
- bei U-Bahnen und Stadtbahnen wegen der hohen Zugdichte und Tunnelbetrieb auch bei niedrigen Geschwindigkeiten Zugbeeinflussungsanlagen notwendig sind.
Punktförmige Zugbeeinflussungen


Punktförmige Zugbeeinflussungen übertragen die Signalinformationen nur an diskreten Punkten – oft an den Standorten der Streckensignale – auf das Triebfahrzeug. Die meisten Systeme sind signaltechnisch nicht sicher, weil sie nach dem Arbeitsstromprinzip wirken – eine Ausnahme hiervon ist ETCS Level 1 in der Betriebsart Full Supervision. Ausfälle der Streckeneinrichtung sind nur durch besondere Prüfungen feststellbar. Trotzdem bieten punktförmige Zugbeeinflussungen einen hohen Sicherheitszuwachs bei verhältnismäßig geringen Kosten.
Nach der Art der Informationsübertragung gibt oder gab es folgende Arten der punktförmigen Zugbeeinflussung:
Mechanische Zugbeeinflussung
Die Informationsübertragung erfolgt vor oder am Haltesignal durch mechanische Berührung zwischen einem Streckenanschlag und einem fahrzeugseitigen Auslösehebel. Die mechanische Zugbeeinflussung ist für verhältnismäßig geringe Geschwindigkeiten bis ca. 90 km/h geeignet. Bekannte Anwendung: Fahrsperren, die in vielen städtischen Schnellbahnnetzen schon vor dem Ersten Weltkrieg eingeführt wurden und teilweise noch in Betrieb sind.
Elektromechanische Zugbeeinflussung
Die Stromübertragung vom fahrenden Zug auf die Streckeneinrichtung erfolgt mit Kontaktbürsten oder Kontaktschuhen. Die Stromrückleitung erfolgt über die Schienen. Durch Schnee und Eis können Störungen bei der Signalübertragung auftreten. Bekannte Anwendung: Crocodile bei den französischen, belgischen und luxemburgischen Eisenbahnen.
Magnetische Zugbeeinflussung
Bei der magnetischen Zugbeeinflussung befinden sich an der Strecke Permanentmagnete, deren Magnetfelder von vorbeifahrenden Triebfahrzeugen aufgenommen und ausgewertet werden. Ein neben dem Permanentmagnet angeordneter Elektromagnet baut bei Fahrt zeigendem Signal ein entgegengesetztes Magnetfeld auf, so dass sich die Wirkung der beiden Magnetfelder aufhebt und die Züge ungehindert durchfahren können. Die magnetische Zugbeeinflussung wird auch als magnetische Fahrsperre bezeichnet. Anwendungen sind auf Zugsysteme ohne hohe Geschwindigkeiten beschränkt:
- Zugbeeinflussung der Hamburger Hochbahn,
- ZST-90 und ZSI-90 einiger Schweizer Schmalspurbahnen
- verschiedene Grubenbahnen und Werksbahnen
Induktive Zugbeeinflussung

Induktive Zugbeeinflussung nutzt Datenübertragung durch elektromagnetische Kopplung.
Induktive Zugbeeinflussung mit magnetischem Gleichfeld
Der Permanent- oder Elektromagnet des vorbeifahrenden Triebfahrzeugs induziert beim Überfahren eines Gleismagnetes einen Strom, der bei Fahrt zeigendem Signal kurzgeschlossen wird. Bei Halt zeigendem Signal induziert ein zweiter Elektromagnet einen Strom an der Empfängerspule des Fahrzeugs, der von der Fahrzeugausrüstung ausgewertet wird. Diese Zugbeeinflussung kann nur zwei Zustände annehmen und übertragen.
Bekannte Anwendung: Früher Integra-Signum in der Schweiz
Induktive Zugbeeinflussung mit elektromagnetischen Wechselfeldern im Niederfrequenzbereich
Ein dauernd mit Wechselstrom gespeister Schwingkreis (»Fahrzeugmagnet«) erzeugt ein Wechselfeld, das beim Überfahren eines auf die gleiche Frequenz abgestimmten Gleisschwingkreises (»Gleismagnet«) in diesem einen Stromfluss induziert. Durch Rückkoppelung (Resonanz) des Gleis- auf den Fahrzeugmagnet wird dem Fahrzeugmagnet Energie entzogen, dadurch sinkt der Strom im Fahrzeugmagnet. Dieser Abfall wird vom Fahrzeuggerät ausgewertet. Diese Zugbeeinflussung kann pro genutzter Übertragungsfrequenz nur zwei Zustände annehmen und übertragen.
Bekannte Anwendung: Indusi/PZB in Deutschland, Österreich und weiteren Ländern, genutzt werden drei Frequenzen.
Induktive Zugbeeinflussung mit elektromagnetischen Wechselfeldern im Hochfrequenzbereich
Zur Informationsübertragung finden Gleiskoppelspulen (Balisen) und entsprechende Fahrzeugantennen Verwendung. Diese können auch bidirektional Datentelegramme übertragen. Die dazu notwendige Energie wird von Triebfahrzeugantennen abgestrahlt und von den Gleiskoppelspulen aufgenommen. Mit dem relativ großen übertragbaren Informationsvolumen können präzise Bremskurven mit Zielgeschwindigkeit und Zielentfernung berechnet werden. Weil jede Gleisspule die Entfernung zum nächsten Datenpunkt mitüberträgt, werden Ausfälle von Gleiskoppelspulen erkannt (überwachtes Arbeitsstromprinzip).
Bekannte Anwendung: ETCS, Zugbeeinflussungssystem S-Bahn Berlin
Optische Zugbeeinflussung (Opsi)
Die optische Zugbeeinflussung (Opsi) wurde von der Deutschen Reichsbahn entwickelt und über eine längere Zeit getestet. Das System arbeitete mit Licht und wurde zur Sicherung von Signalen im Schienenverkehr entworfen. Das Ziel des Systems war eine automatische Zwangsbremsung des Schienenfahrzeuges bei Annäherung an ein haltzeigendes Signal. Zur Erkennung der Signalinformation wurden an den Triebfahrzeugen Lichtquellen angebracht, welche einen starken Lichtstrahl nach vorn lenkten. An den Signalen waren wiederum bewegliche Tripelspiegel angebracht, welche in Haltstellung sichtbar waren und den Lichtstrahl reflektierten. Der reflektierte Lichtstrahl wurde am Triebfahrzeug mit einer Kontaktzelle registriert. Bei fehlerhafter Handlung des Lokführers sollte daraufhin eine Zwangsbremsung ausgelöst werden. So sollte sichergestellt werden, dass der Zug das Signal Halt nicht überfuhr. In Fahrtstellung wurden die Tripelspiegel abgedeckt.
Für die umfangreichen Versuche mit diesem System wurden viele Signale mit Tripelspiegeln und Blenden sowie Lokomotiven mit Lichtquellen und Fotozellen ausgestattet. Es war eine flächendeckende Nutzung angedacht. Das System arbeitete jedoch nicht zuverlässig. Die Spiegel verschmutzten leicht oder bei schlechtem Wetter wurde das Licht nicht von der Lok erkannt. Bei zu starker Sonneneinstrahlung kam es ebenfalls zu Problemen. Das Projekt Opsi wurde im Jahr 1943 eingestellt.
Bauart Bäseler-Zeiss
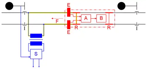
Zugbeeinflussungen mit kontinuierlicher Datenübertragung
Rot: Fahrzeugausrüstung mit Empfangsantennen (E), Fahrzeuggerät (A, mit Auswertesystem und Führerstandsanzeige), Bremswirkgruppe (B) und Radsätzen (R); Fahrtrichtung (F) des Zuges
Blau: Speiseseite des Gleisstromkreises mit Codiereinrichtung (S) des Schienenlinienleiters mit Ansteuerung vom zugeordneten Signal
Schwarz: Isolierstöße (I) des Gleisstromkreises
Gelb: Vom Fahrzeug kurzgeschlossener Strom des Gleisstromkreises

Bei diesen Systemen werden ohne Unterbrechung Daten zwischen Strecke und Triebfahrzeug ausgetauscht. Dadurch werden Änderungen der zugelassenen Geschwindigkeit unverzüglich dem Fahrzeug übermittelt, was den Betriebsfluss verbessert und die Sicherheit vergrößert. Kontinuierliche Übertragungssysteme wirken nach dem Ruhestromprinzip, wodurch Ausfälle der Streckeneinrichtung auf den Fahrzeugen sofort erkannt werden. Sie verursachen hohe Kosten, sind aber für den Hochgeschwindigkeitsverkehr unentbehrlich. Durch die signaltechnisch sichere Anzeige der zulässigen Geschwindigkeit im Führerstand werden ortsfeste Signale entbehrlich. Mit solchen Systemen ist auch eine weitgehend automatische Fahr- und Bremssteuerung möglich.
Linienleiter
Linienleiter ermöglichen die induktive Übertragung von Informationen zum Fahrzeug.
Schienenlinienleiter
Die Signalübertragung erfolgt über ein elektromagnetisches Feld, das sich bei Gleisstromkreisen um die Schienen herum ausbildet. Über Triebfahrzeug-Empfangsantennen wird das Feld abgetastet und damit die in den so genannten codierten Gleisstromkreisen eingespeisten Informationen empfangen.
Nachteilig ist die im Gegensatz zum Kabellinienleiter größere elektrische Dämpfung, wodurch nur ein geringes Informationsvolumen übertragen werden kann. Unterschiedliche Frequenzen der codierten Gleisstromkreise ermöglichen die Übertragung mehrerer Geschwindigkeitsstufen. Ein Halt aus Höchstgeschwindigkeit kann über mehrere Abschnitte erfolgen, wobei die Geschwindigkeitsstufen so gewählt werden, dass sich ungefähr gleiche Bremswege zum nächstniedrigeren Abschnitt ergeben.
Das System ist technisch einfach und benötigt außer den Gleisstromkreisen keine zusätzlichen Leiter am Gleiskörper. Für die Übertragung der zusätzlichen Informationen, die vor der ersten Achse des führenden Fahrzeuges aufgenommen werden, müssen die Gleisstromkreise allerdings umschaltbar sein. Es ist erforderlich, dass während einer Zugfahrt immer die Relaisseite des Gleisstromkreises zuerst befahren wird. Bei Fahrten gegen die Erlaubnis und in Bahnhöfen ohne eingestellte Fahrstraße ist keine Informationsübertragung möglich. Da keine Standortinformation vom Zug an die Streckenausrüstung übertragen wird, muss die Länge der Gleisstromkreise und damit auch die Länge der Blockabschnitte je nach Steigungsverhältnissen der Länge des Bremsweges angepasst werden. Weil die Information „Halt“ erst beim Befahren des Blockabschnittes erkannt wird, befindet sich der Gefahrpunkt hinter dem Ende des Abschnitts.
Bekannte Anwendungen: TVM auf französischen Hochgeschwindigkeitsstrecken, RS4 Codici und BACC in Italien
Kabellinienleiter
Zur Datenübertragung dient ein elektromagnetisches Feld, das sich um ein zwischen den Schienen ausgelegtes, einpoliges Antennenkabel ausbreitet. In festen Abständen, bei Fernbahnanwendung üblicherweise alle 100 m, wechselt der Linienleiter in Gleismitte mit den in der Regel in der Laschenkammer einer der Fahrschienen verlaufenden Rückleiter die Position. An diesen Kreuzungsstellen tritt am Empfänger im Fahrzeug eine Phasenverschiebung um 180° auf. Dieser Phasensprung wird zur Positionsbestimmung der Züge benutzt. Das System zeichnet sich durch gute Übertragungseigenschaften zwischen Strecke und Fahrzeug und umgekehrt aus. Durch die Nutzung unterschiedlicher Trägerfrequenzen (bei der deutschen LZB beträgt die Sendefrequenz der Streckeneinrichtung 36, die der Fahrzeuggeräte 56 kHz) können Informationen in beiden Richtungen gleichzeitig übertragen werden. Durch die Möglichkeit extrem kurzer Blockabstände können sehr kleine Zugfolgezeiten erreicht werden. Die Kabellinienleiter sind jedoch bei Arbeiten am Oberbau hinderlich, ihr Aus- und Einbau erfordert im Vergleich zu den Teilen der Streckenausrüstung anderer Zugbeeinflussungssysteme einen deutlich höheren Zeitaufwand. Zudem sind sie empfindlich gegen Beschädigungen.
Bekannte Anwendung: Linienförmige Zugbeeinflussung (LZB) in Deutschland und weiteren Ländern
Funkübertragung

Die Funktechnik war seit Beginn der 1990er Jahre so weit entwickelt, dass sie zur sicheren Datenübertragung zwischen ortsfesten Streckenzentralen (Radio Block Centre, RBC) und Triebfahrzeugen eingesetzt werden konnte.
Voraussetzung ist eine stabile Funkverbindung, da die Züge bei einer Unterbrechung oder Störung der Übertragung nur noch auf Sicht fahren können oder auf eine weniger leistungsfähige Rückfallebene angewiesen sind. Zu Beginn der 1990er Jahre wurde in Europa auf den modernen GSM-Standard gesetzt. Es zeigte sich aber, dass für die Eisenbahnanwendung spezielle Anforderungen durch den bestehenden Standard nicht erfüllt werden konnten. Deshalb wurde ein spezieller Standard GSM-R entwickelt. Dieser wurde auch Grundlage des Standards ETCS. Die aktuelle Fortschreibung von GSM-R hat auch die paketorientierte Übertragung GPRS und EDGE als quasikontinuierliche Datenübertragung mit in den Standard aufgenommen. Diese Verfahren können die verfügbaren Mobilfunkfrequenzen besser nutzen und sind deshalb für Ballungszentren und Bahnknoten notwendig.
Aufgrund
- steigender Datenmengen bei der Einführung weiterer Anwendungen von ERTMS
- Problemen der Informationssicherheit von GSM
- ungünstig langer Paketlaufzeiten für Hochgeschwindigkeitsverkehr (Dopplereffekt)
wird an der Übernahme der aktuellen Mobilfunktechnik LTE für bahntechnische Anwendungen gearbeitet.
In einigen Ländern (Finnland, Kasachstan, Russland) wird an Stelle des GSM-Standards für diese Kommunikation der bei Behörden verbreitete TETRA-Standard verwendet.
Die Funkübertragung hat den Vorteil, dass keine Geräte im oder am Gleis erforderlich sind. Weiterhin sind die Standards zu großen Teilen als Software implementiert, die sich leichter aktualisieren und an örtliche Gegebenheiten anpassen lässt. Damit einher geht aber auch der Nachteil der Möglichkeit großflächiger Störungen im Bereich der Logik sowie der Energieversorgung.
Bekannte Anwendung: ETCS Level 2 und 3
Zugbeeinflussungen mit teilkontinuierlicher Datenübertragung
Eine punktförmige Zugbeeinflussung überträgt die Informationen nur an festen Stellen auf das Triebfahrzeug, wo sie zur Sicherung der Zugfahrt ausgewertet werden. Zwischen den Übertragungspunkten (ÜP1 und ÜP2 im Bild rechts) erfolgt keine Informationsübertragung. Wenn kurz nach der Vorbeifahrt am Vor- oder rückgelegenen Hauptsignal auf einen einschränkenden Signalbegriff das folgende Signal auf Fahrt geht oder aufgewertet wird, entsteht eine Betriebsbehinderung. Falls nach der Vorbeifahrt an einem vorsignalisierenden Signal das folgende unerwartet auf Halt fällt, was allerdings sehr selten ist, entsteht eine Betriebsgefahr. Derartige Probleme lassen sich durch eine am Übertragungspunkt ÜP1 anschließende kontinuierliche Signalübertragung reduzieren.[2] Solche Zugbeeinflussungen mit teilkontinuierlicher Datenübertragung bestehen aus Komponenten von punktförmigen Zugbeeinflussungen und von System mit kontinuierlicher Datenübertragung.
Zu den teilkontinuierlich wirkenden Systemen gehören ETCS Level 1[3] (europaweit), SELCAB (Spanien) und früher ZUB 121 (Schweiz).
Literatur
- W. Fenner, P. Naumann, J. Trinckauf: Bahnsicherungstechnik, Publics Corporate Publishing 2003, ISBN 3-89578-177-0
- Lexikon Eisenbahn, Transpress VEB Verlag für Verkehrswesen, Berlin, 1978
- Pachl, Jörn: Systemtechnik des Schienenverkehrs, B.G. Teubner, Stuttgart 2000, ISBN 3-519-16383-7
- Fritz Steiner: Sicherungsmaßnahmen gegen das Ueberfahren geschlossener Eisenbahnsignale. Schweizerische Bauzeitung, Band 103 (1934), Heft 24 (E-Periodica, PDF 1,9 MB) und Band 103 (1934), Heft 25 (PDF 2,8 MB)
- Gregor Theeg, Béla Vincze: Vergleich europäischer Zugbeeinflussungssysteme. In: Signal + Draht. Band 99, Nr. 7+8. Tetzlaff Verlag GmbH, 2007, ISSN 0037-4997, S. 6–12.
Einzelnachweise und Anmerkungen
- ↑ Die Fahrdienstvorschriften der schweizerischen Eisenbahnen bezeichneten Zugbeeinflussung bis 2016 mit dem Begriff Zugsicherung (Schweizerische Fahrdienstvorschriften FDV vom 2. November 2015 (R 300.1-.15) – SR 742.173.001 Bundesamt für Verkehr)
- ↑ Indusi/PZB verringert diese Problematik mit 500-Hz-Gleismagneten, die 260 m vor dem folgenden Hauptsignal liegt.
- ↑ Weil bei ETCS Level 1 sehr häufig auf die linienförmige Komponente verzichtet wird, wirkt es in der Regel als punktförmige Zugbeeinflussung.
Weblinks
- Technische Spezifikation für die Interoperabilität des Teilsystems „Zugsteuerung, Zugsicherung und Signalgebung“ des transeuropäischen Hochgeschwindigkeitsbahnsystems der Kommission für die Europäischen Gemeinschaften (2006/860/EG)
- ETCS – das einheitliche Zugbeeinflussungssystem für Europa (PDF; 3,8 MB)
