Blindleistung
Blindleistung kann in der Elektrotechnik auftreten, wenn elektrische Energie über Wechselstrom transportiert wird, wie üblicherweise im Stromnetz zwischen Kraftwerk und Verbraucher. Anstatt die elektrische Energie beispielsweise als Wärme oder Bewegungsenergie abzugeben, wird von manchen Elektrogeräten kurzzeitig Energie gespeichert und wieder ins Netz zurückgespeist. So „pendelt“ im Netz elektrische Energie zwischen Erzeuger und Verbraucher. Diese bedingt einen zusätzlichen Blindstrom; die damit verbundene Leistung heißt Blindleistung. Sie ist weitgehend unerwünscht.
Die Hauptverursacher der Blindleistung im Wechselstromnetz sind in Verbrauchern enthaltene Induktivitäten oder Kapazitäten. Diese bauen in jeder Netz-Halbschwingung ein magnetisches oder elektrisches Feld auf und wieder ab. Dabei wird im magnetischen Feld gespeicherte elektrische Energie nach der Vorzeichenumkehr der Spannung ins Netz zurückgespeist; entsprechendes gilt beim elektrischen Feld nach der Vorzeichenumkehr der Stromstärke. Diese Art von Blindleistung ist mit einer Phasenverschiebung zwischen Spannung und Stromstärke verbunden. Sie kann durch besondere Betriebsmittel reduziert (kompensiert) werden. Neben dieser Verschiebungsblindleistung gibt es Verzerrungsblindleistung, wenn der Stromverlauf nicht sinusförmig ist.
Die beim Verbraucher „tatsächlich etwas bewirkende“ elektrische Leistung heißt Wirkleistung. Die Elektrizitätsversorger berechnen Privathaushalten nur die Wirkenergie, nicht die Blindenergie. Anders bei gewerblichen Verbrauchern; daher betreiben manche Großabnehmer Einrichtungen zur Blindstromkompensation.
Festlegungen
Dieser Artikel verwendet für die Richtungsfestlegung das in der Elektrotechnik weitgehend übliche Verbraucherzählpfeilsystem.
Bei Gleichgrößen wird die elektrische Leistung aus Spannung und Stromstärke definiert.
Bei Wechselgrößen wird entsprechend der Augenblickswert der Leistung aus den Augenblickswerten der Spannung und der Stromstärke definiert. Anstelle der Augenblickswerte werden möglichst durch Mittelwertbildung (Integration) gewonnene, in stationären Vorgängen konstante Größen verwendet:
- die Effektivwerte der Spannung und der Stromstärke
- drei Leistungsangaben
- die Wirkleistung
- die Scheinleistung
- die Gesamtblindleistung
Diese Definitionen gelten gemäß Normung allgemein.[1][2]
Die Einheit der Leistung ist das Watt (Einheitenzeichen W). In der elektrischen Energietechnik werden gemäß denselben Normen – auch in DIN 1301-2 („Einheiten“) – vorwiegend für die Scheinleistung das Voltampere (Einheitenzeichen VA) und für die Blindleistung das Var (Einheitenzeichen var) benutzt; dabei gilt .
Für das Versorgungsnetz sind weitere Festlegungen in DIN 40108 und DIN 40110-2 zu beachten.
Sinusförmige Spannungen und Ströme
Verschiebungsblindleistung
Für die Anwendung im Energieversorgungsnetz sind und Wechselgrößen mit derselben Grundfrequenz. Wenn sie außerdem beide sinusförmig sind mit und , dabei möglicherweise um den Phasenverschiebungswinkel verschoben, sowie mit den Amplituden und , gilt gemäß der Herleitung der Wirkleistung
- .
Durch die Phasenverschiebung entsteht eine Verschiebungsblindleistung. Zu ihrer Herleitung[1] wird die Stromstärke mit einem Additionstheorem zerlegt in

Die vom Verbraucher aufgenommene Leistung (Kurve 1) setzt sich zusammen aus einem zur Wirkleistung beitragenden Anteil (Kurve 3) und einem Rest, der zur Blindleistung beiträgt (Kurve 2)
- .
Das stellt eine im Phasenwinkel mit der Spannung übereinstimmende Wirkstromstärke dar und eine dagegen um 90° versetzte Blindstromstärke. Damit ist der Augenblickswert der Leistung
und mit den Doppelwinkelfunktionen
- .
Diese Gleichung wird in nebenstehendem Diagramm aufgeschlüsselt. Kurve 2 zeigt den zweiten Summanden als eine Schwingung um die Höhe null, die damit im zeitlichen Mittel nichts zum Energiefluss beiträgt. Der Faktor in diesem Summanden dient in Analogie zur Definition der Wirkleistung zur Definition der Verschiebungsblindleistung [1][2][3][4]
- .

Mittelwertdefinition Die gleichwertige Definition[6]
- ,
aus welcher die zuerst angegebene folgt, bestimmt die Verschiebungsblindleistung als arithmetischen Mittelwert aus Momentanwerten des Sinusvorgangs. Darin steht (Grafik a) für die um vorlaufend verschobene Stromstärke. Für jeden Sinusvorgang mit , und der Periode folgt aus dem Mittelwert
die oben angegebene Formel .
Herleitung[7][8][9] Die Augenblicksleistung eines einzelnen Widerstands lässt sich durch ausdrücken, die einer idealen Spule und die eines idealen Kondensators durch bzw. . Beim Widerstand gibt das Produkt seine Wirkleistung an, bei der Spule und dem Kondensator bezeichnen bzw. deren Blindleistung .
Diese für die drei elementaren Schaltelemente gültige Vorüberlegung motiviert dazu, für die Augenblicksleistung eines linearen passiven oder aktiven Zweipols den Zerlegungsansatz
zu erproben. Der orthogonale[10] Zerlegungsansatz separiert die Augenblicksleistung eines Zweipols wie eine aus Widerstand und Induktivität gebildete Reihenersatzschaltung, daran erkennbar, dass die Stromstärke dem ohmschen (linken) und induktivem (rechten) Summanden gemeinsam ist.
Die Mittelung beider Seiten der Ansatzgleichung liefert die Wirkleistung des Zweipols , wobei benutzt wird, dass die Mittelwerte der bei und stehenden Zeitfunktionen eins bzw. null betragen (Grafik b).
Ebenso ist die Blindleistung zu bestimmen. Dazu wird die Zerlegungsgleichung auf beiden Seiten mit multipliziert, um die Zeitfunktion bei quadratisch in zu formulieren. Aus
folgt durch Mittelung
- ,
da jetzt die Zeitfunktion zu den Mittelwert null und die zu den Mittelwert eins hat. Die Definition gilt in allen vier Quadranten der --Ebene im Verbraucher- und Erzeugerzählpfeilsystem in gleicher Gestalt.
Die Gesamt-Blindleistung bei Sinusverläufen ergibt sich gemäß der Festlegung oben zu
- .
Wenn keine Verwechselung möglich ist, heißt die Verschiebungsblindleistung allein Blindleistung mit .
Die beiden möglichen Vorzeichen von kennzeichnen zwei Arten von phasenverschiebenden passiven Zweipolen (Verbrauchern):
| Induktiver Verbraucher:
Die Stromstärke eilt der Spannung nach |
||
| Kapazitiver Verbraucher:
Die Stromstärke eilt der Spannung voraus |
Bei der Zusammenschaltung zweier aktiver Zweipole kann sich der Phasenverschiebungswinkel auch im Bereich von −180° bis +180° bewegen. Beispielsweise arbeitet die Synchronmaschine eines Pumpspeicherkraftwerks im Turbinenbetrieb als Generator oder im Pumpbetrieb als Motor . In beiden Fällen kann die Maschine nach Bedarf kapazitiv oder induktiv wirkend eingesetzt werden (Vierquadrantenbetrieb). Am Verknüpfungspunkt mit dem Netz ist der vollständige Bereich des Phasenverschiebungswinkels zu messen.[11][12][13]
In der Elektrotechnik ist es üblich, die Wechselstromrechnung (also das Rechnen mit sinusförmigen Wechselgrößen) mit Hilfe von Zeigern in der komplexen Ebene durchzuführen, da dieses wesentlich einfacher ist als die Rechnung mit trigonometrischen Funktionen. Dann ist in der komplexen Wechselstromrechnung die Blindleistung der Imaginäranteil der komplexen elektrischen Leistung.
Ursache


Bei ohmscher Belastung haben Spannung und Strom einen phasengleichen Verlauf, der Phasenverschiebungswinkel ist . Die gesamte vom Erzeuger gelieferte Energie wird beim Verbraucher umgesetzt (z. B. als thermische oder chemische Energie).
Bei einem induktiven Verbraucher (z. B. Drosselspule, Transformator, Asynchronmotor) wird vom Erzeuger gelieferte Energie verwendet, um das magnetische Feld aufzubauen. Die Energie wird zunächst im Magnetfeld gespeichert, jedoch mit dem periodischen Wechsel im Vorzeichen der Spannung wird das Feld wieder abgebaut und die Energie ins Netz zurückgespeist. Bei rein induktiver Belastung läuft der Strom der Spannung um eine Viertelperiode nach, der Phasenverschiebungswinkel beträgt 90°. Das Produkt aus und befindet sich abwechselnd im positiven und negativen Bereich, wobei die Frequenz der Leistung die doppelte der Grundfrequenz ist. Wenn sich die Leistung im negativen Bereich befindet, bedeutet das, dass Energie in das Netz zurückgeliefert wird. Die Leistung schwankt um ihre mittlere Höhe null, was zeigt, dass Energie im Netz nur hin- und herpendelt. Sie erzeugt aber „blinden“ Stromfluss. Für diesen Fall ergibt sich
Entsprechendes gilt auch für kapazitive Verbraucher (z. B. Kondensatormotoren, Erdkabel), die jedoch statt des magnetischen ein elektrisches Feld erzeugen, das eine Phasenverschiebung zwar in der anderen Richtung einstellt, aber sonst dasselbe liefert: Die zum Auf- und Abbau des Feldes pro Periode transportierte Energie stellt Blindleistung dar.
Zur Klarstellung: Wirkleistung steht für Energieverbrauch, bei dem elektrische Energie bezogen und meistens irreversibel in eine andere Energieform umgesetzt wird. Verschiebungsblindleistung steht dagegen für Energiebedarf, bei dem elektrische Energie bezogen, für einen Bruchteil einer Netzperiode gespeichert und dann wieder reversibel in das Netz eingespeist wird.[14][15][16]
Die Blindleistung tritt in der Regel bei allen am Netz angekoppelten Komponenten und auch beim Leitungsnetz selbst auf. Da in einem Stromkreis im Prinzip immer die drei passiven linearen Eigenschaften Kapazität, Induktivität und ohmscher Widerstand entweder in diskreten Bauelementen oder als „Leitungsbelag“ vorhanden sind, liegt in einem Wechselstrom-Versorgungsnetz praktisch immer eine Blindleistungsbelastung vor.
Belastung durch Blindleistung
Übersicht zum Auftreten von Blindleistung
Blindleistung tritt in den folgenden Bereichen auf:
- unvermeidlich durch an das Stromnetz angeschlossene induktive bzw. kapazitive Verbraucher und das Netz selbst (siehe Abschnitt oberhalb)
- gezielt durch Einstellung des Erregerstroms in Synchronmaschinen in Kraftwerken zur zentralen Blindleistungs-Kompensation, Einstellung der Netzspannung und Lastfluss-Steuerung
- durch gezielten dezentralen Blindleistungs-Bedarf, um
- dezentral erforderliche Blindleistung zu kompensieren oder
- die Spannung am Netzverknüpfungspunkt zu beeinflussen
Beispiel zum letzten Punkt: Photovoltaik-Wechselrichter ab 13,8 kVA Scheinleistung verhalten sich gemäß VDE AR-N-4105 in der Standardeinstellung bei Volllast mit induktivem Blindleistungs-Bedarf mit , weil dadurch die Spannung am Einspeisepunkt gesenkt wird. Dies soll der Erhöhung der Netzspannung am Einspeisepunkt durch den ohmschen Widerstand entgegenwirken, und so die Einspeisung einer höheren Leistung ermöglichen, bevor der Wechselrichter bei einer Netzspannung von 253 V vom Netz gehen müsste.
Folgen
Die Leistung wird über das Versorgungsnetz bezogen, wenn Spannung und Strom dasselbe Vorzeichen haben. Wenn die Vorzeichen gegensätzlich sind, wird die Leistung wieder zurückgespeist. Die Rückspeisung bewirkt eine Blindleistung und einen Blindstrom, der bei steigendem Blindleistungsbedarf der Verbraucher ansteigt. Um der Erwärmung der Leitung entgegenzuwirken, werden größere Leiterquerschnitte in den Versorgungsleitungen sowie größere Generatoren und Transformatoren nötig. Elektrische Großverbraucher in der Industrie müssen neben der bezogenen Wirkenergie auch für ihren Blindenergiebezug bezahlen. Privat- und Kleinverbraucher, die im Gegensatz zur Industrie überwiegend Strom für die Wärmeerzeugung beziehen, verursachen geringe Blindleistungsbelastung und werden deswegen und wegen des hohen Aufwandes für deren Erfassung von den Kosten freigestellt, oder die Kosten finden sich im Preis der Wirkarbeit (angegeben in kWh) wieder. – Außerdem bewirken Blindlaständerungen wesentlich größere Spannungsänderungen im Netz, da der Innenwiderstand von Generatoren und Transformatoren überwiegend induktiv ist.
- Beispiel einer Blindleistung
Erdkabel stellen aufgrund des geringen Abstandes der Adern zueinander bei gegebener Länge eine große kapazitive Last dar. Die rund 11,5 km lange 380-kV-Transversale Berlin hat eine Kapazität von 2,2 μF. Um diese mit 50 Hz umzuladen, muss Blindstrom von 160 A aufgebracht werden, das entspricht einer Blindleistung von 110 Mvar. Deshalb ist die sinnvolle maximale Kabellänge auf etwa 70 km begrenzt.
Gegenmaßnahmen
Durch geeignete Maßnahmen versuchen die großen Energieverbraucher, den Blindleistungsbedarf möglichst gering zu halten. Der induktive Blindleistungsbedarf einer Asynchronmaschine kann durch eine Kondensatorbatterie, Synchronmaschine oder einen speziellen Stromrichter (Leistungsfaktorkorrektur) kompensiert werden, das wird als Blindleistungskompensation bezeichnet. Die für die Erzeugung des magnetischen Feldes erforderliche Energie pendelt dann nicht mehr in das versorgende Netz bis zum Generator, sondern nur zwischen Asynchronmaschine und Kondensatorbatterie oder Synchronmaschine. Damit sinkt der resultierende Strom, den der Antrieb aus dem Netz entnimmt. Das oberste Bild verdeutlicht das in den drei gezeigten Kurven:
- Kurve 1: Von Maschine aufgenommene Leistung; sie schwingt mit der Amplitude .
- Kurve 2: Von Kondensator zu liefernde Leistung; sie schwingt mit der Amplitude .
- Kurve 3: Dann noch vom Netz bezogene Leistung; sie schwingt mit der Amplitude .
Bei Antrieben mit Asynchronmaschinen ist der Blindleistungsbedarf durch den Motor definiert und weitgehend unabhängig von der mechanischen Antriebsleistung. Bei Systemen mit veränderlichem Blindleistungsbedarf ist es erforderlich, dass anstelle einer Kompensationseinrichtung mit konstanter Blindleistung (Kondensator) ein geregelter Kompensator eingesetzt wird.
Die Blindleistungen innerhalb eines regionalen Stromnetzes können durch Phasenschiebertransformatoren oder rotierende Phasenschieber kompensiert werden.
Die Parallelschaltung von Kapazität und Induktivität zu diesem Zweck kann auch als Schwingkreis angesehen werden, der bei passender Auslegung bei 50 Hz seine Resonanzfrequenz hat und Blindstrom sperrt. Ein Beispiel wird unter Blindleistungskompensation dargestellt.
Nichtsinusförmige Ströme
Bei sinusförmiger Spannung können auch nichtsinusförmige Ströme auftreten. Das ist bei allen nichtlinearen Verbrauchern, wie Umrichtern in der Leistungselektronik oder bei Induktivitäten, die magnetisch sättigen, der Fall. Nichtsinusförmige Ströme können auch bei Netzteilen ohne Leistungsfaktorkorrektur auftreten. Siehe hierzu auch Stromflusswinkel.
Bei einem solchen Strom handelt es sich um eine Summe von sinusförmigen Anteilen unterschiedlicher Frequenz; er beinhaltet neben dem Grundschwingungsanteil auch noch Oberschwingungsanteile. Wird mit der Effektivwert der Grundschwingung bezeichnet, mit , … die Effektivwerte der Oberschwingungen, so gilt für die Wirkleistung
nur die Parameter der Grundschwingung des Stromes sind von Bedeutung; Oberschwingungen haben auf keinen Einfluss. Dagegen gehen bei der Schein- und Blindleistung alle Oberschwingungen mit in das Ergebnis ein.
Mit der Gesamtblindleistung
einer Verschiebungsblindleistung in der Grundschwingung
und einer Verzerrungsblindleistung in den Oberschwingungen
ergibt sich
Blindleistungsmesser, soweit sie wie nachfolgend beschrieben wie Wirkleistungsmesser arbeiten, erfassen (bei sinusförmiger Spannung) nur . Elektronische Geräte mit genügend schneller digitaler Abtastung und Berechnung lassen auch die Messung von zu.
Wenn auch die Spannung des Zweipols eine nichtharmonische Wechsel- oder Mischgröße mit gleicher Periode wie die der nichtharmonischen Stromstärke ist, beträgt seine Blindleistung
Die Formel beruht auf einer orthogonalen Zerlegung der Stromstärkenkurve. Deren spannungsproportionale Komponente bildet zusammen mit der Spannung die Wirkleistung. Zur Berechnung oder Messung fällt keine harmonische Analyse von Spannung und Stromstärke an.
Die Formel für beruht auf der orthogonalen Zerlegung der Stromstärke
- ,[17]
in eine wirkleistungs- und eine blindleistungsbildende Komponente, wobei
proportional der Spannung angesetzt ist – mit der Forderung, dass gemäß
allein die Komponente die Wirkleistung bildet. Aus dieser Forderung folgt die Konstante
mit der Dimension eines elektrischen Leitwerts und, wegen entsprechend
- ,
die Orthogonalität der beiden Zerlegungskomponenten.
Der Zerlegungsansatz für die Stromstärke modelliert die Last durch zwei parallelgeschaltete Schaltelemente, die an der Spannung liegen. Ein Element ist ein ohmscher Leitwert , der so gewählt ist, dass er an der Spannung die Wirkleistung umsetzt. Das andere Element hat die Strom-Spannungskennlinie .
Für den Effektivwert der Wirkstromstärke ergibt sich mit oder . Der Effektivwert der Blindstromstärke folgt mit und zu
- .
Die letzte Gleichung in mit multiplizierter Form liefert die Definition der (quadrierten) Blindleistung
- .
Da sich die Größen , und (alle nichtnegativ) an einem rechtwinkligen Dreieck veranschaulichen lassen, kann man den Winkel definieren und damit
und
Die Addition der Blindleistung mehrerer Zweipole ergibt nicht deren Gesamtblindleistung. Die Summe ist keine sinnvolle Größe, da der zeitliche Bezug der einzelnen Zweipolspannungen und -ströme zueinander außer Acht bleibt.
Blindleistung von Netzwerken im periodischen Fall
Bestimmung aus Zweiggrößen
Die gesamte Blindleistung eines an eine Leitung angeschlossenen Netzwerks, bestehend aus Zweigen mit Strömen und Spannungen gleicher Periodendauer , beträgt
Die Variablen und bezeichnen jeweils die Zeitfunktion der Spannung bzw. Stromstärke des -ten oder -ten Zweigs mit beliebiger Kurvenform einschließlich Mischgrößen. Die überstrichenen Terme sind arithmetische Mittelwerte des darunter stehenden Produkts entsprechend
Im Fall sind und Effektivwertquadrate und und Wirkleistungen.
Bei Anwendung auf Sinusfälle liefert Gl. () den Betrag der Gesamt-Verschiebungsblindleistung (Summenbetrag der Imaginärteile der komplexen Zweigscheinleistungen).
Bei der Gesamt-Wirkleistung des an eine Leitung angeschlossenen Netzwerks beträgt seine Gesamt-Scheinleistung
Bestimmung aus Leitungsgrößen
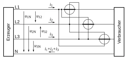
Mit Gl. () lässt sich die Blindleistung auch aus den Leitungsgrößen bestimmen. Bei Leitern ist für die Anzahl unabhängiger Leiterzweige, d. h. einzusetzen, und für und die Zwischenleiterspannungen bzw. . Der Leiter Nummer kann ein Neutral- oder ein anderer Leiter sein.
Spezielle Anwendungsfälle
Die folgenden Gleichungen ergeben sich direkt aus Gl. ().
Drehstromleitung mit Neutralleiter (4 Leiter, z=3)
Mit den gegen den Bezugsleiter Nr. 4 gemessenen Leiterspannungen gilt
Der Leiter Nr. 4 kann der Neutralleiter oder einer der übrigen drei Leiter sein.
Drehstromleitung ohne Neutralleiter (3 Leiter, z=2)
Mit den gegen den Bezugsleiter Nr. 3 gemessenen Leiterspannungen gilt
Zweipol (2 Leiter, z=1)
Mit gilt
Elemente der Herleitung
Die Gl. () beruht auf der Zuordnung der Strom- und Spannungszeitfunktionen (verallgemeinernd mit bezeichnet) zu im Allg. höherdimensionalen konstanten Vektoren .[18][19][20][21][22][23][24] Deren Betrag ist gleich dem Effektivwert der jeweiligen Zeitfunktion, und die Winkel zwischen den Vektoren und sind gleich . Damit gilt und .
Unter diesen Voraussetzungen ergeben sich Wirk- und vektorielle, bei mehr als drei Dimensionen, tensorielle Blindleistung jedes Zweiges als Skalarprodukt bzw. Vektorprodukt . Die eckigen Klammern bezeichnen das Keilprodukt, bei höchstens dreidimensionalen Vektoren auch das Kreuzprodukt. Die Tensor-Blindleistung mehrerer Zweige kann, wie die Wirkleistung, durch Summierung gebildet werden. Die skalare Gesamt-Blindleistung laut Gl. () folgt daraus durch Betragsbildung. Die Vektoren werden mit Hilfe der Cauchy-Binet-Identität eliminiert, so dass sie in Gl. () nicht erscheinen.
Mehrphasensystem
Im Abschnitt Ursache im ersten Bild ist ersichtlich, dass bei sinusförmiger Spannung und ohmscher Last die Augenblicksleistung zwar keine negativen Augenblickswerte hat, aber schwankt. Es tritt also ein Mittelwert auf (die Wirkleistung) und eine Leistungsschwankung, die jedoch in diesem Fall keine Blindleistung ist.
Beim Übergang zum symmetrischen Dreiphasensystem verdreifacht sich die Wirkleistung. Wegen des Wegfalls der Rückleiter (es sind statt 6 Leitern nur 3 erforderlich) steigen die Zuleitungsverluste nur um den Faktor 1,5. Diese Einsparung der Zuleitungsverluste lässt sich damit erklären, dass im symmetrisch belasteten Dreiphasennetz die Summenleistung zeitlich konstant ist, also keine Leistungspendelung auftritt.
Bei unsymmetrischer Last treten im Neutralleiter zusätzliche Verluste auf, sie sind dem zeitlichen Verlauf der Summenleistung als Pendelungen überlagert. Dieser Effekt wird mit Unsymmetrie-Blindleistung beschrieben.
Messungen im Energieversorgungsnetz
Dieser Abschnitt beschränkt sich auf den Fall, dass Spannung und Strom sinusförmig sind, aber mit einer Phasenverschiebung.
Messgeräte
Ein Leistungsmesser hat einen Strompfad und einen Spannungspfad. Er multipliziert Augenblickswerte von Spannung und Stromstärke, mittelt über die Augenblickswerte des Produktes und ist somit gemäß der Definition der Wirkleistung ein Wirkleistungsmesser. Alternativ ist das Gerät zur Messung der Blindleistung geeignet, wenn die Spannung am Spannungspfad um 90° nacheilt gegenüber der Spannung am Verbraucher. Bei Messgeräten, die nur positive Werte ausgeben können, muss die Spannung bei kapazitiver Blindlast zur Vermeidung negativer Messwerte umgepolt werden.
Wenn die Spannungen am Verbraucher und am Spannungspfad denselben Effektivwert haben, wird gemessen
Im Einphasennetz und bei Verwendung von elektromechanischen Leistungsmessgeräten ist zur Phasenverschiebung der Spannung im Spannungspfad eine Kunstschaltung erforderlich, z. B. die Hummelschaltung, die mit zwei verlustbehafteten Spulen und einem ohmschen Widerstand bei einer festgelegten Frequenz eine Verschiebung um 90° erzeugt.


Um 90° verschobene Spannungen – in der Zeigerdarstellung in der komplexen Ebene um 90° gedrehte Spannungen – sind im unverzerrten, symmetrischen Dreiphasennetz mit Neutralleiter direkt verfügbar. Beispielsweise zu um 90° nacheilend ist . Allerdings unterscheiden sich die Spannungen im Betrag: . Durch einen Vorwiderstand oder einen Spannungswandler lässt sich die Spannung aber um den Faktor vermindern; je nach Umständen kann das Ergebnis auch rechnerisch korrigiert werden.
Zur vorzeichen-richtigen Messung ist auf korrekte Anschlüsse der Pfade zu achten, die durch korrekte Schaltpläne vorzugeben sind. Die vorhandene Normung für den Regelfall wird innerhalb dieses Artikels in den Schaltplänen konsequent angewendet. Wie die Einfügung eines Messgerätes in die Schaltung anhand des Schaltplans dargestellt wird, wie die Darstellung anhand der Kennzeichnung der Pfadklemmen in die Schaltung übernommen wird, was beim Messgerät noch zu beachten ist, wird unter dem Stichwort Wirkleistungsmessung erläutert.
Einphasennetz
Die übliche Schaltung entspricht der Schaltung zur Wirkleistungsmessung, nur dass der Strom durch den Spannungspfad gegenüber der Spannung um 90° verschoben werden muss,– in der Regel wie oben angegeben: Spannung am Spannungspfad um 90° nacheilend gegenüber der Spannung am Verbraucher.
Dreiphasennetz
Vierleiter-Stromkreis mit Neutralleiter

Der umfassendste Fall ist der Vierleiter-Stromkreis mit Neutralleiter und drei Außenleitern, wie er im Niederspannungsnetz mit = 230 V oder = 400 V verbreitet ist, in Verbindung mit beliebiger Belastung. Beliebig soll hier heißen: In den drei Außenleitern können Ströme mit unterschiedlichen Amplituden und unterschiedlichen Phasenverschiebungswinkeln zur jeweiligen Bezugsspannung fließen. Damit ist die Blindleistung messbar mit drei Leistungsmessern oder einem Kombinations-Gerät. Die entsprechende Schaltung zur Messung induktiver Blindleistung zeigt das Bild. Was gemessen werden soll, nämlich
wird mit den im unverzerrten Netz um 90° nacheilenden Spannungen messbar als
Dreileiter-Stromkreis

Durch den fehlenden Neutralleiter im Dreileiter-Stromkreis ist
Wie im Artikel zur Wirkleistung gezeigt wird, kann ein Strom, hier , herausgerechnet werden, und es reichen zwei Leistungsmesser in Aronschaltung aus. Das zugehörige Bild zeigt die Messschaltungen für Wirk- und Blindleistung. Beide sind für beliebige Belastung geeignet. Die Rechnung für die Wirkleistung ergibt
Zum Anschluss der um 90° nacheilenden Spannungen ist im Dreileiter-Stromkreis das Neutralleiter-Potential durch einen Sternpunkt gemäß Bild künstlich zu schaffen mit einem Widerstand, der genauso groß ist wie der Widerstand des Spannungspfades in den Leistungsmessern. Da die gedrehten Spannungen hier um den Faktor kleiner sind, müssen die Messwerte um den Faktor vergrößert werden (mit Spannungswandler oder durch Rechnung), und es ergibt sich
wobei = Winkel zwischen und
und = Winkel zwischen und .
Die Einzelmesswerte der beiden Messgeräte haben keine anschauliche Bedeutung, nicht einmal im Vorzeichen. Wenn kleiner wird als 30°, wird der zweite Summand negativ; ein korrekter Anschluss für im Vorzeichen richtiges Messen ist erforderlich.
Symmetrische Belastung
Bei symmetrischer Belastung reicht die Verwendung nur eines Leistungsmessers für den Leistungs-Bezug durch einen der Außenleiter. Die gesamte Leistung ist davon das Dreifache.
Daraus wird mit der gedrehten Spannung
wobei = Winkel zwischen und
Siehe auch
- Blindwiderstand
- Blindarbeit
- komplexe Wechselstromrechnung
- Asynchrongenerator
- Doppelt gespeiste Asynchronmaschine
Literatur
- Réne Flosdorff, Günther Hilgarth: Elektrische Energieverteilung. 4. Auflage, Teubner, Stuttgart 1982, ISBN 3-519-36411-5.
- Horst Bumiller u. a. (Hrsg.): Fachkunde Elektrotechnik. 29. Auflage, Europa-Lehrmittel, Haan-Gruiten 2014, ISBN 978-3-8085-3190-7.
- Horst Stöcker (Hrsg.): Taschenbuch der Physik. 6. Auflage, Harri Deutsch, Frankfurt am Main 2010, ISBN 978-3-8171-1861-8; 7. Auflage. Europa-Lehrmittel, Haan-Gruiten 2014, ISBN 978-3-8085-5677-1
- Günter Springer: Rechenbuch Elektrotechnik. 11. verbesserte Auflage, Europa-Lehrmittel, Haan-Gruiten 1992, ISBN 3-8085-3371-4.
Weblinks
- Helmut Schaller: Wechselstromgrundlagen
- Udo Leuschner: Ballast in Stromleitungen: Die Blindleistung
- Rüdiger Paschotta: RP-Energie-Lexikon: Blindleistung
Einzelnachweise und Anmerkungen
- ↑ a b c DIN 40110–1:1994 Wechselstromgrößen, Abschnitt 3.3.1
- ↑ a b DIN EN 80000–6:2008 Größen und Einheiten – Teil 6: Elektromagnetismus, Abschnitte 6.56 ff
- ↑ Wilfried Weißgerber: Elektrotechnik für Ingenieure 2: Wechselstromtechnik, Ortskurven, Transformator, Mehrphasensysteme. Vieweg, 6. Aufl., 2007, S. 146
- ↑ Wolfgang Böge, Wilfried Plaßmann (Hrsg.): Vieweg Handbuch Elektrotechnik: Grundlagen und Anwendungen für Elektrotechniker. Vieweg, 4. Aufl., 2007, S. 312
- ↑ Die Grafik bildet eine Periode der Spannung und der Stromstärke ab, d. h. einen Bereich mit der Länge . Die -Achse ist nicht mit Werten beschriftet, weil das Bild für jeden Sinus- oder Kosinusansatz gilt.
- ↑ IEC 60050, deutschsprachige Ausgabe bei DKE Deutsche Kommission Elektrotechnik Elektronik Informationstechnik in DIN und VDE: Internationales Elektrotechnisches Wörterbuch, IEV-Nummer 131-11-44
- ↑ Becker, R., Sauter, F. (1973): Theorie der Elektrizität 1, Abschn. 6.4, 21. Aufl. Stuttgart Teubner ISBN 3-519-23006-2
- ↑ Haase, H., Garbe, H., Gerth, H. (2018): Grundlagen der Elektrotechnik, 4. Aufl. Schöneworth Dähre ISBN 978-3-9808805-5-8
- ↑ H. Haase (2021): Definition der Blindleistung als Mittelwert, e & i Elektrotechnik und Informationstechnik, 138(6), S. 438–441
- ↑ Die Basisfunktionen des Ansatzes und sind wegen zueinander orthogonal.
- ↑ Beckhoff: Vorzeichen bei Leistungsmessung. Beckhoff, abgerufen am 29. Juli 2020.
- ↑ Energie-Portal: Vierquadrantenzähler. Energie-Portal, abgerufen am 4. August 2020.
- ↑ LSW NETZ GMBH & CO. KG, Wolfsburg: Technische Anforderungen zur Umsetzung des Einspeisemanagements für Erzeugungsanlagen (Diagramm S. 6). S. 8, abgerufen am 8. Oktober 2021.
- ↑ Aus einer RWE-Veröffentlichung, zitiert in: Herbert Niederhausen, Andreas Burkert: Elektrischer Strom: Gestehung, Übertragung, Verteilung, Speicherung und Nutzung elektrischer Energie im Kontext der Energiewende. Springer Vieweg, 2014, S. 389
- ↑ Dayo Oshinubi: Energieeffiziente Auswerteelektronik für kapazitive mikromechanische Drehratensensoren. KIT Scientific Publishing, 2010, S. 51
- ↑ Volkmar Seidel: Starthilfe Elektrotechnik. Teubner, 2000, S. 96 f
- ↑ DIN 40110–1:1994 Wechselstromgrößen, Abschnitt 3.2
- ↑ W. Quade: Wirk-, Blind- und Scheinleistung bei Wechselströmen mit beliebiger Kurvenform, Archiv für Elektrotechnik XXVIII. Band 1934, S. 130–138
- ↑ W. Quade: Über Wechselströme mit beliebiger Kurvenform in Dreiphasensystemen, Archiv für Elektrotechnik XXVIII. Band 1934, S. 798–809
- ↑ W. Quade: Zusammensetzung der Wirk-, Blind- und Scheinleistung bei Wechselströmen beliebiger Kurvenform und neue Leistungsdefinitionen für unsymmetrische Mehrphasenströme beliebiger Kurvenform, Elektrotechnische Zeitschrift ETZ 58. Jahrg. 1937, Heft 49, S. 1313–1316
- ↑ W. Quade: Zusammensetzung der Wirk-, Blind- und Scheinleistung bei Wechselströmen beliebiger Kurvenform und neue Leistungsdefinitionen für unsymmetrische Mehrphasenströme beliebiger Kurvenform, Elektrotechnische Zeitschrift ETZ 58. Jahrg. 1937, Heft 50, S. 1341–1344
- ↑ Kuhlmann K.: Theoretische Elektrotechnik II – Grundzüge der Theorie des Wechselstromkreises und des einphasigen Transformators, Verlag Birkhäuser Basel, 1947, S. 37–48
- ↑ D. Riedinger: A review and analysis of Quade's fundamental geometric time domain concept for the summation of non-active powers of poly-phase systems, Przeglad Electrotechniczny, ISSN 0033-2097, R 98 Nr. 9/2022, S. 1–9
- ↑ D. Riedinger: Orthogonal power of electrical networks with periodic voltages and currents – a follow-up on Quade‘s geometrical power concept, PRZEGLAD ELEKTROTECHNICZNY, R. 101 NR 6/2025, S. 42–50