Umrichter
Umrichter, auch als Wechselstrom-Umrichter und in Anlehnung an den englischen Begriff auch als AC/AC-Konverter bezeichnet, generieren aus einer Wechselspannung eine in Frequenz und Amplitude verschiedene neue Wechselspannung. Sie bilden neben Gleichrichtern, Wechselrichtern und Gleichspannungswandlern eine Untergruppe der Stromrichter. Nicht zu verwechseln sind Umrichter mit Transformatoren, die nur die Amplitude, aber nicht die Frequenz der Wechselspannung verändern können.
Dient die Umrichtung der direkten Versorgung einer elektrischen Maschine wie eines Drehstrommotors im Rahmen der elektrischen Antriebstechnik, und werden Frequenz und Amplitude vom Betriebszustand des Motors abgeleitet, so wird der Umrichter spezifisch als Frequenzumrichter bezeichnet. Er umfasst dann zusätzliche Funktionen zur Motorsteuerung wie beispielsweise Drehzahlmessung und Verfahren zur Kommutierung, um das Drehfeld abhängig vom momentanen Zustand der Maschine anzupassen.
Umrichter und Frequenzumrichter sind elektronische Geräte ohne mechanisch bewegte Komponenten. Im Gegensatz dazu ist ein Umformer eine Kombination aus rotierenden elektrischen Maschinen, üblicherweise einem elektrischen Motor und einem elektrischen Generator, die elektromechanisch eine Frequenzumsetzung ermöglicht.
Klassifizierung
| AC/AC Converter | |||||||||||||||||||||||||||||||||||||||||||||||||||||||||||||||||||||||||
| Umrichter mit Gleichspannungszwischenkreis | Hybrid Matrix Converter | Direktumrichter (Matrixumrichter) | |||||||||||||||||||||||||||||||||||||||||||||||||||||||||||||||||||||||
| Umrichter mit spannungsgeführtem Zwischenkreis (U-BBC) | Umrichter mit stromgeführtem Zwischenkreis (I-BBC) | Hybrid Direct Matrix Converter (HDMC) | Hybrid Indirect Matrix Converter (HIMC) | Direct Matrix Converter | Indirect Matrix Converter | ||||||||||||||||||||||||||||||||||||||||||||||||||||||||||||||||||||
| Conventional Matrix Converter (CMS) | Full Bridge Matrix Converter (Open Motorwindings) | AC/DC-DC/AC Converter without DC-link Capacitor | Indirect Matrix Converter (IMC) | Sparse Matrix Converter (SMC) (VSMC) (USMC) | Three-level Matrix Converter | ||||||||||||||||||||||||||||||||||||||||||||||||||||||||||||||||||||
Es gibt verschiedene Topologien von Umrichtern, wie in nebenstehendem Diagramm als Übersicht dargestellt.[1] Die wichtigsten Typen sind die indirekten Umrichter, die mit einem mit Gleichspannung betriebenen Zwischenkreis arbeiten und im Prinzip eine Kombination von Gleichrichter und Wechselrichter darstellen. Des Weiteren gibt es direkte Umrichter, auch als Matrix-Konverter bezeichnet, die ohne einen Gleichspannungszwischenkreis auskommen. Die Haupttopologien unterteilen sich in verschiedene Untergruppen für spezifische Anwendungsbereiche.
Hinsichtlich Leistung unterscheidet man noch zwischen Teilumrichter und Vollumrichter. Ein Teilumrichter ist nur auf die zu regelnde Schlupfleistung (maximal bis zu 30 %) ausgelegt, ein Vollumrichter beherrscht die volle Leistung der Antriebsmaschine bzw. des Generators. Teilumrichter findet man häufig im Zusammenhang mit doppeltgespeisten Asynchrongeneratoren an Windkraftanlagen.[2]
Im Folgenden sind die wichtigsten Schaltungsprinzipien von Umrichtern dargestellt.
Indirekte Umrichter
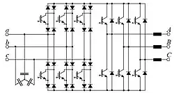
Indirekte Umrichter mit Gleichspannung im Zwischenkreis, englisch Voltage-Source-Inverter (VSI), bestehen aus einem Dreiphasengleichrichter (in den Abbildungen links), einem Gleichspannungskreis, in dem die Gleichspannung an dem Kondensator C als Energiespeicher im Zwischenkreis annähernd konstant ist, und einem ausgangsseitigen Wechselrichter (in den Abbildungen rechts). Die für die Ansteuerung der elektronischen Schalter notwendige Steuerelektronik ist in den Abbildungen der Übersichtlichkeit wegen weggelassen.
Indirekte Umrichter mit Gleichstrom im Zwischenkreis, englisch Current-Source-Inverter (CSI) bestehen aus einem Dreiphasengleichrichter mit Phasenanschnittsteuerung, einem Zwischenkreis mit einer Speicherdrossel L als Energiespeicher, durch die bei konstanter Last konstanter Gleichstrom fließt, und einem ausgangsseitigen Wechselrichter.
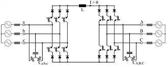
Die in den vereinfachten Schaltbildern eingezeichneten Bipolartransistoren mit isolierter Gate-Elektrode (IGBT) als elektronischer Schalter können je nach Anwendung auch durch andere elektronische Schalter wie Thyristoren ersetzt sein. Bei hohen Spannungen von einigen 100 kV werden die Schalter in Reihe geschaltet und zu sogenannten Thyristortürmen zusammengefasst. Üblich ist dies bei größeren Leistungen bis zu einigen 100 MW bei Gleichstromkurzkupplungen, die eine Form von großen Umrichtern zwischen zwei Wechselspannungsnetzen mit unterschiedlicher Netzfrequenz darstellen.
- Topologien indirekter Umrichter
-
Prinzipschaltung VSI mit Spannungszwischenkreis[3] -
Prinzipschaltung CSI mit Stromzwischenkreis[4]
Der Vorteil der indirekten Umrichter besteht in einer weitgehenden Entkopplung des Ausganges vom Eingang über den Zwischenkreis und dessen Energiespeicher. Der Energiespeicher, insbesondere bei VSI-Umrichtern mit Kondensator, weist je nach Leistung ein vergleichsweise hohes Volumen auf. Bei höheren Leistungen werden indirekte Umrichter als CSI mit einer Spule als Energiespeicher ausgeführt. Im Vergleich zu direkten Umrichtern haben indirekte Umrichter eine geringere Energiedichte.
Direkte Umrichter

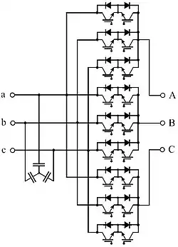
Bei Anforderungen an hohe Energiedichten wie bei kompakter Gestaltung des Umrichters, finden direkte Umrichtertopologien, auch als Matrix-Konverter bezeichnet, Anwendung. Die Matrix-Konverter lassen sich in ihrem Aufbau nicht in einzelne Module wie Gleichrichter oder Wechselrichter aufspalten und führen die Spannungs- und Frequenzumrichtung in einer Stufe, einer Matrix, durch.
Die Matrix besteht im Dreiphasensystem, wie bei dem vereinfachten Schaltbild rechts dargestellt, aus jeweils drei Pfaden pro Phase, womit es möglich ist, jede Ausgangsphase, bezeichnet mit den Großbuchstaben A, B und C wahlweise mit einer der Eingangsphasen a, b oder c zu verbinden. Die Reihenschaltung zweier IGBTs pro Pfad ist notwendig, um sowohl positive als auch negative Halbschwingungen schalten zu können. Durch die hier der Übersichtlichkeit wegen nicht dargestellte Ansteuerschaltung werden bei diesem Umrichter bestimmte Zeitabschnitte der Eingangsspannungen so an den Ausgang geschaltet, dass sich eine geänderte Frequenz ergibt. Die dabei unstetigen Übergänge im Bereich der Umschaltzeitpunkte äußern sich in Oberschwingungen, die durch zusätzliche Oberschwingungsfilter gedämpft werden.
Eine weitere Schaltungsvariante eines direkten Umrichters, die insbesondere als Frequenzumrichter zur Steuerung von größeren Drehstrommotoren Anwendung findet, ist der Cyclo-Konverter. Als Besonderheit ist beim Cyclo-Konverter die Ausgangsfrequenz immer kleiner als die Eingangsfrequenz, wenn als Schaltelemente Thyristoren verwendet werden, die zwar zu beliebigen Zeitpunkten eingeschaltet, aber nur bei einem Nulldurchgang ausgeschaltet werden können.
Mischtopologien

Eine Mischform zwischen direktem und indirektem Umrichter stellen die indirekten Matrix-Konverter oder auch Sparse-Matrix-Konverter dar. Diese weisen einen Zwischenkreis auf, aber ohne Energiespeicher. D. h. die Spannung bzw. Strom ist nicht zeitlich konstant und ändert ihren Wert zyklisch. Der Vorteil ist das Entfallen der bei höheren Leistungen voluminös ausfallenden Energiespeicher. Nachteilig sind der größere schaltungstechnische Aufwand und die komplexere Steuerlogik. Wie die Cyclo-Konverter finden auch die Sparse-Matrix-Konverter primär im Bereich der Frequenzumrichter zur Steuerung von Elektromotoren Anwendung.[6]
Anwendungen
Zunehmend werden motorbetriebene „rotierende“ Umformer durch auf Halbleiter basierende „statische“ Umrichter ersetzt.
- Im Bereich Schweißen waren in den 1960er Jahren rotierende Umformer, erkennbar am zylindrischen Gehäuse und Geräusch des Motors, üblich. Um 1980 kamen Schweiß„gleichrichter“ mit Transformatoren auf, deren Eisenkern typisch über eine oben herausragende Kurbel mechanisch zu verstellen war, um den Schweißstrom zu begrenzen. Wesentlich leichter und effizienter sind moderne Schweiß„inverter“: Ein Gerät für 150 A Schweißstrom wiegt etwa 4 kg und kann mit einem Schulterriemen getragen werden. Große Geräte wurden um 2010 koppelbar, kommunizieren also in ihrer Steuerung, um ihre Schweißströme zu addieren, etwa zum groben Schweißen an Straßenbahnschienen.
- In Datteln wurde im April 2014 die mit 413 Megawatt Leistung weltgrößte Umrichteranlage für Bahnstrom errichtet. Sie bereitet etwa 25 % des Bahnstroms der DB in Deutschland mit hoher Effizienz. Die Anlage mit 4 Blöcken in IGCT (Integrated Gate Commutated Thyristor)-Technik wurde bei ABB Schweiz in Turgi (AG) entwickelt.[7]
Literatur
- Joachim Specovius: Grundkurs Leistungselektronik. 4. Auflage. Vieweg + Teubner, 2010, ISBN 978-3-8348-1307-7.
Einzelnachweise
- ↑ J. W. Kolar, T. Friedli, F. Krismer, S. D. Round: The Essence of Three-Phase AC/AC Converter Systems. Proceedings of the 13th Power Electronics and Motion Control Conference (EPE-PEM), 1. bis 3. September 2008, Poznań 2008, S. 27–42 (ethz.ch [PDF; abgerufen am 26. August 2025]).
- ↑ Ralf Lohde, Christian Wessels, Friedrich W. Fuchs: Leistungselektronik Generatorsysteme in Windenergieanlagen und ihr Betriebsverhalten. (PDF; 620 kB) Christian-Albrechts-Universität Kiel, archiviert vom (nicht mehr online verfügbar) am 10. April 2014; abgerufen am 9. Juli 2013.
- ↑ I. Takahashi, Y. Itoh: Electrolytic Capacitor-Less PWM Inverter. Proceedings of the IPEC’90, Tokyo, 2.–6. April 1990, S. 131–138.
- ↑ M. H. Bierhoff, F. W. Fuchs: Pulse Width Modulation for Current Source Converters – A Detailed Concept. Proceedings of the 32nd IEEE IECON, 7. bis 10. November 2006, Paris 2006.
- ↑ W. I. Popow: Der zwangskommutierte Direktumrichter mit sinusförmiger Ausgangsspannung. In: Elektrie. Band 28, Nr. 4, 1974, S. 194–196.
- ↑ Mahesh Swamy, Kume, Tsuneo: Present State and Futuristic Vision of Motor Drive Technology. In: Power Transmission Engineering. powertransmission.com, 16. Dezember 2010 (englisch, powertransmission.com ( des vom 5. Dezember 2020 im Internet Archive) [abgerufen am 22. Mai 2012]). Info: Der Archivlink wurde automatisch eingesetzt und noch nicht geprüft. Bitte prüfe Original- und Archivlink gemäß Anleitung und entferne dann diesen Hinweis.
- ↑ Die weltweit leistungsstärkste Umrichteranlage für Bahnstrom wandelt den Fahrstrom für die Deutsche Bahn effizient um abb-conversations.com, 29. April 2014, abgerufen am 26. Oktober 2018.