Variabler Kondensator

Variable Kondensatoren (Varkos) sind elektrische Kondensatoren, deren Kapazität in definierten Grenzen stufenlos und reproduzierbar einstellbar ist.
Sie werden überwiegend in Filtern und Oszillatoren, für die Abstimmung von Sendern oder Empfängern sowie zur Impedanzanpassung eingesetzt.
Es gibt mechanisch und elektrisch variable Kondensatoren.
Die mechanisch variablen Kondensatoren gehören zu den Passiven Bauelementen und werden unterschieden in Drehkondensatoren, die zur Senderabstimmung für häufige und wiederholende Betätigungen ausgelegt sind und Trimmkondensatoren, die für einmalige oder seltene Betätigungen zur Feinabstimmung ausgelegt sind.
Die meisten Bauformen der mechanisch variablen Kondensatoren haben nur noch eine historische Bedeutung. Heutzutage (2017) noch gefertigte Bauformen sind u. a. Trimmer mit Keramik- oder Kunststofffolie-Dielektrikum für kleine Leistungen, Rohr-Spindeltrimmer für hohe Frequenzen und variable Vakuumkondensatoren für Geräte mit höheren Leistungen wie z. B. in MRT-Scannern.[1]
Einstellbare Kapazität kann bei kleineren Leistungen auch mit elektrisch variablen Kondensatoren (Kapazitätsdioden, auch Varaktor oder Varicap genannt), erreicht werden. Kapazitätsdioden gehören zu den Aktiven Bauelementen und nutzen die Eigenschaft eines pn-Überganges aus, seine Kapazität in Abhängigkeit einer anliegenden Gleichspannung zu ändern. Zu den elektrisch variablen Kondensatoren gehören neben Kapazitätsdioden auch dielektrisch variable Kondensatoren, beispielsweise BST-Varaktoren,[2][3][4][5] 'digital variable Kondensatoren[6] und elektrisch variable RF-MEMS-Kondensatoren.[7][8]
Aufgrund der kleinen Dimensionen der Kapazitätsdioden sind sie nicht nur für Radios, sondern auch für höhere Frequenzen bis zu einigen 100 GHz geeignet. Sie werden u. a. in stationären und mobilen Empfangsgeräten in Filtern zur Frequenzselektion ab etwa 1 MHz eingesetzt, zunehmend aber durch digitale Signalaufbereitung ersetzt.
Grundlagen und Hinweise
Mechanisch-variable Kondensatoren
Die mechanisch-variablen Kondensatoren werden unterschieden in
- Drehkondensatoren (Tuning capacitors), kurz Drehkos genannt, sind Abstimmkondensatoren, die für häufige und wiederholende Betätigungen ausgelegt sind, z. B. für die manuelle Sendereinstellung in Rundfunkgeräten oder die motorgesteuerte automatische Regelung einer Senderfrequenz und in
- Trimmkondensatoren (Trimmer capacitors), auch Trimmer[9] genannt, sind für einmalige oder seltene Betätigungen zur Feinabstimmung von Schwingkreisen ausgelegt und werden nur bei der Erstinbetriebnahme und ggf. nach Reparaturen zum Abgleich von Schwingkreisen oder Filtern betätigt. Trimmer werden meist parallel zu dem Drehkondensator in einem Abstimmkreis zur Feinabstimmung geschaltet.[10][11]
Für die mechanisch-variablen Kondensatoren gilt das Prinzip des Plattenkondensators, dessen Kapazität umso größer ist, je größer die Elektrodenfläche und die Dielektrizitätszahl ist und je kleiner der Abstand der Elektroden zueinander ist.
Der Kapazitätswert von mechanisch variablen Kondensatoren kann auf drei verschiedenen Arten beeinflusst werden, durch
- Änderung der kapazitiv wirksamen überlappenden Elektrodenflächen, durch
- Änderung des Elektrodenabstands zueinander oder durch
- die Wahl eines geeigneten dielektrischen Materials.
- Prinzipdarstellungen der Möglichkeiten mechanischer Kapazitätsänderung
-
Drehkondensator, Kapazitätsänderung durch Änderung der Elektroden-Überlappung bei drehenden Metallplatten[12] -
Tauchtrimmer, Kapazitätsänderung durch Änderung der Elektroden-Überlappung beim Eintauchen von konzentrischen zylinderförmigen Elektrodenkappen -
Rohrtrimmer, Multiturn-Trimmer, Kapazitätsänderung durch Änderung der Elektroden-Überlappung beim Eindrehen eines Metallstiftes in eine Stator-Metallhülse -
Quetscher, Kapazitätsänderung durch Änderung des Elektrodenabstandes
Die gewünschte Kapazitätsänderung im überwiegenden Teil der heute noch gefertigten einstellbaren Kondensatoren, sowohl bei den Dreh- als auch bei den Trimmerkondensatoren, beruht auf der Änderung der kapazitiv wirksamen überlappenden Elektrodenfläche, ohne den Abstand der Elektroden zueinander zu ändern. Die Kapazität sowie die Durchschlagsfestigkeit und der Gütefaktor dieser Kondensatoren hängen aber auch vom verwendeten Dielektrikum ab. Es wurden im Laufe der Zeit u. a. folgende Materialien eingesetzt:
| Dielektrisches- Material |
relative Permittivität εr bei 1 kHz |
Durchschlagsfestigkeit in kV/mm |
|---|---|---|
| Vakuum | 1 | 20…500 |
| Luft | 1 | 2…5 |
| Schwefelhexafluorid (SF6) | 2 | 8 |
| Glimmer | 7 | 25…200 |
| Keramik Klasse 1 | 6…200 | 20 |
| Keramik Klasse 2 (Barium-Strontium-Titanat) |
100…1000 | 25 |
| Saphir (Al2O3) | 8,9…11,1 | 700…1000 |
| Hartpapier | 4 | 20…80 |
| Polyester (PET) | 3,3 | 25…580 |
| Polycarbonat (PC) | 3,0 | 35…535 |
| Polyethylennaphthalat (PEN) | 3,0 | 25 … 500 |
| Polypropylen (PP) | 2,2 | 100…650 |
| Teflon (PTFE) | 2,1 | 100…250 |
- Messung der Kapazität eines Drehkondensators
-
Cmin = 29 pF -
C = 269 pF -
Cmax = 520 pF
Elektrisch-variable Kondensatoren
Elektrisch-variable Kondensatoren, auch Varaktoren (Varactors) genannt, gehören nicht zu den Passiven Bauelementen, sondern zu den Aktiven Bauelementen und nutzen die Eigenschaften der Halbleitertechnik, um eine reproduzierbare variable Kapazität zu erhalten. Zu den elektrisch-variablen Kondensatoren gehören:[17]
- Kapazitätsdioden (Varicap diode), in denen durch elektrisch beeinflussbare Änderung der Raumladungszone der Elektrodenabstand und somit die Kapazität variiert werden kann.
- Dielektrisch-variable Kondensatoren (Dielectric varactors), beispielsweise integrierte variable BST-Kondensatoren bzw. BST-Varaktoren (BST varactors), deren Besonderheit das Dielektrikum aus dem ferroelektrischen Material Barium-Strontium-Titanat (BST) ist. BST hat eine relativ hohe relative Permittivität die abhängig von der Feldstärke im Dielektrikum ist. Damit ist die Kapazität der BST-Varaktoren abhängig von der anliegenden Spannung.[2][3][4][5]
- Digital-variable Kondensatoren (Digitally Tunable Capacitors (DTC)) sind Anordnungen mehrerer integrierter Kondensatoren in Integrierte Schaltungen unterschiedlicher Halbleitertechnologien, die über digital-codierte Schalter parallel/seriell so geschaltet werden können, das ein gewünschter Kapazitätswert erreicht wird, der zur Abstimmung eines Schwingkreises oder Filters benötigt wird.[6]
- Elektrisch-variable RF-MEMS-Kondensatoren (Tunable RF MEMS capacitors), in denen die Kraft ausgenutzt wird, mit der sich gegenpolig geladene bewegliche Elektroden beim Anlegen einer Spannung anziehen, um elektrisch einstellbare Kapazitätswerte zu erzeugen.[7][8]
Elektrisch-variable Kondensatoren werden überwiegend in mobilen Empfangsgeräten kleinerer Leistung zur Frequenzselektion für alle kommerziell und industriell genutzten Kanäle eingesetzt. Ihre Anwendung reicht bis in den Bereich sehr hoher und höchster Frequenzen bis zu einigen 100 GHz.
Geschichte
Die ersten Jahrzehnte
- Detektorempfänger
-
Direkt-gekoppelte Detektor-Empfängerschaltung mit einer geschalteten Spule (L1) und einem Abstimmkondensator (C2) zur Impedanzanpassung[18] -
Früher Detektorempfänger mit einstellbarem Antennenkopplungstransformator (1) und zwei Abstimmkondensatoren (2), (3)
Mit der Entdeckung der drahtlosen Übertragung von elektrischen Funkenentladungen durch Alexander Popow 1895 und seiner Weiterentwicklung durch Guglielmo Marconi ab 1896, die zur Entwicklung der drahtlosen Telegrafie führte, wurde es notwendig, sowohl die Sende- als auch die Empfangsfrequenz in den verwendeten Anlagen und Geräten in engen Grenzen einstellen zu können. Die Frequenz, die mit einem Schwingkreis, bestehend aus einer Spule und einem Kondensator, erzeugt wurde, konnte entweder durch Änderung der Induktivität oder durch Änderung der Kapazität des Schwingkreises beeinflusst werden. Das Letztere wurde durch die Erfindung eines Drehkondensators, dessen Kapazität sich durch eine einstellbare Überlappung der Elektrodenflächen ergab, 1892 durch Dezső Korda ermöglicht.[19] Dieser erste einstellbare Kondensator arbeitete mit Rotorelektroden auf einer drehbaren Welle, die sich zur Kapazitätsänderung kammartig in ein Paket mit Statorelektroden hineindrehen ließen. Diese Drehkondensatoren wurden ab 1901 von Adolf Koepsel verbessert und bei Siemens in die drahtlose Telegrafie eingeführt.[20][21]
- Drehkondensatoren aus der Anfangszeit der Rundfunktechnik
-
Drehkondensator aus den 1920er Jahren -
Drehkondensator im offenen Pertinax-Gehäuse mit Phenolharzpapier als Dielektrikum -
Drehkondensator im geschlossenen Gehäuse zum Schutz gegen Staub und Feuchtigkeit

Die Audionröhre, erfunden 1906 durch Lee De Forest, war das erste Bauelement in der Elektrotechnik für eine funktionierende Signalverstärkung.[22] Nach der Erfindung der Oszillatorschaltung mit einer Elektronenröhre 1913 durch Alexander Meißner und die darauf aufbauenden weiteren Erfindungen begann dann die eigentliche Entwicklung der Rundfunktechnik.
Die ersten Funkempfänger zu Beginn des 20. Jahrhunderts waren Geradeausempfänger, die meist mit geschalteten Spulen zur Einstellung der Frequenz ausgestattet waren. Allerdings kamen auch schon in diesen ersten Detektorempfängern Drehkondensatoren mit Luftdielektrikum zum Einsatz. Diese variablen Kondensatoren übernahmen in der Folgezeit mehr und mehr das Abstimmen des jeweiligen Empfängerkreises und lösten damit das Abstimmen des Senders mittels beweglicher oder geschalteter Spulen ab. Sie wurden bis weit nach dem Zweiten Weltkrieg bei den weitaus meisten Radios verwendet. Auch senderseitig wurden Drehkondensatoren zum Einstellen der Sendefrequenz benutzt.
Drehkondensatoren benötigen wegen des erforderlichen Plattenabstandes verhältnismäßig viel Platz, erforderten eine mechanisch stabile Konstruktion und waren teuer. Preiswertere und kleinere Lösungen wurden gesucht. Dies konnte durch Einführen anderer Dielektrika erreicht werden. Glimmer war als Dielektrikum von den sogenannten Blockkondensatoren und hat eine um den Faktor 7 höhere relative Permittivität sowie eine etwa 10fach höhere Durchschlagsfestigkeit als Luft. Es lag also nahe zur Verkleinerung der Drehkondensatoren Glimmer zu verwenden. Diese Lösung stellte sich aber schon bald als zu teuer heraus, weil Glimmer als Naturprodukt aufwendig bearbeitet werden musste, einen hohen Preis hatte und mechanisch Probleme bereitete. Anstelle von Glimmer wurden dann schon in den 1930er Jahren Drehkondensatoren mit Phenolharz-getränktem Hartpapier als Dielektrikum, montiert zwischen Pertinax-Platten, entwickelt, die sich in preiswerten Geräten schnell durchsetzten.
Mit der Entwicklung der Empfängertechnik vom Geradeausempfänger hin zum Überlagerungsempfänger, auch Superheterodynempfänger, kurz Superhet oder Super genannt, deren Technik während des Ersten Weltkriegs entwickelt wurde, wurden ab etwa Mitte der 1920er Jahre je nach Anzahl der Verstärkerstufen im „Super“ weitere Drehkondensatoren zur Abstimmung der einzelnen Kreise benötigt. Dazu wurden die einzelnen Drehkondensatoren einfach mit einer gemeinsamen Welle versehen, um zu einer gleichförmigen Abstimmung zu kommen. Ein „Vierkreiser“ konnte deshalb vier Drehkos mit einer gemeinsamen Welle enthalten.
- Drehkondensatoren für Mehrkreis-Empfänger
-
Blockdiagramm eines Zweikreis-Geradeausempfängers -
Doppel-Drehkondensator mit zwei Rotor/Stator-Paketen auf einer Welle mit denen zwei Verstärkerkreise gleichmäßig abgestimmt werden können -
Doppel-Drehkondensator kombiniert mit zwei Trimmerkondensatoren zur Feinabstimmung der Zwischenfrequenz
Darüber hinaus wurden weitere variable Kondensatoren benötigt, die für einen einmaligen Abgleichvorgang zur Einstellung bzw. zum „Trimmen“ der Zwischenfrequenz des Oszillatorkreises geeignet sein mussten. Drehkondensatoren mit ihrer mechanisch sehr aufwendigen Konstruktion waren hierfür überdimensioniert. Diese Trimmerkondensatoren mussten zwar sehr fein einstellbar sein, aber die Mechanik brauchte nur einmal bewegt zu werden. Daraus resultierten die meist mechanisch sehr viel einfacheren und preiswerteren Bauformen der „Trimmkondensatoren“, die es in einer Vielzahl von Ausführungsformen gab und es auch noch heute gibt.
- Verschiedene Trimmerkondensatoren
-
Verschiedene Bauformen von Trimmerkondensatoren mit unterschiedlichen Dielektrika -
Vernierkondensator (Quetscher) mit Glimmerdielektrikum nach Manfred von Ardenne -
”Tauchtrimmer” mit konzentrischen zylinderförmigen Elektrodenkappen
Variable Kondensatoren mit veränderbarem Elektrodenabstand, Vernier-Kondensatoren oder auch „Quetscher“ genannt, waren in den frühen Jahren der Rundfunktechnik bei Funkamateuren im Selbstbau zwar beliebt, werden aber wegen ihrer Ungenauigkeit in der Einstellung industriell wenig eingesetzt.
An die senderseitigen variablen Kondensatoren stiegen in den 1930er und 1940er Jahren die Anforderungen mit ansteigender Senderleistung an. Dadurch stieg die Schwingkreis-Spannung immer weiter an. Die Drehkondensatoren mit Luftdielektrikum für Rundfunksender wurden immer größer. Es wurden neue Lösungen mit anderen dielektrischen Materialien entwickelt, um wieder zu kleineren Abmessungen zu kommen, beispielsweise gekapselte Drehkondensatoren mit Isolieröl als Dielektrikum.[23] Durchgesetzt haben sich dann jedoch variable Vakuum-Kondensatoren oder variable und mit dem Schutzgas SF6 gefüllte Kondensatoren, die mit einer Elektrodenkonstruktion nach dem Tauchtrimmer-Prinzip versehen waren. Der Vakuum-Kondensator wurde schon 1896 von Nikola Tesla zur Verbesserung der Qualität von Kondensatoren und für die Eignung von hohen Strömen und hohen Frequenzen erfunden. Diese Idee auch für variable Kondensatoren zu verwenden wurde 1942 realisiert.[24]
Nach dem Zweiten Weltkrieg
Die Entwicklung der variablen Kondensatoren nach dem Zweiten Weltkrieg ist geprägt durch die rasanten Entwicklungen auf allen beteiligten Gebieten der Technik, beispielsweise wurden neue Kunststoffe und Keramiken entwickelt, die neue Dielektrika und Gehäuse ermöglichten, wodurch die Miniaturisierung vorangetrieben wurde. Insbesondere die Entwicklung variabler Kondensatoren auf Halbleiterbasis in Kombination mit neuen analogen und digitalen Schaltungen hat dazu geführt, dass die meisten Anwendungen der mechanisch variablen Kondensatoren ersetzt werden konnten. Andererseits kamen mit der zunehmenden Industrialisierung auch immer wieder neue Anwendungen auch für mechanisch variable Kondensatoren hinzu, sodass diese auch heutzutage durchaus noch vielfältige Anwendungen in Geräten mit hohen Qualitätsanforderungen haben.
Nach dem Krieg begann in allen Ländern ein Boom auf dem Gebiet der Rundfunktechnik und später der Fernsehtechnik. In Superhet-Radios für den AM-Empfang von KW-, MW- und später für den FM-Empfang von UKW-Sendern waren Dreh- und Trimmerkondensatoren zur Sendereinstellung unabdingbar. Hinzu kam die Miniaturisierung in Form der Auto- und der Transistorradios, die auch bei den mechanischen Varkos zu neuen gekapselten Bauformen mit Luft/Folien-Dielektrikum führte.
- Aufbau von Transistorradios mit Drehkondensatoren-Sendereinstellung aus den 1960-1970er Jahren
-
Geöffnetes AM-Mittelwellen-Transistorradio aus dem Jahre 1960 mit zwei Kreisen, erkenntlich an dem mittig montierten doppelten Drehkondensator, der mittels einer Drehscheibe auf der Frontseite des Radios zur Sendereinstellung bedienbar war.
-
Geöffnetes AM-Lang- und Mittelwellen-Transistorradio mit einem seitlich bedienbaren Drehkondensator zur Sendereinstellung

Der Empfang von Fernsehsendern erweiterte den zu empfangenen Frequenzbereich, der beim Rundfunk bis in den UKW-Bereich ging, um den Bereich der Ultrakurzwelle (VHF-Band I und VHF-Band III). Hier gab es in der Nachkriegszeit zunächst nur 5 Kanäle, die mit recht stabiler Frequenz zur Verfügung standen. Deshalb wurde die Sendereinstellung mit mehreren fest kalibrierten Empfangskreisen als Drehschalter in der Funktion eines Trommelkanalwählers realisiert. Die für den jeweiligen Empfangskanal erforderlichen abgleichbaren Spulen befanden sich dabei auf dem Umfang einer Trommel. Drehkondensatoren, die in den ersten Fernsehgeräten der 1940er Jahre noch benutzt wurden, waren hierbei nicht nötig – lediglich ein über eine Hohlwelle bedienbarer Trimmer zur Feinabstimmung war gebräuchlich. In den 1950–1960er Jahren wurden die Trommelkanalwähler durch Tuner ersetzt, in denen die Senderwahl durch Tasten erfolgte. In den ersten Tunern waren nur noch Trimmerkondensatoren zur Feinabstimmung erforderlich.
Mit einer Neuentwicklung auf dem Gebiet der Halbleitertechnik begann die Ablösung der mechanisch variablen Kondensatoren durch elektrisch variable Kondensatoren. 1961 wurde die Varicap-Diode erfunden.[25] Aufbauend auf dieses neue Bauelement entwickelte bei Philips K.-H. Kupfer 1967 eine erste „Abstimm-Schaltungsanordnung mit einer Schaltdiode“,[26] die einen spannungsgesteuerten Oszillator (VCO voltage-controlled oscillator) enthielt. Ab 1969 mündete diese Entwicklung dann in eine elektrische Empfangs- und Abstimmschaltung zur Selektion von Rundfunksendern und Fernsehkanälen, Tuner genannt, die einen gewünschten Sender elektrisch mit Hilfe von Varicap-Dioden und einem damit realisierten VCO einstellte.[27] Damit konnten Tuner für Rundfunk- und Fernsehgeräte gebaut werden, deren Senderwahl ohne mechanische Dreh- und Trimmerkondensatoren bzw. mechanische Wellenschalter und Kanalwähler auskamen, wodurch in den folgenden Jahren die deutlich teureren mechanischen Lösungen abgelöst wurden.
- Aufbau von Tunern mit Varicapdioden aus den 1980-1990er Jahren
-
Platine eines AM- und FM-Rundfunktuners mit rot gekennzeichneten Varicap-Dioden -
Platine eines UHF- und VHF-Fernsehtuners mit gelb gekennzeichneten Varicap-Dioden
Parallel zu der Entwicklung neuer Bauelemente wie Kapazitätsdioden und Integrierte Schaltungen in den 1950–1960er Jahren wurden neue Schaltungstechniken für die Rundfunk- und Fernsehgeräte entwickelt. Der Frequenzabgleich mit Hilfe eines Schwingquarzes in einem VCO und einer elektronischen Phasenregelschleife (PLL, phase-locked loop) erweiterte die Möglichkeiten des Tuners und bot eine hohe elektrische Langzeitkonstanz. Ab 1969 wurden PLL-Schaltungen von Firmen wie Signetics, die 1975 von Philips übernommen wurde, als fertige Integrierte Schaltungen angeboten.[28] Damit wurde der Aufwand für einen Tuner noch einmal stark vereinfacht und kostengünstiger. Diese per Tastendruck oder später per Fernbedienung bedienbaren Tuner ohne zusätzliche mechanische Abgleichbauelemente machten letztendlich mechanisch variable Kondensatoren im Empfangsteil von Rundfunk- und Fernsehempfängern obsolet.

In der Folgezeit wurde im gesamten Bereich der Rundfunk- und Fernsehtechnik die zunächst analoge Schaltungstechnik nach und nach durch digitale Schaltungen ersetzt. Als Meilensteine dieser Entwicklung zur Digitaltechnik ist die Entwicklungen zu den sog. „One-Chip-ICs“ zu sehen. Schon 1983 brachte Philips das erste „One Chip“ UKW-Radio-IC TDA 7010 auf den Markt, bei dem gemäß Datenblatt nur noch ein externer Trimmerkondensator erforderlich war. Diese Schaltung enthielt einen Empfänger nach dem Überlagerungs-Prinzip für den Empfang von 1,5–110 MHz bei einer sehr niedrigen Zwischenfrequenz von 70 kHz und war deshalb zunächst nicht für den Stereoempfang tauglich.[29][30]
Spätestens nach der Entwicklung des ersten „Ultimate One Chip TV UOC“, TDA 935X/6X/8X, dem ersten IC für Flachbild-Fernseher, der 1996 auf den Markt kam, hatte sich diese Entwicklung, die ohne mechanische Bauelemente auskam, auf dem Markt durchgesetzt.[31][32] Heutige Rundfunk- und Fernsehgeräte haben durch Tuner und digitale Signalverarbeitung (DSP) (Digital Signal Processing) keine mechanischen kapazitiven Abstimm-Bauelemente mehr.
Bauformen historischer Abstimmkondensatoren
Drehkondensatoren
Drehkondensatoren mit Luft-Dielektrikum sind die bekanntesten unter den variablen Kondensatoren und werden auch heute noch als typische Bauform dieser Bauelemente angesehen. Sie wurden in den 1950er bis in die 1970er Jahre für den Empfang AM- und FM-Rundfunksendern verwendet. Sie haben heutzutage (2017) industriell keine Bedeutung mehr, werden hier aber wegen der früheren Bedeutung und der Anschaulichkeit mit aufgeführt.
Drehkondensatoren haben einen Stator, ein Paket feststehender, auf Abstand gesetzter Metallplatten und einer gleichen Anzahl von mittig gesetzter Metallplatten auf einer Welle, einen Rotor und arbeiten mit Luft als Dielektrikum. Durch Drehen an der Welle werden die Elektroden kammförmig ineinander gedreht, wodurch sich die überlappende Fläche des Kondensators und somit die Kapazität ändert. Die Kapazitätswerte von Drehkondensatoren lagen üblicherweise zwischen 15 und 600 pF.[33] Luftdrehkondensatoren können mit Plattenabständen in Stufen gemäß der erforderlichen Spannungsfestigkeit mit etwa 1000< V bis 11.000 V hergestellt werden.[34]
Die Mechanik von Drehkondensatoren ist meist sehr stabil ausgeführt. Die Welle des Rotors ist meist mit Kugellagern am Gehäuse befestigt, wodurch eine genaue axiale Fixierung der Welle ohne mechanischen Spielraum gegeben ist. Ein axiales Spiel würde zu Kapazitätsänderungen und zur Gefahr eines Kurzschlusses führen. Der Drehwinkel eines Drehkondensators beträgt normalerweise 180 Grad.
Der Stator bei Drehkondensatoren ist isoliert am Gehäuserahmen befestigt und mit gesonderten Löt-Anschlussfahnen versehen. Der Rotor wird über einen Schleifkontakt elektrisch kontaktiert. Da der Rotor weiter aus der Schaltung herausragt, wird er normalerweise auf Masse gelegt, damit äußere Einflüsse nicht die Kapazität beeinflussen können („Handempfindlichkeit“), wodurch ein exaktes Abstimmen unmöglich würde.
Plattenschnitte
Die Elektrodenplatten des Rotors von Drehkondensatoren können unterschiedlich geformt sein, um die Art und Weise der Abstimmung zu beeinflussen. Für einen linearen Verlauf der Kapazitätsänderung mit dem Drehwinkel werden die Rotorelektroden kreisförmig gestaltet. Durch spezielle, logarithmische Formgebung der Rotorelektroden kann aber auch ein anwenderspezifischer Kurvenverlauf der Kapazitätsänderung erreicht werden. Die Plattenform kann zum Beispiel so gestaltet werden, dass die Kapazitätsänderung einer linearen Wellenlängenanpassung oder einer linearen Frequenzanpassung entspricht. Damit kann die Sendereinstellung der Anforderung des jeweiligen Gerätes angepasst werden.
- Plattenschnitte von Drehkondensatoren
-
Kreisförmiger Plattenschnitt für linearen Kapazitäts-Kurvenverlauf -
Logarithmischer Plattenschnitt für wellenlinearen Kurvenverlauf -
Logarithmischer Plattenschnitt für frequenzlinearen Kurvenverlauf
Selten eingesetzte Bauformen des Drehkondensators sind Schmetterlingsdrehkondensatoren und Differentialdrehkondensatoren.
- Plattenschnitte von Drehkondensatoren
-
Plattenschnitt von Schmetterlingsdrehkondensatoren -
Plattenschnitt von Differentialdrehkondensatoren
Beim Schmetterlingsdrehkondensator ist der Plattenschnitt der Rotorelektroden ähnlich einem Schmetterlingsflügelpaar ausgebildet. Die Flügel drehen sich gleichmäßig in zwei seitlich angeordnete und mechanisch voneinander getrennte Statorpakete hinein. Da der Rotor des Schmetterlingsdrehkondensators nur kapazitiv und nicht elektrisch angeschlossen ist, können mit dieser Konstruktion eventuell auftretende Kontaktprobleme über die normalerweise benutzten Schleifkontakte vermieden werden.
Der Differentialdrehkondensator enthält ebenfalls zwei seitlich sich gegenüberliegende Statorpakete, die jedoch elektrisch voneinander getrennt sind. Die Statorelektroden beider Pakete sind in etwa halbkreisförmig geschnitten. Das Rotorpaket, das hier meist streng halbkreisförmig ausgebildet ist, dreht sich dann bei Betätigung aus dem einen Statorpaket heraus und in das andere hinein. In dem Maß, in dem die Kapazität zur einen Seite dabei sinkt, steigt sie zur anderen. Differentialdrehkondensatoren werden beispielsweise zur einstellbaren Verteilung eines HF-Signals auf zwei verschiedene Schaltungszweige eingesetzt, zur Einstellung von Koppelgraden zwischen Schaltungsstufen oder zur Impedanzanpassung in Pi-Gliedern.[35][36]
Mehrfach-Ausführungen
Sollen die Frequenzen mehrerer Schwingkreise in einem Empfänger gleichzeitig über einen Antrieb verändert werden können, kommen Mehrfachdrehkondensatoren zum Einsatz. Sie haben mehrere elektrisch getrennte Statoren, in die über eine gemeinsame Welle eine gleiche Anzahl von mechanisch miteinander gekoppelter Rotoren hineingedreht werden können. Das gewährleistet gute Gleichlauf-Eigenschaften. Mehrfachdrehkondensatoren gibt es mit bis zu vier gekoppelten Einzelkondensatoren, die mit einer gemeinsamen Welle verstellt werden.
Trimmbare Drehkondensatoren
Häufig ist bei Drehkondensatoren die äußere, mechanisch zugängliche Rotorscheibe geschlitzt (gefiedert), so dass einzelne Segmente entstehen. Durch Verbiegen einzelner oder mehrerer Segmente dieser Fiederung (im Bild mittels jeweils einer Schraube) kann bei diesen Drehkondensatoren eine gewisse Anpassung der Winkelabhängigkeit der variablen Kapazität erreicht werden, womit z. B. der Gleichlauf zwischen Oszillatorkreis und Eingangskreis verbessert werden kann. Bei Überlagerungsempfängern ist dieser Gleichlauf aufgrund des konstanten Abstandes zwischen der Empfangs- und der Oszillatorfrequenz wichtig.
Antriebe
Wird eine Sendereinstellung bei sehr eng beieinander liegenden Sendefrequenzen erforderlich, so kann der normale Drehwinkel von 180 Grad von Drehkondensatoren für eine manuelle Abstimmung zu grob sein. In solchen Fällen erfolgt der Antrieb über ein möglichst spielfreies Untersetzungsgetriebe. Davon gab es diverse Ausführungen:[37]
- Stirnradgetriebe mit einem längsgeteilten, mit Feder verspannten Zahnrad
- Seilzug (im Prinzip ein Riementrieb, jedoch mit relativ zur Skalenanzeige fixiertem Seilabschnitt und Spannfeder)
- Reibräder, zum Beispiel eine am Rand zwischen zwei Scheiben auf der Antriebswelle eingeklemmte Blechscheibe
- Planetengetriebe, das durch ein verspanntes Kugellager gebildet wird (Abtrieb: Kugelkäfig); diese Art gestattete mit einem Mitnehmer eine wechselnde Untersetzung – nach knapp einer Umdrehung verringerte der Mitnehmer die Untersetzung von 2:1 (Feinabgleich) auf 1:1 (Schnellgang), indem er den Käfig direkt drehte.
Korrektionskondensatoren

Eine spezielle Bauform ähnlich der Drehkondensatoren waren die Korrektionskondensatoren mit Luft-Dielektrikum, auch Regelkondensatoren genannt. Sie hatten eine Befestigungsplatte, auf der das Statorpaket befestigt war und waren für eine Zentralmontage vorgesehen. Der Rotor war über einen Schleifer mit seitlich angebrachten Lötösen verbunden. Die Mechanik war sehr stabil, die Antriebswelle war in der Trägerplatte mit einem Kugellager gelagert und auch für wiederholende Betätigungen ausgelegt. Die Korrektionskondensatoren gab es in verschiedenen Plattenschnitten (linear, logarithmisch) sowie eine Schmetterlings- und eine Differential-Ausführung. Sie dienten in Sendern kleinerer Leistung zur ständigen, meist manuellen Feineinstellung der Sende- oder Empfangsfrequenz, beispielsweise in militärischen Geräten[34] oder in Messnormalen zur Kalibrierung von Messgrößen.
Korrektionskondensatoren wurden im Laufe der Entwicklung durch Luftplattentrimmer ersetzt, sofern überhaupt eine mechanische Lösung realisiert wird.
Folien-Drehkondensatoren


Für die Weiterentwicklung der Drehkondensatoren zur manuellen Sendereinstellung war es auch schon vor dem Zweiten Weltkrieg erforderlich, die Abmessungen zu verkleinern und die Herstellkosten zu senken. Dazu wurde die Konstruktion der Drehkos zwischen zwei Pertinaxplatten gebracht und zwischen die Rotor- und Stator-Platten jeweils eine Hartpapierscheibe gelegt. Durch die damit verbundene höhere Spannungsfestigkeit gegenüber einem reinen Luftdielektrikum konnten die Elektrodenplatten deutlich dichter zusammengebracht werden und diese Pertinax-Folien-Drehkondensatoren waren deutlich kleiner als die üblichen Drehkondensatoren, erfüllten jedoch den gleichen Zweck. Sie waren die Vorläufer der späteren Folien-Drehkondensatoren.
Mit der Entwicklung von Kunststoffen in der organischen Chemie nach dem Zweiten Weltkrieg wurde die Pertinax/Hartpapier-Konstruktion ersetzt durch die moderneren und beständigeren Kunststoffe. Zusätzlich wurde die Stator-Rotor-Konstruktion zum Schutz gegen Verschmutzung auch noch gekapselt. Es entstanden die speziell in tragbaren Transistor-Radios zur Sendereinstellung eingesetzten Folien-Drehkondensatoren, deren weiterer Vorteil war, dass sie Lötstift-Anschlüsse in einem genormten Rastermaß hatten und somit für die automatische Bestückung geeignet waren.
Einfach-Folien-Drehkondensatoren mit nur einem Stator-Rotor-Paket wurden in kostengünstigen Einkreisern zur Abstimmung und für die Einstellung der Rückkopplung verwendet. Mehrfach-Folien-Drehkos besitzen mehrere Rotor/Stator-Pakete auf einer gemeinsamen Welle. Sie wurden, zum Teil zusammen mit Trimmkondensatoren, in einem Gehäuse zu Kombinations-Drehkondensatoren zusammengefügt. Sie waren sicher in der Handhabung und die Trimmer konnten, da sie auf der Leiterplatte von oben zugänglich waren, nach der Fertigung automatisch abgegleicht werden.[38]
Auch diese Folien-Drehkondensatoren zur Sendereinstellung in Rundfunkempfängern spielen heutzutage industriell keine Rolle mehr.
Variable SF6-Schutzgaskondensatoren
In SF6-Schutzgaskondensatoren (Compressed gas variable capacitors) befindet sich das inerte Gas Schwefelhexafluorid (SF6) mit einem Gasdruck von 3 bar bis 7 bar als Dielektrikum. Sie ähneln den hier beschriebenen Tauchtrimmern. Das Rotor-Stator-Elektrodenpaket ist in ein hermetisch dichtes Gehäuse eingebaut, das mit dem Schutzgas SF6 gefüllt ist, der Drehwinkel beträgt mehr als 360°.
SF6-Schutzgaskondensatoren wurden unter anderem in Mittel- und Langwellensendeanlagen größerer Leistung zum Anpassung der Impedanz der Sendeendstufe an die Antenne eingesetzt. Übliche Werte für diese Anwendung sind einstellbare Kapazitätswerte von 50 pF bis 5 nF bei Prüfspannungen bis zu 80 kV und Betriebsströmen von bis zu 800 A. Die Verstellung erfolgte in der Sendeanlage während des Betriebes mit Stellmotoren.
Wegen der besseren Eigenschaften eines Vakuum-Dielektrikums, die zu einer kleineren Baugröße bei gleichen Leistungsdaten führt, werden variable SF6-Schutzgaskondensatoren nicht mehr für Neuanwendungen eingesetzt.
Bauformen historischer Trimmkondensatoren
Allgemeines

Trimmkondensatoren, die nur zur Erstinbetriebnahme und ggf. nach Reparaturen zum Abgleich eines Filters oder eines Schwingkreises betätigt werden, sollten nur mit einem isolierenden (HF-neutralen) Werkzeug, meist einem Plastik-Schraubendreher, eingestellt werden, da metallischer Kontakt die Kapazität beeinflussen würde. Wichtig für alle Trimmer ist, dass die einmal eingestellte Kapazität durch Erschütterungen nicht verändert wird. Deshalb wird oft nach dem Abgleich die Welle, über die der Kapazitätswert eingestellt wurde, zur Festsetzung mit Lack fixiert.[39]
Quetsch-Trimmkondensatoren
Mitte der 1920er Jahre wurde mit dem Vernier-Kondensator eine preiswerte Lösung zur Einstellung eines gewünschten Kapazitätswertes mit Hilfe der Änderung des Plattenabstandes gefunden. Sie wurden „Quetscher“ (Squeezer) genannt und waren die für einen einmaligen Abgleichvorgang zur Einstellung des Oszillatorkreises geeignet. Die Kapazität dieser Vernier-Kondensatoren wurde mit Hilfe einer Stellschraube an einer beweglichen Elektrode verändert. Um Kurzschlüsse zu vermeiden und um die Kapazität zu erhöhen, wurde ein Glimmerplättchen als Dielektrikum verwendet. Damit konnten Kapazitätswerte recht konstant eingestellt werden.[40][41]
Ein ähnlicher Trimmkondensator nach dem Prinzip des Vernier-Kondensators wurde in den 1930er Jahren durch Manfred von Ardenne entwickelt,[42][43] siehe Bild „Drehkondensatoren aus der Anfangszeit der Rundfunktechnik“, oben.
Drahttrimmer
Drahttrimmer aus der Anfangszeit der Empfängertechnik entsprachen in ihrem Aufbau den damaligen keramischen Rohrkondensatoren. Das innen metallisierte Keramikröhrchen war außen anstatt mit einer zweiten Metallisierung mit einer aneinander gelöteten Drahtwicklung versehen. Dieser Draht konnte nur abgewickelt aber nicht mehr wieder aufgewickelt werden. Sie wurden bis Ende der 1960er Jahre mit Kapazitätswerten bis etwa 570 pF angeboten.[44]
Tauchtrimmer

Tauchtrimmer wurden in den 1930er Jahren entwickelt. Sie bestanden aus zwei konzentrischen zylinderförmigen Elektroden unterschiedlicher Größe, die mit Hilfe einer zentralen Spindel, die den Rotor trägt und kontaktiert, ineinander gedreht wurden.
Die Linearbewegung des eintauchenden Teils gestattete eine erste (mechanische) Lösung (Firma Philips, um 1930) eines Programmwahlschalters, um mit einem Tastensatz mittels voreingestellter Kapazitäten, zu denen die Tauchtrimmer parallel geschaltet waren, verschiedene Sender anzuwählen. Nachteilig war die mangelhafte mechanische Genauigkeit und der geometrisch bedingte lineare Kapazitätsverlauf, der den Schwingkreisgesetzen nicht entgegenkommt. Diese Lösung hatte bis in die 1970er Jahre Bestand,[45] wurde jedoch – wie andere Trimmerkonstruktionen auch – durch die Entwicklung von Kapazitätsdioden nicht mehr benötigt. Das Elektrodenprinzip hat sich jedoch bei variablen Vakuum- und SF6-Schutzgaskondensatoren erhalten.
Keramik-Scheibentrimmer

Keramik-Scheibentrimmer (Ceramic half-turn trimmer) wurden etwa Mitte der 1930er Jahre entwickelt. Sie bestehen aus einer keramischen Grundplatte, auf deren geschliffener Oberfläche eine halbkreisförmige Metallisierung den Stator bildet. Eine drehbare und unten ebenfalls geschliffene Keramikscheibe, die auf der Oberseite der Keramik eine halbkreisförmige Metallisierung trägt, bildet den Rotor. Die Keramik dieses Rotors und dessen Dicke bildet das Dielektrikum. Zur mechanischen Betätigung ist der Rotor geschlitzt. Ein Schleifkontakt kontaktiert den Rotor mit dem entsprechenden Lötanschluss.
Keramik-Scheibentrimmer wurden aus Klasse-1-Keramiken mit feldstärkeunabhängiger relativer Permittivität, linearer Temperaturabhängigkeit der Kapazität und hohem Gütefaktor hergestellt. Durch diese guten Eigenschaften konnte mit der Keramik der teure Glimmer als Dielektrikum preiswert ersetzt werden.
Diese mit präzisen Temperaturverläufen behafteten Scheibentrimmer wurden zu beliebten Abgleichkondensatoren, weil sie zu temperaturstabilen Oszillatorfrequenzen beitrugen. Ihr prinzipieller Aufbau wurde in den SMD-Trimmern beibehalten, jedoch haben die älteren Baugrößen heutzutage keine industrielle Anwendung mehr.
Keramik-Rohrtrimmer

Keramik-Rohrtrimmer wurden, wie die Keraik-Scheibentrimmer, in den 1930er Jahren entwickelt. Sie sind eine Weiterentwicklung der Keramik-Rohrkondensatoren, die seinerzeit die Entwicklung der Rundfunkempfänger stark beschleunigten. Bei diesen Trimmern wird eine Metallspindel, die über eine Kontaktfeder elektrisch mit dem Rotoranschluss verbunden ist, in ein Keramikröhrchen hineingedreht, das einen metallischen Außenbelag mit dem Statoranschluss trägt. Durch die sich ändernde Überlappung von Stator- und Rotor-Elektrode ändert sich die kapazitiv wirksame Fläche und damit die Kapazität des Kondensators. Aufgrund ihres einfachen und stabilen Aufbaus sind diese Trimmerkondensatoren relativ unempfindlich gegen Schock- und Vibrationsbeanspruchung.
Keramik-Rohrtrimmer haben ein geschichtetes Dielektrikum aus dem Keramikmaterial des Röhrchens und dem Luftspalt zwischen Keramikrohr und Metallspindel. Zur Erreichung verschiedener elektrischer TK-Werte werden unterschiedliche Keramikarten verwendet, die mit dem Ausdehnungskoeffizienten des Spindelmaterials (Messing, Invarstahl) abgestimmt sein müssen.
Keramik-Rohrtrimmer sind frei von jeglichem Mikrophonieeffekt. Sie lassen sich aufgrund des wirksamen Drehwinkels der Spindel, der ein Mehrfaches von 360° beträgt, recht präzise einstellen.
Luftplattentrimmer

Luftplattentrimmer sind ähnlich den oben beschriebenen Korrektionskondensatoren mit einem zentralen Sockel aufgebaut, jedoch erfolgt die Rotorführung in diesem Sockel nicht in einem Kugellager, sondern in einer Metallbuchse. Die Rotorführung in der Metallbuchse ist für wiederholende Betätigungen ausgelegt. Der Sockel ist meist aus Keramik und auf dem der Stator befestigt. Stator und Rotor bestehen aus zwei Paketen halbkreisförmiger Metallscheiben, die durch Betätigen der Welle kammförmig ineinander gedreht werden. Als Dielektrikum dient Luft. Die Anschlüsse von Luftplattentrimmer sind überwiegend als Lötstifte für eine Leiterplattenmontage ausgeführt, jedoch werden sie auch noch mit Lötösen angeboten.[46]
Luftplattentrimmer haben wegen der geringen Permittivität von Luft relativ große Abmessungen, weisen jedoch einen sehr hohen Isolationswiderstand und eine große Güte auf. Sie werden in Sendern kleinerer Leistung zur ständigen, meist manuellen Feineinstellung der Sende- oder Empfangsfrequenz oder in Messnormalen zur Kalibrierung von Messgrößen eingesetzt.
Folientrimmer

Parallel zu der Entwicklung der oben beschriebenen Folien-Drehkondensatoren wurden Anfang der 1960er Jahre auch Folien-Trimmkondensatoren entwickelt und in Rundfunkgeräten eingesetzt. Sie sind ähnlich wie die Drehkondensatoren aufgebaut, bei denen die kapazitiv wirksame Fläche verändert wird, jedoch befindet sich zwischen den Elektroden noch eine isolierende und dielektrisch wirksame Kunststofffolie.
Diese Trimmer wurden für unterschiedliche Anforderungen mit unterschiedlichen Kunststofffolien hergestellt. Für Standardanwendungen in Heimgeräten kamen Polyäthylenfolien (PEN) und Polypropylenfolien (PP) zum Einsatz, für professionelle Anwendungen wurden auch Kunststoff-Folientrimmer mit Teflonfolie (PTFE) hergestellt. Maximal einstellbare Kapazitätswerte waren 3,5 bis 100 pF.
Durch die Verwendung des Kunststofffolien-Dielektrikums mit der höheren Permittivitätszahl und der höheren Spannungsfestigkeit konnten Kunststoff-Folientrimmer gegenüber Lufttrimmern deutlich kleiner werden. Außerdem wurden sie von Anfang an für Leiterplattenmontage konzipiert. Die Lötanschlüsse, zwei für den Rotor und einen für den Stator, ergaben eine 3-Loch-Befestigung, die in einem genormten Rastermaß angeordnet war. Dadurch besaßen sie eine fixierte Position im Gerät und waren automatisch bestückbar sowie automatisch abgleichbar.
Folientrimmer werden heutzutage (2017) nur noch selten und dann in Geräten mit kleinen Stückzahlen eingesetzt.
Bauformen aktueller mechanisch variabler Kondensatoren
Drehkondensatoren, Luftplattentrimmer und Folientrimmer werden weiterhin gefertigt und angeboten, siehe #Hersteller mechanisch variabler Kondensatoren.
Mechanisch variable Kondensatoren werden heutzutage vorwiegend als SMD-Bauteil mit sehr kleinen Abmessungen, als Rohrtrimmer für sehr hohe Frequenzen mit großem Gütefaktor oder als variable Vakuumkondensatoren für sehr hohe Leistungen eingesetzt.
SMD-Trimmer


Die meist verwendeten Bauteile in Geräten der Elektronik sind oberflächenmontierbar. Dies gilt auch für mechanisch einstellbare Trimmerkondensatoren. Die heute üblichen SMD-Trimmer (SMD Half-turn trimmer oder SMD Single-turn trimmer) sind eine Weiterentwicklung der #Keramik-Scheibentrimmer. Sie haben eine keramische Grundplatte, die jedoch ähnlich den Keramik-Vielschichtkondensatoren (MLCC) schichtartig aufgebaut ist. Der Stator ist eine halbkreisförmig metallisierte Schicht innerhalb der monolithischen Keramikplatte. Das unterscheidet sie von den Keramik-Scheibentrimmern, bei denen die Stator-Metallisierung auf der Keramik liegt. Die Rotorelektrode ist eine drehbar montierte Metallscheibe mit halbkreisförmigem Profil, die konstruktionsbedingt auf die Grundplatte gedrückt wird. Dadurch, dass die Metallisierung als Schicht in der Keramik-Grundplatte liegt, kann das darüber liegende Keramikmaterial, das Dielektrikum, sehr dünn gehalten werden, wodurch eine höhere Kapazität erreicht werden kann. Der wirksame Drehwinkel beträgt z. B. 80°, die Kapazität hängt linear vom Drehwinkel ab.
Keramik-SMD-Trimmer werden mit Klasse-1-Keramiken mit unterschiedlichen Temperaturkoeffizienten angeboten. Sie können damit temperaturabhängige Abweichungen der Frequenzquelle gezielt ausgleichen. Sie sind für Frequenzen bis etwa 6 GHz geeignet. Kapazitätswerte bis etwa 40 pF werden angeboten.
Die kleinsten SMD-Trimmer sind in den Baugröße 1,5 × 1,7 × 0,9 mm lieferbar. Sie weisen damit eine Grundfläche auf, die vergleichbar ist mit dem bekannten „0805“-Gehäuse (2,0 × 1,25 × 1,00 mm) von MLCC- oder Tantal-Kondensatoren. SMD-Trimmer für Wellenlötung sind gekapselt, um Verschmutzungen während des Lötprozesses zu vermeiden. Trimmer für Reflow-Lötung können etwas einfacher geschützt sein.
SMD-Trimmer werden beispielsweise in LC-Kreisen zum Abgleich und zur Kompensation der Kapazitätsänderung benötigt. Sie werden weiterhin in Quarzoszillatoren zum Ziehen der Oszillatorfrequenz eingesetzt. Weitere Anwendungen sind die Frequenzkompensation von Spannungsteilern und der Abgleich kapazitiver Abstandssensoren.
SMD-Trimmer finden sich in Mobiltelefonen, ferngesteuerten Zugangssystemen, Überwachungskameras, DVD-Geräten und Einbruchsicherungen.[47]
SMD-Laser-Abgleichkondensatoren

Um mechanisches Abgleichen zu vermeiden, wurden SMD-Laser-Abgleichkondensatoren (LASERtrim® RF Tuning Capacitors) entwickelt, deren Kapazitätswert durch gezieltes Wegbrennen von Flächenanteilen einer offenen Elektrode mittels Laser im Rahmen der Fertigung einmalig einstellbar ist.
Diese Laser-Abgleichkondensatoren ähneln Keramikvielschicht-Chipkondensatoren. Die offen zugängliche Metallisierung der obersten Elektrode kann mit Hilfe eines Laserstrahles schrittweise verdampft werden. Damit lässt sich ein Kapazitätswert, der je nach Typ bei etwa 20 pF beginnt, bis herab auf etwa 0,5 pF genau einstellen.[48][49]
Die Gütefaktoren (Q) dieser Abgleichkondensatoren hängen ab von der verwendeten Keramikart und bewegen sich im Bereich zwischen 60 und 600. Die Baugrößen dieser SMD-Chip-Bauformen reichen von 0603 bis 1210. Sie können somit mit üblichen Pick-and-Place-Bestückungsautomaten bestückt werden. Ein weiterer Vorteil dieser SMD-Laser-Abgleichkondensatoren ist, dass sie nicht gegen Verschmutzungen von eventuell eingesetzten Flussmitteln geschützt werden müssen und auch unempfindlich gegen mechanischen Belastungen wie Stoß oder Vibrationen sind.
Mit diesem einstellbaren Kapazitätsbereich werden die SMD-Laser-Abgleichkondensatoren für Abgleichzwecke in Oszillatoren und Frequenzfiltern sowie zur Impedanzanpassung von Antennenkreisen für Frequenzen von 100 MHz bis 2 GHz eingesetzt, beispielsweise für WLAN, Kabel-Modems und RFID-Karten.
Rohrtrimmer

Rohrtrimmer (Tubular trimmer oder Multiturn trimmer) bestehen aus einem Röhrchen aus isolierendem Material, das außen eine Metallhülse als Stator mit dem Statoranschluss trägt. In das Röhrchen wird der Rotor, eine Metallspindel, die über eine Kontaktfeder elektrisch mit dem Rotoranschluss verbunden ist, hineingedreht oder hineingeschoben. Durch die sich ändernde Überlappung von Stator und Rotor, den Elektroden, ändert sich die kapazitiv wirksame Fläche und damit die Kapazität des Kondensators. Sie lassen sich aufgrund des wirksamen Drehwinkels der Spindel, der ein Mehrfaches von 360 Grad (Multiturn) beträgt (multiturn), recht präzise einstellen. Aufgrund ihres einfachen und stabilen Aufbaus sind diese Trimmerkondensatoren relativ unempfindlich gegen Schock- und Vibrationsbeanspruchung.
Eine ähnlich aufgebaute Bauform für Anwendungen im hohen GHz-Bereich ist der sogenannte Kolbentrimmer (Piston trimmer)[50]
Für Mikrowellen-Anwendungen bis zu 100 GHz werden verschiedene Abstimmschrauben aus Metal oder einem Dielektrikum angeboten.[51][52] Rohrtrimmer haben ein geschichtetes Dielektrikum, das sich aus dem dielektrischen Material des Röhrchens und dem Luftspalt zwischen dem Röhrchen und der Metallspindel zusammensetzt. Die Güte des Kondensators und der Temperaturkoeffizient (TK-Wert) werden aber im Wesentlichen durch das dielektrische Material bestimmt, können aber durch das verwendete Spindelmaterialien wie Messing oder Invarstahl und deren Ausdehnungskoeffizient beeinflusst werden.
Rohrtrimmer werden auf der Innenseite der Statoren mit folgenden dielektrischen Materialien ausgekleidet:
- Luft-Rohrtrimmer mit einem Epoxid-Abstandshalter sind für Frequenzen bis etwa 1,5 GHz und eine Prüfspannung von 500 bis 2000 V geeignet
- Keramik-Rohrtrimmer sind für Frequenzen bis etwa 1,5 GHz und eine Prüfspannung von 500 bis 2000 V geeignet und können mit unterschiedlichen Klasse 1-Keramiken für angepasste Temperaturkoeffizienten hergestellt werden
- Teflon-Rohrtrimmer sind für Frequenzen bis etwa 5 GHz und ein Prüfspannungen bis 20000 V geeignet
- Glas-Rohrtrimmer haben höhere Kapazitätswerte bis 120 pF mit Prüfspannungen bis 2500 V
- Quarz-Rohrtrimmer haben einen sehr hohen Gütefaktor
- Saphir-Rohrtrimmer benutzen Aluminiumoxid (Al2O3) als Dielektrikum, ein Material, das sich durch einen sehr hohen Gütefaktor und einen sehr geringen Temperaturkoeffizienten auszeichnet. Sie sind für Frequenzen bis 10 GHz geeignet.
Eingesetzt werden Rohrtrimmer im VHF-, UHF- und Mikrowellen-Frequenzbereich in Radargeräten, in der Luft- und Raumfahrt, in militärischen Kommunikationsgeräten, sowie in medizinischen und industriellen Geräten und Anlagen. Sie dienen dem Frequenzabgleich von Oszillatoren und Filtern. Sie werden in unterschiedlichen Anschlussversionen für Leiterplatten- oder Chassismontage angeboten.
Variable Vakuumkondensatoren

Für den Abgleich von Sendern mit höherer Hochfrequenz-Leistung vorgesehen sind die mechanisch einstellbaren variablen Vakuumkondensatoren (Variable vacuum capacitors). Sie besitzen als Dielektrikum ein Vakuum mit einem Gasdruck von 10−3…10−7 mbar. Aus der geringen Stoßionisierbarkeit der Luftmoleküle in einem Hochvakuum resultiert die sehr hohe Spannungsfestigkeit von Vakuumkondensatoren, die im Mittel mit etwa 40 kV/mm angegeben wird. Verglichen mit Kondensatoren mit Luftdielektrikum oder mit dem Schutzgas SF6 gefüllten Kondensatoren können sie bei gleichen Leistungsdaten deshalb sehr viel kleiner aufgebaut werden. Die kleinere Bauweise und die geringen dielektrischen Verluste im Vakuum führen außerdem dazu, dass die ohmschen Verluste des Kondensators, die sich im ESR bzw. im Gütefaktor wiederfinden, sehr gering sind. Dadurch haben variable Vakuumkondensatoren eine sehr hohe Strombelastbarkeit.
Variable Vakuumkondensatoren ähneln konstruktiv den oben beschriebenen Tauchtrimmern. Sie haben einen Stator aus zylinderförmigen Elektroden mit meist mehreren, auf einer Grundplatte montierten Zylindern. Der Rotor, der ebenfalls aus zylinderförmigen Elektroden kleineren Durchmessers besteht, wird mit Hilfe eines Gewindes auf einer zentralen Achse in die Hohlräume der Stator-Zylinder hineingedreht. Um das Vakuum während des Einstellvorganges aufrechtzuerhalten, ist das Schraubgewinde des Rotors innerhalb des Gehäuses mit einer hermetisch abschließenden metallischen Faltenbalg-Manschette umgeben. Eingebaut sind die Elektroden in einem Glas- oder Keramikgehäuse. Der Kondensator wird, ähnlich wie in der Röhrentechnik üblich, mit geeigneten Pumpen evakuiert und verschlossen. Je nach Strombelastbarkeit können die Kondensatoren noch mit Röhren im Gehäuse für eine Luft- oder Wasserkühlung versehen sein.[53]
Das hermetisch abdichtende Gehäuse und der stabile Aufbau macht die variablen Vakuumkondensatoren unabhängig von Umwelteinflüssen aller Art, so dass die elektrischen Eigenschaften dieser Kondensatoren sehr stabil sind. Der ESR solche Kondensatoren variiert im Bereich von 5 bis 20 mΩ für Frequenzen von 2,5 bis 30 MHz. Der Gütefaktor dieser Kondensatoren wird mit 1000 bis 5000 angegeben und liegt damit im sehr hohen Bereich der Güte verglichen mit anderen dielektrischen Materialien. Der Temperaturkoeffizient liegt für ein keramisches Gehäuse bei 50 ppm/%, für Glasgehäuse bei 100 ppm/%.[54]
Das Gewinde auf der Rotorachse ist ein Mehrfaches von 360 Grad. Damit lässt sich der gewünschte Kapazitätswert recht präzise einstellen. Das Verhältnis der minimalen zur maximalen Kapazität kann bis zu 1: 150 betragen. Mit diesem großen Einstellvermögen lassen sich sehr große Frequenzbereiche einstellen. Der Antrieb des Rotors, der häufig während des Sendebetriebes erfolgen muss, kann manuell erfolgen, wird aber meist über einen automatisch gesteuerten Motorantrieb bewerkstelligt. Variable Vakuumkondensatoren sind für häufigere Betätigungen ausgelegt. Die mechanische Lebensdauer dieser Kondensatoren wird mit bis zu 1 Million Betätigungszyklen über den vollen Einstellbereich angegeben.
Eingesetzt werden variable Vakuumkondensatoren in Hochfrequenz-Sendern größeren Leistungen, in denen die Strombelastung für Halbleiter zu hoch ist, zur genauen Steuerung der Senderfrequenz. Als Anwendungsbeispiele werden genannt:
- kommerziellen Sendeanlagen mit großen Leistungen zur Frequenzabstimmung im VHF-, UHF- und Mikrowellenbereich
- medizinische MRT-Scanner mit großen Magnet-Feldstärken, wobei die nicht(ferro)magnetische Eigenschaft des Aluminiums in den mechanischen variablen Kondensatoren genutzt werden
- HF-Anpassungsnetzwerke für die Plasma-Erzeugung zum Ätzen, zur Aufbringung oder Modifikation dünner Schichten, in der Herstellung von Halbleitern, Integrierten Schaltungen, Flachbildschirmen und Solarzellen
- Energieversorgung von CO2-Laser zur Materialbearbeitung
- Forschungsanlagen wie CERN mit Kondensatoren mit einer Spannungsfestigkeit bis 100 kV einer Strombelastung bis 1200 A
Sie sind außerdem für militärische Anwendungen wegen ihrer inhärenten Beständigkeit gegen elektromagnetische Pulse von Bedeutung, um gegen dieses Beiprodukt nuklearer Explosionen geschützt zu sein.
Hersteller mechanisch variabler Kondensatoren
| Hersteller | Verfügbare Ausführungen | |||||
|---|---|---|---|---|---|---|
| Dreh- kondensatoren, Luftplatten- trimmer |
Folien- trimmer |
Multiturn- Rohr- trimmer |
SMD- Trimmer |
Laser- Trimmer |
Variable Vakuum- kondensatoren | |
| Alfred Tronser[46] | X | — | — | — | — | — |
| AVX[55] | — | — | — | — | X | — |
| Comet[1] | — | — | — | — | — | X |
| CTS Tusonix[56] | — | — | — | X | — | — |
| Excelia Temex[52] | — | — | X | — | — | — |
| Jennings[24] | — | — | — | — | — | X |
| Johanson[48] | — | — | X | X | X | — |
| Kyocera[57] | — | — | — | X | — | — |
| L-Tek (ehemalig DAU)[58] | — | X | X | X | — | — |
| Mitsumi[59] | — | X | — | — | — | — |
| Murata[47] | — | — | — | X | — | — |
| Oren Elliott[34] | X | — | — | — | — | — |
| Polyflon (Crane)[60] | — | — | X | — | — | — |
| Sanshin[61] | — | — | — | X | — | — |
| Sprague-Goodman[50] | — | X | X | X | — | — |
| Sumida[62] | — | — | X | — | — | — |
| Vishay[63] | — | X | — | — | — | — |
| Voltronics[64] | — | — | X | X | — | — |
Elektrisch-variable Kondensatoren
Kapazitätsdioden

Eine Kapazitätsdiode oder Varicap, auch Varaktor oder Abstimmdiode genannt, ist ein Halbleiterkondensator mit elektrisch einstellbarer und reproduzierbarer variabler Kapazität.
Die Sperrschicht einer Halbleiterdiode enthält in der Raumladungszone durch Dotierung fest eingebaute unbewegliche positive und negative Ladungsträger. Wird eine Spannung an die Diode gelegt, dann trennen sich die positiven von den negativen Ladungsträgern. Es entsteht eine ladungsfreie Zone (Verarmungszone) mit einem elektrischen Feld zwischen den Ladungsträgern. Dies entspricht einem Kondensator, wobei die Breite der Verarmungszone dem Plattenabstand bei einem Plattenkondensator und das ladungsfreie Halbleitermaterial dem Dielektrikum entspricht. Die Kapazität dieses Kondensators wird Sperrschichtkapazität genannt. Mit steigender Spannung (in Sperrrichtung) an der Diode vergrößert sich die Breite der ladungsfreien Zone, damit nimmt die Sperrschichtkapazität ab. Zwischen der Spannung und der Sperrschichtkapazität besteht eine nichtlineare Abhängigkeit.

Im Prinzip besitzen alle Dioden eine Sperrschichtkapazität. Kapazitätsdioden haben jedoch durch den Aufbau und durch geeignete Dotierung eine besonders große Sperrschichtkapazität. Es können Kapazitätswerte bis über 600 pF erreicht werden.[65] Durch Änderung der Steuerspannung an der Diode kann eine Kapazitätsänderung bis etwa zum Faktor 30 erreicht werden.[66]
Kapazitätsdioden werden durch die Steuerspannung in Sperrrichtung betrieben, so dass kein Gleichstrom durch die Diode fließt. Die maximale Sperrspannung beträgt etwa 30 V. Um Nichtlinearitäten und Intermodulation zu vermeiden, muss die Signalspannung, die in Schwingkreisen immer eine HF-Wechselspannung ist, 3 bis 4 Größenordnungen unter der anliegenden Steuerspannung liegen. Durch diese Begrenzung ist der Einsatz von Kapazitätsdioden für Abstimmkreise auf geringe Signalamplituden begrenzt.
Eine weitere Maßnahme zur Vermeidung von Frequenzverzerrungen ist der gegenpolige Aufbau zweier Varicap-Dioden, wodurch jedoch der Platzbedarf und die Kosten ansteigen.
Als elektrisch steuerbare Kondensatoren mit variabler Kapazität haben Varicaps ab den 1980er Jahren die mechanische Dreh- und Trimmkondensatoren in MW/UKW-Radios und in TV-Tunern für VHF- und UHF-Frequenzen abgelöst. Sie wurden dann auch in Mehrkreisempfängern in spannungsgesteuerten Oszillatoren (Voltage Controlled Oscillator (VCO)) für die Frequenzmodulation in den Zwischenkreisen eingesetzt. Mit den erforderlichen Induktivitäten in einem Tuner, einem VCO und einer Phasenregelschleife (phase-locked loop (PLL)) sind Varicaps auch heute noch oft Schlüsselkomponenten bei der Senderwahl in Empfangsgeräten.
Dielektrisch-variable Kondensatoren

Dielektrisch-variable Kondensatoren, auch dielektrische Varaktoren genannt, sind integrierte Kondensatoren mit elektrisch einstellbarer und reproduzierbarer Kapazität, deren Besonderheit ein Dielektrikum aus ferroelektrischem Material ist.[68]
Ferroelektrische Materialien haben eine relativ hohe relative Permittivität, die abhängig von der Feldstärke im Dielektrikum und somit abhängig von der anliegenden Spannung ist. Je mehr sich die Spannung der Nennspannung nähert, desto geringer wird die Kapazität des Kondensators. Ein ähnliches Verhalten tritt auch bei den Klasse-2-Keramikkondensatoren auf, die ebenfalls ein ferroelektrisches Dielektrikum haben.
Dielektrische Varaktoren haben mehrere Vorteile gegenüber Kapazitätsdioden, sie haben a) keine Polarität und haben damit einen geringeren Platzbedarf gegenüber zwei Varicap-Dioden in Anti-Parallelschaltung, b) durch die höhere relative Permittivität eine höhere Kapazität bezogen auf eine Grundfläche und können c) leicht mit anderen Komponenten integriert werden. Dadurch können dielektrische Varaktoren zur Miniaturisierung einer Gesamtschaltung beitragen und zu geringeren Kosten produziert werden.[68]
Das bekannteste ferroelektrische Material für das Dielektrikum von dielektrisch abstimmbaren integrierten Kondensatoren ist Barium-Strontium-Titanat (BST).[3][4][68] BST hat eine relativ hohe relative Permittivität von etwa εr = 100 bis 1000 mit einer hohen Durchschlagsfestigkeit von etwa 25 kV/mm, wodurch eine niedrige Abstimmspannung (˂40 Vdc) ermöglicht werden kann. BST-Kondensatoren bzw. BST-Varaktoren (BST varactors) können ähnlich wie DRAM Zellen als Dünnfilm-Metall-Insulator-Metall-Kondensatoren (MIM) in integrierten CMOS-Schaltungen mit Schichtdicken des BST-Materials kleiner 100 nm realisiert werden. Allerdings ist die relative Permittivität dünner BST-Schichten geringer als die dickerer Schichten was zu einem doch recht geringem Kapazitätsunterschied zwischen einer sehr kleinen Steuerspannung und der Maximalspannung von etwa dem Faktor 3 führt.[2] Mit dickeren BST-Schichten können jedoch höhere Kapazitätswerte mit einem höheren Abstimmbereich realisiert werden.[68]
BST-Varaktoren werden als spannungsgesteuerte variable Kondensatoren beispielsweise in spannungsgesteuerten Oszillatoren (VCO), in Abstimmschaltungen und in abstimmbaren Filtern realisiert.[3][69][70] Sie weisen eine Güte von etwa 60 auf und sind geeignet zum Filtern von Frequenzen von 3 MHz bis 30 GHz.
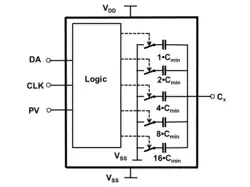
Digital-variable Kondensatoren

Digital-variable Kondensatoren (Digitally Tunable Capacitors (DTC)) sind eine Anordnung mehrerer integrierter Kondensatoren unterschiedlicher Halbleiter-Technologien, die über digital angesteuerte FET-Schalter parallel/seriell geschaltet werden können, um einen gewünschten Kapazitätswert zu erreichen, der zur Abstimmung eines Schwingkreises oder Filters benötigt wird.[6] Eine DTC-Schaltung darf nicht verwechselt werden mit einem Filter mit geschalteten Kondensatoren (SC-Filter), bei dem durch Variation der Schaltfrequenzen, mit denen die Kondensatoren umgeschaltet werden, die Filterparameter der SC-Filter leicht verändern lassen.
Die DTC-Schaltungen haben Kapazitätswerte bis etwa 40 pF, weisen eine hohe Linearität auf und haben einen Gütefaktor, der im Bereich um die 100 liegt. Sie sind bei kleineren Leistungen für Anwendungen mit Frequenzen bis 3 GHz geeignet. Durch Serienschaltung der Kondensatoren können auch höhere Leistungsbereiche erreicht werden, wodurch aber der Serienwiderstand anwächst und sich die Güte verschlechtert.
Eingesetzt werden DTC-Schaltungen u. a. in HF-Oszillatoren, in digital abstimmbaren HF-Filtern[71] sowie in Smartphone-Antennen zur Einstellung des Stehwellenverhältnisses (VSWR) und in rekonfigurierbaren Antennen.
Hersteller von DTC-Schaltungen sind u. a.: Intersil,[72] IXIS[73] Peregrine[74] und RF Micro Devices Inc.[75]
Elektrisch-variable RF-MEMS-Kondensatoren



Eine immer stärker anwachsende Technologie für elektrisch-variable Kondensatoren ist die MEMS-Technik. MEMS, das steht für Mikro-Elektro-Mechanische Systeme (Microelectromechanical system) und ist der Oberbegriff der Technologie von mechanisch beweglichen Bauteilen mit Abmessungen im Mikrometerbereich, hergestellt mit Fertigungsprozessen, die aus der Halbleitertechnologie stammen. MEMS sind, anders formuliert, winzige mechanische Elemente, die durch elektronische Schaltungen angesteuert und bewegt werden können. Diese Elemente sind keine integrierten Schaltungen (ICs), sie empfangen und erzeugen jedoch für die ICs gewünschte Steuersignale und werden oft zusammen mit ihnen in einem Gehäuse geliefert. MEMS-Elemente sind einer der wichtigsten Bestandteile der aktuellen Diskussion über das „Internet der Dinge“ (Internet of the Things (IoT)).[76]
MEMS-Bauelemente werden mittels des reaktiven Ionentiefätzverfahrens hergestellt. Das ist ein hoch anisotroper Trockenätzprozess für die Herstellung von Mikrostrukturen in Silicium mit einem Aspektverhältnis (Verhältnis von Tiefe zu Breite) von bis zu 50:1, wobei Strukturtiefen von einigen 100 µm erreicht werden können. MEMS haben typischerweise Abmessungen, die im Bereich zwischen 20 µm und 1 mm liegen. Der Trockenätzprozess für Silicium wurde Anfang der 1990er Jahre von F. Lärmer und A. Schilp bei der Robert Bosch GmbH entwickelt und patentiert, daher hat sich im deutschen Sprachraum die Bezeichnung Bosch-Prozess als Synonym für das reaktive Silicium-Ionentiefenätzen eingebürgert.[77]
Mit Hilfe dieser Technologie lassen sich neben vielen anderen Bauelementen auch elektrisch-variable MEMS-Kondensatoren herstellen. Da diese Kondensatoren überwiegend im Bereich der Rundfunk (RF)-Sender und Empfängertechnik eingesetzt werden, hat sich im englischen Sprachgebrauch der Begriff „Radio freqency (RF) MEMS varactors“ oder kurz: „RF-MEMS“ gebildet und durchgesetzt.[7][8]
Die Funktionsweise dieser elektrisch-variablen RF-MEMS-Kondensatoren basiert auf der elektrostatischen Kraft, mit der sich gegenpolig geladene Elektroden anziehen.[78] Ist in einem mechanischen Aufbau, der einem Plattenkondensator entspricht, eine Elektrode fixiert und die andere beweglich befestigt, wird die bewegliche Elektrode nach dem Anlegen einer Spannung von der zweiten Elektrode angezogen, der Plattenabstand wird abhängig von der Spannung kleiner und der Kapazitätswert wird größer.
Es sind eine Vielzahl von unterschiedlichen Lösungen für elektrisch-variable RF-MEMS-Kondensatoren entwickelt worden.[79] Eine Einteilung in bestimmten Lösungen kann nach Ausrichtung der Elektrodenbewegung in vertikaler oder in horizontaler Richtung erfolgen.
Für die Elektrodenbewegung in vertikaler Richtung gibt es zwei Ausführungen. Zum einen wird spannungsabhängig eine bewegliche kammartige Elektrodenstruktur in eine ebenfalls kammartige fixierte Elektrodenstruktur eingeschoben. Damit ändert sich die wirksame Elektrodenoberfläche, wodurch eine Kapazitätsänderung erfolgt. Bei der zweiten Lösung verschiebt sich spannungsabhängig die kammartige Struktur der beweglichen Elektrode seitlich innerhalb der ebenfalls kammartigen Struktur der Stator-Elektrode. Die Änderung des Kapazitätswertes wird durch Änderung des Elektrodenabstandes erreicht.
Für die Elektrodenbewegung in horizontaler Richtung gibt es spannungsabhängige Lösungen die mit einer beweglichen Elektrode, die „Träger“ (fixed-fixed beam) genannt wird, oder mit mehreren Elektroden übereinander arbeiten. Bei diesen Lösungen ändert sich ebenfalls der Elektrodenabstand und bewirkt somit die Kapazitätsänderung.[79]
Eine weitere Studie beschreibt einen variable RF-MEMS-Kondensator mit einer gebogenen Elektrode, die ähnlich wie ein Reißverschluss abhängig von der anliegenden Spannung den Elektrodenabstand mehr oder weniger verändert und damit eine Kapazitätsänderung bewirkt.[80]
Die Möglichkeiten, mit MEMS-Konfigurationen zu elektrisch-variablen Kondensatoren zu kommen, sind äußerst vielfältig. Neben den unterschiedlichen Elektrodenstrukturen und Bewegungsrichtungen ist ebenfalls das Einbringen eines Dielektrikums mit höherer relativer Permittivität, beispielsweise Barium-Strontium-Titanat (BST), möglich. Auch können mehrere dieser MEMS-Kondensatoren durch Parallel/Seriell-Schaltung zu einem Array digital abstimmbarer Kondensatoren (DTC) geschaltet werden.[8] Eine weitere Entwicklung kombiniert alle Möglichkeiten und fügt sogar noch die Bewegung des Dielektrikums hinzu.[81]
Elektrisch-variable RF-MEMS-Kondensatoren besitzen eine nur sehr geringe Einfügungsdämpfung und einen hohen Isolationswiderstand, verbrauchen für die elektrostatische Ansteuerung praktisch keine Energie zum Betrieb, können Gütefaktoren bis etwa 50 erreichen, womit sie besser sind als vergleichbare GaAs-Technologien, benötigen aber eine relativ hohe Spannung und müssen hermetisch abgedichtet sein.
Als Beispiel ihrer Eigenschaften können Werte aus einem Versuchsaufbau dienen. Variable RF-MEMS-Kondensatoren wurden in diesem Aufbau mit einem Abstimmbereich von 22:1 mit Kapazitätswerten von 1,5 bis 33,2 pF hergestellt. Sie wurden mit einer Spannung von 30 bis 55 V angesteuert, reagierten in weniger als 10 ms und konnten in HF-Anwendungen bis 40 GHz betrieben werden.[8]
Mit diesen Eigenschaften eignen sich elektrisch-variable RF-MEMS-Kondensatoren für die Impedanzanpassung in Dualband-LTE/GSM/WCDMA-Geräten sowie für DVB-TV-Empfänger.[8][82] geeignet. Sie sind ebenfalls in Anwendungen bei hohen bis höchsten Frequenzen zu finden und werden in SDR-Radios, Rekonfigurierbaren Antennen und Bandpass-Filtern eingesetzt.[83]
Hinweise
Spannungsfestigkeit mechanisch variabler Kondensatoren

Üblicherweise wird bei Kondensatoren eine Durchschlagsfestigkeit angegeben, die eine Eigenschaft des jeweiligen dielektrischen Materials ist, aus der vom Hersteller eine Spannungsfestigkeit (Nennspannung) des Kondensators spezifiziert wird. Solch eine Nennspannung bei mechanisch-variablen Kondensatoren zu spezifizieren ist aus mehreren Gründen nicht ohne weiteres möglich. Bei Dreh- und Trimmerkondensatoren mit Luftdielektrikum hängt die Durchschlagsspannung von der jeweiligen absoluten Luftfeuchte ab, sie nimmt mit dieser zu. Der meist offene Aufbau von mechanisch-variablen Kondensatoren mit Luftdielektrikum kann während des Betriebs verschmutzen. Staub beeinflusst die Spannungsfestigkeit meist zum Negativen.
Bei keramischen Dielektrika kann die Durchschlagsspannung einer keramischen Schicht in Abhängigkeit von der Zusammensetzung des Elektrodenmaterials und der Sinterbedingungen bis zum Faktor 10 variieren, ist jedoch meist nicht maßgeblich, da zuerst die Luft- und Kriechwege durchschlagen.
Folien-Drehkos und -trimmer können durch mechanische Beanspruchung und Feuchtigkeitsaufnahme der Folien in ihrer Spannungsfestigkeit beeinträchtigt sein. Hohe Wechselspannungen können durch Vorentladungen zu Langzeitschäden der organischen Folien führen.
Die Spannungsfestigkeit von mechanisch-variablen Kondensatoren wird deshalb mit einer Prüfspannung spezifiziert. Die Betriebsspannung dieser Kondensatoren sollte 50 % der Prüfspannung nicht überschreiten.
ESR, Verlustfaktor tan δ und Güte Q


Im Allgemeinen werden die ohmschen Verluste eines Kondensators mit dem RESR, meist kurz ESR (Äquivalenter Serienwiderstand) genannt, oder dem Verlustfaktor tan δ angegeben.
Bei HF-Applikationen wird an Stelle des Verlustfaktors oft der Kehrwert des Verlustfaktors, die „Güte Q“ oder der „Gütefaktor“ spezifiziert.
Dieser Wert bezieht sich auf die Bandbreite bei der Resonanzfrequenz und berechnet sich nach der Gleichung:
- ,
wobei sich die Bandbreite, definiert als der Frequenzbereich, an dessen Grenzen sich der Spannungspegel um 3 dB gegenüber dem Mittelwert geändert hat, ergibt aus:
- .
mit als obere und als untere Grenzfrequenz.
Der Gütefaktor eines Resonanzkreises ist ein Maß für die Schärfe der Resonanz.[84] Ein großer Wert der Güte entspricht einer kleinen Bandbreite B bei der Resonanzfrequenz f0 des Kondensators. Da der Verlauf der Impedanzkurve im Resonanzbereich umso steiler ist, je kleiner der tan δ ist, bieten große Zahlenwerte einer großen Güte eine anschaulichere Aussage über die ohmschen Verluste des Kondensators.
Die besten Werte der Güte Q besitzen die Luft-Drehkondensatoren und die variablen Vakuumkondensatoren. Es werden in den jeweiligen Datenblättern Gütewerte bei 1 MHz von 1000 bis 8000 oder sogar noch höher spezifiziert. Sehr hohe Gütewerte um die 5000 bei 1 MHz weisen auch die Multiturntrimmer auf. Im Vergleich dazu weisen alle Trimmerkondensatoren, die mit Keramikmaterialien aufgebaut sind, bestenfalls Güten von etwa 300 bis 600 auf.
Schaltzeichen

Der Pfeil in den Schaltzeichen der Drehkondensatoren soll die ständige Bereitschaft des Bauteils für einen Einstellvorgang andeuten.
Normen
Die allgemeinen Definitionen der für variable Kondensatoren relevanten elektrischen Werte, der Prüfungen und Prüfverfahren sowie der Messvorschriften zu den Prüfungen sind festgelegt in der Fachgrundspezifikation
Für variable Kondensatoren gelten, je nach Bauform, mehrere Rahmenspezifikationen. Die Prüfungen und Anforderungen, die die jeweiligen Kondensatoren für eine Approbation erfüllen müssen, sind festgelegt in:
- DIN EN 134101, Vordruck für Bauartspezifikation: 1-Gang-Scheiben-Einstellkondensatoren (Bauartanerkennung)
- DIN EN 134102, Vordruck für Bauartspezifikation: Mehr-Gang konzentrische Kondensatoren (Bauartanerkennung)
- DIN EN 134104, Vordruck für Bauartspezifikation: Einstellquetsch-Kondensatoren (Bauartanerkennung)
Die Normen werden in Deutschland durch den Beuth Verlag vertrieben.[85]
Weblinks
Literatur
- Otto Zinke, Hans Seither: Widerstände, Kondensatoren, Spulen und ihre Werkstoffe. Springer, Berlin 1982, ISBN 3-540-11334-7.
- Handbuch der Elektronik. Franzis Verlag, München 1979, ISBN 3-7723-6251-6.
- Dieter Nührmann: Werkbuch Elektronik: das große Arbeitsbuch mit Entwurfsdaten, Tabellen und Grundschaltungen für alle Bereiche der angewandten und praktische Elektronik (= Franzis-Elektronik-Nachschlagewerk, 3). Franzis Verlag, München 1981, ISBN 3-7723-6543-4.
- Peter von Bechen: 100 Jahre Drehkondensator-Abstimmung. Der Beitrag Dr. Adolf Koepsels zur Entwicklung der Funktechnik. In: Funkgeschichte, Heft 142, 2002, S. 72–79, ISSN 0178-7349.
- Karl-Dirk Kammeyer: Nachrichtenübertragung. 4., neu bearbeitete und ergänzte Auflage. Vieweg + Teubner, Wiesbaden 2008, ISBN 978-3-8351-0179-1.
- Karl-Dirk Kammeyer, Kristian Kroschel: Digitale Signalverarbeitung. Filterung und Spektralanalyse. 7., erweiterte und korrigierte Auflage. Vieweg + Teubner, Wiesbaden 2009, ISBN 978-3-8348-0610-9.
- Ulrich Tietze, Christoph Schenk: Halbleiter-Schaltungstechnik. 8. Auflage. Springer-Verlag, 1986, ISBN 3-540-16720-X (mit ausführlichen Tabellen für die Filterkoeffizienten von kaskadierten Sallen-Key-Filtern bis zur 10. Ordnung)
- B. A. Shenoi: Introduction to Digital Signal Processing and Filter Design. Wiley-Interscience, Hoboken NJ 2006, ISBN 0-471-46482-1.
Fußnoten und Einzelnachweise
- ↑ a b Comet, Variable Capacitors, Produktübersicht
- ↑ a b c Gennum: Applications, Processing and Integration Options for High Dielectric Constant Multi-Layer Thin-Film Barium Strontium Titanate (BST) Capacitors (PDF; 849 kB)
- ↑ a b c d R. A. York: Tunable Dielectrics for RF Circuits. (PDF)
- ↑ a b c M.P.J. Tiggelman: Thin Film Barium Strontium Titanate Capacitors for Tunable RF Front-end Application. (PDF)
- ↑ a b ST’s Parascan™ Tunable Integrated Capacitors (STPTIC) Tunable Integrated Capacitors
- ↑ a b c IT Wissen, DTC (digitally tunable capacitor)
- ↑ a b c S. Lucyszyn, Review of radio frequency microelectromechanical systems technology, IEEE 2004, IEE Proceedings online no .20040405, doi:10.1049/ip-smt:20040405 Review of radio frequency microelectromechanical systems technology (PDF)
- ↑ a b c d e f Ch. Goldsmith, A. Malczewski, Z. Yao, S. Chen, J. Ehmke, D. Hinzel, Raytheon Systems Corporation: RF MEMs Variable Capacitors for Tunable Filters. ( des vom 16. Januar 2017 im Internet Archive) Info: Der Archivlink wurde automatisch eingesetzt und noch nicht geprüft. Bitte prüfe Original- und Archivlink gemäß Anleitung und entferne dann diesen Hinweis. (PDF)
- ↑ Anmerkung: Der Kurzbegriff „Trimmer“, der hier für einen Trimmkondensator steht, kann zu Verwechslungen führen. Er wird im Bereich der elektronischen Bauelemente umgangssprachlich auch noch für „Potentiometer“ verwendet.
- ↑ Anmerkung: Werden Trimmkondensatoren in Serie zu einem Abstimm-Drehkondensator geschaltet, so werden sie „Padder“ genannt
- ↑ J. J. Carr: RF Components and Circuits. ISBN 0-7506-4844-9, S. 285, 285: Padder. (RF Components and Circuits)
- ↑ Capacitor Guide, Air Capacitor Capacitor Guide, Air Capacitor
- ↑ Handbuch der Elektronik. Franzis Verlag, München 1979, ISBN 3-7723-6251-6.
- ↑ WIMA ( des vom 5. November 2012 im Internet Archive) Info: Der Archivlink wurde automatisch eingesetzt und noch nicht geprüft. Bitte prüfe Original- und Archivlink gemäß Anleitung und entferne dann diesen Hinweis., Characteristics of Metallized Film Capacitors in Comparison with Other Dielectrics, abgerufen am 4. Dezember 2016.
- ↑ Epcos TDK (PDF; 1,1 MB) Film Capacitors, General technical information (PDF; 1,3 MB), abgerufen am 4. Dezember 2016.
- ↑ Dielectric Comparison Chart. (PDF; 157 kB) AVX; abgerufen am 4. Dezember 2016.
- ↑ Qizheng Gu: RF Tunable Devices and Subsystems: Methods of Modeling, Analysis, and Applications. Springer International Publishing, 2015, ISBN 978-3-319-09924-8.
- ↑ Alan R. Klase: Crystal Set Design 102. In: Skywaves. Alan Klase personal website, 1998, abgerufen am 10. Januar 2017.
- ↑ George Washington Pierce: Principles of wireless telegraphy. McGraw-Hill book company, New York 1910, S. 114 (mit Foto des Drehkondensators von Korda); Textarchiv – Internet Archive.
- ↑ Die wahre Geschichte des Drehkondensators. Redaktionsbüro Peter von Bechen, 16. März 2014, Der Beitrag Dr. Adolf Koepsels zur Entwicklung der Funktechnik
- ↑ Jogis Röhrenbude. Photosammlung historischer Drehkondensatoren
- ↑ Thomas H. Lee: The Design of CMOS Radio Frequency Integrated Circuits. 2. Auflage. 2004, S. 9–11.
- ↑ Martin Clifford: The early days of radio. In: Radio Electronics. Juli 1986, S. 61–64 (crystalradio.net [abgerufen am 12. Januar 2017]). on Stay Tuned website
- ↑ a b Jennings Capacitors, amstechnologies.com (PDF; 1,3 MB)
- ↑ Patent US2989671A: Voltage sensitive semiconductor capacitor. Angemeldet am 23. Mai 1958, veröffentlicht am 20. Juni 1961, Anmelder: Pacific Semiconductor Inc, Erfinder: Sanford H. Barnes, John E. Mann.
- ↑ Patent DE1296226B: Abstimm-Schaltungsanordnung mit einer Schaltdiode. Angemeldet am 9. Dezember 1967, veröffentlicht am 16. März 1978, Anmelder: Philips Patentverwaltung GmbH, Erfinder: Karl-Heinz Kupfer.
- ↑ H. A. G. Hazeu: Fifty years of Electronic Components 1921–1971. N. V. Philips Gloeilampenfabrieken, Eindhoven, The Netherlands, 1971.
- ↑ A. B. Grebene, H. R. Camenzind: Phase Locking As A New Approach For Tuned Integrated Circuits. In: ISSCC Digest of Technical Papers. 1969, S. 100–101.
- ↑ Philips-Datenblatt TDA 7010 (1983), „one chip“ UKW-Radio-IC pdf.datasheetcatalog.com (PDF)
- ↑ TDA 7000, Erfahrungsbericht radiomuseum.org und radiomuseum.org
- ↑ Philips Datenblatt TDA 935X/6X/8X (1996), „one chip“ TV-IC, datasheetarchive.de
- ↑ EEtimes Juni 1999, Serie „Ultimate One Chip Television“ family (part numbers TDA 935X/6X/8X) eetimes.com
- ↑ elektronicum, Amateurhandbuch für Nachrichtentechnik und Elektronik. Deutscher Militärverlag, 1966.
- ↑ a b c Oren Elliott Product Catalog orenelliottproducts.com (PDF)
- ↑ Dieter Nührmann: Werkbuch Elektronik: das große Arbeitsbuch mit Entwurfsdaten, Tabellen und Grundschaltungen für alle Bereiche der angewandten und praktische Elektronik. In: Franzis-Elektronik-Nachschlagewerk. Band 3. Franzis Verlag, München 1981, ISBN 3-7723-6543-4.
- ↑ Kurt Leucht: Kondensatorenkunde für Elektroniker. Franzis Verlag, 1981, ISBN 3-7723-1491-0.
- ↑ Drehkondensator. Datacom Buchverlag, abgerufen am 14. Januar 2017.
- ↑ Polyvaricons, Trackingless Type, For AM/FM 2-Band, AM Narrow-Band; Polyvaricons (PDF)
- ↑ Literaturangebot ( des vom 15. Januar 2016 im Internet Archive) Info: Der Archivlink wurde automatisch eingesetzt und noch nicht geprüft. Bitte prüfe Original- und Archivlink gemäß Anleitung und entferne dann diesen Hinweis. VoltronicsCorp.com (englisch); abgerufen am 17. Januar 2017.
- ↑ Michael Edelmann: Herstellung eines Vernier-Kondensators. Abgerufen am 13. November 2008.
- ↑ Abbildung eines alten Quetsch-Trimmers. Manfred Hein, abgerufen am 16. April 2017.
- ↑ Hanns Günther, Manfred von Ardenne: Handbuch der Funk-Technik. Franckh’sche Verlagshandlung, Stuttgart 1935, S. 90 (Quetschkondensator).
- ↑ Franz Fuchs: Grundriß der Funktechnik. 22. Auflage. R. Oldenbourg, München / Berlin 1936, S. 73.
- ↑ Valvo-Handbuch, Kondensatoren, Lineare und nichtlineare Widerstände. 1967, Abschnitt Trimmerkondensatoren
- ↑ Valvo-Handbuch Kondensatoren, lineare und nichtlineare Widerstände. Abschnitt Trimmerkondensatoren, 1969.
- ↑ a b Tronser, Luftplattentrimmer
- ↑ a b Murata, Trimmer Capacitors FAQ murata.com
- ↑ a b Johanson, LASERtrim® tuning capacitors, johansontechnology.com
- ↑ Johanson, Trimming Characteristics of LASERtrim® Chip Capacitor johansontechnology.com
- ↑ a b Sprague-Goodman, Pistoncap precision trimmer capacitors wix.com (PDF; 518 kB)
- ↑ Alfred Tronser, Mikrowellen-Abstimmelemente, tronser.de
- ↑ a b Exxelia, Microwave tuning elements exxelia.com ( des vom 19. Dezember 2016 im Internet Archive) Info: Der Archivlink wurde automatisch eingesetzt und noch nicht geprüft. Bitte prüfe Original- und Archivlink gemäß Anleitung und entferne dann diesen Hinweis.
- ↑ WVS-Technology, Vakuum-Kondensatoren ( des vom 16. Januar 2009 im Internet Archive) Info: Der Archivlink wurde automatisch eingesetzt und noch nicht geprüft. Bitte prüfe Original- und Archivlink gemäß Anleitung und entferne dann diesen Hinweis.
- ↑ Jennings, Vacuum Capacitor Characteristics jenningstech.com
- ↑ AVX avx.com
- ↑ CTS Tusonics daitron.co.jp (PDF)
- ↑ Kyocera kyocera.com (PDF)
- ↑ L-Tek l-tek.si
- ↑ Mitsumi py2bbs.qsl.br (PDF)
- ↑ Polyflon polyflon.com
- ↑ Sanshin Electric Company perfectelectronicparts.com
- ↑ Sumida sumida.com
- ↑ Vishay vishay.com
- ↑ Voltronics knowlescapacitors.com ( des vom 7. Januar 2016 im Internet Archive) Info: Der Archivlink wurde automatisch eingesetzt und noch nicht geprüft. Bitte prüfe Original- und Archivlink gemäß Anleitung und entferne dann diesen Hinweis.
- ↑ a b Philips/NXP Varicap Diode BB 212 html.alldatasheet.com
- ↑ Electrical Engineering, How to properly connect and drive varicap diodes
- ↑ L.-Y. V. Chen, R. Forse, D. Chase, R. A. York, 2004 IEEE MTT-S Digest, Analog Tunable Matching Network Using Integrated Thin-Film BST Capacitors (PDF) ( des vom 16. April 2017 im Internet Archive) Info: Der Archivlink wurde automatisch eingesetzt und noch nicht geprüft. Bitte prüfe Original- und Archivlink gemäß Anleitung und entferne dann diesen Hinweis.
- ↑ a b c d S. Kwon, W. Hackenberger, E. Alberta, E. Furman, M. Lanagan: Nonlinear Dielectric Ceramics and Their Applications to Capacitors and Tunable Dielectrics. In: IEEE Electrical Insulation Magazine. March/April 2011, doi:10.1109/MEI.2011.5739422
- ↑ Xu Wang: Tunable Microwave Filters using Ferroelectric Thin Films. etheses.bham.ac.uk (PDF)
- ↑ ST’s Parascan™ Tunable Integrated Capacitors (STPTIC) st.com
- ↑ E. L. Chuma: Digitally Tunable Band-Pass Filter. arrl.org (PDF; 1,2 MB)
- ↑ Intersil intersil.com ( des vom 16. April 2017 im Internet Archive) Info: Der Archivlink wurde automatisch eingesetzt und noch nicht geprüft. Bitte prüfe Original- und Archivlink gemäß Anleitung und entferne dann diesen Hinweis.
- ↑ IXIS, ixysiss.com
- ↑ Peregrine Semiconductor, psemi.com
- ↑ RF Micro Devices Inc; rfmd.com (PDF)
- ↑ Jeffrey Funk: Sensors, MEMS, Internet of Things, Workshop May 2012. slideshare.net
- ↑ Patent DE4241045: Verfahren zum anisotropen Ätzen von Silicium. Angemeldet am 5. Dezember 1992, veröffentlicht am 26. Mai 1994, Erfinder: F. Lärmer, A. Schilp.
- ↑ Anmerkung: Im Sinne der Definition variabler Kondensatoren, deren Kapazität in definierten Grenzen stufenlos und reproduzierbar einstellbar ist, entfallen an dieser Stelle damit die durch äußere Krafteinwirkung funktionierenden MEMS-Kondensatoren, die beispielsweise in Airbag-Sensoren eingesetzt werden, weil bei diesen nur die Kapazitätsänderung bei fixierter Spannung genutzt wird.
- ↑ a b Oddvar Søråsen: INF5490 RF MEMS, L13: RF MEMS capacitors. Powerpoint Präsentation, Department of Informatics, UoO, S2008, uio.no (PDF; 6,8 MB)
- ↑ S. H. Pu, A. S. Holmes, E. M. Yeatman, Optical and Semiconductor Devices Group, Department of Electrical & Electronic Engineering, Imperial College London, Design And Simulation Of Zipping Variable Capacitors (PDF)
- ↑ U. Shah, M. Sterner, J. Oberhammer: Multi-Position RF MEMS Tunable Capacitors Using Laterally Moving Sidewalls of 3-D Micromachined Transmission Lines. (PDF) IEEE Transactions On Microwave Theory And Techniques, Vol. 61, No. 6, June 2013
- ↑ Automatic Digital Antenna Tuning Fits Multiple Wireless Applications. Abgerufen am 16. April 2017.
- ↑ G. M. Rebeiz: RF MEMS, Theory, Design and Technology. John Wiley & Sons, 2003, ISBN 0-471-20169-3.
- ↑ Erwin Böhmer, Dietmar Ehrhardt, Wolfgang Oberschelp: Elemente der angewandten Elektronik: Kompendium für Ausbildung und Beruf. 16. Auflage. Vieweg+Teubner, 2010, S. 69.
- ↑ Beuth Verlag Beuth publishing DIN