Dreiphasengleichrichter

Dreiphasengleichrichter, auch Drehstromgleichrichter, sind elektronische Gleichrichterschaltungen, die Dreiphasenwechselstrom in Gleichstrom umwandeln. Sie werden vor allem im Bereich der elektrischen Energietechnik bei mittleren Leistungen bis in den Hochleistungsbereich eingesetzt, beispielsweise zur Versorgung der mit Gleichstrom betriebenen Straßenbahnen aus dem Dreiphasenwechselstrom liefernden Stromnetz, bei Drehstrom-Lichtmaschinen von Kraftfahrzeugen oder in Form von erweiterten Wechselrichtern im Bereich der Hochspannungs-Gleichstrom-Übertragung (HGÜ).

Dreiphasengleichrichter weisen aufgrund der Einspeisung mit drei phasenverschobenen Wechselspannungen bei sonst gleicher Leistung und Filterung eine kleinere Brummspannung auf als Gleichrichter für einphasige Wechselspannung. Weitere Vorteile sind der im Vergleich zu einphasigen Gleichrichtern eher sinusförmige Eingangsstrom sowie die dadurch geringe Belastung des Versorgungsnetzes mit Verzerrungsblindleistung bzw. die geringeren Oberschwingungen.

Allgemeines

Um die Brummspannung auf der Gleichspannungsseite klein zu halten, werden wie bei den einphasigen Wechselspannungsgleichrichtern Glättungskondensatoren und Speicherdrosseln eingesetzt. Für den Einsatz von bestimmten Dreiphasengleichrichtern sind bei einigen Schaltungen Dreiphasenwechselstrom-Transformatoren nötig, welche funktionell mit der Schaltung verbunden sind. Im Bereich der Energietechnik wie HGÜ-Anlagen werden diese Transformatoren auch als „Stromrichtertransformator“ bezeichnet.

Eine Erweiterung des Dreiphasengleichrichters mit einem kombinierten Schaltnetzteil zur Reduktion des Oberschwingunganteils und Nachbildung des sinusförmigen Stromverlaufes auf der Wechselspannungsseite stellt der Vienna-Gleichrichter dar.

Typen

Dreiphasengleichrichter können als Mittelpunkt- sowie als Brückenschaltungen (Drehstrombrücken) aufgebaut werden.[1] Die weitere Unterteilung erfolgt durch die sog. Pulszahl. Diese gibt an, wie viele Gleichrichterzweige innerhalb der Zeit einer Periode leitend werden. Durch Gleichrichterschaltungen mit einer möglichst hohen Pulsanzahl sinkt die Brummspannung, allerdings steigt bei höherer Pulsanzahl der Schaltungsaufwand. Die Restwelligkeit errechnet sich aus dem Verhältnis der die Gleichspannung überlagernden Wechselspannung (als Effektiv- oder Spitze-Tal-Wert) zu dem jeweiligen Gleichrichtwert :

Schaltung Gleich­richtwert Gleich­richtwert
(Niederspan­nungsnetz)
Wechselanteil
(Effektivwert, Niederspan­nungsnetz)
Welligkeit
(aus Effek­tivwert)
Wechselanteil
(Spitze-Tal-Wert,
Niederspan­nungsnetz)
Schwankungs­welligkeit
(aus Spitze-Tal-Wert)
Frequenz
des Wechsel­anteils
M3 (dreipulsig) 1,170 269 V 115 V 42,8 % 163 V 60,5 %
B6 (sechspulsig) 2,339 538 V 53,4 V 9,5 % 75,5 V 14 %
B6-2S (zwölfpulsig) 4,678 1076 V 10,8 V 1,0 % 36,6 V 3,4 % 12×

Mittelpunktschaltungen

Ungesteuerte Dreipuls-Mittelpunktschaltung (M3U)

Die ungesteuerte Dreipuls-Mittelpunktschaltung ähnelt dem Zweipol-Brückengleichrichter (B2U) und ist der einfachste Dreiphasengleichrichter (auch Dreipulsgleichrichter). Die Kathoden dreier Dioden bilden den Pluspol, der Sternpunkt der Sekundärwicklung des Trafos (bei Betrieb an Netzspannung der Neutralleiter des Stromversorgers) den Minuspol. Bei allen Phasen wird nur die positive Halbschwingung genutzt und deren Summe als pulsierende Ausgangsgleichspannung verwendet. Nachteilig sind die hohe Restwelligkeit (60,5 % ohne Siebkondensator) sowie deren niedrige Frequenz (dreifache Netzfrequenz).[2][3]

Die Scheitelwerte dieser dreipulsigen Gleichspannung (325 V bei direktem Betrieb am Netz mit Niederspannung) berechnen sich aus dem jeweiligen Effektivwert bzw. der Strangspannung der drei Halbwellen (230 V bei direktem Betrieb im Niederspannungsnetz) mit . Der arithmetische Mittelwert der gleichgerichteten Spannungen bzw. der ideelle Gleichrichtwert ergibt sich aus dem Integral unter dem Graphen einer positiven Halbwelle mit der Periodendauer (von 30° bis 150°):

Gleichspannungsverlauf

≈ 1,17 ⋅

Bei direktem Betrieb der Dreipuls-Mittelpunktschaltung im Niederspannungsnetz ergibt sich also ein Gleichrichtwert von 269 V.

Gesteuerte Dreipuls-Mittelpunktschaltung (M3C)

Die gesteuerte Dreipuls-Mittelpunktschaltung (C für engl. controlled) wird mit drei Thyristoren realisiert, die über eine Phasenanschnittsteuerung (ähnlich einem Dimmer) eine Spannungsregelung ermöglichen.

Sechspuls-Mittelpunktschaltung (M6)

Die Sechspuls-Mittelpunktschaltung wurde früher besonders bei mehrphasigen Quecksilberdampfgleichrichtern mit sechs Anoden eingesetzt. Da alle Kathoden auf dem gleichen Potential liegen, können sie im Quecksilberdampfgleichrichter konstruktiv zu einer gemeinsamen Kathode zusammengefasst werden. Der M6-Gleichrichter kann durch Parallelschaltung zweier M3-Schaltungen an einem sekundärseitig in Sternschaltung verschalteten Phasenschwenktrafo mit sechs Sekundärwicklungen aufgebaut werden. Der Gleichrichtwert errechnet sich dann nach der Formel:

≈ 1,35 ⋅

Ein weiteres Schaltungsdesign war die Mittelanzapfung am Dreiphasentrafo:

Drehstrombrücken

Die Drehstrombrücke stellt eine Form des Brückengleichrichters dar und nutzt jeweils beide Halbwellen eines Phasendurchlaufs zur Gleichrichtung. Die Drehstrombrücke ist die gebräuchlichste Form des Dreiphasengleichrichters, wobei die Sekundärwicklungen des Trafos wieder in Sternschaltung miteinander verkettet sind (sofern die Schaltung nicht direkt am Netz betrieben wird). Im Gegensatz zur M3U-Schaltung ist der Sternpunkt jedoch nicht mit der Drehstrombrücke verbunden, insofern die Ströme ausschließlich zwischen den Außenleitern fließen.[4][5]

Ungesteuerte Drehstrombrücke (B6U)

Die ungesteuerte Drehstrombrücke bzw. Sechspuls-Brückenschaltung wird mit sechs Leistungsdioden realisiert und kann vereinfacht als Reihenschaltung zweier Dreipuls-Mittelpunktschaltungen aufgefasst werden.[6][7] Aus den Differenzen der momentanen positiven und negativen Außenleiterspannungen (Strangspannungen ) ergibt sich die pulsierende Gleichspannung, deren Pulse um 30° phasenverschoben sind:

Gleichspannungsverlauf

Der Gleichrichtwert ergibt sich aus dem Integral unter dem Graphen eines Gleichspannungspulses mit der Periodendauer (von 60° bis 120°) mit dem Scheitelwert :

≈ 2,34 ⋅

Bei direktem Betrieb der Sechspuls-Brückenschaltung im Niederspannungsnetz ergibt sich also ein Gleichrichtwert von 538 V. Die Scheitelwerte der sechspulsigen Gleichspannung (z. B. 563 V) ergeben sich aus den Scheitelwerten der Strangspannungen (z. B. 325 V) sowie dem einem Dreiphasensystem eigenen Verkettungsfaktor :

Gleichtaktspannung

Wird die Brückenschaltung symmetrisch betrieben, also als positive und negative Versorgungsspannung, so weist der ausgangsseitige Mittelpunkt der Brückenschaltung bzw. das isolierte Bezugspotential gegenüber dem Mittelpunkt des Trafos (bzw. dem Neutralleiter) einen Potentialunterschied in Form einer dreiecksförmigen Gleichtaktspannung auf. Aus diesem Grund dürfen die beiden Mittelpunkte niemals miteinander verbunden werden, da anderenfalls Kurzschlussströme fließen würden. Die Masse der Brückenschaltung ist daher vom Neutralleiter bzw. der Erde entkoppelt. Bei Betrieb am Trafo ist eine Erdung des Mittelpunktes der Brückenschaltung möglich, sofern die Sekundärwicklung des Trafos von der Netzeinspeisung galvanisch getrennt ist und der Sternpunkt der Sekundärwicklung somit nicht auf Erde liegt. In diesem Fall fließen allerdings (vernachlässigbare) Ableitströme über die Trafowicklungen.

Die Gleichtaktspannung bildet sich aus den jeweiligen momentanen Mittelwerten der Differenzen zwischen den positiven und negativen Strangspannungen, welche die pulsierende Gleichspannung bilden. Der Scheitelwert der Dreieckspannung beträgt ¼ des Scheitelwerts der Strangspannung (325 V bei Netzspannung) und errechnet sich aus abzüglich der halben Gleichspannung bei 60° der Periode:

= · 0,25 ≈ 325 V · 0,25 ≈ 81 V

Der Effektivwert der Gleichtaktspannung errechnet sich aus dem Formfaktor für Dreiecksschwingungen:

≈ 47 V

Wird die Schaltung unsymmetrisch betrieben, also als einfache Versorgungsspannung mit einem Pluspol, so pulsieren gegenüber dem Mittelpunkt (bzw. der Masse) der Einspeisung sowohl der Plus- als auch der Minuspol (bzw. das isolierte Bezugspotential) analog den positiven und negativen Kuppen der Strangspannungen. Der Scheitelwert der pulsierenden Spannung eines Pols gegen Erde beträgt dabei die Hälfte des Scheitelwerts der Strangspannung (also ≈ 163 V am Netz), der Effektivwert gegen Erde die Hälfte der Strangspannung (115 V am Netz). Die Differenzen der Strangspannungen ergeben jedoch wieder die sechspulsige Gleichspannung (über die Dauer einer Periode). Die strikte Trennung des Trafomittelpunktes vom Minuspol (bei sonstigen Kurzschlussströmen) bzw. eine mögliche Erdung des Minuspols bei Verwendung eines Trenntrafos gelten entsprechend der symmetrischen Beschaltung.

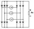
B6U mit 12 Dioden

Zwei B6U Gleichrichter können an den drei einzelnen Sekundärwicklungen (im Bild als Spannungsquellen dargestellt) eines Drehstrom-Trafos betrieben werden. Die Dioden dieser Schaltung können auch in Form dreier Graetzbrücken realisiert sein. Haben die Trafowicklungen Mittelanzapfungen, können diese zur Gewinnung eines Mittelpunktes einer symmetrischen Ausgangs-Gleichspannung herangezogen werden.

Halbgesteuerte Drehstrombrücke (B6H)

Die halbgesteuerte Drehstrombrücke (B6H) ist aufgebaut mit den Kathoden dreier Thyristoren am Pluspol und den Anoden dreier Leistungsdioden am Minuspol.

Gesteuerte Drehstrombrücke (B6C)

Die vor allem bei großen Lasten bis über 10 Megawatt eingesetzte vollgesteuerte Drehstrombrücke B6C (bzw. Sechspuls-Brückenschaltung) wird mit sechs Thyristoren realisiert, die über eine Anschnittsteuerung eine Spannungsregelung ermöglichen, beispielsweise zur stufenlosen Drehzahlsteuerung von Gleichstrommotoren.[8][9]

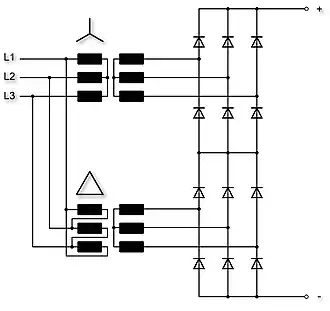
Zwölfpulsgleichrichter

Die Zwölfpulsschaltung wird über einen Phasenschwenktrafo mit sechs Sekundärwicklungen gespeist, wobei zur Erzeugung der Phasenverschiebung zwischen den beiden Brücken die (primär- oder sekundärseitigen) Windungen der einen Brücke nach dem Stern-Stern-, und die der anderen Brücke nach dem Stern-Dreieck-Prinzip geschaltet sind. Die Spannungen zwischen den Außenleitern eines Dreiphasensystems bzw. die Dreiecksspannungen sind dabei grundsätzlich um 30° gegenüber den Strangspannungen phasenversetzt. Die Windungsverhältnisse des Transformators müssen dabei so ausgelegt sein, dass die verschiedenen Spannungen der Stern- bzw. Dreieckschaltung ausgeglichen werden.[10][11]

Die Vorteile der Zwölfpulsschaltung sind die geringe Restwelligkeit beim Gleichrichterbetrieb bzw. der geringe Oberschwingungsanteil beim Wechselrichterbetrieb. Insbesondere treten nur Harmonische mit Frequenzen der zwölffachen Frequenz der Netzfrequenz (bei 50 Hz Netzfrequenz sind das 600 Hz) auf. Die Zwölfpulsschaltung kann mit zwei B6U Gleichrichtern in Reihen- oder Parallelschaltung aufgebaut werden:

  • In Reihenschaltung, auch als B6-2S Schaltung bezeichnet, ergibt sich eine doppelte Ausgangsspannung, die Stromstärke der Schaltung entspricht der Stromstärke der einzelnen Brücken:

B6-2S-Schaltung

  • In Parallelschaltung, auch als B6-2P Schaltung bezeichnet, ergibt sich ein hoher Ausgangsstrom, die Ausgangsspannung entspricht der Spannung der einzelnen Brücken:

Die Zwölfpulsschaltung wird für die Speisung von Hochspannungs-Gleichstromverbrauchern wie Elektronenröhren in Sendeanlagen verwendet. In Hochspannungs-Gleichstrom-Übertragungssystemen wird sie fast ausnahmslos verwendet, da sie eine geringe Restwelligkeit ergibt und so den Aufwand bei den auf Hochspannungspotential arbeitenden Oberschwingungsfiltern reduziert. Die Dioden sind durch Thyristoren oder IGBT realisiert, was den Betrieb als Gleich- oder als Wechselrichter ermöglicht.

Höherpulsige Gleichrichter

Eine unübliche Erweiterung stellen der 18-Puls- und 24-Puls-Gleichrichter dar. In den Fällen sind drei, bzw. vier sekundärseitige Drehstromwicklungen nötig, die addiert jeweils um 20° bzw. 15° versetzte Drehspannungssysteme bilden. Die Beträge bzw. die primär- oder sekundärseitigen Windungszahlen müssen dabei aufeinander abgestimmt sein. Wegen des höheren Schaltungsaufwands besitzen diese Formen nur eine untergeordnete Bedeutung.

Literatur

  • Rudolf Busch: Elektrotechnik und Elektronik: für Maschinenbauer und Verfahrenstechniker. 4. Auflage. Vieweg+Teubner, 2008, ISBN 978-3-8351-0248-4.

Einzelnachweise

  1. Ralph Kennel: Leistungselektronik, Grundlagen und Standardanwendungen. (PDF; 1,4 MB) TU München, abgerufen am 10. Januar 2017.
  2. Hans-Ulrich Giersch, Hans Harthus, Norbert Vogelsang: Elektrische Maschinen. Springer-Verlag, 27. Mai 2003, S. 66.
  3. eingeschränkte Vorschau in der Google-Buchsuche
  4. Rudolf Busch: Elektrotechnik und Elektronik. Springer-Verlag, 9. September 2015, S. 247.
  5. eingeschränkte Vorschau in der Google-Buchsuche
  6. Dierk Schröder: Leistungselektronische Schaltungen. Springer-Verlag, 23. Juli 2008, S. 89.
  7. eingeschränkte Vorschau in der Google-Buchsuche
  8. Wolfgang Courtin: Elektrische Energietechnik. Springer-Verlag, 2. Juli 2013, S. 250.
  9. eingeschränkte Vorschau in der Google-Buchsuche
  10. Joachim Specovius: Grundkurs Leistungselektronik. 4. Auflage. Vieweg + Teubner, 2010, ISBN 978-3-8348-1307-7, S. 174.
  11. eingeschränkte Vorschau in der Google-Buchsuche