Lichtmaschine



Eine Lichtmaschine ist ein elektrischer Generator – üblich ist ein Drehstromgenerator –, der vom Verbrennungsmotor angetrieben wird. Die Lichtmaschine liefert den elektrischen Strom für Verbraucher und Starterbatterie.
Die Bezeichnung Lichtmaschine ist historisch bedingt, da nach der Karbidbeleuchtung der Stromgenerator ausschließlich die Fahrzeugbeleuchtung mit Strom speiste. Die damals übliche Magnetzündung war davon unabhängig. Da der Motor lange Zeit mit einer Handkurbel angeworfen wurde, war kein Akkumulator erforderlich.
Weitere Bezeichnungen sind Alternator (Schweiz und slawischer Sprachraum), Generator, Stromerzeuger oder auch Dynamo. In der Kfz-Technik ist Generator die korrekte Bezeichnung, allerdings wird Lichtmaschine umgangssprachlich nach wie vor überwiegend verwendet.
Mechanischer Antrieb

Die Lichtmaschine wird vom laufenden Motor als Nebenaggregat oder über ein Reibrad von einem Rad des Fahrzeuges angetrieben. Der Antrieb erfolgt im Automobil und teilweise bei Motorrädern üblicherweise mit einem Riementrieb wie z. B. Keil- oder Keilrippenriemen. Wie bei vielen Motorrädern und Gasturbinen üblich, kann die Lichtmaschine auch beim PKW direkt mit der Kurbelwelle gekoppelt sein. Ebenfalls kann ihre Funktion auch mit der des Starters kombiniert werden (Startergenerator, Dynastart).
Ein Stromerzeuger wandelt mechanische Energie in elektrische Energie um, wobei die erforderliche mechanische Leistung annähernd proportional zur abgegebenen elektrischen Leistung ist. Bedeutende Verluste entstehen bei Drehstromlichtmaschinen durch Kupferverluste in den Wicklungen (Erregerwicklung im Läufer sowie Statorwicklungen) sowie durch Hystereseverluste im Stator-Blechpaket und im Gleichrichter. Hinzu kommen Verluste durch das Kühlgebläse und im Riemenantrieb. Geringere Verluste entstehen durch Reibung in Lagern, sowie abhängig von der Bauform am Kollektor oder den Schleifringen.
Bedingt durch Leichtbau weisen Fahrzeuglichtmaschinen keine hohen Wirkungsgrade auf. Erst durch Synchrongleichrichtung konnte der Wirkungsgrad (unter bestimmten Last- und Drehzahlverhältnissen) auf bis zu 80 %[1] gesteigert werden.
Lichtmaschinen mit Laderegler
Bei niedrigen Drehzahlen, zum Beispiel wenn der Motor im Leerlauf läuft, sinkt die von der Lichtmaschine erzeugte elektrische Leistung. Ist die im Fahrzeug benötigte Leistung der eingeschalteten Verbraucher höher, wird die Differenz aus der Fahrzeugbatterie entnommen, im umgekehrten Fall wird die Fahrzeugbatterie geladen. Um die abgegebene Spannung stabil zu halten und so auch die Überladung der Starterbatterie zu verhindern, muss die Lichtmaschine geregelt werden.
Die Spannung der Lichtmaschine würde bei konstanter Magnetfeldstärke stark mit der Drehzahl und auch der angeschlossenen Last schwanken. Um die Spannung zu regeln, wird bei elektrisch erregten Lichtmaschinen die Magnetstärke des Rotors gesteuert, und zwar über den elektrischen Strom, welcher durch den Rotor fließt. Ein elektronischer Laderegler (bis in die 1970er Jahre schalteten elektromechanische Regler mit Kontakten) vergleicht die Ist-Spannung im Bordnetz mit einer eingebauten Spannungsreferenz und steuert den Erregerstrom so, dass die Ladeschlussspannung der Starterbatterie eingehalten wird. Das sind im 12-V-Bordnetz üblicherweise 14,4 V. Der dazu erforderliche Erregerstrom ist umgekehrt proportional zur Drehzahl und ändert sich bei Belastung nur wenig. Weiterhin schützt der Regler die Lichtmaschine vor Überlastung und kann bei modernen Fahrzeugen mit dem Motormanagement kommunizieren, z. B. um den Motor vor dem vollen Laden zunächst warmlaufen zu lassen, die Leerlaufdrehzahl erforderlichenfalls zu erhöhen oder bei Vollgas zugunsten der Fahrzeug-Antriebsleistung abzuregeln.
Bei durch Dauermagneten erregten Lichtmaschinen (in vielen Motorrädern und auch Quads) wird die Ausgangsspannung in einem kombinierten Gleichrichter/Laderegler konstant gehalten. Thyristoren ermöglichen, ähnlich wie bei einem Dimmer, den Einschaltzeitpunkt in der leitenden Richtung so zu steuern, dass ein mehr oder weniger großer Teil der von der Lichtmaschine zur Verfügung gestellten Leistung gleichgerichtet und in das Bordnetz eingespeist wird. Bei dieser Bauart muss der Regler die gegenüber der Erregerleistung wesentlich größere Ausgangsleistung des Stromerzeugers (über einen weiten Drehzahlbereich) beeinflussen, was erst mit dem Aufkommen von Leistungshalbleitern möglich wurde. Vorteil dieser Bauart ist, dass sie ohne Schleifringe oder Kollektoren auskommt.
Ungeregelte Lichtmaschinen
An älteren Motorrädern und an Fahrrädern finden sich ungeregelte, permanenterregte Wechselstromgeneratoren zur Stromversorgung der bordeigenen Verbraucher. Eine gewisse Spannungsstabilisierung wird durch die Streuinduktivität der Wicklung erreicht; bei steigenden Drehzahlen bildet sich aufgrund der steigenden Frequenz auch ein höherer Serienwiderstand in Reihe zum Verbraucher. Dadurch findet eine sogenannte „Selbstregelung“ statt.
Bei Motorrädern kann der Rotor mit den Dauermagneten den innenliegenden Stator glockenförmig umfassen und so zugleich stärker zur Schwungmasse beitragen. Zur Versorgung der Zündanlage kann eine separate Spule in der Lichtmaschine angeordnet sein, entweder mit integrierter Hochspannungswicklung oder mit separater, außenliegender Zündspule.
Arten
Gleichstromlichtmaschine
.jpg)
Bis in die 1970er Jahre wurden Lichtmaschinen als Gleichstromgeneratoren ausgeführt. Im Stator wird durch die vom Erregerstrom durchflossenen Magnetspulen das Erregerfeld gebildet, in dem sich der Rotor dreht und dabei Wechselstrom erzeugt. Dieser wird durch den auf der Rotorwelle angeordneten Kollektor gleichgerichtet und über Kohlebürsten abgeleitet. Nachteilig ist dabei, dass die Kohlebürsten den vollen Ausgangsstrom des Generators übertragen müssen und daher relativ stark verschleißen. Zudem ist wegen des Kollektors und der auf dessen Lamellen wirkenden Zentrifugalkräfte die maximal zulässige Drehzahl einer Gleichstromlichtmaschine kleiner als die einer Drehstromlichtmaschine. Wegen des geringeren Übersetzungsverhältnisses des Antriebs durch den Fahrzeugmotor ist die Folge, dass erst bei höherer Motordrehzahl nennenswerte elektrische Leistung produziert wird. Bei ungünstigen Betriebsbedingungen mit einer großen Anzahl von eingeschalteten elektrischen Verbrauchern und häufig niedrigen Drehzahlen führte das zur Entladung der Fahrzeugbatterie. Mit zunehmender Verkehrsdichte und häufigeren Staus vor allem ab den 1960er Jahren wurde dieser Nachteil in der Praxis zunehmend schwerwiegend.
Vorteil der Gleichstromlichtmaschine ist, dass keine zusätzliche Gleichrichtung der erzeugten Spannung nötig ist. Das war vor der Verfügbarkeit von leistungsfähigen Halbleiterdioden ausschlaggebend für ihre Verwendung im Fahrzeugbau. Außerdem kann sie bei entsprechender Auslegung ohne Steuerelektronik als Motor zum Anlassen verwendet werden („Dynastart“). In diesem Fall ist sie direkt mit der Motor- bzw. Turbinenwelle gekoppelt.
Gleichstromlichtmaschinen waren bis Ende der 1960er Jahre vorherrschend in PKW, LKW und Reisezugwagen. Heute findet man sie noch als Anlassgenerator an Flugzeugturbinen, kleinen Gasturbinen sowie in manchen Hybridfahrzeugen.
Wechselstromlichtmaschine
Einige Fahrzeughersteller wie z. B. Citroën im 2CV und viele Hersteller englischer Motorräder statteten die Fahrzeuge mit Wechselstromlichtmaschinen aus.
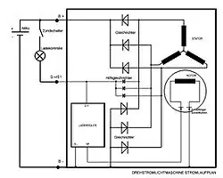
Drehstromlichtmaschine

Seit den 1970er Jahren haben sich Drehstromgeneratoren als Lichtmaschine durchgesetzt. Heute kommen dafür Klauenpolgeneratoren zum Einsatz. Gegenüber der Gleichstromausführung sind die Funktionen von Rotor und Stator vertauscht: Das Erregerfeld wird durch den Rotor erzeugt und induziert in den Spulen des Stators die dreiphasige Wechselspannung, die nach der Gleichrichtung dem Bordnetz zur Verfügung steht.
Gleichrichter
Der erzeugte Dreiphasenwechselstrom wird durch Leistungshalbleiter gleichgerichtet, die üblicherweise im Generator integriert sind. Seit ca. den 1990er Jahren sind Drehstromgeneratoren durch interne Zenerdioden vor Überspannungen geschützt (Load Dump). Ältere Ausführungen ohne diesen Schutz mussten bei laufendem Motor stets mit der Fahrzeugbatterie verbunden sein, um Schäden an den Gleichrichterdioden und am Fahrzeug zu verhindern. Hintergrund ist, dass der Regler aufgrund der hohen Induktivität der Erregerwicklung und der Streuinduktivität der Generatorwicklungen keine schnellen hohen Lastwechsel ausregeln kann. Die Starterbatterie sorgt als Puffer zum Abfangen der Spannungsschwankungen. Dennoch muss Kfz-Elektronik Überspannungen von etwa 40 V ertragen können.
Abfuhr der Verlustleistung
Die Lichtmaschine hat Verluste – ein Teil der mechanischen Antriebsleistung wird in Wärme umgesetzt. Bei ungenügender Wärmeabfuhr würde sich die Lichtmaschine überhitzen und dadurch zerstört werden.
Zur Abfuhr der Verlustleistung ist eine aktive Luftkühlung, bei manchen Generatoren auch eine Wasserkühlung (z. B. Mercedes-Benz W210, Renault Espace) vorhanden. Das Lüfterrad befindet sich auf der Generatorwelle, entweder außen zwischen Riemenrad und Lichtmaschine, oder bei der Ausführung als sogenannter Kompaktgenerator im Gehäuse selbst auf beiden Seiten des Stators.
Rotorausführung als Permanentmagnet

Diese Bauart kommt in vielen Motorrädern vor. Anstatt der Spulenwicklungen werden hier Permanentmagnete zur Erregung verwendet. Die Statorspulen sind dreiphasig verschaltet und nur drei Leitungen führen aus dem Gehäuse heraus. Der Regler ist extern verbaut. Der Vorteil gegenüber der üblichen Drehstromlichtmaschine sind die entfallenden Schleifringe. Die Regelung findet oft durch periodisches Kurzschließen der Statorspulen statt. Dadurch entstehen hohe Verlustleistungen[2], diese ergeben sich aus dem Spannungsabfall über dem Wirkwiderstand und dem Strom. Diese Generatoren laufen bei Motorrädern oft im Ölbad, was eine bessere Kühlung bewirkt.
Rotorausführung als Elektromagnet
Hier wird der Erregerstrom über zwei glatte Schleifringe zugeführt, seine Höhe und damit die im feststehenden Stator induzierte Spannung wird geregelt. Der Erregerstrom ist erheblich kleiner als der Ausgangsstrom des Generators, was kleinere Abmessungen der nötigen Kohlebürsten erlaubt und in einer höheren Lebensdauer resultiert. Darüber hinaus ist gegenüber dem Kollektor eines Gleichstromgenerators ein höheres Drehzahlniveau möglich, weshalb schon bei Leerlaufdrehzahl des Antriebsmotors eine erhebliche elektrische Leistung zur Verfügung steht. Auch wird wesentlich weniger Bauraum als für eine Gleichstromlichtmaschine vergleichbarer Leistung benötigt.
Ladekontrolllampe bei der Drehstromlichtmaschine



Die Ladekontrolllampe hat zwei Aufgaben:
- Anzeige der korrekten Funktion des Generators
- Fremderregung des Generators in der Anlaufphase
Im Normalfall leuchtet (bei Kfz) bei stehendem Motor und eingeschalteter Zündung die Ladekontrolllampe.
Die zweite Funktion der Lampe ist die Durchleitung bzw. Bereitstellung eines begrenzten Erregerstroms. Im Stand existiert im stromlosen Generator kein Magnetfeld. Da dieses für die Stromerzeugung notwendig ist, muss der Rotor mit Strom versorgt werden, damit sich in ihm ein Feld aufbauen kann. Dieser fließt von Klemme 15 (Zündungsplus) über die Ladekontrolllampe und die Schleifringe durch die Erregerwicklung und über Masse (Kl. 31) zurück zur Batterie (Minus). Die Glühlampe (4 W) begrenzt den Strom auf etwa 300 mA (ohne Lampe würden 2 bis 5 A fließen). Bei der Rotation des Läufers wird dann in der Statorwicklung eine Spannung induziert und übernimmt nun, über den Laderegler gesteuert, die Versorgung der Erregerwicklung des Rotors. Die Kontrolllampe erlischt somit bereits bei geringer Drehzahl, spätestens nach einmaliger, kurzzeitiger Drehzahlerhöhung aus dem Leerlauf heraus, da an der Lampe dann keine Spannungsdifferenz mehr vorhanden ist. Ein anderes Verhalten deutet auf Defekte am Generator (Gleichrichter, Kohlebürsten, Regler) oder einen Defekt der Lampe hin, vorausgesetzt die Bordbatterie ist nicht entladen.
Ist die Ladekontrolllampe defekt oder keine Batterie vorhanden/diese entladen, kann keine Fremderregung stattfinden, dann wird auch bei sich drehender Lichtmaschine keine Spannung erzeugt.
Bei manchen Drehstrom-Lichtmaschinen ist im Rotor ein schwaches Dauermagnetfeld vorhanden – der Klauenanker ist magnetisiert. Solche Maschinen können auch ohne Ladekontrolllampe starten. Es kann jedoch nicht davon ausgegangen werden, dass eine Lichtmaschine ohne Fremderregung in Betrieb gelangt. Bei Gleichstromlichtmaschinen ist aber Selbsterregung nicht ungewöhnlich, da dort die induzierte Spannung nicht die Durchlassspannung der Gleichrichterdioden überwinden muss, bevor sie zur weiteren Erregung beitragen kann.
Laderegler
- Siehe Hauptartikel: Laderegler
Die Schaltbilder zeigen einen „positiv regelnden“ (der Schalttransistor liegt in der Leitung von D+ zur Plusbürste) Schaltregler. Darüber hinaus gibt es auch sogenannte „negativ regelnde“ Schaltregler.
Der Laderegler hat folgende Aufgaben
- Regelung der von der Lichtmaschine erzeugten Spannung mittels des Erregerstromes
- Schutz vor Überlastung durch zu hohen Ausgangsstrom (bei Gleichstrom-Lichtmaschinen)
- Schutz vor Rückstrom (bei Gleichstrom-Lichtmaschinen)
Elektrische Leistung
Die maximale Abgabeleistung der Lichtmaschinen ist immer weiter gestiegen und liegt heutzutage bei manchen Fahrzeugen bereits bei über 3 kW. Das entspricht beim 12-V-Bordnetz einem Strom von über 250 A, bei 24-V-Bordnetzen (LKW) über 125 A. Diese Leistung ist erforderlich, weil viele Zusatzaggregate versorgt werden müssen, wie Kraftstoffpumpen und Heizungen, aber auch Aggregate moderner Motoren wie elektrische Ölpumpen oder magnetische Einspritzventile. Lichtmaschinen sind inzwischen bis 600 A (luftgekühlt) bzw. 1000 A (ölgekühlt) verfügbar.[3]
Klemmenbezeichnungen
Die Anschlüsse der Lichtmaschine in Kraftfahrzeugen haben folgende Namen oder Klemmenbezeichnung. Die Einheit Generator/Laderegler hat mindestens folgende drei Klemmen:
- B+ Batterie Plus, Klemme 30 (positiver Ladestromausgang)
- B− Batterie Minus, auch Klemme 31 (Masse bzw. gemeinsames negatives Bezugspotential, oft über das Gehäuse geführt)
- D+ Dynamo Plus, Klemme 61 (Ladekontrolllampe bzw. mit der Zündung geschalteter Pluspol)
Der Anschluss D+ muss zur Funktion der Lichtmaschine manchmal nicht beschaltet werden, dann sorgt ein kleiner Dauermagnet im Läufer oder dessen Restmagnetisierung für den Start des Generatorbetriebes.
Generatoren mit externem Regler bzw. ältere Maschinen tragen zusätzlich folgende Anschlussbezeichnungen:
- D− Dynamo Minus (ggf. getrennte Minusleitung für genauere Spannungsmessung an der Batterie)
- DF Dynamo Feld (Anschluss der Erregerfeldwicklung)
DF1 (Dynamo Feld 1) und DF2 (Dynamo Feld 2) oder auch J und K sind ggf. massefrei herausgeführte Feldwicklungsanschlüsse.
Die Klemme W dient zum Anschluss eines Drehzahlmessers und liefert eine Wechselspannung direkt vom Statorwickel zur Frequenzmessung (bei Dieselfahrzeugen erforderlich, weil es keine Zündimpulse gibt).
Bei manchen modernen Fahrzeugen besitzt der Generator neben dem B+-Anschluss lediglich LIN-BUS-Anschlüsse.
Siehe auch
- Mithilfe der Rombach-Schaltung lässt sich vermeiden, dass auch bei Stillstand stets ein Erregerstrom durch die Feldspule (Erregerwicklung) fließt, etwa wenn eine Lichtmaschine zur Stromerzeugung in einem Windgenerator dauerhaft in Bereitschaft gehalten wird.[4]
Literatur
Bücher
- Jürgen Kasedorf, Richard Koch: Service-Fibel für die Kfz-Elektrik. 14. überarbeitete Auflage. Vogel, Würzburg 2001, ISBN 3-8023-1881-1.
- Rudolf Hüppen, Dieter Korp: Autoelektrik – alle Typen. Motorbuchverlag, Stuttgart 1968, ISBN 3-87943-059-4.
Broschüren
- Bosch Technische Unterrichtung Generatoren. Robert Bosch GmbH, Stuttgart, VDT-UBE 301/1 De (1.80).
- Bosch Technische Unterrichtung Schaltzeichen und Schaltpläne der Kraftfahrzeugelektrik. Robert Bosch GmbH, Stuttgart, VDT-UBE 001/10.
Weblinks
Einzelnachweise
- ↑ https://de.bosch-automotive.com/de/parts_and_accessories/motor_and_sytems/starters_alternators_1/alternators_for_cars_1/starters_alternators_alternators Mitteilung der Firma Bosch auf deren web site, abgerufen am 21. Okt. 2017
- ↑ https://nippon-classic.de/ratgeber/tipps-tricks/funktionsweise-der-lichtmaschine-am-motorrad/ Jens Schultze: Lichtmaschinen mit Rotor als Permanentmagnet, abgerufen am 20. Okt. 2017
- ↑ http://www.power-trax.de/produkte/alternators/alternators.htm
- ↑ Christian Kuhtz (Hrsg.): Einfälle statt Abfälle – Heft 2 Windkraft – ja bitte!, Verlag Einfälle statt Abfälle, Kiel 2011, ISBN 3-924038-45-7