Flicker (Elektrotechnik)
Als Flicker werden elektrische Spannungsschwankungen in Stromnetzen bezeichnet, welche zu einer visuell wahrnehmbaren Schwankung der Leuchtdichte bei ungeregelten elektrischen Leuchtmitteln wie Leuchtstoff- und Glühlampen führen. Flicker ist eines von mehreren Kriterien zur Beurteilung der Spannungsqualität in Stromversorgungsnetzen und der Bewertung von Netzrückwirkungen von Verbrauchern in solchen Netzen.
Bei manchen LED-Lampen oder Leuchtstofflampen mit elektronischem Vorschaltgerät wird Flicker durch dessen Elektronik ausgeregelt und somit vermieden.
Flicker sind Schwankungen der Leuchtdichte von Lampen, die ihren Ursprung im Versorgungsnetz haben, während Lichtflimmern Schwankungen in der Helligkeit beschreibt, die durch die Konstruktion der Lampe bedingt sind.
Das Phänomen Flicker wurde empirisch ermittelt, daraus resultierend wurde eine sogenannte Flickerkurve entwickelt und im IEEE-Standard 519 abgelegt. Anhand dieser Kurve wird festgestellt, ob durch Glühlampen wiedergegebenes Flicker nicht merkbar, merkbar, aber nicht störend oder aber als störend wahrgenommen wird.[1]
Die Flickerkurve berücksichtigt, dass Spannungsschwankungen im Stromnetz und daraus resultierende Änderungen der Leuchtdichte an ungeregelten Leuchtmitteln abhängig davon subjektiv wahrgenommen oder als störend empfunden werden, welchen Zeit- und Amplitudenverlauf sie haben – die subjektiven Schwellen für Flicker hängen also von der Frequenz und der Stärke der Spannungsschwankungen ab. Die DIN EN 61000-4-15 beschreibt hierfür ein Modell aus einer Glühlampe, dem Auge und dem menschlichen Gehirn anhand einer fünfstufigen Verarbeitungskette.
Entstehung
Die Betriebsspannung in Stromversorgungsnetzen ist zeitlichen Schwankungen unterworfen. Regelmäßige Lastschwankungen größerer Verbraucher führen zu schwankenden Stromstärken im Netz. Diese Stromschwankungen verursachen abhängig von der Netzimpedanz einen schwankenden Spannungsabfall in den Leitungen. Zusätzliche Quellen für Spannungsschwankungen sind Intermodulationen im Bereich der Oberschwingungen der Netzfrequenz, welche durch die Verzerrungsblindleistung von nichtlinearen Verbrauchern verursacht werden.
Messung

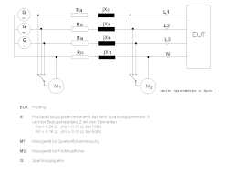
Für die reproduzierbare Messung der Flickeraussendung von Geräten ist eine Messschaltung, wie in nebenstehender Abbildung dargestellt, notwendig, um die durchschnittliche Netzimpedanz widerzuspiegeln. Grundsätzlich erfordern Flickermessungen laut Norm ein Netz mit bekannter, niedriger und zeitlich konstanter Quellimpedanz und ohne Variationen der Leerlaufspannung.
Die Anforderungen an die Flickermessgeräte sind in DIN EN 61000-4-15 spezifiziert. Das Flickermeter ist in fünf Funktionsblöcke unterteilt. Block 1 ist ein Spannungsregelkreis. In den Blöcken 2 bis 4 werden die 230 V/60 W-Glühlampe (Referenzlampe) und das menschliche Wahrnehmungssystem (Auge-Gehirn-Modell) nachgebildet[2]. Block 5 ist ein Statistik-Block zur Ermittlung der Flickerstärke nach dem -Verfahren.
Der Momentanwert des gemessenen Flickers wird in „Wahrnehmbarkeitseinheiten“ (engl. perceptibility unit) angegeben. Durch gewichtete Mittelung über verschiedene Zeiträume erhält man daraus folgende Größen[3]:
- – momentane Flickerwahrnehmung (engl. instantaneous)
- – Kurzzeit-Flickerstärke (engl. short term), ermittelt über ein Intervall von 10 Minuten.
- – Langzeit-Flickerstärke (engl. long term), ermittelt über ein Intervall von 2 Stunden aus dem kubischen Mittel von 12 aufeinanderfolgenden .
Grenzwerte
Für und werden für Verbraucher in DIN EN 61000-3-3 (≤ 16 A) und DIN EN 61000-3-11 (≤ 75 A) Grenzwerte definiert:
- des EUT darf den Wert von 1,0 nicht überschreiten.
- des EUT darf den Wert von 0,65 nicht überschreiten.
- der Spannungsquelle darf den Wert von 0,4 nicht überschreiten.
Abschätzung
Da eine analytische Berechnung des kaum machbar ist, gibt die DIN EN 61000-3-3 eine Formeln zur Abschätzung anhand der Laständerungen , der Dauer des Beobachtungsintervalls , einem Faktor für die Form der Spannungsänderung und der relativen Spannungsänderung an:
- ;
Die DIN EN 61000-3-3 gibt für verschiedene Kurvenformen an[4]. Diese Formel berücksichtigt jedoch nicht die Verteilung der Laständerungen entlang der Zeitachse und die daraus resultierenden Veränderungen im Frequenzbereich, da Laständerungen nur als Anzahl im Beobachtungsintervall eingehen.
Flicker im Verbundnetz
Während Flicker nach DIN EN 61000 sich mit Rückwirkungen einzelner Geräte auf die Spannungskonstanz eines lokalen Versorgungsnetzes befasst, betrachtet die DIN EN IEC 61400-21 Flicker in großräumigen Verbundnetzen durch Windkraftanlagen. Diese Form des Flickers entsteht durch das Zusammenwirken von Verbrauchern, der Netzimpedanz und nicht konstanten Quellen wie etwa Windkraftanlagen[3]. Daher spricht man bei der Beurteilung von Windenergieerzeugungsanlagen in diesem Zusammenhang auch von der Charakterisierung der Netzverträglichkeit.
Literatur
- DIN EN 61000-3-3:1994 + A1:2001 + A2:2005: Grenzwerte – Begrenzung von Spannungsänderungen, Spannungsschwankungen und Flicker in öffentlichen Niederspannungs-Versorgungsnetzen für Geräte mit einem Bemessungsstrom ≤ 16 A, die keiner Sonderanschlussbedingung unterliegen
- DIN EN 61000-3-11:2000: Grenzwerte – Begrenzung von Spannungsänderungen, Spannungsschwankungen und Flicker in öffentlichen Niederspannungs-Versorgungsnetzen – Geräte und Einrichtungen mit einem Bemessungsstrom ≤ 75 A, die einer Sonderanschlussbedingung unterliegen
- DIN EN 61000-4-15:1998 + A1:2003: Prüf- und Messverfahren – Flickermeter – Funktionsbeschreibung und Auslegungsspezifikation
- Wilhelm Mombauer: EMV Messung von Spannungsschwankungen und Flickern mit dem IEC-Flickermeter (VDE Schriftenreihe Band 109), ISBN 3-8007-2525-8
- Wilhelm Mombauer: Flicker in Stromversorgungsnetzen (VDE Schriftenreihe Band 110), ISBN 3-8007-2805-2
- Wilhelm Mombauer: Netzrückwirkungen von Niederspannungsgeräten, Spannungsschwankungen und Flicker (VDE Schriftenreihe Band 111), ISBN 3-8007-2806-0
Weblinks
Einzelnachweise
- ↑ IEEE519-2014 - IEEE Recommended Practice and Requirements for Harmonic Control in Electric Power Systems. Institute of Electrical and Electronics Engineers (IEEE), 2014, archiviert vom (nicht mehr online verfügbar) am 2. November 2014; abgerufen am 14. Februar 2017 (Kapitel 10.4). Info: Der Archivlink wurde automatisch eingesetzt und noch nicht geprüft. Bitte prüfe Original- und Archivlink gemäß Anleitung und entferne dann diesen Hinweis.
- ↑ Power Quality And Voltage Flicker Explained - The Electricity Forum. Abgerufen am 6. April 2021.
- ↑ a b Chapter 4 - Flicker, RVC & Unbalance - Power Quality Explained. In: NEO Messtechnik. 4. März 2021, abgerufen am 6. April 2021 (amerikanisches Englisch).
- ↑ Flicker kurz und bündig von der Solcept AG