LED-Leuchtmittel

Typische Bauform mit E27-Edison-Lampensockel
LED-Leuchtmittel mit seinen technischen Daten (Hinweis: die Energieeffizienzklasse erreicht mit 67 Lumen pro Watt nach Gesetzgebung September 2021[1] lediglich Stufe G)
Verschiedene Bauformen von LED-Lampen (2010)

LED-Leuchtmittel oder LED-Lampen sind elektrische Leuchtmittel (Lichtquellen), die zum Erzeugen des Lichts Leuchtdioden (kurz LEDs, von englisch light-emitting diodes) enthalten.

Wie auch die Kompaktleuchtstofflampen zählen sie zu den energiesparenden Leuchtmitteln (ESL). Die Nutzungsdauer von LED-Leuchtmitteln wird mit bis zu 50.000 Stunden angegeben – bei 2700 K Farbtemperatur erreichen Glühlampen hingegen nur eine Lebensdauer von etwa 1000 bis 2000 Stunden. Außerdem benötigen LED-Lampen bei gleicher Helligkeit weniger elektrische Leistung. Sie erzielen also einen höheren Wirkungsgrad beziehungsweise sie haben eine höhere Energieeffizienz (bessere Lichtausbeute). Betrachtet über ihre gesamte Nutzungsdauer sind sie, obwohl sie in der Regel teurer sind, aufgrund der geringeren Betriebskosten (Energiekosten und Aufwand für Austausch) bei Einhaltung der Spezifikationen wirtschaftlicher als andere Leuchtmittel.

Bauformen

Retrofitlampen

LED-Retrofitlampen mit unterschiedlichen Lampensockeln ersetzen konventionelle Lampen. Dies gilt sowohl in der Gebäude- wie auch in der Kraftfahrzeugtechnik.[2] Es gibt eine große Auswahl von Lampen in unterschiedlichen Lichtfarben und Abstrahlwinkeln, die sich im Wesentlichen in drei Kategorien unterteilen lassen:

Ersatz für ungebündelt abstrahlende Lampen

Retrofits für die europäische Gebäudetechnik in der Form klassischer Glühlampen haben in der Regel einen Schraubsockel mit einem Edisongewinde. Auch LED-Leuchtmittel mit ein- oder zweiseitigen Stecksockeln sind erhältlich. Bei Kfz-Lampen kommen meist gegen Erschütterungen unempfindlichere Bajonettsockel oder Stecksockel mit Sicherungsbügel zum Einsatz.

Ersatz für Reflektorlampen

Bei Reflektorlampen ist der Lampenschirm in einem bestimmten Bereich reflektierend beschichtet. Projektionslampen mit dem Leuchtmittel im Brennpunkt einer Innenverspiegelung werden meist als Strahler eingesetzt. Sogenannte Kuppelspiegellampen oder Kopfspiegellampen (KSL) mit dem Leuchtmittel im Mittelpunkt einer spiegelnden Halbkugelschale hingegen werfen das Licht in Richtung des Sockels und werden daher oft neben spiegelnden Oberflächen verbaut. Beide beschriebenen Arten der konventionellen Reflektorlampen lassen sich durch LED-Reflektorlampen ersetzen.

Ersatz für stabförmige Leuchtstofflampen

Stabförmige LED-Leuchtmittel haben gegenüber herkömmlichen Leuchtstofflampen in der Regel eine höhere Energieeffizienz, sie flackern nicht beim Einschalten und leuchten nach dem Einschalten sofort in voller Helligkeit.[3] Sie sind unempfindlich gegenüber Kälte, sind weniger zerbrechlich und enthalten kein Quecksilber. Nachteilig ist, dass sie nicht austauschkompatibel sind. Aus Sicherheitsgründen (Berührungsschutz beim Einsetzen) besitzen sie eine einseitige Stromzufuhr und am jeweils anderen Ende sind die Stifte kurzgeschlossen. Zum Austausch muss der Starter kurzgeschlossen werden (Ersatz durch eine baugleiche Kurzschlussbrücke). Bei manchen Leuchten (Leuchten mit EVG oder Duoschaltung) muss jedoch umverdrahtet werden, das Vorschaltgerät wird gebrückt oder entfernt. Das birgt die Gefahr, dass, wenn später versehentlich eine Leuchtstoffröhre eingesetzt wird, ein Kurzschluss durch die nun nicht strombegrenzte Gasentladung eintritt, wodurch die Lampe zerstört wird und eventuell sogar platzt. Wird das alte, konventionelle Vorschaltgerät (Drossel) nicht entfernt, bildet es im Stromkreis eine Reihen-Induktivität, die jedoch nur geringe zusätzliche Verluste verursacht, da die Systemleistung der LED-Retrofit-Lampe geringer ist. Die Drossel schützt die LED-Lampe vor Netztransienten. Durch den Umbau von Leuchten, die für Leuchtstofflampen hergestellt und geprüft wurden, erlischt die Herstellerhaftung. Dies bedeutet, dass der Ausführende im Sinne der Produkthaftung für mögliche Gefahren haftbar ist. Ein Umbau muss gekennzeichnet werden.

In der Regel strahlt eine LED-Röhre gerichteter ab, hat jedoch mit Stand 2021 einen geringeren Lichtstrom als die Leuchtstofflampe. Auch andere photometrische Eigenschaften der Leuchte, wie zum Beispiel der Farbwiedergabeindex und die Abstrahlcharakteristik werden durch den Retrofit-Einsatz verändert.

LED-Streifen und -bänder

LED-Streifen oder flexible LED-Module haben meist Vorwiderstände für den Betrieb an Gleichspannungen von 12 oder 24 V eingebaut. Sie können mit spannungsstabilisierten Netzteilen oder an Batterien betrieben werden. Die Streifen sind oft an gekennzeichneten Stellen teilbar, so dass ganzzahlige Abschnitte, bestehend beispielsweise aus drei LEDs und Vorwiderstand, beim Kürzen erhalten bleiben.[4] Durch die linienförmige Lichterzeugung auf sehr engem Raum bieten sie gestalterisch viele Möglichkeiten, die durch herkömmliche Lampen nicht oder nur schwer zu realisieren wären, wie die Beleuchtung einer Treppe durch unten in den Handläufen angebrachte LED-Streifen.

LED-Module

LED-Module sind Platinen, die mit mehreren LEDs bestückt sind. Sie können mit einer Optik und einem Kühlkörper ausgestattet sein. Zum Betrieb wird meist ein Vorschaltgerät benötigt. In LED-Leuchten sind ein oder mehrere LED-Module zur Lichterzeugung integriert.

LED-Beleuchtungen für die Bildverarbeitung

Seit etwa 15 Jahren werden in der industriellen Bildverarbeitung (IBV) hauptsächlich LEDs zu Beleuchtungszwecken eingesetzt. Gründe hierfür sind lange Lebensdauer, niedriger Stromverbrauch, daher auch geringe Wärmeentwicklung, kleine Abmessungen, gerichtetes Licht, hohe Stoß- und Vibrationsfestigkeit, gut schalt- und blitzbar. Durch kleine Bauformen sind viele verschiedene Beleuchtungstechniken realisierbar.

Weitere Bauformen

LED-Taschenlampen enthalten zum Teil keinerlei Strombegrenzung oder Elektronik. Dann wird der Strom durch den Innenwiderstand der Batterie begrenzt.

Für Hochleistungs-LEDs oder große Einheiten (zum Beispiel Straßenbeleuchtung) werden LED-Stromversorgungen (Baugruppen in offener Bauform oder mit geschlossenem Gehäuse) verwendet, die Konstantstrom liefern und oft (fern)gesteuert werden können.

Es werden auch LED-Konstantspannungs-Netzteile angeboten. An diesen können wie an anderen üblichen Spannungsquellen nur LED-Module mit integrierter Strombegrenzung betrieben werden. Solche Netzteile unterscheiden sich somit nicht von anderen Konstantspannungs-Netzteilen.

Zum Betrieb einer weißen LED (Flussspannung etwa 3,3 V) an einer einzelnen Alkali-Mangan-Zelle (1,5 V) oder einem NiMH-Akkumulator (1,2 V) werden Aufwärtswandler verwendet (z. B. in Solarleuchten und Taschenlampen).[5]

Für ein besseres Thermomanagement und damit eine längere Lebensdauer werden oft ein oder mehrere LED-Module fest in der Leuchte installiert. Es werden aber auch LED-Leuchten angeboten, bei denen das Modul durch Fachleute gewechselt werden kann. Wegen der geringen Wärmeabgabe und kleinen Bauform ermöglichen LEDs sehr schmale Leuchtendesigns.

Geschichte

Zwischen Anfang der 1970er-Jahre, als die ersten Leuchtdioden für Signalisierungsanwendungen auf den Markt kamen, bis Ende der 1990er-Jahre kam es zu einem exponentiellen Anstieg der Effizienz, ausgedrückt in Lumen pro Watt (lm/W) an zugeführter elektrischer Leistung. Diese Steigerung der Effizienz beschrieb Anfang der 2000er-Jahre eine Forschergruppe um Roland Haitz bei den Sandia National Laboratories:[6] Haitz prognostizierte bis zum Jahr 2010 Lichtausbeuten mit rund 100 lm/W und im Jahr 2020 um 200 lm/W.[7] Dieser Zusammenhang der exponentiellen Steigerung der Effizienz von Leuchtdioden in diesem Zeitbereich ist auch als Haitzsches Gesetz bekannt. 2006 wurden unter Laborbedingungen Lichtausbeuten von 100 Lumen pro Watt erzielt.[8]

Schema mit Farbverlauf der in Kelvin angegebenen Farbtemperaturen
Farbverlauf der in Kelvin (K) angegebenen Farbtemperaturen von LED-Leuchtmitteln

Ab 2007 kamen erste LED-Leuchtmittel für die üblichen E27- und E14-Lampensockel auf den Markt, sogenannte LED-Retrofits. Zunächst hatten sie einen Lichtstrom von nur bis zu 300 lm, was etwa einer konventionellen 30-W-Glühlampe[9] entspricht. Neben der für viele Zwecke ungenügenden Helligkeit wurde auch die anfängliche bläuliche („kalte“) Lichtfarbe kritisiert. Seit 2010 sind LED-Leuchtmittel in den Farbtemperaturen Warmweiß (2.700 bis 3.300 Kelvin), Neutralweiß (3.300 bis 5.300 K) und Tageslichtweiß (mehr als 5.300 K) erhältlich. Seit dieser Zeit sind auch sogenannte LED-Leuchtfadenlampen am Markt erhältlich, die aus einem klaren Glaskolben bestehen und historischen Glühlampen mit Einfachwendel nachempfunden sind, jedoch aus Dutzenden einzelner LEDs bestehen. Durch die Massenfertigung sanken die Kosten für die Herstellung von LED-Leuchtmitteln. Höhere Wirkungsgrade zur Effizienzsteigerung stehen nicht mehr im Vordergrund. Mehr Bedeutung kommt der Lichtqualität – auch in Kombination mit Lichtmanagementsystemen und Human Centric Lighting – zu.

Aufbau

Der Chip erzeugt das Licht. Er baut sich aus mehreren Halbleiterschichten – in der Regel epitaktisch abgeschieden – und Anschlusselementen auf. In der aktiven Schicht wird beim Betrieb der Diode über Gleichspannung Licht einer Wellenlänge (blaues Licht bei weißen LEDs) erzeugt. Elektronen und Löcher rekombinieren im Halbleiter. Die Elektrolumineszenz macht aus elektrischer Energie elektromagnetische Energie, also Licht. Üblicherweise beinhaltet ein Package neben dem Chip das Gehäuse, elektrische Kontakte und die Konversionsschicht (Leuchtstoff). Dieses Package wird zusammen mit dem Chip „LED“ genannt. Das Package umfasst auch Funktionen wie Schutzschaltungen, optische Linsen oder Elemente zur Wärmeabfuhr.[10]

Binning

Bedingt durch den Herstellungsprozess können LEDs eines Typs und Herstellers Farbunterschiede im direkten Vergleich aufweisen. Generell geben alle LED-Hersteller Farbtoleranzen an. Das Einteilen in verschieden fein abgestufte Klassen wird als „Binning“ bezeichnet. Bei weißen LEDs umfasst dieses hauptsächlich den Lichtstrom (Lumen, lm) oder die Lichtstärke (Candela, cd), die Spannung sowie den Farbort bei Nennstrom. Auch farbige LEDs werden mit selektierten spektralen Toleranzen angeboten. Informationen darüber, welchem „Bin“ (Selektionsgrad) welche Eigenschaften zugewiesen sind, kann man den Datenblättern der Hersteller entnehmen.[11]

Integrierte Stromversorgung

Zerlegtes Exemplar mit Versorgungsplatine, Kühlkörper und Edisonsockel
Leiterplatte mit miniaturisiertem Schaltnetzteil aus einem LED-Lampensockel
Innenleben einer E27-LED-Filamentlampe
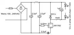
Stromlaufplan einer 6-Watt-LED-Lampe[12] mit Abwärtswandler

Zusätzlich zu den Leuchtdioden ist das im Lampengehäuse eingebaute Stromversorgungsmodul fester Bestandteil von LED-Leuchtmitteln. Das Vorschaltgerät[13] erzeugt aus der Netzspannung den für den Betrieb der verbauten LEDs notwendigen stabilisierten Gleichstrom mit deutlich niedrigerer Gleichspannung als die Netzspannung.

Bei meist kostengünstigen LED-Leuchtmitteln wird ein Kondensatornetzteil in den Lampensockel integriert. Der Nachteil ist, dass Netzspannungsschwankungen zu Helligkeitsschwankungen führen. Die Netzstromaufnahme ist nicht sinusförmig, sondern verzerrt.

Es gibt weiterhin analoge Konstantstromquellenschaltungen in den LED-Leuchtmitteln.[14] Der dazu beispielsweise verbaute IC PT6913[15] erreicht mit einem zusätzlichen Kondensator Flimmerfreiheit und netzspannungsunabhängige Helligkeit. Die Lösung erzeugt zwar Oberschwingungen, ansonsten aber keine Störemissionen. Die Effizienz ist prinzipiell betriebsspannungsabhängig – die Spannungsdifferenz zwischen LED-Kette und Netzspannung, multipliziert mit dem LED-Strom, wird in Wärme umgesetzt.

Bei qualitativ besseren LED-Leuchtmitteln und -Leuchten werden spezielle Schaltnetzteile eingesetzt. Übliche Schaltungstopologien sind Sperrwandler, Resonanzwandler und bei Leuchtmitteln insbesondere der nicht galvanisch trennende Abwärtswandler. Diese stellen oft eine stabile Helligkeit der LEDs sicher. Das Sperrwandler-Prinzip erleichtert einen Betrieb über einen weiten Bereich der Netzspannung, beispielsweise von 90 V bis 250 V. Schwankungen der Netzspannung und sogenannte Flicker werden kompensiert, was eine gleichmäßige Helligkeit unabhängig von Netzspannungsschwankungen erlaubt. Auch der temperaturabhängige Lichtstrom der LEDs kann kompensiert werden.

Innenaufbau einer 9-Watt-LED-Lampe für 230 V, Kunststoffkolben entfernt. Der Kelch dient als Kühlkörper.

Retrofits in Form von Leuchtstoffröhren haben in der Regel auch eine Strombegrenzung integriert. Wegen des Berührungsschutzes beim Einsetzen müssen LED-Retrofitröhren eine einseitige Stromzuführung haben – an der anderen Seite sind die Stifte, von der übrigen Schaltung isoliert, miteinander verbunden. Beim Tausch der konventionellen Röhre gegen LED-Röhren muss daher der Starter durch eine Brücke ersetzt werden. Ein konventionelles Vorschaltgerät verbleibt im Stromkreis, dessen strombegrenzende Induktivität wird nun nicht mehr benötigt. Es verursacht zwar Leistungsverluste, die aber wesentlich geringer sind als beim vorherigen Betrieb mit der Leuchtstofflampe, da die LED-Retrofit-Lampe weniger Strom benötigt. LED-Röhren in Leuchten mit elektronischen Vorschaltgeräten oder Tandemschaltungen mit einem konventionellen Vorschaltgerät zu betreiben, ist nicht ohne Umbau der Leuchte möglich. Die Vorschaltgeräte werden dabei überbrückt bzw. entfernt, was die Gefahr birgt, dass versehentlich wieder eine Leuchtstoffröhre eingesetzt wird, was zu ihrer Zerstörung führt und auch Personenschäden verursachen kann. Die Leuchten müssen daher gekennzeichnet sein, und der Ausführende ist als Errichter der Anlage voll verantwortlich auch für die Sicherheit der umgebauten Leuchte.[4]

Dimmbarkeit

Nur als solche gekennzeichnete Leuchtmittel sind dimmbar. Manche der verwendeten integrierten Schaltungen erkennen den Steuerwinkel eines vorgeschalteten Dimmers (Phasenanschnitt- oder -abschnittsteuerung) und reduzieren in Abhängigkeit vom gemessenen Winkel den LED-Strom.[16]

Leistungsdaten

Lichtausbeute

LED-Leuchtmittel erreichen mit Stand 2023 eine Lichtausbeute von unter 100 lm/W[17] bis über 200 lm/W.[18] Damit können LED-Leuchtmittel bis zu 30-mal so effizient wie herkömmliche Glühlampen (6–19 lm/W), bzw. 10-fach effizienter als Halogenlampen (19–22 lm/W), aber auch effizienter als Leuchtstofflampen mit ca. 89–104 lm/W sein.[19] Hocheffiziente LED-Leuchtmittel erreichen und übertreffen mittlerweile die Lichtausbeute von Natriumdampflampen, welche als Niederdrucklampe bis zu 200 lm/W erreichen, allerdings bei Farbwiedergabeindices (CRI) von nur 20 bis 25.

Leucht- und Stromdichte

Die Leistung pro LED-Chip kann durch höhere Stromdichte gesteigert werden. Dadurch sinken die Kosten und es können Anwendungen, die hohe Leuchtdichten erfordern (Bündelung), erschlossen werden. Mit höherer Stromdichte sinken jedoch Wirkungsgrad und Lebensdauer. Das resultiert sowohl aus einer höheren Temperatur des LED-Chips als auch des Leuchtstoffes. Die Anforderungen an die Kühlung steigen daher in gleichem Maße. Man verwendet Chip-on-Bord-Montage (COB-LED) und Leiterplatten mit Aluminiumkern. Die Lebensdauer reicht von einigen hundert Stunden bis zu über 50.000 Stunden und mehr.[20] Beim Design muss ein Kompromiss zwischen geringen Materialkosten, Effizienz und thermischer Belastung bzw. eingeschränkter Umgebungstemperatur gefunden werden. Die Leuchtdichte erreicht oder überschreitet diejenige von Glühlampen. Der Blauanteil des Spektrums (das ist der Strahlungsanteil der anregenden blauen LED) verursacht bei längerem Blick in das direkte, nicht gestreute Licht photochemische Schädigungen der Netzhaut des Auges. Eine thermische Schädigung der Netzhaut kann derzeit ausgeschlossen werden. Nach der Norm EN 62471 sind drei Risikogruppen vorgesehen (RG1 bis 3). Bei Risikogruppe 3 ist auch bei kurzzeitiger Exposition eine Schädigung zu erwarten, diese Gruppe wird derzeit von LEDs noch nicht erreicht. Die Risikogruppe 2 führt bei Betrachtungsdauern zwischen 0,25 und 100 s zur Schädigung und wird von LED-Produkten erreicht. Man geht jedoch davon aus, dass ein Abwenden oder ein Lidschlussreflex stattfindet.[21]

Abstrahlwinkel

Ein großer Abstrahlwinkel ist nicht immer sinnvoll
Ein großer Abstrahlwinkel ist nicht immer sinnvoll

Einzelne Leuchtdioden senden das Licht aus einem Kristallblock, der rückseitig aufliegt. Sie haben daher prinzipiell keine Rundum-Abstrahlung wie andere Leuchtmittel, sondern strahlen in einen Raumwinkel <2π. Das betrifft auch weiße Typen, bei denen das Licht einer blauen LED mittels eines umgebenden Leuchtstoffes in weitere Wellenlängen konvertiert wird, denn die Grenzfläche des Leuchtstoffes bildet bei SMD-LEDs meist eine Ebene mit dem Gehäuserand. Typische Abstrahlwinkel sind beispielsweise 120°. Ein größerer Abstrahlwinkel wird mit einer Anordnung aus mehreren LEDs (z. B. Filament-LED-Lampe oder LED-Streifen in Form einer Helix) oder Diffusoren erreicht. Ein kleinerer Abstrahlwinkel wird mit vorgesetzten Sammellinsen oder umgebenden Reflektoren erreicht.

Lichtstrom

Der Lichtstrom wird in Lumen (lm) gemessen. Er beschreibt die von der Lichtquelle in alle Richtungen abgestrahlte Leistung im sichtbaren Bereich. Für die Lichtplanung ist der Leuchtenlichtstrom entscheidend: Er berücksichtigt im Gegensatz zum Lampenlichtstrom bereits durch das Leuchtendesign bedingte Verluste.

Der Lichtstrom lässt über die Lebensdauer nach (Degradation typ. auf 70 % am Lebensdauerende), ist bei höheren Temperaturen geringer und sinkt hierbei schneller ab. Die Degradation und die Verschmutzung der Leuchte werden im Wartungsfaktor bei der Lichtplanung berücksichtigt.

Bei gleichem Lichtstrom ist die erzeugte Helligkeit einer Lichtquelle mit geringem Abstrahlwinkel größer als bei einer mit großem Abstrahlwinkel. Eine Aussage über die tatsächliche Ausleuchtung einer Arbeitsfläche kann daher nicht anhand des Lichtstromes getroffen werden; sie wird mit der Beleuchtungsstärke in Lux angegeben. Beispiel: Die herkömmliche E27-Glühlampe verbreitet das Licht in einem Winkel von etwa 280°.[22][23] Retrofitlampen mit diesem Sockel strahlen wegen ihres Aufbaus häufig weniger Licht in Sockelrichtung ab. Modelle mit LED-Filamenten weisen mit Glühlampen vergleichbare Abstrahlwinkel auf.

Lichtspektrum

Typisches Lichtspektrum einer weißen LED-Lampe (Farbtemperatur 3135 K, Farbwiedergabeindex 66), gemessen mit einem Handspektrometer

Weiße LED-Lampen enthalten eine blaue Leuchtdiode und gewinnen fehlende Spektralanteile mittels Fluoreszenz. Je geringer die Farbtemperatur (warmweiß), desto höher ist der Fluoreszenzlicht-Anteil, immer jedoch erscheint im Spektrum die Spitze der blauen LED. Das Spektrum ist stetig, jedoch unausgeglichen, daher besitzen LED-Lampen einen Farbwiedergabeindex von typischerweise 60 bis 80 Ra, (Zum Vergleich: Leuchtstofflampen 70 bis >90 Ra, Halogen-Metalldampflampen 85 Ra[24] bis >90 Ra, Xenon-Höchstdrucklampen >95 Ra[25], Glühlampen 100 Ra). Hohe Effizienz geht auf Kosten des Farbwiedergabeindex. Es gibt LED-Lampen mit Farbwiedergabeindex 95 Ra[26], sie haben im Neuzustand die Energieeffizienzklasse F und ihre Lebensdauer wird mit 15.000 h angegeben.

Da für die Bestimmung des allgemeinen Farbwiedergabeindex Ra nur die ersten 8 der 14 Testfarben nach DIN 6169 benutzt werden, kann die Farbwiedergabe einzelner Farben mangelhaft sein. Das betrifft insbesondere typischerweise die Farbe 5 (Türkisblau) und 9 (Rot gesättigt). Selbst LEDs mit 90 Ra weisen Schwächen bei gesättigtem Rot auf.[27]

Bei Filament-LED-Lampen mischt man zur besseren Farbwiedergabe in die LED-Kette („Faden“) einzelne rote LED.[28] Hierdurch kann die ansonsten typischerweise mangelhafte Wiedergabe satter Rot-Töne verbessert werden.

Lebensdauer und Degradation

Die Lebensdauer von LEDs und anderen Leuchtmitteln wird mit der Bemessungslebensdauer (L) angegeben. Diese Lichtquellen degradieren, und ihre Helligkeit lässt nach. Die Bemessungslebensdauer beschreibt, nach welcher Zeit der Lichtstrom auf den vom Hersteller angegebenen Wert sinkt, zum Beispiel 80 % des Neuwertes als L80. Die Lebensdauer wird meist für 25 °C Umgebungstemperatur angegeben,[29] was für viele Leuchten-Bauformen unrealistisch niedrig ist. Neben der normalen Alterung gibt es Früh- und Spontanausfälle. Die häufigsten Ursachen dafür sind bei den LEDs (Bondverbindung, Wärmeübergangswiderstand), in der Stromversorgung (Bauteilauswahl) oder der Konstruktion (Wärmemanagement, Kontakte, Lötstellen) zu finden.

Die Lebensdauer nach EU-Ökodesignverordnung, gültig seit März 2014, verlangt lediglich, dass wenigstens 90 % der Exemplare eines LED-Leuchtmittel-Modells nach 6000 Stunden noch leuchten und dann noch mindestens 80 % der ursprünglichen Helligkeit liefern. Zur Schaltfestigkeit wird wie bereits zuvor verlangt, dass ≥ 15.000 Ein-/Ausschalt-Zyklen ausgehalten werden, wenn die deklarierte LED-Lebensdauer ≥ 30.000 Stunden beträgt, sonst müssen die LED-Leuchten bzw. Leuchtmittel mindestens die Hälfte der Anzahl der angegebenen Leuchtstunden an Schaltzyklen aushalten. Die Frühausfallrate darf maximal 5 % nach 1000 Stunden betragen.[30]

Die Stiftung Warentest hat in einem 2017 beendeten Langzeittest festgestellt, dass als Gut getestete LED-Lampen auch nach mehr als 30.000 Brennstunden funktionierten. Sie strahlten fast gleichbleibend hell, hatten einen konstanten Farbwiedergabeindex und überstanden rund eine Million Ein- und Ausschaltvorgänge. Es gebe dabei keinen Zusammenhang zwischen der Qualität und dem Preis bzw. einem Markenprodukt und einem billigen markenlosen Angebot.[31]

Der LED- und Lampenhersteller Osram nennt in einer Applikationsschrift[32] unter anderem folgende Ursachen von Ausfällen:

  • Der Lebensdauerrückgang und die Degradation findet ab einer Chiptemperatur von etwa 80 bis 100 °C wesentlich schneller statt als bei niedrigen Temperaturen, bei denen die LEDs über 100.000 Stunden leben. Dementsprechend ist ein mit der LED- und der Lampenkonstruktion erzielbarer möglichst geringer Wärmeübergangswiderstand zwischen Chip, Wärmesenke und Umgebung entscheidend.
  • Die thermischen Spannungen aufgrund von Temperaturwechseln (verursacht durch Aus- und Einschalten) führen zum Versagen von Lötverbindungen. Dieser Ausfallmechanismus kann ebenfalls durch geringen Wärmeübergangswiderstand sowie die Materialwahl beeinflusst werden.

Vor- und Nachteile

LED-Leuchtmittel haben folgende Vorteile gegenüber Kompaktleuchtstofflampen, Leuchtstofflampen und Hochdruck-Gasentladungslampen:

  • sofortige volle Helligkeit nach dem Einschalten, auch bei tiefen Temperaturen
  • unempfindlicher gegen häufiges Aus- und Einschalten
  • teilweise höhere Lebensdauer
  • höchste Lichtausbeute, verbunden mit hohem Farbwiedergabeindex
  • gerichtete Strahlung, was die tatsächliche Lichtausbeute erhöht
  • geringere Wärmebelastung der Leuchte aufgrund eines höheren Wirkungsgrads und damit vergleichsweise geringer Abwärme
  • teilweise besserer Farbwiedergabeindex (insbesondere gegenüber Quecksilberdampf-Hochdrucklampen und Natriumdampf-Hochdrucklampen)
  • prinzipiell (jedoch bauartabhängig) stufenlos von 0 bis 100 % dimmbar ohne Effizienz- oder Lebensdauerverlust
  • keine UV- und Infrarotstrahlung
  • kein Quecksilber
  • hohe Vibrations- und Stoßfestigkeit, weitgehend bruchsicher[33]
  • niedrigere Gesamtkosten (Investitions- und Stromkosten) als bei anderen Leuchtmitteln[34]

LED-Leuchtmittel haben folgende Nachteile:

  • Die photochemische Schädigung der Netzhaut durch kaltweiße LED-Lampen führte bei Versuchen an Ratten zu Makuladegeneration, was zu Blindheit führen kann.[35][36][37]
  • Die hohe Leuchtdichte insbesondere im Blauanteil des Spektrums ist auch für das menschliche Auge gefährlich[38] und muss durch die Bauart der Leuchte oder der Lampe verringert werden. Hierzu gibt es die EU-Richtlinie 2006/25/EG.
  • Werden LED-Lampen mit neutral- oder tageslichtweißer Farbtemperatur im Übermaß eingesetzt, kann ihr hoher Blauanteil zur Lichtverschmutzung beitragen.[39] Warmweiße LEDs emittieren weitaus weniger Blauanteile und werden zur Vermeidung von Lichtverschmutzung empfohlen.[40]
  • Bei hohen Umgebungstemperaturen sinkt die Lichtausbeute und die Lebensdauer verkürzt sich.
  • LED-Leuchtmittel zeigen teilweise Lichtflimmern. Das Flimmern ist bauart- bzw. typabhängig.
  • LED-Lampen bestehen aus wertvollen Rohstoffen wie seltenen Erden, Gold und Kupfer, die nicht oder nur teilweise recycelt werden können.[41]

Entsorgung

Defekte oder ausgediente LED-Leuchtmittel müssen in Deutschland aufgrund des ElektroG im Elektronikschrott im Rahmen des Altlampen-Recyclings entsorgt werden. Auf diese Weise kann ein Teil der verwendeten Rohstoffe zurückgewonnen werden, insbesondere Aluminium (Kühlkörper) und Kupfer (Wickelgüter). Wertvolle Inhaltsstoffe wie Indium und Seltene Erden können derzeit noch nicht ökonomisch zurückgewonnen werden.

Sicherheit

Nicht gegen Berührung geschützte Kontakte einer Maiskolbenlampe mit E27-Sockel für 230 V

Die Sicherheit im Sinne des Schutzes der Anwender von elektrischen Betriebsmitteln wird in der europäischen Union in verschiedenen Regelwerken (Gesetzen, Verordnungen, Normen, Vorschriften und Richtlinien) definiert. Die Regeln beziehen sich oft auf elektrische Betriebsmittel generell, meist in Abhängigkeit zu der Nennbetriebsspannung, wie zum Beispiel bei der Niederspannungsrichtlinie 2014/35/EU.[42] Zum Teil werden sie aber auch produkt- oder anwendungsspezifisch erlassen.

Für Beleuchtungsanlagen (Lampen und Leuchten) sind folgende Bereiche relevant:[43]

  • elektrische Sicherheit
  • thermische Sicherheit
  • mechanische Sicherheit
  • Sicherheit bezüglich elektromagnetischer Verträglichkeit (EMV)
  • photobiologische Sicherheit
  • Sicherheit gegen chemische und sonstige Einwirkungen.

Zur mechanischen Sicherheit zählt auch der Berührungsschutz. Als der am häufigsten auftretende Mangel bei LED-Lampen wird vom VDE eine mangelhafte Isolierung von spannungsführenden Teilen beschrieben.[44] Insbesondere bei der Bauform der sogenannten Maiskolbenlampe (englisch corn lamp), aber auch als LED-Ersatz für Halogenstäbe gelangen Leuchtmittel gelegentlich und meist über den Online-Versandhandel auf den europäischen Markt, bei denen geltende Sicherheitsvorschriften in Bezug auf den Berührungsschutz nicht eingehalten werden. Beim Kauf von LED-Leuchtmitteln für den direkten Netzbetrieb sollte daher darauf geachtet werden, dass alle elektrischen Kontakte durch eine isolierende Abdeckung IEC-normgerecht gegen Berührung geschützt sind.[45][41]

Die photobiologische Sicherheit umfasst u. a. die photochemische Schädigung der Netzhaut durch kurzwellige Lichtquellen hoher Leuchtdichte. Auch in diesem Bereich können Gefährdungen von LED-Leuchtmitteln ausgehen. In einem Forschungsbericht zur photobiologischen Sicherheit von LEDs aus dem Jahre 2012 überschritten alle getesteten LEDs im sichtbaren Bereich den Leuchtdichtewert von 10.000 cd/m2. Dieser Wert gilt als Grenzwert, unterhalb welchem von keinerlei Gefährdung ausgegangen werden kann.[46] Ebenfalls bereits im Jahre 2012 kam eine weiße LED auf den Markt, die eine Leuchtdichte von 48 Mcd/m2 aufwies.[47] Bei vielen LED-Leuchtmitteln wird die Leuchtdichte durch opale Abdeckungen verringert. Dies setzt auch das Risiko einer photobiologischen Schädigung herab.

Die DIN EN 62471 VDE 0837-471 – Photobiologische Sicherheit von Lampen und Lampensystemen[48] ermöglicht die Beurteilung von Lichtquellen bezüglich unterschiedlicher photobiologischer Gefährdungen. Sie steht in Übereinstimmung mit der europäischen Richtlinie 2006/25/EG. Die gleiche Bewertung für Leuchten mit fest integrierten Lichtquellen wird durch die DIN EN 60598-1 VDE 0711-1[49] definiert. LED-Produkte und einer möglichen Gefährdung durch Blaulicht (Blue Light Hazard, Photoretinitis) werden dabei als Hauptzweck angeführt. In der DIN EN 62471 VDE 0837-471 werden für alle Gefährdungsarten Messverfahren sowie Grenzwerte der Strahldichte oder Bestrahlungsstärke genannt. So können Leuchtmittel in Risikogruppen (RG) der Stufen 0 bis 3 eingeteilt werden. Die RG2 als zweithöchste Gruppe beschreibt ein mittleres Risiko. Indem der Blick in die Lichtquelle als genügend unangenehm empfunden wird, wird eine Schädigung des Auges durch eine Abwendreaktion verhindert. In der kurzen Expositionsdauer (der Dauer bis zum Abwenden des Blickes von der Lichtquelle) wird das Auge durch die Strahlung bei Einhaltung von dem vorgegebenen Grenzwert der Strahldichte bzw. Bestrahlungsstärke nicht geschädigt.[50] In dem bereits erwähnten Forschungsbericht zur photobiologischen Sicherheit von LEDs aus dem Jahre 2012 wird in der Zusammenfassung dargelegt, dass die untersuchten Weiß- und Blaulicht emittierenden LEDs maximal die RG2 erreichen.[51]

Literatur

  • Dennis Köhler (Hrsg.): LED 2016 – Beiträge zur Technologie. 1. Auflage. Highlight, Rüthen 2016, ISBN 978-3-945220-18-4.
  • LED: Grundlagen – Applikation – Wirkung. In: licht.de (Hrsg.): licht.wissen. Band 17. Frankfurt 2018, ISBN 978-3-945220-03-0 (Online [PDF]).
  • Hans Rudolf Ris: Beleuchtungstechnik für Praktiker: Grundlagen, Lampen, Leuchten, Planung, Messung. 5. überarbeitete und erweiterte Auflage. VDE Verlag/Electrosuisse, Berlin/Offenbach 2015, ISBN 978-3-8007-3617-1, 3.10 LED – Light Emitting Diodes., S. 151–179.
  • Armin Scharf: Das Licht, das aus dem Halbleiter kommt: Die Leuchtdiode ist Stand der Technik. In: Deutsche Bauzeitung. Band 1–2/2015, 2015, S. 54–59 (Online).
  • Uwe Slabke: LED-Beleuchtungstechnik: Grundwissen für Planung, Auswahl und Installation. VDE Verlag, Berlin/Offenbach 2018, ISBN 978-3-8007-4451-0.
  • C. H. Zieseniß, F. Lindemuth, P. Schmits: Beleuchtungstechnik für den Elektrofachmann: Lampen, Leuchten und ihre Anwendung. 9. völlig neu bearbeitete Auflage. Hüthig, München/Heidelberg 2017, ISBN 978-3-8101-0394-9, 5 Leuchtdioden (LED), S. 65–72.
Commons: LED-Leuchtmittel – Sammlung von Bildern, Videos und Audiodateien

Einzelnachweise und Anmerkungen

  1. https://www.umweltbundesamt.de/themen/ab-1-september-2021-neue-energieetiketten-fuer Mitteilung des Umweltbundesamtes: Delegierte Verordnung (EU) 2019/2015 der Kommission vom 11. März 2019 zur Ergänzung der Verordnung (EU) 2017/1369 des Europäischen Parlamentes und des Rates in Bezug auf die Energieverbrauchskennzeichnung von Lichtquellen und zur Aufhebung der Delegierten Verordnung (EU) Nr. 874/2012 der Kommission, geändert durch die Delegierte Verordnung (EU) 2021/340 der Kommission vom 17. Dezember 2020 zur Änderung der Delegierten Verordnungen (EU) 2019/2013, (EU) 2019/2014, (EU) 2019/2015, (EU) 2019/2016, (EU) 2019/2017 und (EU) 2019/2018 in Bezug auf die Anforderungen an die Energieverbrauchskennzeichnung von elektronischen Displays, Haushaltswaschmaschinen und Haushaltswaschtrocknern, Lichtquellen, Kühlgeräten, Haushaltsgeschirrspülern und Kühlgeräten mit Direktverkaufsfunktion, abgerufen am 5. Mai 2023.
  2. Christian Frahm: LED-Nachrüstung für Autoscheinwerfer im Test. Der Spiegel (online), 22. Dezember 2018, abgerufen am 10. Februar 2020.
  3. Die Beleuchtung mit künstlichem Licht. In: licht.de (Hrsg.): licht.wissen. Nr. 01. Frankfurt 2016, ISBN 978-3-945220-03-0, S. 34 (Online [PDF; 5,2 MB; abgerufen am 29. August 2020]).
  4. a b ecobility.com (Memento des Originals vom 10. November 2017 im Internet Archive)  Info: Der Archivlink wurde automatisch eingesetzt und noch nicht geprüft. Bitte prüfe Original- und Archivlink gemäß Anleitung und entferne dann diesen Hinweis.@1@2Vorlage:Webachiv/IABot/www.ecobility.com Sicherheitshinweise für LED-Retrofit-Lampen und die Umrüstung von Leuchten der Fa. ecobility GmbH. Abgerufen am 9. Nov. 2017
  5. PREMA Semiconductor - Aufwärtswandler (Boost Driver). PREMA Semiconductor GmbH, abgerufen am 8. Januar 2017.
  6. Weiße Leuchte. elektroniknet.de, 14. April 2011, abgerufen am 20. August 2018.
  7. Roland Haitz, Fred Kish: The Case for a National Research Program on Semiconductor Lighting. (PDF) In: Sandia Report. Optoelectronics Industry Development Association, 1999;.
  8. Die Geschichte der LED. licht.de, abgerufen am 20. August 2018.
  9. Interpolation zwischen 25 W und 40 W, Lumen-Angaben nach EG-Verordnung Nr. 244/2009 vom 18. März 2009 zur Durchführung der Richtlinie 2005/32/EG des Europäischen Parlaments und des Rates im Hinblick auf die Festlegung von Anforderungen an die umweltgerechte Gestaltung von Haushaltslampen mit ungebündeltem Licht
  10. Das Grundprinzip der LED. licht.de, abgerufen am 20. August 2018.
  11. Binning garantiert konstante Lichtqualität. licht.de, abgerufen am 20. August 2018.
  12. dianyuan.com (PDF; 604 kB) sowie Reverse-Engineering
  13. Das Vorschaltgerät einer LED-Lampe hat Ähnlichkeit mit demjenigen einer Gasentladungslampe – es begrenzt und stabilisiert den Strom.
  14. Dominik Schuierer: Test: Retrofit Filament LED von Greens zerlegt. In: zerobrain.info. 6. Januar 2016, abgerufen am 7. Januar 2017.
  15. princeton.com.tw Datenblatt des PT9613
  16. Datenblatt dimmbarer LED-Treiber LM3445. Abgerufen am 8. Januar 2017
  17. Ledvance LED mit 80 lm/W. Abgerufen am 20. Juli 2023.
  18. Ledvance LED mit 213 lm/W. Abgerufen am 20. Juli 2023.
  19. Die Beleuchtung mit künstlichem Licht. In: licht.de (Hrsg.): licht.wissen. Nr. 01. Frankfurt 2016, ISBN 978-3-945220-03-0, S. 34.
  20. LED: Grundlagen – Applikation – Wirkung. In: licht.de (Hrsg.): licht.wissen. Nr. 17. Frankfurt 2018, ISBN 978-3-945220-18-4, S. 24.
  21. Karl Schulmeister, Hendrik Härter: Vereinfachte Sicherheitsbeurteilung von Leuchtdioden in ElektronikPraxis vom 30.10.2012, abgerufen am 23. Dez. 2019
  22. Vergleich: Abstrahlwinkel einer klaren Glühlampe und der ausgewählten LED-Lampe. Ehemals im Original (nicht mehr online verfügbar); abgerufen am 24. April 2018.@1@2Vorlage:Toter Link/www.ledon-lamp.com (Seite nicht mehr abrufbar. Suche in Webarchiven)
  23. 75W Frosted Incandescent Review. Messwerte einer matten Glühlampe. In: ledbenchmark.com. 11. Juni 2013, abgerufen am 24. April 2018 (englisch).
  24. Typ Osram 4ArXS HSD 250W/60
  25. Typ Osram XBO 100 W OFR
  26. Typ LEDVANCE AC32289
  27. Uwe Quast: Farbwiedergabeindex Ra LED - Color Rendering Index (CRI) Ra - Ratgeber, 16.02.20, abgerufen am 13. Nov. 2021
  28. Tobias Steinmann: Was bedeutet LED Filament? Alles über die neuen Fadenlampen, abgerufen am 15. Nov. 2021
  29. Lebensdauer von LED Leuchten. Abgerufen am 8. Januar 2017
  30. https://www.briloner.com/de/service/info-licht/index.php?navid=562397762580 Informatio der Firma Briloner Leuchten GmbH & Co. KG, abgerufen am 13. März 2020
  31. Stiftung Warentest: So schneiden gute LED-Lampen im Langzeittest ab. In: test.de vom 30. März 2017
  32. Thomas Lutz, Markus Ritzer: Zuverlässigkeit und Lebensdauer von LEDs, Applikationsschrift Nr. AN006 vom 26. Februar 2020
  33. Vorteile von LED Lösungen, schmitz-wila.com, abgerufen am 11. Juli 2021
  34. Wie teuer ist Ihre Beleuchtung? SWR, 18. Oktober 2016; abgerufen am 27. Oktober 2016.
  35. A. Krigel et al.: Light-induced retinal damage using different light sources, protocols and rat strains reveals LED phototoxicity. In: Neuroscience. Band 339, 2016, ISSN 0306-4522, S. 296–307, doi:10.1016/j.neuroscience.2016.10.015.
  36. LED-Lampen: Schädliches Licht für die Augen. In: ndr.de. 17. September 2018, abgerufen am 26. Mai 2019.
  37. Neue Studie zeigt: So gefährlich ist LED-Licht für die Augen. In: tz.de. 24. Mai 2019, abgerufen am 26. Mai 2019.
  38. Christoph Schierz: Blaulichtschädigung der Augen-Netzhaut – Stand der wissenschaftlichen Erkenntnisse, (PDF), Publikation der TU Ilmenau 2018, abgerufen am 23. Dezember 2019
  39. Nachtlicht: Straßenlaternen mit LED haben Schattenseiten In: welt.de, 13. August 2015, abgerufen am 5. Dezember 2017.
  40. LED Practical Guide. International Dark-Sky Association, abgerufen am 5. Dezember 2017 (englisch): „Use ‚warm-white‘ or filtered LEDs (CCT < 3,000 K; S/P ratio < 1.2) to minimize blue emission.“
  41. a b Verbraucherinfos zu LED-Beleuchtung der BAUA, abgerufen am 8. Januar 2017
  42. Leitfaden zur Richtlinie 2014/35/EU. (PDF; 1 MB) 1. November 2016, S. 20, abgerufen am 9. Februar 2020.
  43. Leuchtentechnik, Normung & Sicherheitsvorschriften - Elektrotechnik; Beleuchtungspraxis. TRILUX GmbH & Co. KG, abgerufen am 9. Februar 2020.
  44. Hendrik Schäfer: Verbraucherschutz – Beleuchtung. VDE Prüf- und Zertifizierungsinstitut GmbH, 17. Mai 2019, abgerufen am 9. Februar 2020.
  45. Nicole Krottenmüller: Vorsicht beim Kauf von Lampen mit nicht abgedeckten LEDs. Bayerisches Staatsministerium für Umwelt und Verbraucherschutz, 9. Oktober 2014, online, abgerufen am 9. Juli 2016
  46. Ljiljana Udovičić, Florian Mainusch, Marco Janßen, Et al.: Photobiologische Sicherheit von Licht emittierenden Dioden (LED). Hrsg.: Bundesanstalt für Arbeitsschutz und Arbeitsmedizin. 1. Auflage. Dortmund, ISBN 978-3-88261-726-9, S. 71 (baua.de [PDF; abgerufen am 23. Dezember 2019]).
  47. Weiße Multichip-LED mit 48 Mcd/m² Leuchtdichte@1@2Vorlage:Toter Link/www.channel-e.de (Seite nicht mehr abrufbar, festgestellt im November 2022. Suche in Webarchiven)  Info: Der Link wurde automatisch als defekt markiert. Bitte prüfe den Link gemäß Anleitung und entferne dann diesen Hinweis., Bericht in ChannelE vom 28.05.2013, abgerufen am 24. Dez. 2019
  48. DIN EN 62471 VDE 0837-471 – Photobiologische Sicherheit von Lampen und Lampensystemen (IEC 62471:2006, modifiziert); Deutsche Fassung. Beuth, März 2009.
  49. DIN EN 60598-1 VDE 0711-1 - Leuchten - Allgemeine Anforderungen und Prüfungen (IEC 60598-1:2014, modifiziert + A1:2017); Deutsche Fassung EN 60598-1:2015 + A1:2018. Beuth, September 2018.
  50. Photobiologische Sicherheit - Elektrotechnik; Beleuchtungspraxis. TRILUX GmbH & Co. KG, abgerufen am 9. Februar 2020.
  51. Ljiljana Udovičić, Florian Mainusch, Marco Janßen, Et al.: Photobiologische Sicherheit von Licht emittierenden Dioden (LED). Hrsg.: Bundesanstalt für Arbeitsschutz und Arbeitsmedizin. 1. Auflage. Dortmund, ISBN 978-3-88261-726-9, S. 87 (baua.de [PDF; abgerufen am 9. Februar 2020]).