Gegentaktendstufe
Eine Gegentaktendstufe ist eine elektronische Schaltung und wird im Bereich von Endstufen eingesetzt. Sie ist ein Teil einer Verstärkerschaltung und hat die Aufgabe, ein elektrisches Signal so weit zu verstärken, dass mit ihm angeschlossene Geräte betrieben werden können. Der Name ist davon abgeleitet, dass in der Schaltung zwei Bauteile in entgegengesetzter Weise arbeiten, wobei je nach Auslegung jeweils nur eines von beiden aktiv ist.
Allgemeines
Anwendungen von Gegentaktendstufen sind beispielsweise Audio-Verstärker, Spannungswandler oder Sender. Gegentaktendstufen werden mit Transistoren wie Bipolartransistoren oder Feldeffekttransistoren aufgebaut. Historische Bauformen nutzen Elektronenröhren.
Ein Arbeitswiderstand ist bei der Gegentaktschaltung nicht erforderlich. Dadurch wird im Vergleich mit anderen Schaltprinzipien ein deutlich höherer Wirkungsgrad erreicht. Bei Leistungsverstärkern ist das ein wesentlicher Vorteil gegenüber „Eintaktschaltungen“.
Eine spezielle Form der Gegentaktstufe ist die Brückenschaltung. Diese bietet den Vorzug, dass sich trotz einer unipolaren Spannungsversorgung sowohl positive als auch negative Spannung ausgeben lässt.
Komplementärendstufe

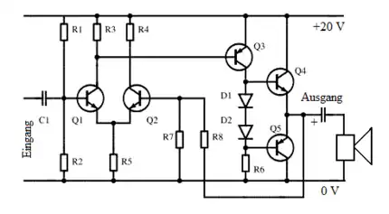
_DE.svg.png)
Das Bild zeigt die Grundschaltung einer Komplementärendstufe mit Eintaktansteuerung und unsymmetrischer Betriebsspannung. Von Vorteil ist hier, dass die gleichstrommäßige Reihenschaltung der Transistoren Q4 und Q5 die teuren Transformatoren überflüssig macht (eisenlose Endstufe). Es ist jedoch eine Basisvorspannung für die Endstufentransistoren notwendig, um die Übernahmeverzerrungen zu minimieren, was mit den beiden Dioden D1 und D2 erfolgt. Werden diese Dioden wärmeleitend mit den Transistoren verbunden, ändert sich die Flussspannung der Dioden in gleichem Maße wie die der Basis-Emitter-Strecken der Transistoren, was eine Arbeitspunktveränderung weitgehend kompensiert (Temperaturkompensation). Sowohl Q4 als auch Q5 leiten gerade noch keinen Ruhestrom, es liegt B-Betrieb vor. Durch eine höhere Basisvorspannung (z. B. mit drei Dioden) und durch Hinzufügen von Emitterwiderständen lassen sich auch Betriebsmodi mit Ruhestrom (AB- oder A-Betrieb) einstellen. Dabei nimmt die Signalqualität zu, allerdings steigt auch die Verlustleistung.
Schaltungsbeschreibung: R1=100 kΩ und R2=20 kΩ sorgen dafür, dass sich am Verbindungspunkt eine Spannung von 3,3 V einstellt. Q1 und Q2 bilden einen Differenzverstärker, der den Bruchteil R7/(R7+R8) der Ausgangsspannung mit diesen 3,3 V vergleicht und jede Abweichung sofort zum Anlass nimmt, über Q3 gegenzusteuern. Die Ausgangsspannung an der Verbindung von Q4 und Q5 soll die halbe Betriebsspannung betragen, damit der Aussteuerbereich nach oben und unten symmetrisch ist. Damit folgen die Werte R7=20 kΩ und R8=40 kΩ.
Damit durch den Lautsprecher nicht ständig Gleichstrom fließt, der ihn selbst und Q4 erhitzen würde, wird ein Elko von etwa 1000 µF in Reihe gelegt.
Wenn nun die Eingangsspannung um 1 V steigt, muss die Ausgangsspannung um 3 V steigen, damit der Differenzverstärker aufhört, über Q3 nachzusteuern. Die Schaltung verstärkt also die Spannung um den Faktor 3. Wenn die Eingangsspannung um 1 V ansteigt, muss die Signalquelle 1 V/20 kΩ=50 µA liefern. Q4 bzw. Q5 können aber sicher 10.000-mal mehr Strom aus dem Netzteil zum Lautsprecher leiten, also wird die Steuerleistung am Eingang 30.000-fach verstärkt.
Diese Innenschaltung ist mit geringen Modifikationen in vielen ICs zu finden, die alle Bauteile außer den beiden Kondensatoren enthalten. Bei 20 V Betriebsspannung kann die Ausgangsspannung maximal 10 V nach oben oder unten vom Mittelwert abweichen, das ermöglicht bei Sinusform einen Effektivwert der Ausgangsspannung von 7 V. Bei einem 4-Ohm-Lautsprecher beträgt dann die Maximalleistung 12 W. In der Praxis muss man noch knapp 1 W pro Leistungstransistor subtrahieren und kann dann mit 10 W rechnen.
Quasi-Komplementärendstufe

Die Quasi-Komplementärendstufe, im Bereich der Digitaltechnik auch als Totem-Pole-Ausgang bezeichnet, besteht aus zwei gleichartigen Transistoren oder Vakuumröhren und ist bei letzteren prinzipiell die einzige Möglichkeit zur Realisierung einer eisenlosen Gegentaktstufe. Bis in die 1970er Jahre wurden für die Realisierung von Quasi-Komplementärendstufe mittels bipolarer Transistoren zwei PNP-Transistoren verwendet, da es keine zuverlässigen Germanium-Leistungstransistoren in NPN-Ausführung gab. Mit dem Aufkommen von Leistungstransistoren auf Siliziumbasis wurde diese Schaltungsart auch für NPN-Transistoren verwendet, bis entsprechende Komplementärtypen verfügbar waren.
Quasikomplementärschaltungen werden für diskret aufgebaute Audioverstärker heute kaum noch verwendet. In integrierten Schaltungen hingegen spielen sie noch eine Rolle. Insbesondere TTL-Gatter benutzen die Totem-Pole-Schaltung als eine auf kurze Schaltzeiten optimierte Gegentaktendstufe am Ausgang.
Eine Beispielschaltung zeigt das Bild rechts: T2 und T3 bilden die Ausgangsstufe, wobei T2 als Kollektorschaltung und T3 in Emitterschaltung arbeitet. T1 dient als Treiber. Der Vorteil dieser Schaltung ist, dass kein NPN-PNP-Komplementärtyp mit identischen elektrischen Parametern erforderlich ist. Allerdings hat mittlerweile die CMOS-Technik TTL weitgehend verdrängt und arbeitet ausschließlich mit Komplementär-Transistoren.
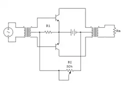
Gegentakt-Endstufe mit Transformator

Das Bild rechts zeigt eine Grundschaltung einer Gegentakt-B-Endstufe mit zwei npn-Transistoren. Die Gegentaktansteuerung erfolgt durch die charakteristischen beiden Übertrager, den Eingangstransformator und den symmetrischem Ausgangstransformator, der beide Halbwellen wieder zusammensetzt. Dieser Schaltungstyp ist heute besonders bei Röhrenendstufen verbreitet, bei Transistorverstärkern war er nur in der Anfangszeit (bis in die 1960er Jahre) bei Geräten noch mit pnp-Transistoren üblich.
Mit dem Basisspannungsteiler R1/R2 wird der Arbeitspunkt eingestellt: Die Spannung an R1 darf bei Siliziumtransistoren 0,55 V nicht überschreiten, sonst steigt der Ruhestrom stark an und die Transistoren können überhitzen. Die Arbeitskennlinie jeder Hälfte ist S-förmig. Die Kennlinie des Gegentaktverstärkers ergibt bei grafischer Addition eine zweifach S-förmige Kennlinie, woraus sich durch Fouriertransformation ein breites Oberwellenspektrum mit Dominanz der ungeradzahligen Oberwellen ergibt. Da die Gesamtschaltung durch keine Gegenkopplung linearisiert wird, ist mit Verzerrungen zu rechnen.
Weblinks
- Schaltungsanalyse einer Komplementär-Endstufe
- Gegentakt-Endstufe ohne Ruhestrom – elektronik-kompendium