Endstufe
.jpg)


Als Endstufe wird die letzte elektronisch aktive (d. h. verstärkende) Stufe eines Leistungsverstärkers bezeichnet, bevor das verstärkte Signal zur Last gelangt. Oft wird auch das gesamte Gerät bzw. die Baugruppe „Leistungsverstärker“ als Endstufe bezeichnet. Im allgemeinen Sprachgebrauch wird unter dem Begriff meist ein Gerät als Teil einer Stereoanlage oder PA-Anlage zur Tonwiedergabe verstanden, der Begriff bezieht sich fachlich aber auf alle Arten der elektronischen Verstärkung, z. B. auch bei Hochfrequenz-Rundfunksendern.
Die zur Ansteuerung der Endstufen-Bauteile dienenden aktiven Bauteile werden hingegen zuweilen als „Vorstufe“ bezeichnet. Die Begriffe sind historisch aus dem Zeitalter der Röhrenverstärker erwachsen, bei denen sich zu jeder dieser Stufen ein oder mehrere Röhren-Systeme zuordnen ließen.
Klassifizierung
Selektive Leistungsverstärker
_FIIO_Fujiyama_for_smartphone_etc._headphones.jpg)
Selektive Leistungsverstärker werden für schmale Frequenzbereiche eingesetzt (z. B. 3,60–3,62 MHz), vorzugsweise in Sendern, um Hochfrequenz-Leistung zur Speisung von Antennen zu erzeugen. Zwischen Verstärker und Antenne wird stets mindestens ein selektiver Filter, im einfachsten Fall ein Schwingkreis, verwendet, um Oberschwingungen zu unterdrücken. Deshalb ist auch keine (Amplituden-)Linearität erforderlich. Diese Endstufen werden meist im C-Betrieb betrieben, um einen hohen Wirkungsgrad um 80 % sicherzustellen. Anwendung finden sie hauptsächlich in Sendern und Ultraschallgebern.
NF-Breitbandverstärker
NF-Breitbandverstärker (z. B. 10–50.000 Hz) dienen zur Ansteuerung von Lautsprechern, es sind sogenannte Audioverstärker. Um unerwünschte Oberwellen zu vermeiden (es wird anschließend nicht gefiltert), betreibt man diese (analogen) Endstufen immer in der A- oder AB-Betriebsart und erreicht damit Wirkungsgrade zwischen 20 und 70 %. Haupteinsatzgebiet ist die Elektroakustik.
HF-Breitbandverstärker
HF-Breitbandverstärker (z. B. 5–860MHz) werden vorzugsweise als Antennenverstärker und in Kabelanlagen eingesetzt. Neben der Verstärkung ist vor allem die maximale Ausgangsleistung entscheidend, bei der die entstehenden unerwünschten Mischprodukte unter einer bestimmten Grenze bleiben. Die Leistung wird gewöhnlich in dBm angegeben. Typische Werte sind 20–70 dBm (100 mW – 10 kW). HF-Breitbandverstärker arbeiten hauptsächlich im A-Betrieb, für hohe Ausgangsleistungen auch im AB-Betrieb.
Breitbandverstärker für sehr breite Frequenzbereiche
Diese Breitbandverstärker, die für sehr breite Frequenzbereiche (z. B. 0–200 MHz) ausgelegt sind, findet man u. a. in Oszilloskopen. Solche gleichspannungsgekoppelten Differenzverstärker ermöglichen einen sehr breiten Frequenzbereich von Gleichspannung bis teilweise in den Gigahertzbereich. Sie weisen einen hohen Eingangswiderstand (typisch 20 MOhm || 10 pF) auf und haben umschaltbare Eingangsempfindlichkeiten. Bei Röhren-Oszilloskopen liefern diese Verstärker die Spannung für die Ablenkplatten der Braunschen Röhre.
Breitbandverstärker
Breitbandverstärker lassen sich auch als pulsdauermodulierte Schaltverstärker mit nachgeschaltetem LC-Tiefpass realisieren. Der Tiefpass dient dazu, die Schaltfrequenz von etwa 100–1000 kHz zu unterdrücken. Der Wirkungsgrad liegt oft über 90 %. Anwendungen sind Audioverstärker (Klasse-D-Verstärker im Kilowatt-Bereich) und im weiteren Sinne auch Frequenzumrichter in der Antriebstechnik mit Leistungen bis in den Megawattbereich und einem Frequenzbereich von etwa 10–500 Hz.
Elektronische Schalter
Sie werden in Schaltnetzteilen und Schaltreglern eingesetzt. Sie bringen eine mittlere bis hohe Leistung (einige Watt bis in den Kilowattbereich, in der Leistungselektronik mittlerweile auch einige Megawatt). Elektronische Schalter haben hohe Schaltgeschwindigkeiten (typisch größer als 10 A/ns), die Ausgangsspannungen liegen zwischen 0,8 V und 5 kV.
Breitbandverstärker für den Niederfrequenzbereich
Betriebsarten

Die meisten Leistungsverstärker für den Audiobereich werden nach ihrer Lage des Arbeitspunktes in der Drainstrom-Gatespannungs-Kennlinie der Verstärkerstufe eingeordnet (siehe Abbildung rechts, dort allerdings bezogen auf eine Elektronenröhre mit den dafür relevanten Größen für Stromstärke und Spannung):
- A-Betrieb
- B-Betrieb
- AB-Betrieb
Auch die D-Verstärker finden umfangreich Anwendung, da sie günstig produziert werden können. Weitere Verstärkertypen sind z. B. C, E, G, H.
A-Betrieb
Es gibt vier geläufige Schaltungen für sogenannte Klasse-A-Verstärker:
- ein Spannungsteiler aus einem steuerbaren Bauelement (single ended) und einem Widerstand,
- ein Spannungsteiler aus einem steuerbaren Bauelement und einer Spule, einem Transformator oder der Last selber,
- ein Spannungsteiler aus einem steuerbaren Bauelement und einer Stromquelle (die meist durch ein weiteres steuerbares Bauelement implementiert wird) und
- ein Spannungsteiler aus zwei steuerbaren Bauelementen (push-pull). Die Summe der Ströme durch beide Bauelemente ist (weitgehend) konstant.
Bei allen Schaltungen fließt stets Strom durch alle steuerbaren (aktiven) Bauelemente – dies ist das Merkmal, welches mit dem Buchstaben A beschrieben wird. Da kein Bauelement je ganz sperrt, d. h. stromlos wird, treten prinzipiell keine sogenannten Übernahmeverzerrungen auf.
Maximaler Wirkungsgrad, Verzerrungsverhalten und Bauelementeaufwand sind unterschiedlich, der geringe Wirkungsgrad ist ein Nachteil:
- je nach Ausführung theoretisch maximaler Wirkungsgrad von 6,25 % (single ended mit Widerstand), 25 % (single ended mit Stromquelle oder direktgetrieben) oder 50 % (push-pull).
- hoher Ruhestrom von 200 % (single ended mit Widerstand), 100 % (single ended mit Stromquelle oder direktgetrieben) oder 50 % (push-pull) des einfachen Spitzenstroms (Ip).
Beim Eintakt-A-Verstärker liegt der Arbeitspunkt in der Mitte des linearen Teils der Kennlinie. Bei einem Röhrenverstärker darf die Gitterspannung nicht positiv werden, da sonst erhebliche Verzerrungen durch Clipping auftreten. Es muss sichergestellt werden, dass zu jeder Zeit ein Kollektor- bzw. Anodenstrom fließt.
Die Übertragungskennlinie eines A-Verstärkers, auch als Gegentaktverstärker, ähnelt einem J-förmigen Bogenausschnitt. Die Fouriertransformation dieser Übertragungsfunktion ergibt eine Dominanz der geradzahligen Oberwellen.
B-Betrieb (AB-Betrieb)
Vorteile:
- Bei eisenlosen Schaltungen oder Verwendung von Transistoren ist kein Anpassungstransformator erforderlich
- Wenn Transformatoren verwendet werden, fließt durch die Spulen kein Dauergleichstrom, der den Eisenkern einseitig vormagnetisiert. Deshalb können Verzerrungen durch die Krümmung der Hysteresekurve nur bei sehr hoher Aussteuerung oder zu kleinem Eisenkern entstehen
- Im B-Betrieb (AB-Betrieb) ohne Eingangssignal vernachlässigbare (geringe) Stromaufnahme
- Hohes Leistungs-Bandbreite-Produkt
- Gute Verteilung der Verlustleistung (Abwärme) auf mehrere Bauelemente möglich
Nachteile:
- Nur für kleine Leistungen als „Integrierte Schaltung“ (IC) erhältlich
- Wirkungsgrad von etwa 60 bis über 80 %, je nach Schaltungskonzeption (gestockte Betriebsspannung bei Hochleistungsendstufen üblich, siehe Klasse H)
- Symmetrische Gegentaktschaltung erforderlich
- Im B-Betrieb entstehen Verzerrungen (Klirrfaktor/THD) bei kleinen Leistungen
Die beiden Betriebsarten unterscheiden sich im Wesentlichen im Ruhestrom: Im B-Betrieb ist dieser null, im AB-Betrieb beträgt er wenige mA um den oben genannten Verzerrungen entgegenzuwirken. Alles andere ist identisch. Ein Transistor wird – je nach Signalstärke – nur bei positiven Halbwellen mehr oder weniger leitend, der andere nur bei negativen Halbwellen des Eingangssignals. Jeder überträgt also lediglich die Hälfte (elektrisch 180 Grad) des Signals. Man nennt diese Anordnung auch push-pull, da der eine Transistor Strom in die Last „drückt“ und der andere einen Stromfluss in die entgegengesetzte Richtung bewirkt, also „zieht“. Im B-Betrieb kann es bei sehr kleinen Signalspannungen vorkommen, dass keiner der beiden Transistoren leitfähig ist. Dann entstehen crossover- oder deadband-Verzerrungen. Dies wird im AB-Verstärker vermieden.
Gegentakt-Endstufe

Im nebenstehenden Schaltplan bilden die Transistoren Q4 und Q5 die Gegentaktendstufe mit Eintaktansteuerung und unsymmetrischer Betriebsspannung. Der obere Transistor ist vom Typ NPN und der untere vom Typ PNP, wobei die Bauteile jeweils über entgegengesetzte elektrische Parameter verfügen. Die Dioden D1 und D2 sorgen für die Basisvorspannung, um die Übernahmeverzerrungen zu verringern, wenn sich die Transistoren beim leitenden Zustand abwechseln. Diese Betriebsart der Transistoren wird auch als AB-Betrieb bezeichnet.
D-Verstärker

In einem Klasse-D-Verstärker werden die Leistungstransistoren mit Hilfe von unterschiedlich langen Impulsen (PDM – Pulsdauermodulation) angesteuert. Sie werden also mit hoher Frequenz (über 100 kHz) ein- und ausgeschaltet (Schaltverstärker) und nicht, wie bei den anderen Klassen, linear betrieben. Dies hat den Vorteil, dass an den Transistoren kaum Verlustleistungen abfallen. Dadurch wird ein hoher Wirkungsgrad erreicht. Während der Umschaltphase treten dennoch nicht zu vernachlässigende Umschaltverluste auf, die mit steigender Betriebsfrequenz linear zunehmen. Das geschaltete Ausgangssignal muss, bevor es zum Schallwandler weitergeleitet wird, noch mit einem Tiefpass gefiltert werden. Andernfalls wirken die Lautsprecherkabel für die HF-Schaltfrequenz als Antenne und strahlen starke elektromagnetische Störungen ab, die andere Geräte beeinträchtigen können.
Damit der Schaltungsaufwand für die anschließende Tiefpassfilterung gering gehalten werden kann, liegt die Schaltfrequenz weit oberhalb der höchsten Signalfrequenz. Typische Schaltfrequenzen von NF-Verstärkern im Class-D-Betrieb sind 768 kHz und 1536 kHz (8 × 96 kHz und 16 × 96 kHz). Ausgangstiefpässe sind einfache LC-Filter mit −3-dB-Grenzfrequenzen zwischen 30 und 50 kHz. Der im oberen Audiobereich auftretende Abfall von 0,5 bis 1,5 dB (bei 20 kHz) wird für die Nennimpedanz korrigiert.
Der Aufbau ist als Brückenschaltung ausgeführt. Gängig ist auch die Abkürzung BTL (von engl. Bridge-tied load).
Vorteile:
- die Leistungsaufnahme steigt etwa proportional zur abgegebenen Leistung
- Wirkungsgrade weit über 90 % bei Volllast, 35 bis 50 % bei 1 % der maximalen Ausgangsleistung. Vergleich Class B: 70 bis 75 % in Volllast, 3 bis 5 % bei 1 % der maximalen Ausgangsleistung.
Nachteile:
- hohe Treiberleistung erforderlich
- Konstruktion muss nach HF-Kriterien erfolgen
- erhöhter Bauelementeaufwand im Vergleich zu A-, B-, AB-, C-Verstärkern bei diskretem Aufbau
- LC-Tiefpass erforderlich
- aufwändige Gegenkopplung (vor allem beim Treiben von komplexen Lasten).
Eine Abart des D-Verstärkers ist der T-Verstärker, benannt nach der von Dr. Adya S. Tripathi gegründeten US-Firma Tripath Technology Inc., die Ende der 1990er Jahre eine verbesserte Schaltungstopologie patentierte und diverse ICs (TA-2020, u. v. a.) auf den Markt brachte. Für Elektronikbastler sind auf diesem Schaltungsdesign beruhende TAMP-Verstärkermodule von verschiedenen Herstellern (Sure) erhältlich.
Kommerzielle Verstärker

Klasse-AB-Endstufen sind in der Unterhaltungselektronik die am weitesten verbreiteten Endstufen. Sie treten in integrierter Bauform mittlerer Leistung als IC (z. B. die Hybrid-STK-Typen) oder bei teureren Verstärkern mit diskreten Einzeltransistoren auf. Das Bild zeigt eine Klasse-AB-Gegentaktendstufe in einem HiFi-Verstärker. Unter (1) sind die Endstufentransistoren zu erkennen, die von den zwei Treibertransistoren (2) im Gegentakt angesteuert werden. Die zwei Kondensatoren unter (3) dienen als Pufferspeicher dazu, die symmetrische Versorgungsspannung zu sieben (Entfernen des 100-Hz-Brummens von der Gleichrichterbrücke) und genug Strom bei kurzfristigen Leistungsspitzen (Bässe) zur Verfügung zu stellen. Die Integrierte Schaltung unter (4) ist der Quellenumschalter, den der Mikrocontroller des Receivers/Verstärkers steuert und mit dem die Signalquelle ausgewählt wird.
C-Betrieb
Vorteile:
- einfache Konstruktion
- keine Stromaufnahme ohne Eingangssignal
- die Leistungsaufnahme steigt etwa proportional zur abgegebenen Leistung
- hoher Wirkungsgrad über 80 %.
Nachteile:
- sehr hohe Verzerrungen (großer Klirrfaktor)
- für Audiozwecke ungeeignet.
Dieser Verstärker wird meist in HF-Endstufen für kontinuierliche Aussendungen eingesetzt. Für trägerlose Aussendungen (Einseitenbandmodulation, SSB) sind Verstärker im C-Betrieb aufgrund der hohen Verzerrungen nicht geeignet. Der Arbeitspunkt wird so gewählt, dass bei kleiner Aussteuerung noch kein Ruhestrom fließt, was zu einer starken Verzerrung des Ausgangssignals führt. Bei frequenzmodulierten Signalen ist dies belanglos. Der Wirkungsgrad im C-Betrieb kann mit bis zu 90 % sehr hoch sein, damit ist die Verlustleistung gering. Dies ist eine wichtige Eigenschaft, wenn man bedenkt, dass ein Sender oft mit 100 kW und noch mehr Leistung versorgt wird. Zwischen Endstufe und Antenne (Last) müssen HF-Schwingkreise oder Pi-Filter verwendet werden, um unerwünschte Oberwellen wegzufiltern.
E-Verstärker
Klasse-E-Verstärker vereinen Elemente des Klasse-D- und Klasse-C-Verstärkers zu einem Audioverstärker höchster Effizienz. Bei diesen arbeitet eine Schaltstufe auf einen Resonanzkreis, dessen Spannung über einen Tiefpass zur Last gelangt. Die Schaltstufe schließt immer dann, wenn der Schwingkreis im Nulldurchgang angelangt ist, dadurch verringern sich die Schaltverluste und Störungen gegenüber Klasse-D-Verstärkern nochmals. Dieser Verstärker arbeitet nur in einem eingeschränkten Aussteuerbereich nach den zuvor genannten Bedingungen, außerhalb davon weist die Aussteuerkennlinie starke Nichtlinearitäten auf, die mit Hilfe von komplexen Gegenkoppelnetzwerken kompensiert werden können. Nachteilig hierbei ist der erhöhte Aufwand zur Verminderung der Selbsterregung.
Vorteile:
- Verringerung der Schaltverluste in den Leistungsschaltern gegenüber dem D-Betrieb
- weniger elektromagnetische Störungen (durch weiches Schalten).
Nachteile:
- Treiberleistung unwesentlich geringer als die beim Verstärker im D-Betrieb (Gateladung beim FET bzw. Sperrschichtkapazität beim Bipolartransistor haben den Haupteinfluss)
- hohe Nichtlinearität in der Aussteuerkennlinie (Strom/Spannungsbeziehung unterhalb der Sinuskurve als Maß für die abgegebene Wechselstromleistung ist nichtlinear zur Zeit; bei D-Betrieb besteht hier ein nahezu linearer Zusammenhang).
H-Verstärker


Ein Klasse-H-Verstärker ist im Prinzip ein Klasse-AB-Verstärker, bei dem die Versorgungsspannung in Abhängigkeit vom Signal verändert werden kann. Bei Endstufen hoher Ausgangsleistung wird das Class-H-Konzept eingesetzt, um den Spannungsabfall bzw. die Verlustleistung in den Endtransistoren beträchtlich zu reduzieren. Nahezu alle leistungsstarken PA-Endstufen (ausgenommen Class D) sind heute als Class H oder Class G ausgeführt. In den Schaltplänen ist dies leicht an der Ausgangsstufe an in Reihe geschalteten Transistoren zu erkennen, wobei gestufte Versorgungsspannungen, meist in zwei, aber auch in drei Stufen zur Verfügung stehen.
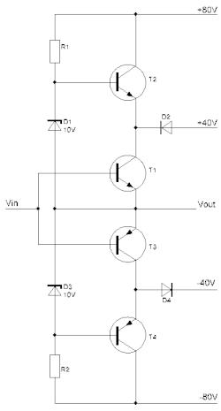
Die schematische Beispielschaltung zeigt das Funktionsprinzip von Class H. Der Einfachheit halber wird nachfolgend nur der Zustand des positiven Zweigs erklärt: Im Ruhebetrieb wird T1 über D2 mit +40 V versorgt. Die Basisspannung an T2 liegt über D1 im Ruhezustand des Ausgangs bei ca. 10 V. Das Emitterpotential liegt jedoch bei 40 V. Da keine positive Spannung über der BE Strecke von T2 liegt, sperrt dieser. Bei Aussteuerung der Endstufe steigt deren Ausgangsspannung an – und damit auch die Spannung an der Basis von T2. Bei etwa 30 V Ausgangsspannung beginnt T2 zu leiten und hält die Betriebsspannung von T1 stets etwa 10 V über der aktuellen Ausgangsspannung der Endstufe. In diesem Zustand treten an T1 aufgrund des auf 10 V begrenzten Spannungsabfalls nur geringe Verluste auf, T2 wird jedoch hoch belastet. Die Gesamtverluste in diesem Aussteuerbereich liegen folglich auf dem Niveau einer generell mit 80 V versorgten Endstufe. Das Einsparpotential von Class H findet somit nur bei Momentanwerten der Ausgangsspannung statt, wo T2 noch sperrt. Dies ist bei Musiksignalen jedoch überwiegend der Fall. Für den praktischen Betrieb ist es erforderlich, T2 mittels Diode vor negativer BE-Spannung zu schützen. Ebenso ist hier die Ruhestromerzeugung der Endstufe vernachlässigt.
Im abgebildeten Oszillogramm ist die Spannung an der Kathode von D2 (Kanal A) und die momentane Ausgangsspannung (Kanal B) einer Class-H-Endstufe für ein Musiksignal abgebildet. Die Funktion der Spannungsaufstockung ist klar erkennbar.
Leistungsendstufen ab ungefähr 1 kW sind häufig auch mit einer dreistufigen Class-H-Endstufe ausgestattet. Nachteile von Class H sind der höhere Schaltungsaufwand sowie geringe, zusätzliche Verzerrungen beim Umschalten auf die höhere Spannungsebene. Insbesondere wird an das reverse-recovery-Verhalten der Dioden hoher Anspruch gestellt, da dies wesentlichen Einfluss auf das Klirrverhalten der Schaltung hat. Die Gegenkopplung regelt zwar Sprünge der Betriebsspannung aus, jedoch nicht zu 100 %. Diese Nachteile werden durch Kostenvorteile aufgrund der eingesparten Kühlkörpergröße und Anzahl der Endtransistoren teilweise kompensiert.
Als Erweiterung von der klassischen Class H ist es auch möglich, die Betriebsspannung der Endstufe generell über einen geregelten Tiefsetzsteller bereitzustellen. In diesem Fall ergibt sich nahezu die Effizienz von Class D mit den klanglichen Eigenschaften (Dämpfungsfaktor im Hochtonbereich) von Class AB. Beispiele sind im HighEnd-Audio-Bereich sowie im PA-Bereich (Lab Gruppen Ferrite Power Serie) zu finden. Die Regelung des Tiefsetzstellers stellt hohe Ansprüche an die Dynamik, da die Spannungsanpassung schnell genug erfolgen muss, um auch im Hochtonbereich dem Audiosignal zu folgen.
Class-H-Endstufen mit Bootstrap-Ladungspumpe werden bei geringen zur Verfügung stehenden Betriebsspannungen verwendet, um den sonst erforderlichen Spannungswandler zu eliminieren. Ein verbreitetes Einsatzfeld war beispielsweise der integrierte Endstufen-Schaltkreis vom Typ TDA1562, der häufig in Autoradios eingesetzt wurde. Dort wird kurzzeitig für Impulsspitzen mit Hilfe von Elektrolytkondensatoren und einer Ladungspumpe die Versorgungsspannung von 12 V auf fast 24 V gebracht. Mit minimaler externer Beschaltung können so bis zu 70 Watt effektiv (bei 10 % THD) oder 55 W bei 0,5 % THD erzielt werden. Hauptvorteil ist die Verringerung der Verlustleistung der als Schalter betriebenen Endstufentransistoren.[1] Ähnliche Funktionsweisen sind in Vertikalendstufen von Farbfernsehgeräten zu finden. Exemplarisch sei an dieser Stelle der weit verbreitete Typ TDA8172 erwähnt.
G-Verstärker
Anstelle der linear gesteuerten Aufstockung ist auch eine geschaltete Aufstockung möglich. Hierbei wird hart zwischen der niedrigen und der hohen Railspannung umgeschaltet. Anstelle der Z-Dioden kommt ein Komparator zum Einsatz, der T2 bei hinreichend hoher Ausgangsspannung der Endstufe voll durch schaltet. Der harte Sprung der Betriebsspannung wird durch die Gegenkopplung nur teilweise ausgeregelt und ist bei vielen Verstärkern am Ausgang als kleiner Knick im Spannungsverlauf sichtbar. Die Umschaltung auf die hohe Railspannung muss mit Hysterese erfolgen, um Schwingungen zu unterbinden. Gegenüber Class H sind die Transistoren T2 bzw. T4 kaum beansprucht, da sie als Schalter eingesetzt sind. In praktischen Endstufen sind überwiegend MOSFET im Einsatz.
Diese Technik wird auch oft bei Labornetzgeräten verwendet, wobei je nach eingestellter Ausgangsspannung die Anzapfung des Transformators umgeschaltet wird.
Eintakt-, Gegentakt- und Brückenverstärker

Wegen des relativ hohen Aufwandes, der früher bei der Verwendung von Elektronenröhren für jede Röhrenstufe aufgewendet werden musste, baute man früher nur Eintakt-Endstufen mit dem Arbeitspunkt A-Betrieb. Wegen der geringen Verlustleistung der damaligen Endröhren (meist weniger als 15 W) wurden kaum mehr als 6 W Ausgangsleistung bei niedrigem Wirkungsgrad erreicht. Der notwendige Ausgangstrafo schränkte zwar den Frequenzbereich ein, eine angepasste Gegenkopplung in Verbindung mit einer zugehörigen Wickeltechnik erlaubte es jedoch, die Gesamtverzerrungen über einen großen Frequenzbereich klein zu halten.
Der Klirrfaktor spielt bei Sende-Endstufen keine Rolle, deshalb dominiert hier das Eintaktprinzip weiterhin.
Preiswerte Röhren und schließlich Transistoren ermöglichten die effektiveren Gegentaktverstärker mit höherer Leistung. Die Möglichkeit, npn- und pnp-Transistoren mit fast identischen Kennlinien verwenden zu können, schuf symmetrische Schaltungen, die geradzahlige Oberwellen fast vollständig auslöschen. Durch den Wegfall des Transformators bei „eisenlosen Endstufen“ gab es keine Hysteresekurve mehr, und die nun mögliche verzerrungsmindernde starke Gegenkopplung reduzierte den Klirrfaktor ganz erheblich. Dies war der Beginn von HiFi.
Philips hat diese „eisenlose Endstufe“ auf Röhrenbasis in den 1950er Jahren entwickelt und in den eigenen Geräten oft eingesetzt.[3]
In modernen Röhrenverstärkern wird auf diese Weiterentwicklung der Qualität bewusst verzichtet: Häufig wird Wert auf kleinstmögliche Gegenkopplung gelegt und auf ein bestimmtes Verhältnis zwischen den spektralen Leistungsanteilen gerad- und ungeradzahligen Oberwellen. Dabei verzichtet man bewusst auf Linearität und nutzt das recht nichtlineare Übertragungsverhalten der Elektronenröhren aus. Im Eintakt-A-Betrieb ergibt sich aus der Übertragungsfunktion eine Dominanz geradzahliger Oberwellen und ein sehr schnell zu höherer Ordnung bzw. Frequenz hin abklingendes Verzerrungsspektrum. Durch die sehr geringe Gegenkopplung stellen zudem transiente Verzerrungen kein Problem dar. Erkauft wird dieses Verhalten durch einen sehr geringen Wirkungsgrad, folglich große Verlustwärme und problematischem magnetischen Sättigungsverhalten des Ausgangstransformators, hervorgerufen durch den Fluss des hohen Ruhestromes durch die Primärwicklung.

Der Wunsch nach leichten, aber leistungsstarken Endstufen in Autos mit nur 12 V Bordnetz-Betriebsspannung führte zur Übernahme der aus der Antriebstechnik bekannten digitalen Brückenverstärker in die Analogtechnik. Das Schaltbild erinnert an den Buchstaben „H“, anstelle des Motors im Brückenzweig liegt nun der Lautsprecher. Allerdings dürfen nun die Paare A-D oder B-C nicht nur verlustarm ein- und ausgeschaltet werden, sie müssen fein abgestuft langsam geöffnet und geschlossen werden – dabei entsteht viel Wärme und der Wirkungsgrad liegt wie im üblichen AB-Betrieb bei bis zu 80 %, wenn mit gestockter Betriebsspannung gearbeitet wird. Die maximal erzielbare Leistung ist aber bei gegebener Betriebsspannung viermal so groß wie bei einer üblichen „eisenlosen Endstufe“ und wird nach folgender Formel berechnet:
Mit einem 4-Ohm-Lautsprecher liegt die Maximalleistung bei 18 W. Will man mehr Leistung, muss entweder der Lautsprecherwiderstand verringert werden, oder das Gerät bekommt einen Spannungswandler, der die Betriebsspannung auf z. B. 40 V heraufsetzt.
Siehe auch
Weblinks
- Elektronik-Kompendium: Gegentakt-Endstufe ohne Ruhestrom (Theorie)
- Elektronik-Kompendium: Gegentakt-Endstufe ohne Ruhestrom (Praxis)
- Übersicht Klasse A-, B- und AB-Verstärkerkonzepte
Anmerkungen und Einzelnachweise
- ↑ Eine Schaltung für einen Verstärker im Klasse-H-Betrieb sowie eine vollständige Erklärung der Funktionsweise findet sich zum Beispiel in der Zeitschrift Elektor, Ausgabe 3/95, 1995.
- ↑ Original-Datenblatt bei hifi-wiki.de
- ↑ Radios mit "eisenloser" Roehren-Endstufe – Schaltbilder und Radio-Typen aus 1955 bis 1960. Wumpus Welt der Radios, welt-der-alten-radios.de.