Miller-Transitron

Das Miller-Transitron ist ein Kippschwingungserzeuger und basiert auf dem Miller-Integrator. Es wurde vorzugsweise in röhrenbestückten Fernsehgeräten der 1950er Jahre zur Erzeugung der Vertikalablenkspannung verwendet, konnte sich jedoch gegen den seinerzeit ebenfalls verwendeten Sperrschwinger nicht durchsetzen.

Funktionsweise

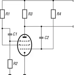
Prinzipschaltung

An der oberen Klemme wird die Anodenspannung (ca. 200 V) eingespeist, während an der darunterliegenden Klemme die Sägezahnspannung entnommen werden kann. Am Knoten des Anschlusses für das Bremsgitter können Synchronisierpulse eingespeist werden, die für die nötige Synchronizität mit dem senderseitigen Spannungsverlauf sorgen.

Bei Inbetriebnahme der Schaltung verursacht der fließende Anodenstrom in R3 einen wachsenden Spannungsabfall. Dadurch sinkt die Anodenspannung unter die Schirmgitterspannung. Der Stromfluss springt nun von der Anode weg zum Schirmgitter um. Das hat einen sprunghaften Anstieg des Schirmgitterstroms zur Folge, was wiederum einen erhöhten Spannungsabfall an R1 bewirkt: Die Schirmgitterspannung sinkt. Dieser negative Spannungssprung wird über C1 auf das Bremsgitter geleitet, welches den Anodenstrom weiter unterdrückt. C1 entlädt sich nun über R1 und lässt somit wieder einen Anodenstrom zu. Diese Vorgänge erfolgen sehr schnell nacheinander, so dass in der Gesamtheit nur ein positiver Sprung der Anodenspannung beobachtet werden kann.

Von diesem Zustand aus steigt nun der Anodenstrom sehr langsam und linear wieder an. Der Anstieg des Anodenstromes (bzw. Abfall der Anodenspannung) überträgt sich über C2 auf das Steuergitter. Durch die negative Polarität des Spannungsverlaufes am Steuergitter wird die Zunahme des Anodenstromes gehemmt. R4 hingegen bewirkt eine Gegenspannung zu dieser aus dem Ladestrom resultierenden Ladespannung. C2 und R4 bilden ein sogenanntes Integrierglied. Je mehr C2 auf seine Endspannung aufgeladen wurde, desto geringer wird die resultierende negative Spannung am Steuergitter: Der Kondensator wird schneller geladen. Insgesamt bewirkt diese Anordnung eine Linearisierung des Ladespannungsverlaufes von C2, der sich wiederum auf den Anodenstrom und über R3 auch auf die Anodenspannung auswirkt.

Dieser Vorgang hält an, bis das Schirmgitter wieder positiver als die Anode wird, der Emissionsstrom wieder auf das Schirmgitter umspringt und der Vorgang somit wieder von vorne beginnt. An der Anode kann eine Kippschwingung gemessen werden.

Quellenangaben, Literatur

  • Otto Limann: Fernsehtechnik ohne Ballast. 8. Auflage. Franzis Verlag, München 1969.
  • Harley Carter: Kleine Oszillographenlehre. 3. Auflage. Philips technische Bibliothek, 1963.