Phasenschiebergenerator
Ein Phasenschiebergenerator ist eine Anwendung des Phasenschiebers, also eine elektronische Schaltung, die die Phase einer elektrischen Schwingung verschiebt.

Für niederfrequente Oszillatoren werden auch rückgekoppelte Verstärker eingesetzt, die mit einer Phasenschieberkette ausgestattet sind. Zur Schwingungserzeugung müssen bei diesen Schaltungen zwei Bedingungen eingehalten werden:
- die Rückkopplung muss phasengleich geschehen, das heißt die Phasenverschiebung von Verstärker und dem Rückkopplungskreis muss insgesamt 0° (oder gemäß der Periodizität der Sinusfunktion n·360°) betragen;
- die Verstärkung des Systems muss 1 sein, das heißt die an eine Last abgegebene Leistung muss gleich der erzeugten Leistung sein.
Phasenbedingung
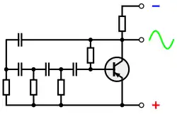
Das Schaltungsprinzip im Bild oben basiert auf einer invertierenden Verstärkerstufe (die bei den hier vorliegenden sinusförmigen Signalen wie eine Phasenverschiebung von 180° wirkt) mit einem Transistor und einem RC-Netzwerk mit phasenverschiebender Wirkung im Rückkopplungszweig. Die Frequenzabhängigkeit der RC-Glieder wird hier gezielt ausgenutzt. Jedes RC-Glied muss nur um 60° schieben und mit drei Gliedern erreicht man bei genau einer Frequenz die gesamte Phasenverschiebung von 180°. Durch den invertierenden Verstärker wird diese Frequenz bevorzugt verstärkt und die Schwingungsbedingung erfüllt. Die Phasenschieberkette kann dreigliedrig (3·60°) oder viergliedrig (4·45°) aufgebaut sein, um die Phasenumkehr (180°) der Verstärkerstufe auszugleichen. Wenn man statt eines Transistors einen OpAmp mit seinem hohen Eingangswiderstand und dadurch niedriger Belastung verwendet, kommt man sogar mit zwei Gliedern zu je 90° (theoretisches Maximum) aus. Der letzte Widerstand der Phasenschieberkette kann gleich dem Eingangswiderstand des Verstärkers sein. Wenn die erzeugte Frequenz einstellbar gemacht werden soll, werden einer oder mehrere Widerstände dieser RC-Glieder als Potentiometer (ggf. in Tandemversion) ausgeführt.
Ein weiteres Schaltungsprinzip ist der Wien-Brücken-Generator;[1] bei diesem arbeitet im Rückkopplungszweig einer nicht invertierenden Verstärkerstufe eine Reihenschaltung aus R und C auf eine RC-Parallelschaltung. Sind die R- und C-Werte jeweils gleich, ergibt sich bei genau einer Frequenz die Phasenverschiebung null, sodass zusammen mit der nicht invertierenden Verstärkerstufe die Phasenbedingung erfüllt ist. Solche Oszillatoren mit einer Wien-Brücke werden zum Beispiel als Niederfrequenz-Sinusgenerator (Laborgerät) realisiert. Ein Drehkondensator dient zur Veränderung der Schwingungsfrequenz.
Leistungsbedingung
Kritisch ist bei dieser Schaltung die Auslegung des Verstärkungsfaktors der Verstärkerstufe. Ist er zu groß, steigt die erzeugte Amplitude, bis der Verstärker in einen Arbeitspunkt getrieben wird, in welchem die Verstärkung wieder kleiner ist (oberer Begrenzungsbereich). Damit wird zwar die Leistungsbedingung wieder erfüllt, aber in diesem Begrenzungsbereich wird keine Sinusform mehr erzeugt, sondern eher eine Rechteck-ähnliche Schwingung mit vielen Oberwellen.
Ist der Verstärkungsfaktor zu klein, wird durch die Last (dazu zählt auch der Widerstand zwischen Kollektor und Betriebsspannung) zu viel Energie entnommen, und die Schwingung setzt nicht selbständig ein. Wird in diesem Fall der Generator fremderregt, so antwortet er mit gedämpften Schwingungen. Phasenschiebergeneratoren sind daher meist mit einer Amplitudenregelung ausgestattet.[1] Bei vielen solcher Generatoren besteht diese Regelung aus einem als Gegenkopplung ausgebildeten Kaltleiter (kleine Glühlampe), der sich bei steigender Amplitude aufgrund des höheren Effektivstromes erwärmt und dadurch seinen Widerstand und die Gegenkopplung erhöht.
Das Signal muss möglichst hochohmig ausgekoppelt werden, um nicht durch mögliche Überlast die Schwingungen abklingen zu lassen. Oft wird dem Oszillator deshalb zur Entkopplung ein Emitterfolger nachgeschaltet.
Ringoszillator
Ein Beispiel für einen Phasenschieberozillator ist der Ringoszillator. Die Frequenz wird durch die Phasendrehungen der einzelnen Transistorstufen bestimmt. Anwendung ist die Bestimmung der Grenzfrequenz von neu entwickelten Transistoren in Integrierten Schaltungen (HF-Technik, Digitaltechnik), da sich die Transistoren nicht mehr diskret vermessen lassen (bis zu einigen 100 GHz).[2][3]
Einzelnachweise
- ↑ a b Wien – Robinson – Oszillator Grundschaltung Wien-Brücken-Oszillator
- ↑ idw-online.de: Frequenzrekord mit Si/SiGe-Transistoren
- ↑ heise online: Frequenz-Rekord: 670-GHz-Verstärker