Stromstoßschalter

.png)

Stromstoßschalter sind elektromagnetisch betätigte Schalter (Relais), die bei einem elektrischen Impuls ihren Schaltzustand ändern. Beim typischen Einsatz ist er mit mehreren Tastern verbunden, über die er einen gemeinsamen Verbraucher ein- und ausschalten kann, beispielsweise das Licht im Hausflur.
Als Begriffe für Stromstoßschalter sind auch gebräuchlich: Impulsschalter, (Installations-)Fernschalter, Eltako, Stromstoßrelais, Schrittschalter oder Schrittrelais. Die beiden letzten Begriffe können auch Geräte mit mehr als zwei Schaltzuständen bezeichnen. Beim verbreiteten Gerät mit nur zwei Schaltzuständen (aus und an) handelt es sich um eine Art bistabiles Relais.
Die Marke Eltako (für elektrischer Tastkontakt) eines 1949 entwickelten Stromstoßschalters entwickelte sich zum generischen Markennamen.[1]
Kennbuchstabe
Der Kennbuchstabe eines Stromstoßschalters richtet sich gemäß der Kennzeichnung von Betriebsmitteln nach IEC 81346 2010:05 nach seiner Hauptaufgabe in der Schaltung und kann K oder Q sein.
Aufbau und Funktion
Der elektromechanische Stromstoßschalter ist ein Schaltrelais, welches zwischen Anker des Elektromagneten und Arbeitskontakt(en) einen Mechanismus enthält (beim Beispiel im Bild bestehend aus einer Kombination aus Nocken und Sperrklinke), der bewirkt, dass es bei jeder Betätigung seinen Schaltzustand ändert und bis zur nächsten Betätigung beibehält. Die funktionale Entsprechung in der Digitaltechnik ist das asynchrone T-Flipflop.
In der Elektroinstallation werden Stromstoßschalter in Stromstoßschaltungen anstelle von Aus-, Wechsel- und Kreuzschaltern eingesetzt, wenn mehrere Schaltstellen denselben Verbraucher (z. B. Leuchte) schalten sollen, beispielsweise in Hausfluren. Die Verdrahtung ist bei der Stromstoßschaltung einfacher und meistens kostengünstiger. Die Verdrahtung ist identisch mit der des Treppenlicht-Zeitschalters. Neben einfachen Stromstoßschaltern mit zwei Schaltzuständen gibt es auch Stromstoß-Serienschalter mit zwei Kontakten, die drei oder vier Schaltzustände haben[2] (aus, ein Kreis an, anderer Kreis an und ggf. beide Kreise an; siehe Serienschaltung und Gruppenschalter). Daneben gibt es auch Kombinationen aus Zeitschalt- und Stromstoßfunktion, bei denen der Verbraucher nach einer gewissen Zeit selbständig ausgeschaltet wird.[3]
Stromstoßschalter gibt es in zwei Bauformen: zum Einbau in 70-mm-Abzweigdosen sowie zur Montage auf Tragschienen (Hutschienen) in einer Unterverteilung. So waren z. B. viele Plattenbauwohnungen auf dem Gebiet der DDR mit mechanischen Stromstoßschaltern mit 12 V Betätigungsspannung und Tragschienenmontage versehen. Dadurch konnte die Installation zur Betätigung mit materialsparender Klingelleitung ausgeführt werden. Es war lediglich ein 12-V-Transformator nötig, der alle Wohneinheiten eines Treppenaufganges speiste.
Gängige elektromechanische Stromstoßschalter sind für eine Spulenspannung von 12 oder 24 V Gleich- und Wechselspannung oder 230 V Wechselspannung ausgelegt. Elektronisch gesteuerte Ausführungen ermöglichen einen Universalsteuereingang mit beispielsweise 8 bis 230 V.[4] Elektronische Stromstoßschalter, die mit monostabilen Schaltrelais arbeiten, benötigen ständig etwas elektrische Energie. Es werden jedoch auch elektronische Stromstoßschalter ohne Stand-by-Verlust hergestellt. Sie arbeiten mit bistabilen Schaltrelais[4]. Diese Technologie hilft, die Erwärmung und den Eigenverbrauch praktisch zu vermeiden.
-
Stromstoßschalter für Hutschienenmontage -
Stromstoßschalter auf Hutschiene (unverdrahtet) mit Umschaltmöglichkeit
Stromstoßschalter in Modelleisenbahn-Triebfahrzeugen
Typisch sind Stromstoßschalter auch in älteren analogen Modelleisenbahn-Triebfahrzeugen (Lokomotiven) mit Allstrom-Motoren. Diese Allstrom-Motoren besitzen beispielsweise in den Spur H0 Triebfahrzeugen von Märklin oder Electrotren eine im Gegensinn gewickelte Feldspule die über den als Fahrtrichtungsumschalter bezeichnete Stromstoßschalter, den Drehsinn des Elektromotors und damit die Fahrtrichtung des Triebfahrzeuges ändert. Der Stromstoßschalter spricht auf einen kurzen 24 Volt-Überspannungsimpuls vom Fahrtransformator an, während der Fahrbetrieb über eine Variable Wechselspannung von 6 bis 16 Volt erfolgt.
-
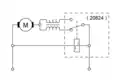
Schema Märklin-Allstrommotor mit zwei Feldspulen und Fahrtrichtungsschalter mit Schaltwippe 20824, wie er ab 1957 eingebaut wurde -
Fahrtrichtungsschalter mit Schaltwippe 20824, wie er ab 1957 eingebaut wurde, hier in einer Ae 6/6 3050, hergestellt in den Jahren 1964 bis 1985.
Fachliteratur
- Günter Springer: Fachkunde Elektrotechnik. 23. Auflage, Verlag Europa-Lehrmittel, Wuppertal, 1989, ISBN 978-3-8085-3219-5.
- Ernst Hörnemann, Heinrich Hübscher: Elektrotechnik Fachbildung Industrieelektronik. 1. Auflage. Westermann Schulbuchverlag GmbH, Braunschweig, 1998, ISBN 3-14-221730-4.
Einzelnachweise
- ↑ Firmenchronik Eltako electronics (archive.org)
- ↑ Beschreibung Multifunktions-Stromstoß-Schaltrelais ESR61M-UC
- ↑ Fernschalter Stella
- ↑ a b https://www.eltako.com/fileadmin/downloads/de/datenblatt/Datenblatt_ES12-110-UC.pdf Dokumentation des Stromstoßschalters ES12-110 der Fa./Marke ELTAKO, abgerufen am 7. Dez. 2017