Verzerrer
Ein Verzerrer ist ein Gerät oder eine Software zur Deformation eines Audiosignals mit einem Begrenzer oder anderen Formen der Kennliniendeformation, wobei letztlich harmonische Obertöne erzeugt werden. Die Deformation kann dabei (nicht)linear und eine symmetrische beziehungsweise asymmetrische Veränderung sein.
Bei modernen Gitarren- oder Bassverstärkern gibt es verschiedene Einstellungsmöglichkeiten, wie einzelne Komponenten des Signals verzerrt werden können. Effektgeräte ermöglichen die Verzerrung vor dem Verstärker; Software die nachträgliche Verzerrung. Bei Musikinstrumenten lassen sich damit Spieltechniken wie Flageoletttöne betonen.

Funktionsweise
Man unterscheidet grundsätzlich zwischen harmonischer und nicht harmonischer Verzerrung. Wesentliche klangliche Unterschiede bestehen zwischen Röhren- und Transistorverzerrern sowie Germanium- und Silizium-Transistoren insbesondere derer Schaltung. Abhängig von der Intensität des Effektes unterscheidet man zwischen Overdrive-, Distortion- und Fuzzboxen. Deren Einsatz ist auch bei Gesang, E-Bass, Synthesizern oder Schlagzeug üblich.
Entstehung
Ursprünglich erzeugte man den verzerrten Klang durch das Übersteuern mit einer der Stufen, speziell der Endstufe, eines Röhren-Gitarrenverstärkers, indem dieser an der oberen Leistungsgrenze gespielt wurde. Technisch gesehen war diese Verwendung der damaligen Verstärker mit niedriger Leistung nicht erwünscht. In den späten 1950ern haben Bands Verstärker beziehungsweise Lautsprecher teilweise absichtlich ruiniert, um den Effekt zu erzielen. Der Wunsch, verzerrte Klänge auch bei niedrigeren Lautstärken zerstörungsfrei zu realisieren, führte in den frühen 1960er Jahren zur Entwicklung des vom Gitarrenverstärker unabhängigen Verzerrer-Effektgerätes.
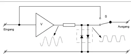
Begrenzer

Da eine übersteuerte Transistorverstärkerstufe einen anderen Klangcharakter hat als eine übersteuerte Röhrenverstärkerstufe, entwickelte man Halbleiter-Effektschaltungen. Sie ahmen den Klang der Röhrenverzerrung nach. Technisch gesehen hat man mehrere Möglichkeiten, ein Signal zu verzerren: Neben dem bereits erwähnten Transistorverzerrer, von den Herstellern als Fuzz bezeichnet, können zwei antiparallel geschaltete Dioden im Signalweg eine dem Röhrenverstärker angenäherte Verzerrung zustande bringen (Bild). Aufgrund der Kennlinie der Dioden wird die positive und negative Signalhalbwelle in den Spitzen abgeflacht oder je nach Kennlinie der Diode und Höhe der Eingangsspannung dynamisch begrenzt, wodurch es verzerrt klingt. Als eine weitere Variante dienen Verstärkerstufen mit Feldeffekttransistoren im nichtlinearen Kennlinienbereich, die mit ihrer weichen Begrenzung harmonische Obertöne produzieren. Basierend auf diesem Prinzip entwickelte sich eine weitere Variante, bei der man CMOS-Operationsverstärker mit dynamisch begrenzter Betriebsspannung versorgt und bei gleichzeitiger Übersteuerung diese so bewusst im unlinearen Bereich arbeiten lässt, was zu den gewünschten Verzerrungen führt. Alle Schaltungsvarianten lassen sich miteinander kombinieren. In Verbindung mit einer jeweils unterschiedlichen Klangfilterung sind beinahe unzählige Schaltungsvarianten möglich, die jeweils anders klingen.
Werden gleichzeitig unterschiedliche Frequenzen in einen Verzerrer eingespeist, entstehen nach den Gesetzen der Mischung grundsätzlich neue Kombinationsfrequenzen und Harmonische, die im ursprünglichen Frequenzgemisch nicht enthalten waren. Ihre relative Stärke hängt davon ab, wie stark die Kennlinie von der Geraden abweicht.
Seit dem Ende der 1990er Jahre erreicht man Verzerrereffekte auch mit der Methode der digitalen Signalverarbeitung: das zunächst digitalisierte Eingangssignal wird einem digitalen Signalverarbeitungsprozess unterzogen, der die Verzerrung mathematisch nachbildet und zuletzt wieder in analoge Signale umwandelt.
Begriffe
Ursprünglich ließ sich die Lautstärke von Röhren-Gitarrenverstärkern nur über die Endstufe einstellen. Um die Endstufe zu übersteuern (engl. Overdrive) und damit zu verzerren, wurde der Lautstärkeregler in den oberen Bereich oder bis zum Anschlag gedreht. Aus dem Grund entwickelte Jim Marshall 1975 den ersten Gitarrenverstärker mit Master-Volume-Regler. Mit diesem war es erstmals möglich, die Verstärkung der Vorstufe separat einzustellen (also auch zu übersteuern) und das Gitarrensignal bereits vor der Endstufe zu verzerren. Über den Master-Volume-Regler konnte man nun die Gesamtlautstärke einstellen. Das erreicht stärkere Verzerrung bei niedrigerer Lautstärke. Als weitere Entwicklung brachten zusätzliche Verstärkerstufen in der Vorstufe den Distortion-Sound weiter voran.
Die Hersteller bezeichnen den ursprünglichen Verzerrsound oft als Overdrive, hingegen den stärkeren (Vorstufen-)Verzerrsound meistens als Distortion. Der Overdrive klingt etwas weicher und klanglich „dreckiger“, wogegen der Distortion eher „aggressiver“ und „spitzer“ klingt. Da Overdrive und Distortion den Klang und die Art der Verzerrung unterschiedlich prägen, werden entsprechende Verzerrer oftmals entsprechend kategorisiert. Tatsächlich (bzw. ursprünglich) bezeichnen beide Begriffe eigentlich dasselbe, wobei Overdrive (Übersteuern) die Entstehung und Distortion (Verzerrung) das Ergebnis dieses Sounds beschreibt.
Bei entsprechenden Geräten stehen die jeweiligen Drehsteller/Schalter für die entsprechende Art der Verzerrung, bzw. nachzuahmende Verzerrung:
- Gain, Boost, Level: Beeinflusst den Grad der Verstärkung vor der Verzerrerstufe,
- Dist: Steht für die simulierte Vorstufenverzerrung,
- Drive, Overdrive: Steht für die simulierte Endstufenverzerrung.
Teilweise finden sich Klangsteller an den Geräten, die es ermöglichen, nur bestimmte Frequenzbereiche zu verzerren oder Frequenzanteile aus dem verzerrten Klang herauszufiltern.
Anwendung
Verzerrer werden in der Musikproduktion als Soundeffekte eingesetzt. Zu hören sind die Verzerrer unter anderem als Gitarreneffekte, vor allem in der Rockmusik. Zu beachten ist, dass Verzerrer nicht allein den typischen E-Gitarrensound in sich haben, sondern nur ein Glied der Kette Gitarre-Verzerrer-Verstärker-Lautsprecher sind, die in ihrer jeweiligen Konstellation unterschiedlich klingen. Verzerrer auf dem Schlagzeug, dem Bass oder auch Gesang hört man oft im Drum and Bass oder Industrial. Die verzerrte Blues Harp fand ihren Durchbruch im Chicago Blues, noch heute wird dieses Instrument meistens leicht angezerrt gespielt.
Bekannte Verzerrer
.jpg)
Der TS-808 Tube Screamer (erstmals 1976, seither von zahllosen Gitarristen benutzt: unter anderem von Carlos Santana). Es folgten TS-9 Tube Screamer (Kenny Wayne Shepherd) TS Mini, TS808DX mit Boost und verschiedene, jeweils leicht veränderte Modelle. Originale TS-808 aus den 1970er-Jahren werden zu hohen Preisen gehandelt. Es gibt "shootouts" beziehungsweise Vergleiche der Modelle und ebenfalls über Custom-Modifizierungen unter anderem auch auf diversen Videoportalen.
- Steve Vai Gemini Distortion Pedal
- Ibanez Sonic Distortion

Das OD-1 von Boss (1977 bis 1985 „state of the art“) wird mittlerweile zu hohen Preisen gehandelt. Die älteren Modelle sind daran zu erkennen, dass sich das „O“ von OD-1 genau unterhalb des zweiten „r“ von Over-Drive befindet. Alte Modelle werden bereits für 200 $ und mehr gehandelt. Wurde 1985 vom OD-2 abgelöst, aktuelles Modell ist mittlerweile der OD-3 (seit 1998).
- DS-1 Distortion von Boss (Kurt Cobain, Steve Vai, Joe Satriani, John Frusciante), seit 1978 in Produktion.
- DS-2 TURBO Distortion von Boss (Kurt Cobain ab der Tour 1992, John Frusciante)
- BOSS MD-2 Mega Distortion, MT-2 Metal Zone, BD-2 Blues Driver
- Guv'nor
- Throttle Box
- Flux-Drive und Flux-Five Overdrive+
Source Audio
- Soundblox Multiwave Distortion
Weitere
Den Big Muff gibt es in verschiedenen russischen und amerikanischen Versionen (Rams Head, Triangle, Green Muff, Black Muff ...)
- Electro-Harmonix Big Muff (Rick McPhail, Munky/Head (Korn), David Gilmour, J. Mascis)
- ProCo RAT (John Scofield, David Gilmour, James Hetfield)
- Smash Box.
- Fulltone Full-Drive 2, OCD
- Zoom Power Drive
- Digitech Tone Driver
- Sansamp GT2 (eigentlich ein kompletter analoger Amp-/Speaker-Simulator auf Halbleiterbasis)
- ZVex Box of Rock
- Baldringer DualDrive
- COOLPEDALS Dirty Devil
Siehe auch
Literatur
- Frank Pieper: "Das Effekte Praxisbuch". 2. Auflage, Carstensen Verlag, München, 2004, ISBN 3-910098-27-4
- Roland Enders: Das Homerecording Handbuch. 3. Auflage, Carstensen Verlag, München, 2003, ISBN 3-910098-25-8
- Helmuth Lemme: Elektro-Gitarren-Sound. 1. Auflage, Richard Pflaum Verlag, Heidelberg, München, 1994, ISBN 3-7905-0675-3
- Gustav Büscher, A. Wiegemann: Kleines ABC der Elektroakustik. 6. völlig neu bearbeitete und erweiterte Auflage. Franzis Verlag, München 1972, ISBN 3-7723-0296-3 (Radio-Praktiker-Bücherei 29/30a).
- Helmuth Lemme: Gitarren-Verstärker-Sound. 1. Auflage, Richard Pflaum Verlag, Heidelberg, München, 1995, ISBN 3-7905-0717-2
- Siegfried Wirsum: Praktische Beschallungs-Technik. Gerätekonzepte, Installation, Optimierung. Franzis-Verlag GmbH, München 1991, ISBN 3-7723-5862-4.