Wirkleistung
Die Wirkleistung ist die elektrische Leistung, die für die Umwandlung in andere Leistungen (z. B. mechanische, thermische oder chemische) verfügbar ist. Sie ist abzugrenzen von der Blindleistung, die für diese Umwandlung nicht verwendbar ist.
Die Wirkleistung wird in der Einheit Watt angegeben. Bei gleichbleibender Spannung und gleichbleibender Stromstärke ist die Wirkleistung das Produkt von Spannung und Stromstärke :
Bei veränderlichen Werten und ist die Wirkleistung der Gleichwert der Augenblicksleistung :
Für periodische Spannungen und Ströme ist über eine Periode mit der Periodendauer zu mitteln:
Festlegungen bei sinusförmiger Wechselspannung
Einen wichtigen Anwendungsfall bildet das elektrische Energieversorgungsnetz oder Dreiphasenwechselstromnetz. Nur dieser wird hier behandelt. Die Spannung hat einen sinusförmigen zeitlichen Verlauf; Spannung und Strom sind Wechselgrößen mit derselben Grundfrequenz. Für diesen Fall gibt es Festlegungen in DIN 40108[1] und DIN 40110[2], die für diesen Artikel zu beachten sind.
Wirkleistung bei sinusförmigem Strom
Darstellung mit Zeitfunktionen

Der sinusförmige Verlauf des Stromes tritt nur dann auf, wenn sich ausschließlich lineare Verbraucher im Netz befinden. Bei ohmschen Verbrauchern verlaufen Spannung und Strom gleichphasig. Beim Auftreten kapazitiver oder induktiver Verbraucher tritt zusätzlich eine Verschiebung der Phasenwinkel zwischen dem Verlauf von Strom und Spannung auf. Mit den Effektivwerten von Spannung und Stromstärke , den Amplituden und , dem Phasenverschiebungswinkel sowie der Kreisfrequenz wird
Durch Anwenden der trigonometrischen Beziehung
folgt
und mit der Verwendung der Effektivwerte
Der Ausdruck enthält
- einen zeitunabhängigen Summanden, die Wirkleistung , und
- einen zeitlich mit doppelter Frequenz und der Amplitude schwingenden Summanden, dessen Mittelwert gleich null ist. Die Größe nennt man die Scheinleistung.
Damit ergibt sich für den sinusförmigen Verlauf
Die Komponente der Stromstärke , die für die Wirkleistung maßgeblich ist, wird Wirkstromstärke genannt.
Komplexe Darstellung

In der Elektrotechnik ist es üblich, die Wechselstromrechnung (also das Rechnen mit sinusförmigen Wechselgrößen) mit Hilfe von Zeigern in der komplexen Ebene durchzuführen, da dieses wesentlich einfacher ist als die Rechnung mit trigonometrischen Funktionen. Zum Anschluss der Leistungsgrößen an die komplexe Wechselstromrechnung wird die komplexe Scheinleistung definiert, die Wirk- und Blindleistung in einer komplexen Größe zusammenfasst. Sie berechnet sich aus dem Produkt des komplexen Effektivwertes der Spannung mit dem konjugiert komplexen Effektivwert der Stromstärke.
Die Scheinleistung , also der Betrag der komplexen Scheinleistung , ist die pythagoreische Summe aus Wirk- und Blindleistung. Die Wirkleistung ist der Realteil, die Blindleistung der Imaginärteil der komplexen Scheinleistung.
Vorzeichenfragen
Die Konventionen über Zählrichtungen der Spannungen und Ströme durch Erzeuger- und Verbraucher-Bepfeilung bringen es mit sich, dass bei Energiefluss vom Erzeuger zum Verbraucher die Wirkleistung positiv ist. Das weiter oben gezeigte Bild des zeitlichen Verlaufs zeigt auch negative Werte von ; dann wird Energie zurückgespeist. Die Wirkleistung wird dadurch kleiner als die Scheinleistung; sie bleibt aber positiv.
Bei Netzen mit mehreren Quellen und Lasten kann sich zwischen Netzabschnitten die Richtung des Energieflusses nicht nur für Bruchteile einer Periodendauer umkehren. In Blick auf die Leistung beschreibt man dieses durch Vorzeichenumkehr der Wirkleistung, so dass auch Werte Sinn haben können.
Wirkleistung bei nichtsinusförmigem Strom
Wenn die Spannung sinusförmig ist, der Strom aber nicht, bleibt die Gleichung unter der Einschränkung gültig, dass und Parameter der Grundschwingung des Stromes sind. Oberschwingungen gehen in nicht ein.
Messungen im Energieversorgungsnetz
Messgeräte
Ein Leistungsmesser hat einen Strompfad und einen Spannungspfad. Er multipliziert Augenblickswerte von Spannung und Stromstärke, mittelt über die Augenblickswerte des Produktes und ist somit gemäß der Definition der Wirkleistung ein Wirkleistungsmesser. Das dazu geeignete elektromechanische Messwerk ist durch elektronische Messumformer abgelöst worden.

oben: Einphasen-Messgeräte
unten: Dreiphasen-Wirkleistungsmesser
Zu jedem Messgerät gehört ein Messbereich, der nicht überschritten werden darf, weil sonst keine Fehlergrenze garantiert wird. Darüber hinaus gehören zum Leistungsmesser Nennwerte von Spannung und Stromstärke, die nur in geringem Maße gemäß Herstellerangaben überschritten werden dürfen, weil sonst das Gerät beschädigt wird. Diese Art von Überlastung kann durchaus auftreten, ohne den Messbereich zu überschreiten!

Zur vorzeichen-richtigen Messung ist auf korrekte Anschlüsse der Pfade zu achten, die durch korrekte Schaltpläne vorzugeben sind. Für den Regelfall wird innerhalb dieses Artikels, in Übereinstimmung mit DIN 43807[3], in den Schaltplänen konsequent eingehalten:
Für das richtige Vorzeichen weisen die in den folgenden Schaltplänen angegebenen Pfeile
- für den Strom im Strompfad von links nach rechts
- für die Spannung am Spannungspfad von unten nach oben.
(Einige Spannungspfeile sind in den Schaltplänen nicht eingezeichnet; wie sie weisen müssten, ist gemäß der Systematik dennoch eindeutig.)
Falls dabei ein negativer Messwert entsteht, aber kein negativer Wert ausgegeben werden kann, hilft eine bewusste Vertauschung der Richtung am Spannungspfad (oder Strompfad).
An Laborgeräten sind die Klemmen eingangsseitig häufig mit einem Stern versehen; Geräte zur dauerhaften Installation tragen eine Klemmen-Nummerierung gemäß DIN 43807; Beispiele siehe Bild.
Jeder Leistungsmesser hat einen Eigenverbrauch
- im Strompfad durch einen Spannungsabfall (wie beim Strommessgerät),
- im Spannungspfad durch eine Stromaufnahme (wie beim Spannungsmessgerät).
Damit ist beim realen Messgerät zwischen Erzeuger- und Verbraucher-Wirkleistung zu unterscheiden.
Einphasennetz
Es gibt zwei Möglichkeiten, den Leistungsmesser anzuschließen, siehe zugehöriges Bild. Keine der Schaltungen erfasst aber die Erzeuger- oder Verbraucher-Wirkleistung, sondern gemessen wird
- in der oberen Schaltung Erzeuger-Spannung mal Verbraucher-Strom,
- in der unteren Schaltung Verbraucher-Spannung mal Erzeuger-Strom.
In der bevorzugt verwendeten oberen Schaltung werden die Kosten des Energie-Verbrauchs des Messgerätes getragen
- soweit vom Spannungspfad herrührend durch den Erzeuger,
- soweit vom Strompfad herrührend durch den Verbraucher.

Drehstromnetz
Vierleiter-Stromkreis mit Neutralleiter
Der umfassendste Fall ist der Vierleiter-Stromkreis mit Neutralleiter und drei Außenleitern, wie er im Niederspannungsnetz mit = 230 V bzw. = 400 V verbreitet ist, in Verbindung mit beliebiger Belastung. Beliebig soll hier heißen: In den drei Außenleitern können Ströme mit unterschiedlichen Amplituden und unterschiedlichen Phasenverschiebungen zur jeweiligen Bezugsspannung fließen. Dann ist
Dieses ist messbar mit drei Leistungsmessern bzw. einem Kombinations-Gerät.

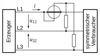
Dreileiter-Stromkreis

Durch den fehlenden Neutralleiter im Dreileiter-Stromkreis ist
- .
Mit
und
wird
wobei der letzte Summand gleich null ist, womit verschwindet. Im Dreileiter-Stromkreis mit beliebiger Belastung reichen also zwei Leistungsmesser, wenn sie in Aronschaltung gemäß der nächsten Gleichung betrieben werden.
mit
und ,
wobei = Winkel zwischen und
und = Winkel zwischen und

Hinweise hierzu:
- Formal kann ein Leiter, hier in Übereinstimmung mit DIN 43807 der Leiter L2, als Rückleiter aufgefasst werden.
- und haben keine anschauliche Bedeutung, nicht einmal im Vorzeichen. Z. B. ist bei reiner Blindlast , aber .
- Weil , ist aufzupassen, ob der Leistungsmesser, der auf die Spannung ausgelegt ist, auch die höhere Spannung verträgt. Wenn durch einen Vorwiderstand oder einen Spannungswandler die Spannung um den Faktor vermindert wird, ist diese Überlastungsgefahr behoben. Wegen der so verkleinerten Spannung muss allerdings der Messwert um den Faktor rechnerisch vergrößert werden.

Symmetrische Belastung
Bei symmetrischer Belastung reicht die Verwendung nur eines Leistungsmessers für den Leistungs-Bezug durch einen der Außenleiter. Die gesamte Leistung ist davon das Dreifache.
- .
Im Dreileiter-Stromkreis ist dazu das Neutralleiter-Potential durch einen Sternpunkt gemäß Bild künstlich zu schaffen mit zwei Widerständen, die genauso groß sind wie der Widerstand des Spannungspfades im Leistungsmesser.
Weitere Benennungen
| Benennung | Größe | Anwendung |
|---|---|---|
| Leistungsfaktor | allgemein | |
| Verschiebungsfaktor | bei Sinusgrößen | |
| Wirkfaktor | bei Sinusgrößen | |
| Blindfaktor | bei Sinusgrößen | |
| Verlustfaktor | bei Sinusgrößen bei Kondensatoren und Spulen |
Alle Angaben stimmen mit DIN 40110-1:1994 überein.
Siehe auch
Literatur
- Wilfried Weißgerber: Elektrotechnik für Ingenieure 2: Wechselstromtechnik, Ortskurven, Transformator, Mehrphasensysteme. Springer Vieweg, 9. Aufl. 2015
- Moeller/Frohne/Löcherer/Müller: Grundlagen der Elektrotechnik. Teubner, 18. Aufl. 1996
- Kurt Bergmann: Elektrische Meßtechnik: Elektrische und elektronische Verfahren, Anlagen und Systeme. Vieweg, 5. Aufl. 1993
- und nahezu jedes weitere Lehrbuch der Elektrotechnik oder elektrischen Messtechnik
Einzelnachweise
- ↑ DIN 40108:2003-06 Stromsysteme: Begriffe, Größen, Formelzeichen
- ↑ DIN 40110-1:1994-03 Wechselstromgrößen: Zweileiter-Stromkreise
- ↑ DIN 43807:1983-10 Messen, Steuern, Regeln; Elektrische Meßgeräte; Anschlußbezeichnungen für Schalttafel-Meßgeräte, Einbau-Meßgeräte und Meßumformer zur Messung von Leistung und Leistungsfaktor