Drehstrom-Asynchronmaschine
Eine Drehstrom-Asynchronmaschine (DASM) (Drehstrom-Induktionsmaschine) ist eine Drehstrommaschine, bei der der Rotor (auch Läufer) im Betrieb als Generator mit höherer und als Elektromotor mit niedrigerer Drehzahl läuft als das Drehfeld des Stators. Sie besitzt einen passiven Läufer, der entweder ständig (Kurzschlussläufer, Käfigläufer) oder fallweise kurzgeschlossen wird (Schleifringläufer). Beim Einsatz als Generator kann der Läufer dieser Asynchronmaschine auch mit einer abweichenden Frequenz erregt werden (doppelt gespeiste Asynchronmaschine). Einphasig betreibbare Asynchronmotoren sind der Kondensatormotor, der Spaltpolmotor und der Anwurfmotor. Die Drehstrom-Asynchronmaschine wurde 1889 von Michail Ossipowitsch Doliwo-Dobrowolski bei der Firma AEG entwickelt[1] und ist in der elektrischen Antriebstechnik weit verbreitet.

Dreieck: 750 W, 1420 min−1
Grundlagen
Die Entwicklung des Asynchronmotors geht zurück auf Vorarbeiten von Galileo Ferraris (1885) und wesentliche Arbeiten von Michail von Dolivo-Dobrowolsky (1891). Letzterer baute den ersten Einfachkäfigläufer und später auch einen ersten Doppelkäfigläufer.
Der Asynchronmotor ist heute der am meisten verwendete Elektromotor. Drehstrom-Asynchronmaschinen werden mit Leistungen von bis zu mehreren Megawatt hergestellt. Der Vorteil gegenüber anderen Elektromotoren ist das Fehlen von Kommutator und Bürsten. Bürsten verschleißen und erzeugen Funken („Bürstenfeuer“), wodurch das Leitungsnetz mit hochfrequenten Schwingungen gestört wird. Außerdem dürfen Maschinen mit Bürsten wegen möglicher Wirkung des Bürstenfeuers als Zündquelle nicht in explosionsgeschützten Bereichen eingesetzt werden. Allerdings verursachen auch Asynchronmotoren – insbesondere beim Betrieb an einem Frequenzumformer – Oberschwingungen, die auf das Netz zurückwirken.
Motor
Typischer Aufbau

Der Motor besteht aus zwei Teilen, dem äußeren, feststehenden Ständer oder Stator und dem sich darin drehenden Läufer oder Rotor. Alternativ kann der Läufer auch um den Stator herumlaufen, wie es bei einem Radnabenmotor der Fall ist. Beidseits des schmalen Luftspalts fließen elektrische Ströme im Wesentlichen in axialer Richtung. Die Ströme sind in Spulendrähten konzentriert, die von weichmagnetischem Eisen umgeben sind. Das Eisen ist senkrecht zur Achse geblecht.
Beim Betrieb an Drehstrom beträgt die Zahl der Kupferspulen im Stator drei oder ein Vielfaches davon, siehe Polpaarzahl, mit einer Phasenverschiebung der Ströme in benachbarten Spulen von 120 Grad. Die Statorspulen sind zu drei Wicklungssträngen verbunden, deren Enden herausgeführt sind.
Für den Läufer eines Drehstrom-Asynchronmotors existieren zwei Bauformen:
- Bei einem Kurzschluss- oder Käfigläufer sind massive, gut leitfähige Stäbe an beiden Enden des Rotors ringförmig kurzgeschlossen. In der Massenfertigung wird das Blechpaket des Rotors entweder mit Nuten oder Kanälen versehen, die danach mit Aluminium ausgegossen werden. Zugleich werden oft Lüfter-Flügel gegossen, die auch als Kühllamellen dienen. Die Zahl der Stäbe ist oft verschieden von der Zahl der Pole des Stators, um die Polfühligkeit zu verringern.
- Alle Anschlüsse des Schleifringläufermotors laufen entweder zu einem großen Motoranschlusskasten oder zu zwei getrennten Motoranschlusskästen. Im großen Anschlusskasten liegen die Wicklungsanfänge und -enden der Ständerwicklungen mit den Bezeichnungen U1 V1 W1/U2 V2 W2, die Enden der Läuferwicklungen mit den Bezeichnungen K L M (in großen Buchstaben) sowie der Schutzleiteranschluss (PE für Protective Earth). In der anderen Variante sind im ersten Motoranschlusskasten die Ständerwicklungen sowie der Schutzleiter und im zweiten die Läuferwicklungsenden und ebenfalls der Schutzleiter herausgeführt. Die Bezeichnungen der Anschlüsse sind identisch. Die Anschlussbezeichnungen an den Anlasswiderständen heißen (k l m) in kleinen Buchstaben. Dazu kommt wiederum PE. Da dieser Motor mit Anlasswiderständen betrieben wird, benutzt man nicht wie beim Kurzschlussläufer eine Stern-Dreieck-Schaltung. Anlasswiderstände oder Stern-Dreieckschaltungen werden benutzt, weil der Anlaufstrom das ca. 10fache des Nennstromes erreichen kann und evtl. die Motorsicherungen frühzeitig auslösen könnten. Außerdem ist bei diesen Anlaufschaltungen ein „sanfter“ und langsamer Anlauf des Motors gewährleistet, wie er in vielen Fällen gewünscht wird.
Der Ständer oder Stator besteht aus dem Gehäuse, dem Ständerblechpaket und der darin eingelegten Ständerwicklung, die immer als Mehrphasenwicklung ausgeführt ist. Das Gehäuse muss das Drehmoment gegen das Fundament abstützen. Häufig hat das Gehäuse außen Kühlrippen, die vom Lüfter des Läufers angeblasen werden.
Funktion


Die Wirkungsweise der Drehstrom-Asynchronmaschine basiert auf dem Drehfeld, das im Luftspalt zwischen Stator und Rotor radial gerichtet ist.
Bewegt sich der Rotor synchron zum Drehfeld, so ist (bis auf Transienten[2]) der magnetische Fluss durch die Maschen des Käfigs konstant und es wird keine Spannung induziert. Das Drehmoment ist bzw. wird null.
Dreht sich der Rotor langsamer als das Drehfeld, so ändert sich der magnetische Fluss, was eine Spannung induziert, die wiederum einen Strom hervorruft. Solange der Schlupf klein ist, ist der Strom proportional zur Änderungsrate des Flusses, also zum Schlupf. Das mit dem Käfigstrom einhergehende Feld ist noch klein im Vergleich zum Feld des Stators und zu diesem um 90° phasenverschoben. Das dadurch entstehende Drehmoment ist proportional zum Schlupf.
Wird das Gegenfeld des Käfigs spürbar, so steigt der Käfigstrom nicht mehr proportional zum Schlupf an und die Phasenverschiebung nimmt ab. Das Drehmoment erreicht ein Maximum. Der Betriebspunkt liegt zwischen diesem Maximum und der Synchrondrehzahl.
Im anderen Extrem des blockierten Rotors entspricht der Käfig der Sekundärwicklung eines (kurzgeschlossenen) Transformators. Die Stromaufnahme ist begrenzt durch den Streufluss und ohmsche Verluste. Im Anfahrbereich hat der Motor einen schlechten Wirkungsgrad und erwärmt sich stark. Der hohe Anfahrstrom kann durch einen vorgeschalteten Anlasswiderstand gemindert werden. Neben dem Aufwand für zusätzliche Komponenten muss man eine längere Anfahrzeit in Kauf nehmen.
Während des Anfahrens können starke Geräusche auftreten. Es kann ein Verharren (Kleben) bei Drehzahlen unterhalb der Nenndrehzahl unter starker Geräuschbildung auftreten, häufig bei 1/7 der Synchrondrehzahl. Durch die Nuten in den Blechpaketen von Stator und Rotor werden Oberschwingungen im Stromnetz erzeugt (Nutenpfeifen).
Erster Grund: Beim Vorbeidrehen der Rotor- an den Statornuten treten Magnetflusspulsationen in den nicht genuteten Bereichen des Blechpaketes des Stators auf. Haben Rotor und Stator die gleiche Anzahl von Nuten, dann wirken die Pulse miteinander und der Motor kann „kleben“.
Zweiter Grund: Wenn Oberschwingungen mit der Eigenschwingung eines Maschinenteils (Rotor mit Lagerspiel) in Resonanz geraten, kann der Rotor kleben. Der Rotor läuft kurz an und bleibt unter Brummen stehen oder er schleicht über diesen Punkt hinweg.
Das Problem wird umgangen, wenn man die Nuten des Rotors schräg zur Wellenachse anordnet. Das verteuert zwar die Herstellung, phasenverschobene Magnetfelder können so jedoch nicht mehr in Resonanz kommen.
Steuerung
Die Motoren werden meistens durch Schütze gesteuert, je nachdem welche Betriebsart vorgesehen ist. Ein Beispiel ist die Stern-Dreieck-Schaltung. Man kann die Motordrehzahl auch über Umrichter, wie z. B. Frequenzumrichter steuern, indem man die Frequenz erhöht oder reduziert. Das ist sinnvoll bei Anlagen, die eine variable Drehzahl benötigen, ohne dass ein verstellbares Getriebe eingesetzt werden soll. Auch ohne die Notwendigkeit variabler Drehzahlen können Frequenzumrichter sinnvoll sein, etwa zur Anpassung unterschiedlicher Netzfrequenzen (60 Hz – 50 Hz), Netzspannungen und Netzformen. Drehfeldrichtungen am Anschluss werden auch bedeutungslos. Dabei sind vielfältige Schutzfunktionen gegen Überstrom, Überlastung (Ixt) und Übertemperatur oft schon integriert, so dass der FU eine ganze Anzahl mechatronischer Teile wie Schütze, Motorschutzschalter und -relais sowie Anlaufschaltungen ersetzen kann. Ausgehend vom kleinen Leistungsbereich ist diese Lösung immer öfter ökonomisch sinnvoll.
In der Holzverarbeitung werden beispielsweise Motoren an Fräsmaschinen über einen Frequenzumrichter angeschlossen, um aus der Netzfrequenz von 50 Hz beispielsweise 200 Hz zu generieren, wobei die Drehzahl dann auf über 10.000 min−1 gesteigert werden kann. Die hohen Fliehkräfte, die auf den Rotor wirken, erfordern Sonderausführungen der Maschinen.
Anlaufschaltung
Asynchronmotoren besitzen einen hohen Einschaltstrom; ist dieser nicht bekannt, geht man vom Achtfachen des Nennstromes aus. Um das Netz und angeschlossene Getriebe zu schonen, sowie das Auslösen vorgeschalteter Sicherungen zu vermeiden, verwendet man bei Asynchronmotoren spezielle Anlassverfahren. Das am häufigsten verwendete Verfahren ist die Stern-Dreieck-Schaltung. Beim Anlauf in Sternschaltung sind Leistung und Drehmoment auf ein Drittel reduziert. Nach der Hochlaufzeit wird durch Umsteuerung der Schütze auf Dreieckbetrieb umgeschaltet. Frequenzumrichter können bei entsprechender Konfigurierung beziehungsweise Programmierung Asynchronmotoren sanft und lastangepasst hochfahren. Bei stärkeren Motoren muss das jeweilige Anlassverfahren mit dem Netzbetreiber abgestimmt werden.
Bei Käfigläufermotoren wirkt sich beim Anlaufen der Skineffekt günstig aus. Bei hohem Schlupf konzentriert sich der Strom am Rand der Kurzschlussstäbe, wodurch der Widerstand steigt. Über das Profil der Kurzschlussstäbe lässt sich die Kennlinie von Leistung und Drehmoment gegen die Drehzahl beeinflussen.
Früher verwendete man (u. a. bei Fahrgeschäften) Anlasswiderstände: Hier wurden zwei Elektroden in ein mit Salzwasser gefülltes Wasserfass eingetaucht. Durch die Eintauchtiefe konnte der Widerstand von Hand gesteuert werden, das Anfahren/Hochfahren wurde ermöglicht. Die Energie, die dabei übertragen wurde, sorgte auch für einen charakteristischen Geruch durch das verdampfende Salzwasser, in Museumsanlagen ist das noch heute erlebbar.
In der Kältemaschinentechnik ist der Teilwicklungsanlauf ein etabliertes Standardverfahren zur Reduzierung des Anlaufstromes.
Drehzahlregelung

Asynchronmaschinen können
- am starren Netz
- am Frequenzumrichter oder Direktumrichter
- mit Polumschaltung (Dahlander oder getrennte Wicklungen)
- als Schleifringläufer als unter- oder übersynchrone Kaskade
betrieben werden.
Unterschiedliche Polzahlen und Frequenzen ergeben folgende Drehzahlen für das Drehfeld:
| Polzahl | Polpaarzahl | nsync 50 Hz | nsync 60 Hz |
|---|---|---|---|
| 2 | 1 | 50 s−1 | 60 s−1 |
| 4 | 2 | 25 s−1 | 30 s−1 |
| 6 | 3 | 16,6 s−1 | 20 s−1 |
| 8 | 4 | 12,5 s−1 | 15 s−1 |
| 10 | 5 | 10 s−1 | 12 s−1 |
| 12 | 6 | 8,3 s−1 | 10 s−1 |
| 14 | 7 | 7,15 s−1 | 8,56 s−1 |
| 16 | 8 | 6,25 s−1 | 7,5 s−1 |
Das sind die Ständerdrehfeld-Drehzahlen, also die Drehzahl, die das Netz dem Motor über die Feldwicklungen im Stator aufprägt. Sie werden auch als Synchrone Drehzahl bezeichnet.
Im Motorbetrieb liegen die mechanischen Drehzahlen aufgrund des prinzipbedingten Schlupfes je nach Bauweise und Belastung geringfügig unter diesen Werten (meist 1 – 8 %). Prinzipbedingt deshalb, weil erst die Drehzahldifferenz zwischen Ständerdrehfeld und Rotor eine Spannung im Rotor induziert, durch die ein Strom im Rotor fließt, dessen Magnetfeld in Wechselwirkung mit dem Magnetfeld des Ständers das notwendige Drehmoment erzeugt. Demzufolge ist der Schlupf, also die Verminderung der Rotordrehzahl, auch immer abhängig vom Belastungsmoment.
Wichtige Drehzahlen sind die Leerlaufdrehzahl (Motor läuft ohne Last), die Nenndrehzahl (Motor liefert Nennleistung als Produkt von Nenndrehzahl und Nennmoment), Kippdrehzahl (maximales Drehmoment; wird diese von der Last überschritten, bleibt der Motor stehen) und Kurzschlussdrehzahl (Motor steht, Anlaufmoment, Anlaufstrom).
Wird die Drehstrom-Asynchronmaschine auf eine höhere als die synchrone Drehzahl angetrieben, so speist sie Leistung ins Netz zurück (Generatorbetrieb).
KUSA-Schaltung
Nicht immer geht es darum, den Einschaltstrom herabzusetzen. In manchen Fällen geht es auch darum, dass sich ein zu hohes Anzugsmoment, bei direkter Einschaltung, störend auf die Anlage auswirkt. Die sogenannte KUSA-Schaltung (Kurzschlussläufer-Sanftanlauf) ist eine Schaltung zum Anlassen von Drehstrommotoren mit Käfigläufer bei ca. der Hälfte des Nenndrehmomentes.
Bei der KUSA-Schaltung wird ein Vorwiderstand in einen Außenleiter des Laststromkreis des Drehstrommotors gelegt, der nach einer einstellbaren Zeit oder manuell mittels Kontaktes überbrückt wird. Es ist oft zweckmäßig, den Vorwiderstand anzuzapfen, um verschiedene Beträge des Anlaufmomentes einstellen zu können. Diese Anlaufart kommt nur bei Leerlauf oder geringem Gegenmoment in Betracht.
Polumschaltbare Motoren
Drehstrom-Asynchron Motore können auch zur stufigen Drehzahlsteuerung als polumschaltbare Motoren hergestellt werden. Diese lassen sich in 2 Gruppen unterteilen, einmal als Dahlandermotor und als Motor mit getrennten Wicklungen[3]. Erkennen kann man polumschaltbare Motore daran, dass auf dem Motortypenschild und im Schaltplan zwei (oder mehr) Drehzahlen (bzw. Polpaare) angegeben werden. Außerdem an der Bezeichnung am Motorklemmbrett, dort ist die Zahl dem Buchstaben vorangestellt (1U, 1V, 1W, 2U, 2V und 2W). Damit unterscheidet sich das von den üblichen Drehstrommotoren, denen der Buchstabe vorangestellt ist. Bei denen soll ja auch dargestellt werden, dass Spulen U/V/W je 2 Anschlüssen haben, und bei einem polumschaltbarem Motor gibt es 2× (oder mehr) die Spulen U/V/W[4]. Die Drehrichtungsumkehr erfolgt wie bei allen Drehstrommotoren mit der üblichen Wende-Schützschaltung, welche mit der notwendigen Schützschaltung für den Motortyp kombiniert wird.
Dahlandermotor

Mit der Dahlanderschaltung kann die Polzahl der Asynchronmaschine (polumschaltbare Motoren) im festen Verhältnis 1:2 erhöht und somit deren Drehzahl im Verhältnis 2:1 verändert werden.
Typische Anwendungen sind:
- Drehmaschinen mit zwei Grunddrehzahlen: langsam- oder schnelllaufend.
- Zweistufiger Lüfterantrieb für Gehäuselüftung.
Dahlandermotoren besitzen sogenannte „angezapfte Wicklungen“ (die Wicklungen haben je drei Anschlüsse: Anfang, Ende und eine Anzapfung in der Mitte der Wicklung). Da je ein Anfang und ein Ende werkseitig miteinander verbunden sind (Dreieckschaltung), hat der Dahlandermotor auch nur 6 Anschlüsse am Motorklemmbrett.
Die Dahlander-Schaltung bietet bei Asynchronmaschinen in Käfigläuferausführung die Möglichkeit der Polumschaltung und damit der Drehzahlumschaltung. Die notwendige Schützschaltung ist im Leistungsteil gleich der Stern-Dreieck-Anlaufschaltung, nur dass hier nur das Dreieck-Schütz alleine (niedrige Drehzahl) oder das Netz-Schütz mit dem Stern-Schütz (hohe Drehzahl) eingeschaltet werden. Niemals darf das Dreieck-Schütz mit dem Netz-Schütz (und/oder dem Stern-Schütz) einschaltet werden. Dies muss im Steuerstromkreis durch gegenseitige Verriegelung gewährleistet werden.
Motor mit getrennten Wicklungen
Es ist denkbar, auf einer Welle zwei komplett getrennte Motoren anzuordnen. Elegant ist es dann, wenn diese Motoren in einem Gehäuse sind. Dann können auch beide Motoren einen gemeinsamen Rotor (Käfig) haben. Die Statorwicklungen werden jedoch doppelt ausgeführt. Stator eins ist für die niedrige Drehzahl ausgelegt. Stator zwei ist für die höhere Drehzahl ausgelegt. Ein bestimmtes Drehzahlverhältnis ist nicht festgelegt. Typische Verhältnisse sind 3:4, 2:3, 1:2, 1:3, 1:4 und viele weitere[3][4]. Ein Drehzahlverhältnis von eins zu zwei wird meist mit der oben beschriebenen Dahlanderschaltung realisiert.
Ein Motor mit getrennten Wicklungen ist (wie der Name es sagt) mit getrennten Wicklungen ausgestattet. Das heißt: Sie haben mindestens sechs Wicklungen im Ständerblechpaket, von denen die ersten drei nicht mit den zweiten drei verbunden sind. Meist sind die intern werkseitig im Stern oder Dreieck (Y/Δ) verschaltet, so dass man hier auch nur 6 Anschlüsse hat. Die notwendige Schütz-Schaltung ähnelt der Wende-Schützschaltung, nur ohne vertauschen von 2 Außenleitern[4].
Möchte man drei Drehzahlen haben, gibt es Motoren die eine Dahlander-Wicklung und eine normale getrennte Wicklung haben. Es gibt auch welche mit 2 getrennten Dahlander-Wicklungen, falls man 4 verschiedene Drehzahlen braucht[4]. Die Motorklemmbretter sind 9- oder 12-polig (als zwei einzelne 6-polige) ausgeführt, anstatt der üblichen 6 Anschlüsse. In der Regel werden aber anstatt dieser Sondermotoren heutzutage eher einfache Asynchronmotore mit Frequenzumrichter eingesetzt.
Vor- und Nachteile
Die weit verbreitete Ausführungsart als Drehstrommotor mit Kurzschluss-Käfigläufer (englisch squirrel cage induction motor) gilt als „Arbeitspferd“ der elektrischen Antriebstechnik. Kombiniert mit einem entsprechend gesteuerten Frequenzumrichter ist er auch in der Lage, gegen große Gegenmomente von Arbeitsmaschinen anzulaufen. Die Frequenzumrichterbaugruppen übernehmen derzeit zunehmend auch die Aufgabe des Motorschutzes. Außerdem werden Motoren mit angebautem Frequenzumrichter angeboten. Dadurch verringert sich der Verdrahtungs- und Entstöraufwand.
Vorteile
- robust, standardisiert, kostengünstig als normiertes Betriebsmittel
- lange Lebensdauer, wartungsarm, kein Bürstenverschleiß beim Kurzschlussläufer
- Eigenschaft als Motor-Bremse (Generator-Betrieb), wenn (mechanische) Drehzahl höher als elektrische Drehfeld-Frequenz
- kurzzeitig stark überlastbar (bis größer 2× Bemessungsdrehmoment, bis größer 1,5× Bemessungsleistung abhängig von Motor-Kühlung und Überlastungsdauer)
- Anlauf gegen hohe Gegenmomente ohne Hilfsmittel (auch abhängig von Läuferbauform)
- nahezu konstante Drehzahl, kein „Durchgehen“ im Leerlauf
- einsetzbar in explosionsgefährdeten Bereichen, da keine Bürsten oder Schleifringe (kein Bürstenfeuer, keine Funkenbildung)
- vergleichsweise geringe Herstellungskosten
- IE3- und IE4-Ausführung als hoch-/höchst-effizienter Antrieb (Wirkungsgrad η > 95 %) erhältlich
- der Läufer ist spannungslos und kann auch in Flüssigkeiten, Gasen oder im Vakuum laufen
- hohe Drehzahltauglichkeit, im Betrieb mit Frequenzumrichter durchgehend hoher Wirkungsgrad
Nachteile
- Hoher Anlaufstrom entsprechend dem Anlaufmoment
- Läuft immer mit Schlupf, d. h. die (mechanische) Drehzahl der Motorwelle als Antrieb (motorischer Betrieb) ist immer geringer als das n-Fache der (elektrischen Spannungs)-Frequenz (Drehfeld-Frequenz). Die Drehzahl ist nicht stabil, jedoch durch Spannungs/Strom-Änderung auch nicht beliebig veränderbar (vgl. Synchronmaschine, Reluktanzmotor)
- Drehzahlveränderung nur bei Sonderbauformen mit Polumschaltung oder mit zusätzlichem Frequenzumrichter möglich
- Insbesondere bei kleinen Ausführungen ca. 20 bis 30 % mehr Volumen bei gleichem Drehmoment gegenüber permanent-magnetisierten Synchronmotoren
- Drei Außenleiter zur Versorgung zwingend notwendig (kann mit elektronischem Frequenzumrichter, Chopper-Motor („Zerhacker (Elektrotechnik)“) oder Betriebskondensator (Kondensatormotor) aus Einphasenwechselstrom hergestellt werden)
- Fehlt einer der drei Außenleiter, kann der Asynchronmotor nicht anlaufen, er brummt im Stillstand
- Komplexe theoretische Verfahren zur Berechnung (im Vergleich zu anderen elektrischen Maschinen)
- Schritt- bzw. Servomotoren haben bei Positionieraufgaben Vorteile und sind im Vergleich leichter
- Kein Haltemoment im Stillstand
- Kein (elektrisches/elektromagnetisches) Bremsmoment, wenn im laufenden Betrieb die Versorgungsspannung vom Motor getrennt wird
Normen und Kategorien
In der Europäischen Gemeinschaft ist die EN 60034 „Drehende elektrische Maschinen“ zu beachten.
Normmotoren
Genormte Anbaumaße werden für Deutschland mit den Normen DIN 42673, 42676 und 42677 vorgegeben. Der Leistungsbereich bis ca. 200 kW gehört den Niederspannungs-Normmotoren.
Die Normmotoren, für die die großen Hersteller Listen mit technischen Daten veröffentlichen, sind nach Drehmomentklassen eingeordnet. Üblicherweise können diese Motoren gegen das doppelte Nennmoment anlaufen. Für die Konstruktion ist die Achshöhe ein Richtmaß. Der Normmotorenbereich beginnt bei AH 56 und reicht bis zu AH 315 (ca. 200 kW). Oberhalb von AH 315 beginnt mit AH 355 der Transnormmotorenbereich.
Sonderbauformen
- Widerstandsläufer mit sanfterem Anlauf, aber schlechtem Wirkungsgrad
- Schleifringläufermotor mit über Schleifringe herausgeführter Rotorwicklung zwecks Zuschaltung eines Widerstandes (nur beim Hochfahren)
- Außenläufer mit Stator innen und Rotor außen
- Stator beidseitig des Luftspaltes, darin der Läufer als Aluminiumzylinder (Spaltrohrmotor) oder -scheibe (Ferrarismotor)
- Linearmotor mit „abgerollter“ Geometrie
- Linearmotor mit Stator in Rohrform zur Förderung von flüssigen Metallen
Asynchrongenerator
Im Generatorbetrieb rotiert der Läufer schneller als das Magnetfeld und speist so Energie in das Netz ein.
Es gibt drei verschiedene Asynchronmaschinen, die als Generator eingesetzt werden.
- Asynchronmaschine mit Kurzschlussläufer: Asynchrongenerator
- Asynchronmaschine mit Schleifringläufer: Doppelt gespeiste Asynchronmaschine
- Asynchronmaschine mit zwei Statoren: Kaskadenmaschine
Alle drei Generatortypen werden in dezentralen Kraftwerken eingesetzt.
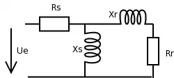
Idealisierte Betrachtung / Ersatzschaltbild
Zum Verständnis der Vorgänge einer Drehzahlregelung ist die Betrachtung des Ersatzschaltbilds der Asynchronmaschine notwendig. Das Ersatzschaltbild zeigt eine zur Maschine elektrisch äquivalente Schaltung, wie sie auch ein Frequenzumrichter sieht.

Auf der linken Seite ist die Ständerwicklung dargestellt, sie besteht aus Rs (Kupferwiderstand und äquivalenter Serienwiderstand der Ummagnetisierungsverluste) und dem Blindwiderstand ihrer Induktivität Xs bei asynchronem Lauf. Rechts ist der Läufer oder Rotor dargestellt: die Induktivität Xr repräsentiert die bei stillstehendem Motor erscheinende Induktivität, sie ergibt sich aus den am stehenden Kurzschlusskäfig vorbeilaufenden Magnetfeldlinien. Der Wirkwiderstand Rr setzt sich zusammen aus
- dem äquivalenten Wert der von der Maschine abgegebenen Wirkleistung; dieser Wert verändert sich mit der Veränderung des Drehmoments bzw. der Belastung der Maschine. Er ist im Leerlauf der Maschine sehr groß.
- dem entsprechend dem Quadrat der Statorwindungszahl herauftransformierten ohmschen Widerstand des Kurzschlusskäfigs; er besteht aus einzelnen, im Eisen eingebetteten Windungen, meist aus Aluminium.
Im Leerlauf besteht das Ersatzschaltbild des Asynchronmotors im Wesentlichen also aus Rs und Xs, weshalb eine solche Maschine fast nur Blindleistung aufnimmt. Der im Leerlauf aufgenommene Strom ist oft ähnlich hoch wie der Nennstrom. Die Maschine hat im Leerlauf wegen der Kupfer- und Ummagnetisierungsverluste oft über die Hälfte der Verlustleistung bei Nennbelastung. Mit zunehmender Belastung steigt der Wirkstrom durch Rr und damit im Kurzschlusskäfig an. Der Phasenwinkel zwischen Strom und Spannung verringert sich von nahezu 90° auf kleinere Werte. Bei hochmagnetisierten Asynchronmotoren nimmt mit ansteigendem Drehmoment der Gesamtstrom zunächst oft ab und steigt erst mit zunehmenden Drehmoment dann wieder bis zum Nennstrom an.
Von der Asynchronmaschine wird also mit Xs ein Blindstrom aufgenommen, der für die Magnetisierung der Maschine sorgt. Anders als bei der Drehstrom-Synchronmaschine muss die magnetische Durchflutung in der Asynchronmaschine erst durch den Blindstrom in der Ständerwicklung aufgebaut werden.
Der belastungsabhängige Wirkstrom erzeugt einen Spannungsabfall im Käfig-Anteil des Rr, aber nur einen unwesentlich höheren Spannungsabfall in Rs. Folglich steigen die Verluste bei zunehmender Belastung im Läufer schneller an als im Stator. Der Kupferwiderstand Rs und der „Kupfer“-Widerstand vom Käfigläufer-Anteil von Rr verursachen mit dem Quadrat der Stromaufnahme steigende Verluste, daher nimmt der Wirkungsgrad der Maschine mit steigender Belastung ab. Dazu kommt deren Temperaturabhängigkeit, weshalb die Effizienz der warmen Maschine noch etwas sinkt.
Im Umrichterbetrieb wird bei immer kleiner werdender Frequenz der Blindwiderstand Xs ebenfalls immer kleiner. Bei Einhaltung des Nennstromes muss daher die vom Frequenzumrichter gelieferte Spannung sinken. Damit wird das Verhältnis des Spannungsteilers Rs zu Xs immer ungünstiger und Rs führt zu relativ zur verfügbaren Motorleistung steigenden Verlusten. Bei Dauerbetrieb kann dabei nur annähernd das Nenndrehmoment erzeugt werden, da Läufer und Stator nicht ausreichend gekühlt werden. Bei höheren als der Nenndrehzahl und Nennfrequenz darf ein Asynchronmotor dagegen – unter Berücksichtigung der Isolation – an höheren Spannungen arbeiten und ist effektiver.
Moderne Frequenzumrichtersteuerungen können Rs/Rr selbst messen und sind damit in der Lage, sich selbst automatisch für einen beliebigen angeschlossenen Motor zu konfigurieren und ihn so vor Überlastung zu schützen. Ein Haltemoment oder Drehzahlen nahe Null können mit einer Vektorregelung erreicht werden. Auch hier fehlt Kühlung, da das Lüfterrad am Läufer dann diesen selbst, die herausragenden Statorwicklungen und den Luftspalt nicht mehr kühlt.
Komplexes Zeigermodell des Asynchronmotors mit Käfigläufer
Das Modell unterliegt der Voraussetzung eines rotationssymmetrischen Aufbaus der Maschine sowie dem Fehlen einer Streufeldreluktanz. Um diese kann das Modell erweitert werden. Sie wird hier jedoch (zunächst) nicht berücksichtigt, um das Modell möglichst einfach und verständlich zu halten. Gleiches gilt für die Windungszahl der Ständerwicklung.
Dabei werden die Einträge eines Vektors (x,y) in der Rotationsebene als komplexe Zahl x+iy dargestellt. Das Feld sowie die Speisespannung sowie der Statorstrom sind die rotierenden Zeigergrößen des Ständers, ist der Zeiger des Läuferstroms. Angeschlossen an die drei Phasen des Elektrizitätsnetzes kann der Zeiger als dargestellt werden. (Dreiecksschaltung)
Die Maschengleichung des Ständerkreises lautet unter Berücksichtigung des Induktionsgesetzes:
- .
Da der Läufer vorwärts rotiert „sieht“ er das Magnetfeld rückwärts rotieren.
- .
Somit ergibt sich die Maschengleichung des Läuferkreises in mitrotierenden Koordinaten:
- .
Das Magnetfeld ist Ergebnis von Läufer- und Ständerstrom multipliziert mit der Hauptfeldreluktanz :
- .
Ersetzt man durch ergibt sich das Gleichungssystem mit den Unbekannten und .
- .
Berücksichtigt man Streufeldreluktanzen in Form der Induktivitäten und sowie die Windungszahl des Ständers erhält man sehr ähnliche Gleichungen:
- .
Das erzeugte Drehmoment ergibt sich aus dem Kreuzprodukt von und Läuferstrom. Hier wird das analog zum Zeigermodell in Komplexzahlenrechnung dargestellt.
- (* für den konjugiert komplexen Werte von )
Wicklungsanordnung
Spulengruppe
Zur Glättung des Erregerfelds werden im Regelfall nicht alle Windungen einer Spule in einer Nut konzentriert, sondern in mehreren nebeneinander liegenden Nuten verteilt.
Durch diese Verteilung verringert sich die Spannungsamplitude der Grundwelle, was durch den Zonenfaktor berücksichtigt wird.
- mit Lochzahl (Anzahl Nuten pro Pol pro Strang) und Strangzahl .
Sehnungsfaktor
Als Sehnung wird bei einer Mehrschichtwicklung die Verschiebung der Wicklungslagen bezeichnet. Diese Verschiebung bewirkt eine Glättung der Erregerkurve und damit eine Reduzierung der Oberschwingungen der induzierten Spannung.
Durch die Sehnung verringert sich die induzierte Spannungsamplitude, was durch den Sehnungsfaktor berücksichtigt wird. Er berechnet sich zu
mit der Polpaarzahl , Anzahl Nuten und dem Wicklungsschritt . Dabei beschreibt der Wicklungsschritt das Verhältnis von Spulenweite zu Nutteilung.
Wicklungsfaktor
Das Produkt aus Sehnungs- und Zonenfaktor wird als Wicklungsfaktor bezeichnet.
Kennwerte/Kennlinien

Die Begriffe Nennleistung, Nenndrehzahl und Nenndrehmoment ergeben sich aus den Angaben zu den technischen Daten des Motors und dem zugehörigen Typenschild. In diesem Zusammenhang wird auch von den Auslegungswerten gesprochen.
Das Nennmoment ist in der Regel nicht auf dem Typenschild vermerkt. Es kann aus nachstehender Formel errechnet werden. Siehe auch Leistung bei Technischen Anwendungen.
- Drehmoment M in Newtonmeter (Nm)
- Leistung P in Kilowatt (kW)
- Drehzahl n in Umdrehungen je Minute (min−1)
- 9549 ist ein gerundeter Zahlenwert
Die zugehörige Synchrondrehzahl (oder Drehfelddrehzahl) liegt immer knapp über der Nenndrehzahl, die sich aus
ergibt.
- Drehzahl n in Umdrehungen je Minute (min−1)
- Netzfrequenz f in Hertz (s−1, auf dem Typenschild angegeben)
- Polpaarzahl p (immer ganzzahlig)
Bei 50 Hz ergeben sich so Werte von 3000, 1500 oder 750 Umdrehungen pro Minute mit den Polpaarzahlen 1, 2 oder 4.
Das gezeigte Beispiel für ein Typenschild bezieht sich auf einen Motor, der nur für den Sternbetrieb geplant ist. Bei einer Netzfrequenz von 50 Hertz und einer Nennleistung von 5000 kW und einer Nenndrehzahl von 1480/min ergibt sich:
- Polpaarzahl = 2
- Synchrondrehzahl = 1500/min
- Nenndrehmoment ungefähr 32,3 kNm
Eine weitere Methode zur bildlichen Darstellung von Leistung, Drehmoment und Verlust einer Asynchronmaschine im Generator- und Motorbetrieb in Abhängigkeit vom Schlupf stellt der Ossanna-Kreis dar.
Kennlinienbeispiel

Das nebenstehende Bild zeigt den typischen Drehmomentenverlauf in Abhängigkeit von der Drehzahl. Im Dreiecksbetrieb hat der Motor im Vergleich zum Sternbetrieb etwa das dreifache Anzugsmoment. Die Betriebspunkte B1 oder B2 liegen jenseits des Kippmomentes K1 oder K2.
Mit P (wie Pumpe) ist als Beispiel die Kurve für das erforderliche Drehmoment einer Kreiselpumpe eingezeichnet.
Es kommt darauf an, dass der Drehzahlbereich von Null bis zum Kipppunkt möglichst schnell durchfahren wird, denn in diesem Bereich hat der Motor einen schlechten Wirkungsgrad und erwärmt sich dementsprechend. Die (kritische) Anlaufzeit hängt von der Trägheit der Arbeitsmaschine und von dem Verhältnis der Anfahrmomente ab.
Das Beispiel zeigt, dass die Pumpe scheinbar auch in Sternschaltung problemlos läuft, denn die Betriebspunkte B1 und B2 liegen dicht beieinander. Dennoch ist es möglich, dass der Motor bei Dauerbelastung in Sternschaltung einen zu hohen Strom bezieht, um das von der Arbeitsmaschine geforderte Moment aufzubringen. Der Motor erwärmt sich dadurch stark, denn in die Berechnung der Wärmeverluste geht der aufgenommene Strom quadratisch ein. Eine Erwärmung über die vom Hersteller angegebene zulässige Temperatur verkürzt die Lebenszeit des Motors stark. Oft ist das geforderte Bemessungsmoment für den Betrieb in Dreieckschaltung aber so groß, dass der Motor es nicht in Sternschaltung aufbringen kann. Der Anlauf und die Umschaltung in Dreieckschaltung müssen also ohne Last erfolgen oder bis zu Lastmomenten, die der Motor noch in Sternschaltung bewältigen kann, ohne sich unzulässig hoch zu erwärmen.
In dem Beispiel ist das antreibende Drehmoment (Stern) im Anfahrbereich etwa zwei- bis viermal größer als das erforderliche Moment der Pumpe. Die Differenz ist der beschleunigende Anteil. Daher könnte hier ein Anlauf der Pumpe mit offenem Schieber erfolgen. Technischer Standard ist der Anlauf einer Pumpe mit geschlossenem Schieber. Dann ist das erforderliche Moment erheblich kleiner und der kritische Anlaufbereich wird schnellstmöglich durchfahren.
Lüfter mit langen Flügeln (z. B. in einem Kühlturm) haben ein großes Massenträgheitsmoment. Ferner ist der Anlauf nur unter Last möglich. Dadurch ergeben sich potentiell sehr lange Anlaufzeiten, so dass die Auslegung der Motor-Lüfter-Kombination sorgfältig erfolgen muss.
Gesetzliche Bestimmungen und sonstige Regelwerke
- EN 60 034 Teil 1 Allgemeine Bestimmungen für umlaufende elektrische Maschinen
- EN 60 034 Teil 8 Anschlussbezeichnungen und Drehsinn für elektrische Maschinen
- DIN IEC 34 Teil 7 Bauformen umlaufende elektrische Maschinen
- EN 60034-5 Schutzarten umlaufender elektrischer Maschinen
- EN 60034-6 Kühlarten, drehende elektrische Maschinen
Literatur
- Günter Boy, Horst Flachmann, Otto Mai: Die Meisterprüfung Elektrische Maschinen und Steuerungstechnik. 4. Auflage. Vogel Buchverlag, Würzburg 1983, ISBN 3-8023-0725-9.
- Gregor D. Häberle, Heinz O. Häberle: Transformatoren und Elektrische Maschinen in Anlagen der Energietechnik. 2. Auflage. Verlag Europa-Lehrmittel, Haan-Gruiten 1990, ISBN 3-8085-5002-3.
- Andreas Kremser: Elektrische Maschinen und Antriebe, Grundlagen, Motoren und Anwendungen. 2. Auflage. Teubner Verlag, Stuttgart 2004, ISBN 3-519-16188-5.
- Detlev Roseburg: Lehr- und Übungsbuch Elektrische Maschinen und Antriebe. Fachbuchverlag Leipzig im Carl Hanser Verlag, 1999, ISBN 3-446-21004-0.
- Günter Springer: Fachkunde Elektrotechnik. 18. Auflage. Verlag Europa-Lehrmittel, Wuppertal 1989, ISBN 3-8085-3018-9.
- Germar Müller, Karl Vogt, Bernd Ponick: Berechnung elektrischer Maschinen (= Germar Müller [Hrsg.]: Elektrische Maschinen. Band 2). 6. Auflage. WILEY-VCH Verlag, Weinheim 2008, ISBN 978-3-527-40525-1 (664 S., eingeschränkte Vorschau in der Google-Buchsuche).
- Reinhard Mansius: Praxishandbuch Antriebsauslegung: Grundlagen, Tools, Beispiele. 2. Auflage. Vogel Business Media, Würzburg 2017, ISBN 978-3-8343-3406-0, 1.2 Lastkennlinien von Arbeitsmaschinen, S. 11–25 (vbm-fachbuch.de [PDF; 1,4 MB]).
- Bernd Rohr und Herbert Wiele: Lexikon der Technik 3., überarb. Auflage Leipzig, 1986 Verlagslizenz-Nr. 433-130/203/86 Asynchronmaschine S. 38
Weblinks
- Institut für Elektrische Energietechnik und Energiesysteme: Elektrische Energietechnik, Asynchronmaschine
- Drehfeld-Animation einer Asynchronmaschine (YouTube-Video)
Einzelnachweise
- ↑ Allgemeine Elektricitäts-Gesellschaft in Berlin: Anker für Wechselstrommotoren. Deutsches Reichspatent 51.083 vom 8. März 1889.
- ↑ Ein noch vorhandener Käfigstrom klingt durch ohmsche Verluste ab.
- ↑ a b Menzel Motoren - Polumschaltbarer Motor. Abgerufen am 21. Februar 2023.
- ↑ a b c d EATON Schaltungsbuch S.'8-47' ff.