Röhrenverstärker
Ein Röhrenverstärker ist ein elektronischer Verstärker, bei dem Elektronenröhren zur Verstärkung niederfrequenter elektrischer Signale verwendet werden. Mit dem Aufkommen der Halbleiterelektronik wurden Röhrenverstärker im Anwendungsbereich als Audioverstärker weitgehend durch Verstärkerschaltungen mit Halbleiterbauelementen (Transistoren), ersetzt. Verwendet werden Elektronenröhren heute jedoch noch in Gitarrenverstärkern sowie einigen High-Fidelity-Verstärkern, besonders in der sogenannten High-End-Sparte.

Schaltungsprinzipien von Audio-Röhrenverstärkern
Zwei grundlegende Beispiele der NF-Verstärkerschaltungstechnik mit Röhren ermöglichen einen Einblick in deren Funktionsweise.
Eintakt Verstärker Betriebsart A


Das Schaltschema zeigt einen Eintaktverstärker mit einer Endpentode in Kathoden-Basis-Schaltung, sowohl die positive als auch die negative Halbwelle des Eingangssignals werden dabei von dieser einen Röhre verarbeitet. Die einzige Möglichkeit einer annähernd linearen Verstärkung der beiden Signalteile ist die Wahl des Arbeitspunkts A auf der Ug-Ia-Kennlinie (Eingangskennlinie) der Verstärkerröhre, der in der Mitte des geradlinigen Kennlinienteils liegt, was einen ungünstigen hohen Ruhestrom durch die Röhre und einen wenig vorteilhaften Wirkungsgrad des Verstärkers zur Folge hat – die Klassifizierung der Betriebsart des Verstärkers bezieht sich auf die Position dieses Arbeitspunktes.
Der Koppelkondensator C1 trennt Gleichspannungsanteile des zu verstärkenden Signals ab und verhindert damit eine Arbeitspunktverschiebung. Der sehr hochohmige Widerstand R1 dient dazu, das Steuergitter gleichspannungsmäßig auf Massepotential zu halten. Der Kathodenwiderstand R2 ist zuständig für die Gittervorspannungserzeugung, sein Wert bestimmt den Arbeitspunkt der Röhre. Die Kathode wird aufgrund des durch R2 fließenden Kathodenstromes und des damit verbundenen Spannungsabfalls gegenüber dem Gitter positiv, die daraus resultierende negative Gittervorspannung regelt sich automatisch in Abhängigkeit vom Kathodenstrom (statische Gegenkopplung zur Arbeitspunktstabilisierung). Der Widerstand R2 sollte für einen A-Verstärker mit einer Pentode EL84 z. B. den Wert 135 Ω haben, der eine Gittervorspannung von −7,2 Volt erzeugt. Ein falsch dimensionierter Kathodenwiderstand R2 hat einen asymmetrischen Betrieb zur Folge, bei dem eine Halbwelle des Ausgangssignals deutlich früher in die Begrenzung gerät als die andere. Dadurch wird der nutzbare lineare Aussteuerbereich reduziert, es werden Verzerrungen erzeugt.
Der Kondensator C2 dient der wechselspannungsmäßigen Überbrückung des Widerstands R2. Die Grenzkreisfrequenz 1/(R2·C2) der Gegenkopplung legt die Grenze fest, unterhalb der die Verstärkung verringert wird. Lässt man C2 weg, ist der Verstärker auch wechselspannungsmäßig gegengekoppelt, was sowohl die Verstärkung als auch die Verzerrungen reduziert.
Der Ausgangsübertrager trennt den Lautsprecher von der hohen Anodenspannung und transformiert die hohe Ausgangsimpedanz der Endröhre (bei einer EL84-Endpentode im Eintakt-A-Betrieb 5,2 kOhm) auf den niedrigen Impedanzwert eines dynamischen Lautsprechers.
Im Gegensatz zum obigen Schaltbild ist das Schirmgitter der Endröhre zur Begrenzung des Schirmgitterstroms üblicherweise über einen Widerstand mit der Anodenspannung verbunden. Es dient der Erhöhung des Aussteuerbereiches und der Effizienz, indem durch dessen elektrisches Feld der Anodenstrom auch bei kleinen Anodenspannungen aufrechterhalten wird.
Vorteile des Röhren-Eintaktprinzips Klasse-A:
- Einfachstes Schaltungskonzept mit wenigen Bauteilen im Signalweg.
- Kein Phasensplitting wie bei der Gegentaktendstufe notwendig.
- Keine Strom-Übernahmeverzerrungen bei kleiner Lautstärke.
Nachteile:
- Mangelnde Linearität wenn (wie in obiger Schaltung) keine Gegenkopplung verwendet wird und der Ausgangstrafo durch den dauernd fließenden Anodenstrom einseitig vormagnetisiert wird. Der Wunsch nach verringertem Klirrfaktor führte zur Erfindung der Gegenkopplung.
- Geringer Wirkungsgrad und hohe Verlustleistung.
- Hoher Anspruch an die Restwelligkeit der Anodenspannung insbesondere bei Kopfhörerverstärkern (Brummempfindlichkeit).
- Für HiFi-Betrieb ist ein aufwändiger und kostspieliger Ausgangsübertrager erforderlich.
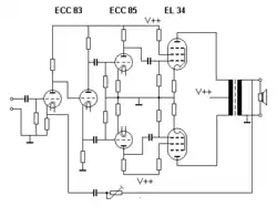
Gegentakt Verstärker Betriebsart AB
Das Beispiel auf der rechten Seite zeigt das Schaltungsschema eines leistungsfähigen und typischen Röhren-Audioverstärkers, dessen beide Endpentoden EL34 nach dem Gegentaktprinzip arbeiten – im Gegensatz zum äußerst wirkungsgradschwachen Eintakt-Verstärker teilen sich in der Ausgangsstufe zwei Röhren die Verstärkungsarbeit, indem eine Röhre für die positiven Spannungen, die andere Röhre für die negativen Spannungen zuständig ist, was zu einer verbesserten Leistungsausbeute führt: wenn die eine Endröhre leitet, sperrt die andere und umgekehrt, der Gegentaktverstärker kann demzufolge andere Arbeitspunkte als Klasse A einnehmen. Das weitreichende Funktionsprinzip wurde bereits 1912 von dem kanadischen Elektronikingenieur Edwin H. Colpitts entwickelt.
Neben den Möglichkeiten eines Klasse A-Betriebs (hoher Ruhestrom) und des Klasse B-Betriebs (Crossover-Verzerrungen beim Nulldurchgang des Signals) hat sich beim Audio-Gegentaktverstärker vorwiegend die Betriebsart mit der günstigen Position AB des Arbeitspunktes auf der obigen Ug/Ia Röhren-Kennlinie durchgesetzt: ein geringer Ruhestrom lässt die Röhren bei kleinen Signalamplituden im Klasse A-Betrieb arbeiten, mit wachsender Aussteuerung geht der Verstärker allmählich in den Klasse B-Betrieb über, bei Vollaussteuerung arbeiten die Röhren vollständig in der Betriebsart B, was zu wesentlich höherer Ausgangsleistung und besserem Wirkungsgrad führt.
Gesteuert werden die Endröhren mit einem Schaltungsdesign des britischen Röhrenspezialisten D.T.N. Williamson, das unter dem Begriff Split Load Phaseninverter mit Treiberstufe bekannt geworden ist: da es in Analogie zu Halbleiterbauelementen keine komplementären Röhrentypen gibt, muss dieser Teil der Schaltung für die Phasenumkehr des Eingangssignals sorgen – die beiden Steuergitter der Endröhren benötigen zwei verstärkte amplitudengleiche, aber spiegelbildliche Signale, die symmetrisch zur Masse sind.
Das erste Triodensystem der ECC83 bewerkstelligt die notwendige Spannungsverstärkung des Eingangssignals, die zweite Triode der ECC83 ist der eigentliche Concertina (oder auch Kathodyn) Phasensplitter. An der Kathode und an der Anode der Concertina-Triode werden die beiden gegenphasigen Signale jeweils ausgekoppelt und an die beiden Treibertrioden der ECC85 weitergereicht, welche die beiden EL34-Endröhren im Gegentakt antreiben.
Für die Zusammenführung der Signale sowie die Leistungsanpassung an niederohmige Lautsprecher sorgt wiederum ein Ausgangsübertrager, der wegen des Gegentaktverfahrens auf der Primärseite über eine Mittelanzapfung verfügen muss. Eine einstellbare Über-Alles-Gegenkopplung von der Sekundärseite des Übertragers auf die Kathode der ersten Triode linearisiert den Frequenzgang und reduziert den Klirrfaktor.
Die Vorteile des Röhren-Gegentaktkonzepts Klasse-AB sind
- höhere Ausgangsleistung bei gutem Wirkungsgrad,
- vergleichsweise einfacher und preisgünstiger Ausgangsübertrager,
- welcher nicht einseitig vormagnetisiert wird und deshalb weniger Verzerrungen erzeugt sowie
- günstigere Toleranz gegenüber Restwelligkeiten der Anodenspannung.
Die Nachteile sind:
- das wesentlich komplexere Schaltungsdesign, bei dem ein Signal in positive und negative Halbwellen gesplittet wird, die dann getrennt verstärkt und erst im Trafo wieder zum Gesamtsignal summiert werden sowie
- der AB-Arbeitspunkt führt zu Übernahmeverzerrungen.
Sonderform Eisenlose Endstufe
Ein moderner permanent-dynamischer Lautsprecher lässt sich mit seiner niedrigen Impedanz problemlos an den niederohmigen Ausgang einer Transistor-Endstufe anpassen. Die hochohmige Ausgangsstufe eines Audio-Röhrenverstärkers erfordert hingegen fast immer eine Leistungsanpassung mit einem Niederfrequenz-Transformator (Übertrager).
Eine Ausnahme hiervon waren Konzepte von „eisenlosen“ OTL-Audio-Röhrenendstufen (OTL steht für OutputTransformerLess), in denen der Ausgangstransformator aus Kostengründen eingespart wurde, die sich aber aus verschiedenen Gründen später nicht durchsetzen konnten: Im bekannten Volksempfänger arbeitete die Niederfrequenz-Endröhre direkt auf einen Freischwinger-Lautsprecher mit seiner hohen Impedanz von 2000 Ohm, weiterhin hat die Firma Philips später eine Schaltung mit verschiedenen Röhrentypen und den dafür notwendigen 600–800 Ohm Lautsprechern in den 1950er und 1960er Jahren in etlichen Röhrenradios und Fernsehgeräten eingesetzt.[1] Das Ausgangssignal wird über einen Koppelkondensator abgegriffen und direkt dem Lautsprecher zugeleitet. Philips gab das Konzept nach einigen Jahren wieder auf: Die hochohmigen Schwingspulen litten oft Schaden (Unterbrechung) und es konnte kein externer Zweitlautsprecher angeschlossen werden.

Da die Mängel des Übertragers die Signalqualität beeinträchtigte, entwickelte Mitte der 1950er Jahre der US-Amerikaner Julius Futterman den ersten HiFi-Röhrenverstärker ohne Ausgangsübertrager für den Betrieb mit regulären niederohmigen Lautsprechern, dessen Konzeption später in den OTL-Verstärkerserien der Firma N.Y.A.L. (New York Audio Labs) weitergeführt wurde.
Modernere Konzepte, bei denen in der Ausgangsstufe zumeist eine Vielzahl von relativ niederohmigen Stromregelröhren parallel geschaltet werden, besetzen nach wie vor eine Nische im Markt. Diese Verstärker sind hinsichtlich ihrer verfügbaren Leistung, dem Röhrenverbrauch (Lebensdauer der verwendeten Endröhren) und der Verlustleistung sehr ineffektiv.
Der Grund – der zu große Impedanzunterschied – sei anhand eines 50-W-Verstärkers erklärt: Ein passender 4-Ω-Lautsprecher nimmt den Strom
auf. Das entspricht einem Maximalstrom von 5 A, den ein Leistungstransistor problemlos verarbeiten kann. Die Spannung am Lautsprecher beträgt
Die Spannung am Lautsprecher muss also zwischen den Maximalwerten −20 V und +20 V schwanken. Das ist geradezu ideal für den unmittelbaren Anschluss einer Transistorendstufe mit Komplementärtransistoren (Kombination von NPN und PNP). Diese Zahlenwerte zeigen die prinzipielle Schwäche von Elektronenröhren für „eisenlose“ Endstufen:
- Der maximal zulässige Kathodenstrom von Leistungsröhren liegt bei 1 A, wenn man von Großröhren für Rundfunksender absieht. Der notwendige Gesamtstrom 5 A lässt sich nur durch Parallelschalten ausreichend vieler Exemplare erreichen.
- Um diesen Kathodenstrom zu „ziehen“, muss die Röhre mit mindestens 150 V Anodenspannung versorgt werden. Mehr wäre besser. Davon werden aber nur 20 V für den Lautsprecher verwendet, der Rest trägt zur beachtlichen Verlustleistung der Anoden und zum schlechten Wirkungsgrad bei:
Vermeidung unerwünschter Oszillationen
Elektronenröhren funktionieren in einem sehr weiten Frequenzbereich von Gleichstrom bis etwa 2000 MHz und können deshalb bei ungeeignetem Aufbau zum ungewollten Schwingen im Hochfrequenzbereich neigen. Charakteristisch ist eine Schwingneigung nach Art der Huth-Kühn-Schaltung auf sehr hohen Frequenzen. Ob ungewollte Schwingungen entstehen, ist besonders abhängig von den Drahtlängen am Steuergitter und an der Anode (siehe Leitungstheorie): je kürzer, desto höher ist die Resonanzfrequenz. Da die Röhre mit steigender Frequenz immer schlechter verstärkt, ist irgendwann die Mindestverstärkung unterschritten und es können keine Schwingungen mehr entstehen.
Der Arbeitspunkt bzw. die Aussteuerung haben Einfluss auf die Steilheit: Häufig beobachtet man bei −15 V (AB-Einstellung ohne Signal) keine Oszillation, weil die Verstärkung zu gering ist. Bei −1 V ist die Kennlinie steiler und die Schaltung schwingt. Das bedeutet, dass ab einer gewissen Lautstärke im Rhythmus der NF solche hörbare Verzerrungen erzeugen, die bei geringer Aussteuerung nicht existieren.
Der Nachweis ist ohne Spektrometer oder Oszilloskop schwierig, weil die Frequenz der wilden Schwingungen normalerweise nicht einmal ungefähr bekannt ist. Als Indikator kann eine Serienschaltung einer Glimmlampe mit einem 50-pF-Kondensator zwischen Anode und Masse gelegt werden. Der kapazitive Widerstand des Kondensators ist bei NF zu groß und die Glimmlampe leuchtet nicht. Bei Frequenzen oberhalb einiger Megahertz flackert sie aber.
Als Gegenmaßnahme haben sich in Serie in die Zuleitungen geschaltete Dämpfungswiderstände bewährt:
- unmittelbar am Steuergitter ein 1-kΩ-Widerstand, der die Schwingkreisgüte des Drahtes sehr wirkungsvoll dämpft[2]. Bei hohen Frequenzen (ab 100 kHz) bildet dieser Widerstand mit der durch den Millereffekt vergrößerten Eingangskapazität jedoch einen unerwünschten RC-Tiefpass. Diese Tiefpasswirkung kann durch eine parallel geschaltete Drossel verringert werden.
- bei Pentoden unmittelbar am Schirmgitter ein 100-Ω-Widerstand
Gegenüberstellung Röhre - Halbleiter
Auch nach der Erfindung des Transistors war die Elektronenröhre jahrelang als aktives Steuerelement in allen Anwendungsbereichen der Elektronik ohne Alternative. Die sehr niedrige Transitfrequenz, das Rauschen und die Temperaturprobleme der frühen Germanium-Transistortypen begrenzten die Einsatzmöglichkeiten des Transistors. Mit dem Einsatz des Halbleitermaterials Silizium, einer konsequenten Weiterentwicklung des Siliziumtransistors und seinen zahlreichen Vorzügen ersetzten die Halbleiterbauelemente Bipolartransistor, Feldeffekttransistor und MOSFET zunehmend die Röhre in nahezu allen elektronischen Einsatzgebieten.
Verglichen mit der Elektronenröhre hat der Transistor ganz entscheidende Vorteile anzubieten, u. a. insbesondere in folgenden Bereichen: geringe Abmessungen, geringes Gewicht und niedriges Preisniveau, mechanische Unempfindlichkeit, einfachste und anspruchslose Stromversorgung gepaart mit hohem Wirkungsgrad, extrem hohe Lebensdauer, kaum Kennlinienveränderungen über den gesamten Nutzungszyklus, extrem gute elektrische Werte aktueller Transistortypen durch permanente und fortdauernde Forschungsarbeit.
Zu den gravierendsten Nachteilen beim Einsatz von Elektronenröhren gehört die Notwendigkeit einer aufwändigen Hochspannungsversorgung, da kaum Röhren existieren, die bei niedriger Versorgungsspannung in der Größenordnung von 50 V einen nennenswerten Anodenstrom (und damit eine nennenswerte Ausgangsleistung) liefern können und in diesem Bereich auch noch verzerrungsarm funktionieren. Der erhebliche Strombedarf für die Heizung der Kathode und die vergleichsweise große Verlustleistung beeinflussen auch die Schaltungsumgebung. Insbesondere in Leistungsröhren lösen verschiedene chemisch-physikalische Vorgänge vor allem der Kathode einen beschleunigten Alterungsprozess aus, weshalb die Röhre nach einer bestimmten Betriebsdauer ausgetauscht werden muss (siehe auch Elektronenröhre).
Beim Röhrenverstärker bestimmen nicht die Röhren, sondern der Ausgangsübertrager die obere und untere Grenzfrequenz des Verstärkers. Auch mit besonderen Wickeltechniken kann man kaum den Bereich von 30 Hz bis 15 kHz (−3 dB) überschreiten. Transistorverstärker können problemlos weit über den NF-Bereich hinaus (z. B. 5 Hz bis 100 kHz) mit weitaus geringeren Toleranzen (z. B. −0,5 dB) arbeiten, weil sie keinen Trafo benötigen.
Der Ausgangswiderstand soll möglichst gering sein, um unerwünschte Resonanzen des Lautsprechers zu dämpfen. Wegen der viel stärkeren Gegenkopplung und der anderen Schaltungstopologie ist er bei Transistorverstärkern prinzipiell deutlich kleiner als bei Verstärkern mit Ausgangstrafo. Wegen dessen Phasenverschiebung zumindest an den Grenzen der Bandbreite muss die Gegenkopplung bei Röhrenverstärkern deutlich kleiner bemessen werden. Zusätzlich spielt die Schaltungstopologie eine große Rolle: Röhrenendstufen werden üblicherweise in Kathoden-Basis-Schaltung realisiert, die naturgemäß einen hohen Ausgangswiderstand besitzt. Dagegen werden Transistorendstufen in der Regel als Kollektorschaltung (Emitterfolger) ausgeführt, da diese bereits ohne äußere Gegenkopplung einen niedrigen Ausgangswiderstand aufweist.
Einen wichtigen Unterschied gibt es auch, wenn die Verbindung zwischen Verstärker und Lautsprecher gestört wird:
- Wird diese Verbindung versehentlich bei einem Röhrenverstärker bei hoher NF-Leistung unterbrochen, wird die entstehende hohe Induktionsspannung den Ausgangstrafo zerstören und/oder die Endröhren schädigen.
- Spätestens seit den 1980er Jahren sind Halbleiterverstärker üblich, die gegenüber kritischen Impedanzen (Kurzschluss, induktive Lasten, kapazitive Lasten) unempfindlich geworden sind. Dafür werden die Spannung, der Strom, eine Verlustleistungsapproximation und die Sperrschichttemperatur der Stromtreiber überwacht, die in allen Fällen dazu führt, dass die Endstufe nicht beschädigt werden kann. Man nennt dies SOA-Betrieb (Safe Operation Area).
Ein wirksamer Schutz von Röhrenendstufen gegen induktive Überspannungen ist dagegen sehr schwierig und in reiner Röhrentechnologie überhaupt nicht realisierbar, weshalb in der Praxis kaum Gebrauch davon gemacht wird (ein Snubber-Netzwerk ist bei weitem kein ausreichender Schutz). Ein Überstromschutz von Transistorendstufen ist hingegen sehr einfach und kostengünstig realisierbar, weshalb er in fast jedem Transistorverstärker vorhanden ist.
Im Vergleich zu Halbleiterbauelementen, deren aktive Gebiete sich auf engstem Raum innerhalb eines Festkörpers befinden, sind Elektronenröhren wegen ihrer mechanischen Konstruktion widerstandsfähiger gegen kurzzeitige elektrische Überlastung, Radioaktivität und elektromagnetischen Puls (EMP). Beides hat nichts mit einem HiFi-Verstärker zu tun.
HiFi-Verstärker

Mit hochentwickelten Röhrenverstärkern wie dem englischen Mullard 5-10 begann in den 1950er Jahren die HiFi-Ära, die auf eine möglichst genaue elektroakustische Reproduktion von Klangereignissen abzielte. Einige Jahre später deutete sich zwar zusehends der unaufhaltsame Siegeszug der Halbleitertechnologie in der Elektronikindustrie an, der die Röhrenelektronik bis auf einige Nischenanwendungen vom Markt verdrängte – es dauerte aber noch einige Zeit, bis die ersten transistorbasierten HiFi-Verstärker an das erreichte hohe akustische Qualitätsniveau des Röhrenverstärkers anknüpfen konnten.
Erst Mitte der neunziger Jahre wurden hochwertige Audio-Röhrenverstärker in High-End-Kreisen wieder salonfähig. Im Vergleich der technischen Daten ihren halbleiterbasierten Konkurrenten in vielen Bereichen hoffnungslos unterlegen, erzielen Röhrenverstärker bei subjektiver Bewertung ihrer klanglichen Eigenschaften häufig bessere Ergebnisse. Von manchen Kritikern wird dies allerdings beim heutigen hohen Stand der Halbleitertechnik als Euphemismus der Hörer oder als eine „angenehme Verfälschung“ des Klangs bezeichnet, für den angenehmen Klang seien die Hersteller von Musikaufnahmen, nicht die Hersteller der Abspielgeräte verantwortlich. Letztere sollten möglichst neutral sein.
Auf der anderen Seite sind oft nur Tonmeister mit ihrem qualifizierten und angemessen geschulten Hörvermögen in der Lage, die subtilen Unterschiede zwischen sehr guten und hervorragenden Verstärkern differenziert und reproduzierbar wahrzunehmen – sie attestieren hochwertigen Röhrenverstärkern häufig eine herausragende akustische Qualität. In einem aufwändigen Einzelprojekt der Technischen Universität Berlin[4] wurde versucht, diesen Ergebnissen eine objektive Grundlage zu geben. Messtechnische Untersuchungen am eigens für das Projekt gebauten Black Cat-Röhrenverstärker zeigten einen außerordentlich niedrigen Zahlenwert des Differenztonfaktors, was eine geringe Neigung des Verstärkers zu nichtlinearen Verzerrungen bedeutet, deren Vorhandensein schon bei kleinsten Signalanteilen für eine unangenehme Hörwahrnehmung sorgt.
Aufgrund ihrer jeweils typischen Kennlinien erzeugen Röhren andere Klirrspektren (Spektrum von Harmonischen) als Halbleiter: Trioden, Pentoden und Feldeffekttransistoren haben eine in erster Näherung quadratische Kennlinie, während Bipolartransistoren eine in erster Näherung exponentielle Kennlinie aufweisen. Die oft gehörte Behauptung, dass Trioden und Feldeffekttransistoren als unerwünschte Verzerrungsprodukte vorwiegend geradzahlige Vielfache der Grundfrequenz, bipolare Transistoren und Pentoden jedoch vorwiegend ungeradzahlige Vielfache der Grundfrequenz produzieren, ist falsch, wie Messungen an Grundschaltungen beweisen.[5][6][7]
Bei allen Verstärkergrundschaltungen entstehen unabhängig vom verwendeten aktiven Bauelement in erster Linie Oberwellen mit doppelter Grundfrequenz und nur wenige Oberwellen höherer Ordnung. Geradzahlige Vielfache der Grundfrequenz klingen in der Wahrnehmung für viele Hörer eher „warm“ und „aufhellend“, wohingegen den ungeradzahligen Partialtönen ein eher spitzer Klang nachgesagt wird.
Instrumentalverstärker
Im Bereich der klassischen Bühnenverstärker für die in der Rockmusik typischen Instrumente E-Gitarre und E-Bass hat sich aus verschiedenen Gründen die Röhrentechnik bis heute behauptet: das besondere Verhalten (soft-clipping) des Röhrenverstärkers, sein allmählich zunehmendes Hineingleiten in die Signalverzerrung beim gezielten Einsatz einer Übersteuerung, ist als untrennbarer Bestandteil des Instruments zu betrachten, der dem E-Instrumentalsound seinen individuellen Klangcharakter verleiht und eben nicht einer möglichst exakten, unverfälschten Verstärkung der vom Instrument erzeugten Töne dient.
Der Amerikaner Aspen Pittman hat in seinem Buch The Tube Amp Book (en.) eine recht vollständige Sammlung der Schaltpläne historischer Gitarren-Röhrenverstärker veröffentlicht.[8] Hier finden sich auch viele der hier genannten Schaltungsdetails in unterschiedlichen Varianten.
Siehe hierzu auch: Gitarrenverstärker
Gegenkopplung
Die elektronische Gegenkopplung (NFB-negative feedback) ist eine für die Schaltungstechnik von HiFi-Verstärkern bedeutsame Entwicklung des amerikanischen Elektronikingenieurs Harold Stephen Black aus dem Jahr 1927: Ein Teil des Ausgangssignals wird in umgekehrter Phasenlage zum Eingangssignal addiert, womit bei sorgfältiger Dimensionierung der dafür zuständigen Schaltelemente Klirrverhalten und Frequenzlinearität des Verstärkers positiv beeinflusst werden – je nach Ausmaß der Gegenkopplung vermindert sich jedoch durch die gegenphasigen Spannungen die Spannungsverstärkung. Bei der Konzeption von Röhren-Bühnenverstärkern für elektrische Gitarren verzichten die Konstrukteure u. a. auch deswegen häufig auf den korrigierenden, aber verstärkungsmindernden Effekt einer Über-Alles-Gegenkopplung von der Sekundärseite des Ausgangstransformators über den gesamten Verstärkerzweig – der unnachahmliche Klang des besonderen Klirreinsatzes der Verstärkerelektronik ist hier geradezu erwünscht, der bekannte Gitarrenverstärker Vox AC30 ist ein berühmtes Beispiel.
Durch den Kathodenwiderstand in den Verstärkerstufen entsteht eine eigene Gleichstrom-Wechselstrom-Gegenkopplung, die für einen stabilen Arbeitspunkt, aber auch für eine Verstärkungsminderung sorgt – die erste ECC83-Triode des obigen Gegentaktverstärkers ist dafür ein gutes Beispiel. Durch Parallelschaltung des Kathodenwiderstands mit einem Kondensator lässt sich die Gegenkopplung und damit die Verstärkungsminderung reduzieren, da sein kapazitiver Widerstand die Wechselspannung nach Masse ableitet – ein Beispiel für diese Variante einer Gleichstromgegenkopplung ist die Kathodenbeschaltung im obigen Eintaktverstärker.
Das Schaltungskonzept hochwertiger HiFi-Verstärker sieht in vielen Fällen eine stufenübergreifende Spannungsgegenkopplung von der Sekundärwicklung des Ausgangstransformators zur Eingangsröhre vor – da der Übertrager eine frequenzabhängige Phasenverschiebung des Signals bewirkt, entsteht bei übermäßiger Dimensionierung aus der Gegenkopplung leicht die Gefahr einer unerwünschten Rückkopplung.
Mit Aufkommen von Leistungspentoden und der zunehmenden Massenfertigung von Ausgangstransformatoren wurde mit Gegenkopplungen auf das Schirmgitter experimentiert. Entwicklungsziel war das Einstellen einer triodenähnlichen Arbeitskennlinie unter Beibehaltung der pentodentypischen Vorteile wie hohe Verstärkung und angemessener Wirkungsgrad.
Erreicht wurde dieses Ziel mit der Entwicklung des Ultra Linear- bzw. Distributed Load-Konzepts der beiden US-Amerikaner David Hafler und Herbert I. Keroes[9] von 1951, das auf ein Patent des englischen Ingenieurs Alan Dower Blumlein aus dem Jahr 1938[10] zurückgeht. Bei dieser Konfiguration wird den Schirmgittern der Endpentoden ein Teil der Anodenwechselspannung über jeweils eine Anzapfung der Primärspule des Ausgangstransformators zugeführt – dabei liegen die optimalen Ultralinearanzapfungen für die Schirmgitter einer Gegentaktendstufe bei etwa 40 % der Windungszahlen der Primärwicklung, bezogen auf die Mittenanzapfung (V++ im obigen Schaltbild eines Gegentaktverstärkers) des Transformators. Wird die Lage der Anzapfung in Richtung Anodenanschluss der Endröhre verschoben, überwiegt die Triodenbetriebsart – eine Verschiebung der Schirmgitteranzapfung in die Richtung des Mittelabgriffs der Primärspule bewirkt einen Übergang in die Pentodeneinstellung.
Eine Alternative zwischen traditioneller Strom- bzw. Spannungsgegenkopplung und der oben beschriebenen Ultralinearschaltung ist die von der britischen Firma Quad Electroacoustics auf den Markt gebrachte Kathodengegenkopplung, bei der eine Sekundärwicklung des Ausgangstransformators vom Kathodenstrom der Endröhre durchflossen und die Kathode mit der induzierten Wechselspannung so beaufschlagt wird, dass sie der Steuerspannung entgegenwirkt.
Alle Gegenkopplungsarten können gleichermaßen für Eintakt- wie für Gegentaktendstufen angewendet werden.
Das Ausmaß der eingesetzten Gegenkopplung ist indirekt proportional zum Innenwiderstand des Verstärkers: die üblicherweise stark gegengekoppelten Transistorverstärker zeichnen sich durch einen geringen Innenwiderstand und somit einen hohen Dämpfungsfaktor aus.
Hingegen verhalten sich Röhrenverstärker mit einer eher geringfügigen bzw. nicht vorhandenen Gegenkopplung genau umgekehrt – daraus ergibt sich die Empfehlung, als Schallwandler hochbedämpfte und dennoch effiziente Lautsprecher zu verwenden.
Zwischenübertrager
Zwischenübertrager in NF-Verstärker sind Transformatoren mit sehr hohen Windungszahlen und Induktivitäten. Sie wurden oft in älteren Röhrenempfängern vor ca. 1933 eingesetzt, um die Anzahl der erforderlichen Röhren zu verringern. Die Übertrager waren meist auf eine Spannungstransformation von 1:3 ausgelegt, wobei die Röhrenstufe auf der Primärseite ein geringes Maß an Leistung zur Verfügung stellen musste.
Gegentakt-Zwischenübertrager können bei entsprechender Ausführung die bei Gegentaktendstufen notwendige aktive Phasenumkehrstufe ersetzen: die hochohmige Sekundärwicklung hat eine an Masse liegende Mittelanzapfung, an den beiden Wicklungsenden kann das jeweils um 180° phasenverschobene Signal abgenommen werden. Diese Art der Gegentaktansteuerung war ebenfalls in vielen Geräten vor etwa 1933 anzutreffen.
Transformatoren werden heute zuweilen für eine galvanische Trennung und Impedanzanpassung verwendet und verhindern – z. B. bei getrennt aufgestellten Vor- und Endstufen – Störgeräusche durch Brummschleifen. Sie werden jedoch nicht als Zwischenübertrager bezeichnet.
Ausgangsübertrager
Elektronenröhren sind prinzipiell hochohmige Bauelemente, d. h. ihre Ausgangsimpedanz ist wesentlich höher (im Niederfrequenzbereich einige Kiloohm) als diejenige von Lautsprechern (üblich sind 4 bis 16 Ohm). Deshalb erfordert der Betrieb von üblicherweise niederohmigen Lautsprechern an Röhren-Audioverstärkern einen speziellen Niederfrequenz-Transformator, den Ausgangsübertrager. Die hohen Bandbreiten von HiFi-Verstärkern und/oder hohe Ausgangsleistungen lassen sich nur durch verschachtelte Wicklungen erreichen, was sie dementsprechend teuer macht.
An NF-Ausgangstransformatoren werden folgende hohe Anforderungen gestellt:
- Impedanztransformation (Windungszahlverhältnis 1:20 bis 1:50)
- hohe relative Bandbreite: das Verhältnis der oberen zur unteren Grenzfrequenz beträgt etwa 200:1 (geringe Streuinduktivität durch verschachtelte Wicklungen, hohe Primärwindungszahl, hohe Permeabilität des Kerns)
- Linearität des Kerns (hohe Sättigungsinduktion, bei Verstärkern im A-Betrieb Luftspalt)
- geringe Kupferverluste: niedrige ohmsche Widerstände der Wicklungen
- geringe Eisenverluste: wenig Ummagnetisierungs- und Wirbelstromverluste des Kernwerkstoffes
- gute Isolation (Schutz gegen Anodenspannung, bei Übersteuerung steigt die Anodenspannung periodisch auf ein Mehrfaches der Betriebsspannung an)
Die Impedanztransformation wird mathematisch durch das Quadrat des Windungszahlverhältnisses bestimmt. Weil die Impedanz eines Lautsprechers nicht konstant, sondern frequenzabhängig ist, sind der Genauigkeit der Anpassung im praktischen Betrieb jedoch Grenzen gesetzt. Die Primärinduktivität muss so hoch sein, dass sie bei der unteren Grenzfrequenz nur einen geringen Pegelabfall verursacht. Es sind mehrere Henry erforderlich.
Die relative Bandbreite ist dem Streufluss des Transformators umgekehrt proportional. Ein geringer Streufluss bedeutet gute magnetische Kopplung zwischen Primär- und Sekundärwicklung. Der Streufluss kann durch Verschachtelung der in Teilwicklungen zerlegten Primär- und Sekundärwicklungen gering gehalten werden, die Wahl eines hochpermeablen Kernmaterials wirkt sich darauf und auch auf die Größe der Primärinduktivität positiv aus.
Kernmaterialien mit erst zu hohen magnetischen Flussdichten (oberhalb 1,5 Tesla) hin einsetzender Sättigung haben eine gute Linearität. Hochpermeable Magnetwerkstoffe haben jedoch oft eine geringere Sättigungsfeldstärke, bei Eintakt-A-Endstufen ist daher ein Luftspalt zwingend erforderlich.
Eine Minimierung der Kupferverluste erfolgt über die Wahl eines geeigneten Kerntyps und -materials, da damit der verfügbare Querschnitt für die Wicklung und die spezifische Windungsinduktivität festliegen. Eine effektive Ausnutzung der Fensterfläche für Isolierung, Wicklungen und Schirmungen ermöglicht die Verwendung großer Drahtquerschnitte und damit geringer ohmscher Widerstände.
Die Eisenverluste hängen maßgeblich von der Wahl von Kerntyp und -material ab. So verringern sehr kleine Blechstärken zwar den relativen Eisenanteil des Kernvolumens, vermindern jedoch insbesondere bei hohen Frequenzen die Wirbelströme.
Die Anordnung verschachtelter Wicklungen erhöht die Kapazität zwischen Primär- und Sekundärwicklung. Um unerwünschte kapazitive Kopplungen zu vermeiden, werden häufig isolierte, an Masse geschaltete Metallfolien zwischen die Wicklungsteile eingelegt. Diese Folien bilden eine kapazitive Abschirmung.
Obwohl sie eine Mittelanzapfung benötigen, sind Gegentaktausgangstransformatoren einfacher in Design und Herstellung, da die Ruheströme der beiden Endröhren gegensinnig durch die beiden Primärwicklungen fließen und sich der von ihnen erzeugte magnetische Gleichfluss aufhebt.
Problematischer sind Ausgangstransformatoren für Eintakt-A-Endstufen, da in diesem Fall der Ruhestrom der Endröhre die Primärwicklung des Ausgangstransformators durchfließt und jenen magnetisiert. Um die magnetische Flussdichte des Transformatorkerns zu verringern und die Sättigung des Kernmaterials zu vermeiden, benötigt der Kern daher einen Luftspalt. Der Ausgangstransformator muss hinsichtlich des Arbeitspunktes auf der magnetischen Kennlinie sorgfältig bemessen werden. Dabei muss die Vollaussteuerung komplexer Lasten berücksichtigt werden.
Eine andere Möglichkeit, das Gleichfeld im Ausgangstransformator einer Eintakt-Endstufe zu umgehen, ist die Drosselkopplung. Anstelle der Primärwicklung im Anodenstromkreis wird eine hochinduktive Drossel zur Zuführung des Anodenruhestromes in den Anodenstromkreis geschaltet. Über diese mit einem Luftspalt versehene Drossel fällt neben der aus den primären Kupferverlusten herrührenden unvermeidlichen Gleichspannung die Anodenwechselspannung ab. Sie wird über einen Koppelkondensator dem Ausgangstransformator zugeführt. Zwar ist ein weiteres relativ großes und schweres Bauelement vonnöten, jedoch wird der Ausgangstransformator von Gleichfeldern freigehalten.
Literatur
- Gerhard Haas: High-End mit Röhren. Elektor Verlag, 6. Auflage 2017, ISBN 978-3-89576-323-6[11]
Siehe auch
Weblinks
- TU Dortmund: Roehrenverstaerker (PDF; 3,1 MB)
- Mißverständnisse um Röhren
- Friedrich Hunold (frihu) (Buchautor) Hinweise Selbstbau Röhrenverstärker
Einzelnachweise
- ↑ Weitergehende Informationen zur eisenlosen Endstufe
- ↑ Heinrich Schröder: Elektrische Nachrichtentechnik II. Band. Kapitel E.I.6, S. 567 ff.
- ↑ Original-Datenblatt bei hifi-wiki.de
- ↑ Projekt 'Black Cat' TU Berlin
- ↑ Verzerrungsmessungen an einer Katodenbasisschaltung mit Triode
- ↑ Verzerrungsmessungen an einer Emitterschaltung mit npn-Transistor
- ↑ Verzerrungsmessungen an einer Sourceschaltung mit n-Kanal-FET
- ↑ Aspen Pittman: The Tube Amp Book (engl.), Backbeat Books 2003, ISBN 0-87930-767-6 (Information und Schaltpläne historischer Gitarren-Röhrenverstärker).
- ↑ Patent US2710312A: Ultra linear amplifiers. Angemeldet am 20. Mai 1952, veröffentlicht am 7. Juni 1955, Anmelder: Acro Products Company, Erfinder: David Hafler, Herbert I. Keroes.
- ↑ Patent GB496883A: Improvements in or relating to thermionic valve amplifying circuits. Angemeldet am 5. Juni 1937, veröffentlicht am 5. Dezember 1938, Erfinder: Alan Dower Blumlein.
- ↑ www.elektor.de: Inhaltsverzeichnis, Vorwort, Klappentext